Problema con relè 12V
Moderatori:
carloc,
g.schgor,
BrunoValente,
IsidoroKZ
0
voti
Vi può servire sapere qual è il regolatore e le sue specifiche? Posso mettere il link al prodotto su Amazon?
0
voti
Senz’altro, per tutto.
-

PietroBaima
90,7k 7 12 13 - G.Master EY

- Messaggi: 12206
- Iscritto il: 12 ago 2012, 1:20
- Località: Londra
0
voti
Il regolatore è questo:
https://www.amazon.it/gp/product/B075FT ... UTF8&psc=1
Tensione di ingresso:da 6V a 60V DC
Corrente nominale: 30A
Corrente di uscita: regolabile da 0A a 30A
Intervallo di velocità: da 0% a 100% (variabile)
Manopola: 100K con interruttore (270°)
Metodo di regolazione: potenziometro (lineare)
Tensione di uscita: lineare con carico (caduta di tensione sui morsetti del motore 2)
Tipo di regolazione: corrente di regolazione (non utilizzabile come regolatore di tensione)
https://www.amazon.it/gp/product/B075FT ... UTF8&psc=1
Tensione di ingresso:da 6V a 60V DC
Corrente nominale: 30A
Corrente di uscita: regolabile da 0A a 30A
Intervallo di velocità: da 0% a 100% (variabile)
Manopola: 100K con interruttore (270°)
Metodo di regolazione: potenziometro (lineare)
Tensione di uscita: lineare con carico (caduta di tensione sui morsetti del motore 2)
Tipo di regolazione: corrente di regolazione (non utilizzabile come regolatore di tensione)
0
voti
Mah, l'unica cosa che ho capito dal link è che ha due cavalli vapore...
Vediamo se
BrunoValente ci capisce qualcosa in più.
Vediamo se
-

PietroBaima
90,7k 7 12 13 - G.Master EY

- Messaggi: 12206
- Iscritto il: 12 ago 2012, 1:20
- Località: Londra
0
voti
Oltre a quelle riportate da me non penso ci siano tante altre specifiche sulla pagina Amazon...
0
voti
Non c’è molto in realtà, purtroppo, per questo ho chiesto aiuto a Bruno.
-

PietroBaima
90,7k 7 12 13 - G.Master EY

- Messaggi: 12206
- Iscritto il: 12 ago 2012, 1:20
- Località: Londra
1
voti
PietroBaima ha scritto:..Vediamo seBrunoValente ci capisce qualcosa in più.
Neanch'io ci ho capito granché, lo descrivono come fosse un generatore di corrente per motori ma io credo generi un segnale di tensione PWM: se fosse un generatore di corrente costante analogico avrebbe bisogno di un dissipatore enorme (30A), se fosse un generatore di corrente switching si dovrebbero vedere degli induttori grossi che invece non si vedono, quindi...
Credo non sia utilizzabile come avevo proposto, cioè con l'anodo dei led collegato al positivo fisso invece che a quello di uscita dal regolatore, perché da spento, evidentemente, attraverso i led scorre una corrente che entrando nell'uscita in qualche modo lo alimenta e lo tiene acceso.
-

BrunoValente
39,6k 7 11 13 - G.Master EY

- Messaggi: 7796
- Iscritto il: 8 mag 2007, 14:48
0
voti
In effetti non c'è nessun riferimento su come funziona, ma da quello che dicono i vari commenti dovrebbe generare un segnale di uscita PWM.
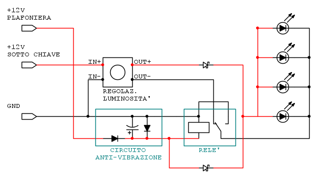
Quindi considerando il circuito così com'è per il momento, visto che sembra funzionare tutto correttamente, c'è qualche modifica che posso apportare per non avere alcun problema? Magari usando determinati componenti o aggiungendo qualche altra "protezione"?
Vi ripropongo lo schema attuale:
Quindi considerando il circuito così com'è per il momento, visto che sembra funzionare tutto correttamente, c'è qualche modifica che posso apportare per non avere alcun problema? Magari usando determinati componenti o aggiungendo qualche altra "protezione"?
Vi ripropongo lo schema attuale:
0
voti
Hai verificato quanto scaldano i diodi? Credo che quello in serie all'ingresso del circuito di comando del relè se non è un diodo schottky scaldi un bel po'.
Se ti andasse bene di avere il regolatore funzionante anche sotto plafoniera potresti mettere il contatto del relè sul positivo di ingresso del regolatore in modo da alimentare il regolatore da un positivo fisso quando si accende la plafoniera e dal positivo sotto chiave quando il quadro è acceso.
Se ti andasse bene di avere il regolatore funzionante anche sotto plafoniera potresti mettere il contatto del relè sul positivo di ingresso del regolatore in modo da alimentare il regolatore da un positivo fisso quando si accende la plafoniera e dal positivo sotto chiave quando il quadro è acceso.
-

BrunoValente
39,6k 7 11 13 - G.Master EY

- Messaggi: 7796
- Iscritto il: 8 mag 2007, 14:48
0
voti
I diodi sono tutti degli Schottky 10SQ045 10A 45V, quindi non dovrebbero scaldare più di tanto.
Quelli che scaldavano erano l'1N4007 e L'1N4148 che avevo montato inizialmente per fare delle prove.
Il regolatore sotto plafoniera vorrei evitarlo perché in tal caso i LED sarebbero sempre regolati, quindi se a macchina accesa sono impostati al 30% anche accendendo la plafoniera rimarrebbero al 30%.
Io invece vorrei un funzionamento come quello attuale, cioè che mentre guido li tengo bassi (10-20%), quando accendo la plafoniera (per esempio per cercare qualcosa) i LED si accendano al 100% e quando poi spengo nuovamente la plafoniera tornino al valore impostato sul regolatore.
Quelli che scaldavano erano l'1N4007 e L'1N4148 che avevo montato inizialmente per fare delle prove.
Il regolatore sotto plafoniera vorrei evitarlo perché in tal caso i LED sarebbero sempre regolati, quindi se a macchina accesa sono impostati al 30% anche accendendo la plafoniera rimarrebbero al 30%.
Io invece vorrei un funzionamento come quello attuale, cioè che mentre guido li tengo bassi (10-20%), quando accendo la plafoniera (per esempio per cercare qualcosa) i LED si accendano al 100% e quando poi spengo nuovamente la plafoniera tornino al valore impostato sul regolatore.
Chi c’è in linea
Visitano il forum: Nessuno e 215 ospiti

Elettrotecnica e non solo (admin)
Un gatto tra gli elettroni (IsidoroKZ)
Esperienza e simulazioni (g.schgor)
Moleskine di un idraulico (RenzoDF)
Il Blog di ElectroYou (webmaster)
Idee microcontrollate (TardoFreak)
PICcoli grandi PICMicro (Paolino)
Il blog elettrico di carloc (carloc)
DirtEYblooog (dirtydeeds)
Di tutto... un po' (jordan20)
AK47 (lillo)
Esperienze elettroniche (marco438)
Telecomunicazioni musicali (clavicordo)
Automazione ed Elettronica (gustavo)
Direttive per la sicurezza (ErnestoCappelletti)
EYnfo dall'Alaska (mir)
Apriamo il quadro! (attilio)
H7-25 (asdf)
Passione Elettrica (massimob)
Elettroni a spasso (guidob)
Bloguerra (guerra)
pigreco]=π