Cos'è ElectroYou | Login Iscriviti

ElectroYou - la comunità dei professionisti del mondo elettrico

comando gestione scintilla bobina-candele

Elettronica lineare e digitale: didattica ed applicazioni

Moderatori: Foto Utentecarloc, Foto Utenteg.schgor, Foto UtenteBrunoValente, Foto UtenteIsidoroKZ

0
voti

[31] Re: comando gestione scintilla bobina-candele

Messaggioda Foto Utenteira83 » 20 dic 2016, 17:59

Ciao a tutti, rieccomi con un po' di novità :D

Innanzi tutto ci tengo a ringraziare tutti coloro che hanno contribuito con dritte e consigli.

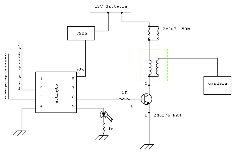
Ho effettuato le modifiche sopra citate, ovvero via il mosfet e al suo posto (lo avevo a portata di mano) ho utilizzato un BJT npn 2n6276 (datasheet) e ho ridotto la resistenza prima del primario a circa 2 ohm... in tal modo mi assicuro di limitare la corrente ad un massimo di circa 6A.

Ho quindi modificato il circuito come segue:



Così facendo funziona per pochi secondi, dopo di che il micro si impalla e blocca... oppure il led va a frequenza diversa della scintilla (quando invece dovrebbero esser comandati con la medesima frequenza).

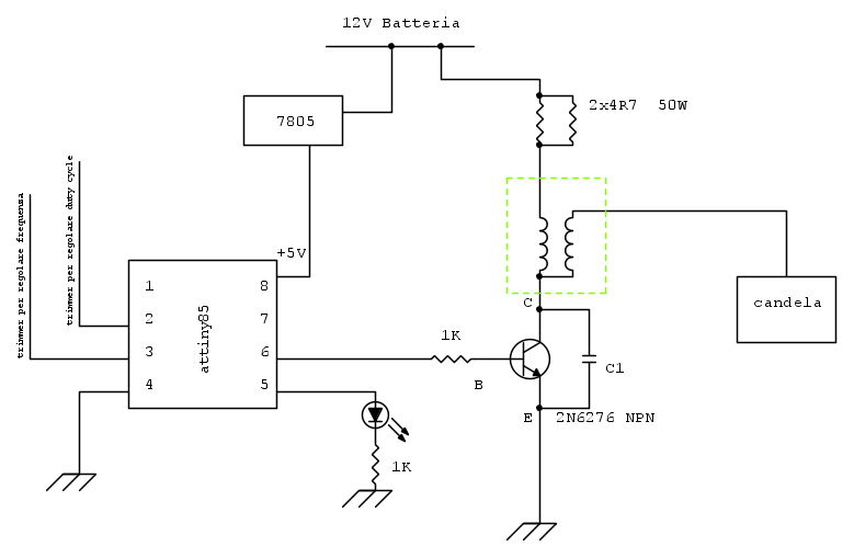
Allora ho ripensato al vostro consiglio di porre un condensatore in parallelo, e ho modificato il circuito così:


E devo dire che la situazione è peggiorata... ho provato con 56n, 680n, 4.7u ed in tutti i casi la scintilla o non avveniva, o avveniva solo una ripetizione....

so che chiedo di leggere una sfera di cristallo, ma secondo voi partendo dal primo schema come potrei evitare che il micro si impalli?
Avatar utente
Foto Utenteira83
45 1 7
Frequentatore
Frequentatore
 
Messaggi: 185
Iscritto il: 12 gen 2011, 16:56

1
voti

[32] Re: comando gestione scintilla bobina-candele

Messaggioda Foto UtenteTardoFreak » 20 dic 2016, 18:01

Disaccoppiandolo completamente dal circuito di potenza: alimentazione separata (se possibile), fotoaccoppiatore per il comando, masse separate.
"La follia sta nel fare sempre la stessa cosa aspettandosi risultati diversi".
"Parla soltanto quando sei sicuro che quello che dirai è più bello del silenzio".
Rispondere è cortesia, ma lasciare l'ultima parola ai cretini è arte.
Avatar utente
Foto UtenteTardoFreak
73,9k 8 12 13
-EY Legend-
-EY Legend-
 
Messaggi: 15754
Iscritto il: 16 dic 2009, 11:10
Località: Torino - 3° pianeta del Sistema Solare

0
voti

[33] Re: comando gestione scintilla bobina-candele

Messaggioda Foto Utenteira83 » 20 dic 2016, 18:05

TardoFreak ha scritto:Disaccoppiandolo completamente dal circuito di potenza: alimentazione separata (se possibile), fotoaccoppiatore per il comando, masse separate.


In effetti potrebbe funzionare, però devo avere per forza un'unica alimentazione... provo e ti faccio sapere, intanto grazie della dritta
Avatar utente
Foto Utenteira83
45 1 7
Frequentatore
Frequentatore
 
Messaggi: 185
Iscritto il: 12 gen 2011, 16:56

0
voti

[34] Re: comando gestione scintilla bobina-candele

Messaggioda Foto Utentexyz » 20 dic 2016, 18:29

Il 7805 ha i condensatori in ingresso e uscita come descritto nel datasheet ? Altrimenti rischia di auto oscillare e ATtiny85 può attivare il brown-out detection per evitare di eseguire codice a caso non valido.

Al transistor manca un diodo di protezione, rischia di danneggiarsi visto il carico induttivo.
Avatar utente
Foto Utentexyz
6.864 2 4 6
G.Master EY
G.Master EY
 
Messaggi: 1778
Iscritto il: 5 dic 2009, 18:37
Località: Italy Turin

0
voti

[35] Re: comando gestione scintilla bobina-candele

Messaggioda Foto Utentelelerelele » 21 dic 2016, 9:53

intanto il condensatore va in parallelo alla bobina, sia perché in questo modo si trova in serie alle resistenze da 4R7 en anche in serie all'alimentazione, chissà cosa può succedere quindi a quest'ultima!, sia perché prova a pensare cosa succede quando tenti di saturare un transistor che ha in parallelo un condensatore, il quale non può essere cortocircuitato a meno di avere fortissime correnti........quanto sarà felice il transitor?

inoltre questo transistor ha un guadagno intorno ad 1A di 50, quindi con la tua rsistenza di base di 1K lo piloti con 12mA (scarsi), che moltiplicato x50 fa 600mA, e pensi che siano sufficienti per saturare il transistor con i presunti 6A?

senza considerare che lo danno con un tempo di apertura di 80uS a 20A! non credo sia esaltante!

poi questo transistor ha una VCBO<160V, per me sono troppo pochi per avere scintilla! prova a togliere il transistor e fare contatto tra le piste con qualche filo....facendolo scorrere, in modo da provocare piccoli contatti e poi dimmi se la fa la scintilla.

devi usare un mosfet, che è la via più semplice, oppure amplifica con potenza l'ingresso del transistor Sia in alto che in basso!

saluti
Avatar utente
Foto Utentelelerelele
4.899 3 7 9
Master
Master
 
Messaggi: 5505
Iscritto il: 8 giu 2011, 8:57
Località: Reggio Emilia

0
voti

[36] Re: comando gestione scintilla bobina-candele

Messaggioda Foto Utenteira83 » 21 dic 2016, 19:14

Buonasera a tutti,

FUNZIONAAAAAA :D

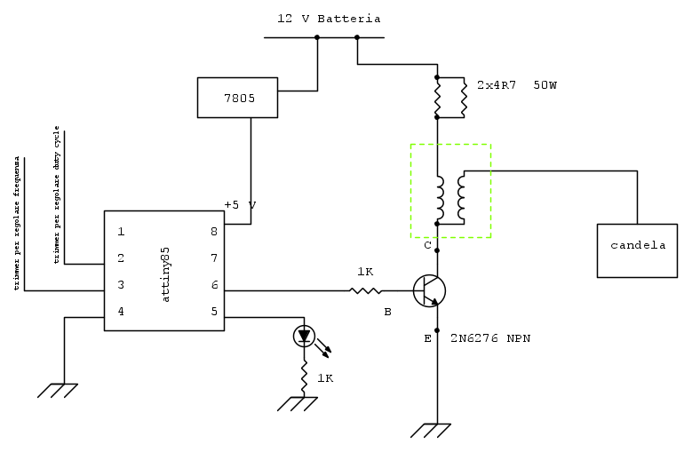
Allora sono partito da questo schema


Come modifiche ho eseguito:
Diodo in serie sull'alimentazione positiva del 7805
Condensatore elettrolitico 47u in ingresso al 7805
Condensatore 56n in uscita al 7805

Da notare che:
Con diodo in antiparallelo sulla bobina la scintilla non scatta
Con condensatore in parallelo al BJT (vedi schema sopra) la scintilla non scatta
Con condensatore in parallelo al primario della bobina la scintilla non scatta

Ho messo a monte come protezione di tutto un fusibile a lama da 10A.
Avatar utente
Foto Utenteira83
45 1 7
Frequentatore
Frequentatore
 
Messaggi: 185
Iscritto il: 12 gen 2011, 16:56

0
voti

[37] Re: comando gestione scintilla bobina-candele

Messaggioda Foto UtenteNebur70 » 21 apr 2020, 20:52

:D O_/
Un saluto a tutti. Meno male che c'è questo topic aperto.
Lo so che è un po datato ma di recente mi sono aggiunto anche io come autoditatta nel realizzare un progetto quasi uguale, sicuramente molto simile. Sto usando un conrtrollore famoso di Arduino ;-)
In primis vorrei chiedere a ira83 se ha risolto il problema surriscaldamento su BJT e come vanno le resistenze. Scaldano o si possono rinchiudere in scatola?
Grazie
Avatar utente
Foto UtenteNebur70
35 1
 
Messaggi: 30
Iscritto il: 21 apr 2020, 18:52

0
voti

[38] Re: comando gestione scintilla bobina-candele

Messaggioda Foto UtenteNebur70 » 22 apr 2020, 16:10

:-)
Scusate devo aggiungere che ho fatto qualche esperimento con i condensatori in parallelo ma non noto alcuna differenza, in compenso la scintilla c'è l'ho. Ho provato con poliestere dai 470 nano ai 3.3 mF. Potreste dirmi che tipo e i valori? Il mio IGBT (STGW39NC60VD) scalda ancora :cry:

Grazie
Avatar utente
Foto UtenteNebur70
35 1
 
Messaggi: 30
Iscritto il: 21 apr 2020, 18:52

0
voti

[39] Re: comando gestione scintilla bobina-candele

Messaggioda Foto Utentelelerelele » 23 apr 2020, 9:05

Nebur70 ha scritto::-) Il mio IGBT (STGW39NC60VD) scalda ancora :cry:
L'IGBT scalderà sempre più del mosfet, (se l'applicazione non è così critica li preferisco), comunque se scalda i motivi possono essere tre:
-Non satura sufficientemente
-Non è interdetto con sufficiente rapidità
-Sfora la tensione massima ammessa, ed il mosfet potrebbe andare in protezione, (sempre che sia protetto).

devi verificare quale di queste è la causa.

Comunque si trovano mosfet che lavorano a 600V 10A senza problemi, io ho fatto un elettrificatore per recinto, ed ho usato un mosfet da 3A 800V.

saluti.
Avatar utente
Foto Utentelelerelele
4.899 3 7 9
Master
Master
 
Messaggi: 5505
Iscritto il: 8 giu 2011, 8:57
Località: Reggio Emilia

0
voti

[40] Re: comando gestione scintilla bobina-candele

Messaggioda Foto UtenteNebur70 » 23 apr 2020, 10:16

Ti ringrazio dell'attenzione. In questi giorni stavo facendo varie prove. In effetti è in arrivo anche un mosfet con tensione di 500V (da rivenditore di fiducia, ma da quanto sono i picchi su bobbina? Sono i picchi di ritorno dalla candela giusto?). Cosidera anche che ho pilotato da fotoaccoppiatore che fa da switch e per controllare la corrente vorrei usare un mosfet.
Quello che ancora non va è il condesatore lo messo in parallelo come già detto ma nulla è cambiato.
Avatar utente
Foto UtenteNebur70
35 1
 
Messaggi: 30
Iscritto il: 21 apr 2020, 18:52

PrecedenteProssimo

Torna a Elettronica generale

Chi c’è in linea

Visitano il forum: Nessuno e 97 ospiti