Cos'è ElectroYou | Login Iscriviti

ElectroYou - la comunità dei professionisti del mondo elettrico

Bi amp

hi-fi, luci, suoni, effetti speciali, palcoscenici...

Moderatore: Foto UtenteIsidoroKZ

0
voti

[51] Re: Bi amp

Messaggioda Foto Utentelelerelele » 23 apr 2020, 11:50

pietroruta ha scritto:pultroppo anche da siti rinnomati mi sono capitate partite di componenti che se avrei comprato da aliexpress sarebbe stato lo stesso, so che per voi potrebbe essere blasfemo, ma negli anni ho trovato un fornitore cinese abbastanza affidabile.
Io ho comprato molti componenti dai cinesi, solo una volta mi sono arrivati componenti con problemi meccanici ad i pin......anche perché i componenti non si possono fare in garage, devono essere comunque fatti dalle case produttrici. :ok:

saluti.
Avatar utente
Foto Utentelelerelele
4.899 3 7 9
Master
Master
 
Messaggi: 5505
Iscritto il: 8 giu 2011, 8:57
Località: Reggio Emilia

1
voti

[52] Re: Bi amp

Messaggioda Foto Utentemaxmix69 » 23 apr 2020, 13:22

EdmondDantes ha scritto:https://www.electroyou.it/forum/viewtopic.php?f=14&t=79542&start=10#p833271

Ottimo, sarebbe una spiegazione. In effetti avevo pensato pure io fosse un problema di emoticon, ho fatto una prova a mettere lo spazio (che avevo dimenticato) prima dell'emoticon, ma non è cambiato nulla. Però adesso che ho letto la motivazione sono sicuro che hai ragione, l'emoticon l'avevo messa dal cellulare! Però è sempre il sito che è strano perché nella mia bacheca il messaggio è visibile, infatti ho pubblicato la foto. Grazie mille, chissà se gli admin lo sanno e se si può risolvere....
pietroruta ha scritto:credi che sia meglio la tua soluzione o una con un upc1237?

Meglio del Crowbar non c'è nulla. Chiaramente interviene quando c'è un guasto nel circuito dell'amplificatore. Il relè con il upc1237 comunque lo metterei, per evitare possibili "BUMP" e per evitare che quando spegni l'amplificatore con la sorgente ancora in funzione il tweeter suoni ancora per un quarto d'ora :mrgreen:
Per i ricambi un buon sito con prezzi a mezza strada tra i cinesi e altri che solo a nominarli mi si prosciuga il portafoglio è TME. Sono cliente da anni, poco alla volta stanno crescendo, MAI avuto un fake da loro. Sono pure relativamente rapidi, pochi giorni e arriva tutto. Peccato che non sono fornitissimi :-|
lelerelele ha scritto:anche perché i componenti non si possono fare in garage, devono essere comunque fatti dalle case produttrici.

Sì, ma ci sono pure in giro scarti di produzione che vengono sottratti dal macero e rimarchiati con le sigle più richieste. Nel napoletano c'era uno attrezzato con la sabbiatrice, cancellava le scritte per esempio sui 2N3055 BUONI e li rivendeva come MJ15003, MJ15022 et similia...
Avatar utente
Foto Utentemaxmix69
172 1 2 5
Stabilizzato
Stabilizzato
 
Messaggi: 379
Iscritto il: 6 lug 2013, 20:18

0
voti

[53] Re: Bi amp

Messaggioda Foto Utentepietroruta » 23 apr 2020, 16:42

intanto mi dedico al nuovo ingresso con il crossover, vediamo che esce fuori
Avatar utente
Foto Utentepietroruta
20 4
New entry
New entry
 
Messaggi: 76
Iscritto il: 12 apr 2020, 18:13

0
voti

[54] Re: Bi amp

Messaggioda Foto Utentelelerelele » 23 apr 2020, 16:47

maxmix69 ha scritto:Sì, ma ci sono pure in giro scarti di produzione che vengono sottratti dal macero e rimarchiati con le sigle più richieste. Nel napoletano....
?% Sono senza parole!

saluti
Avatar utente
Foto Utentelelerelele
4.899 3 7 9
Master
Master
 
Messaggi: 5505
Iscritto il: 8 giu 2011, 8:57
Località: Reggio Emilia

0
voti

[55] Re: Bi amp

Messaggioda Foto Utentemaxmix69 » 23 apr 2020, 17:10

pietroruta ha scritto:intanto mi dedico al nuovo ingresso con il crossover, vediamo che esce fuori

Ok, credo che ci aggiorneremo però domani.
lelerelele ha scritto: ?% Sono senza parole!

Storia vecchia, a suo tempo ha infestato tutti i rivenditori della Campania. Oltre ai tarocchi provenienti dalla cina ci si mise pure lui a creare danni. Non ho avuto mai il piacere di conoscerlo personalmente, purtroppo. Due rivenditori con i queli ero diventato relativamente amico nemmeno dopo aver chiuso le attività (e purtroppo cambiato mestiere) mi hanno mai voluto spiegare chi fosse il soggetto in questione.
Avatar utente
Foto Utentemaxmix69
172 1 2 5
Stabilizzato
Stabilizzato
 
Messaggi: 379
Iscritto il: 6 lug 2013, 20:18

0
voti

[56] Re: Bi amp

Messaggioda Foto Utentelelerelele » 24 apr 2020, 9:02

maxmix69 ha scritto:....non mi hanno mai voluto spiegare chi fosse il soggetto in questione.
Quando si punta troppo in alto.......(non mi riferisco a mattarella!)

saluti.
Avatar utente
Foto Utentelelerelele
4.899 3 7 9
Master
Master
 
Messaggi: 5505
Iscritto il: 8 giu 2011, 8:57
Località: Reggio Emilia

0
voti

[57] Re: Bi amp

Messaggioda Foto Utentepietroruta » 25 apr 2020, 9:00

Una informazione che non c'entra nulla con l'ampli per i tweeter, sto dando un'occhiata alla rete zobel da introdurre tra l'ampli originale e i midwoofer, ho trovato una app che mi chiede solo due valori, Re 5,6ohm e la Le 0.58mH. forse sarà scontato, ma essendo i midwoofer in parallelo mi comporto come per le resistenze in parallelo? 2.8 per Re e 0.29 per mH?
Avatar utente
Foto Utentepietroruta
20 4
New entry
New entry
 
Messaggi: 76
Iscritto il: 12 apr 2020, 18:13

0
voti

[58] Re: Bi amp

Messaggioda Foto Utentemaxmix69 » 25 apr 2020, 10:04

Si, dimezzano entrambe, sia la R che la L. Stamattina faccio i due calcoli che mancavano, più tardi finalmente ti posto il valore della resistenza R228 e lo schemino del crowbar.
Avatar utente
Foto Utentemaxmix69
172 1 2 5
Stabilizzato
Stabilizzato
 
Messaggi: 379
Iscritto il: 6 lug 2013, 20:18

0
voti

[59] Re: Bi amp

Messaggioda Foto Utentemaxmix69 » 25 apr 2020, 21:58

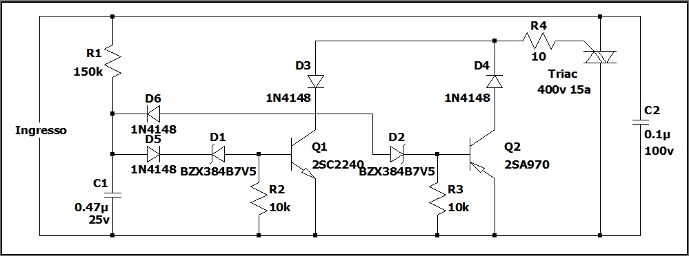
Lo schemino del Crowbar è stato molto più complicato del previsto. Non servivano gli zener come avevo detto, serviva un diac da 8v, difficile da trovare. L'ho simulato e non funzionava, mi sono andato a guardare come faceva la Peavey e ho scoperto del diac. L'ho riprogettato, un poco più complesso, ma funziona uguale.
Frequenze infrasoniche a volume elevato oppure continua da 10v in poi (qualunque polarità) mandano in conduzione il triac in parallelo all'uscita dell'amplificatore, salvando il tweeter e bruciando i fusibili.
Aggiungo lo schema originale Peavey, volendo senza modificare nulla funziona pure quello, sarà un poco complicato trovare il diac, che poi in realtà è un piccolo triac con aggiunti due zener dentro.... Guardatevi i datasheet. ;-)
Allegati
Crowbar peavey.jpg
Crowbar peavey.jpg (56.73 KiB) Osservato 8496 volte
CROWBAR 1.jpg
Avatar utente
Foto Utentemaxmix69
172 1 2 5
Stabilizzato
Stabilizzato
 
Messaggi: 379
Iscritto il: 6 lug 2013, 20:18

0
voti

[60] Re: Bi amp

Messaggioda Foto Utenteabusivo » 25 apr 2020, 22:10

maxmix69 ha scritto:...lo schema originale Peavey...

CS800?
Se quello che funziona basta non lo tocca' sennò te lassa!
Avatar utente
Foto Utenteabusivo
13,3k 4 7 10
Master
Master
 
Messaggi: 7008
Iscritto il: 16 ott 2012, 18:43
Località: L'Aquila

PrecedenteProssimo

Torna a Elettronica e spettacolo

Chi c’è in linea

Visitano il forum: Nessuno e 27 ospiti