Buonasera a tutti,
Per ragioni puramente didattiche sto provando a costruire un trasmettitore in onde medie a modulazione di ampiezza con portante settata a 1000kHz. Per la ricezione ho deciso di affidarmi a una vecchissima radio a valvole perfettamente funzionante dotata di occhio magico (riceve il segnale di radio 1 in modo impeccabile).
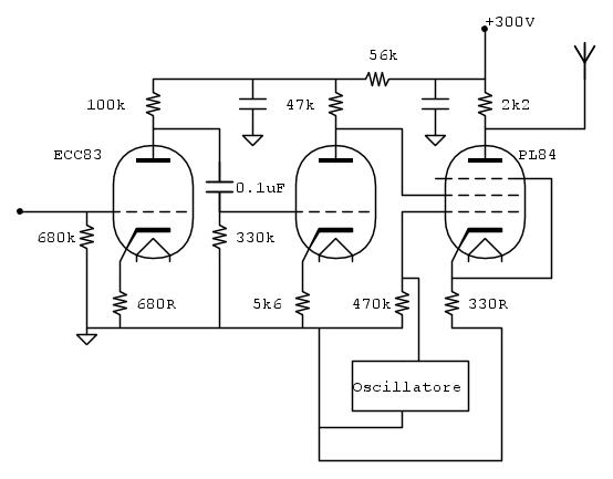
Il circuito di prova che ho messo su è il seguente:
Sperimentalmente rilevo quanto segue: con un filo di circa 10 cm usato come antenna il circuito riesce a diffondere la portante anche ad alcune decine di metri di distanza. Infatti l'occhio magico indica un forte segnale alla stessa frequenza sui cui è settato l'oscillatore (ovvero 1000kHz); come ulteriore conferma, se spengo l'oscillatore il fascio dell'occhio magico si riporta nella posizione di fuori sintonia.
Nonostante questo primo successo, se introduco un segnale audio sulla griglia del primo triodo, il ricevitore non emette alcun suono.
La cosa strana è che se posiziono una sonda dell'oscilloscopio sull'anodo della PL84 si riesce a visualizzare la portante che viene modulata dal segnale audio.
Secondo voi cosa sto sbagliando?
Cari Saluti
Damiano
Trasmettitore AM su frequenze di broadcasting
Moderatore:
jordan20
0
voti
Me ne intendo ben poco (eufemismo) però a naso non mi sconfinfera molto che l'antenna sia accoppiata in continua
prova a disaccoppiarla con un condensatorino (33 o 47 pF) e vedi che succede.
"Non farei mai parte di un club che accettasse la mia iscrizione" (G. Marx)
-

claudiocedrone
21,3k 4 7 9 - Master EY

- Messaggi: 15302
- Iscritto il: 18 gen 2012, 13:36
0
voti
Rileggendo stranamente mi sa che per una volta ha ragione
Girogiro
prova a schermare meglio, allontana gli apparecchi, disaccoppia l'antenna (e magari prova pure a allungarla) e riprova...
"Non farei mai parte di un club che accettasse la mia iscrizione" (G. Marx)
-

claudiocedrone
21,3k 4 7 9 - Master EY

- Messaggi: 15302
- Iscritto il: 18 gen 2012, 13:36
0
voti
Buonasera a tutti!
In effetti ci aveva visto giusto
Girogiro. Il segnale usciva direttamente dai collegamenti dell'oscillatore. Attualmente ho mantenuto lo stesso chema (per non introdurre troppe variabili in una volta), schermato i cavi e allungato l'antenna e in effetti in questa maniera si riesce a sentire vagamente un segnale audio, tuttavia il risultato è assolutamente insoddisfacente.
Posso provare a disaccoppiare l'antenna, ma non credo sarà una modifica risolutiva. Che altre modifiche potrei provare a fare?
D
In effetti ci aveva visto giusto
Posso provare a disaccoppiare l'antenna, ma non credo sarà una modifica risolutiva. Che altre modifiche potrei provare a fare?
D
0
voti
Rileva le tensioni rispetto a massa presenti sui piedini e riportale sullo schema
Con che tensione alimenti il filamento della PL84?
Lavorare in i tubi est pericoloso
Con che tensione alimenti il filamento della PL84?
Lavorare in i tubi est pericoloso
0
voti
Modulare di griglia schermo non è che porta a grandi risultati, e poi la ECC83 non può dare abbastanza corrente. Vedo filamenti a 6,3V e filamento in serie, probabilmente hai messo le valvole che avevi.
0
voti
Per
MarcoD: I filamenti delle due valvole sono alimentate a 13V, che è un po' di più di qyuanto richiesto dalla ECC83 e un po' meno dei 15V necessari alla PL84. Tuttavia non mi interessa di lavorare con i tubi perfettamente in specifica, questo esperimento è più che altro un proof of concept.
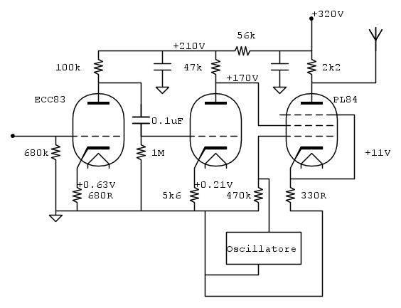
Riporto comunque lo schema con delle misurazioni accurate dei tensioni (NB, ho incrementato il valore della seconda resistenza di griglia).
Mi sento comunque perfettamente a mio agio a lavorare con le valvole (molto più che con mosfet e opamp), infatti ho già realizzato diversi amplificatori con finali di potnza (807 e simili). Il mio problema è che son proprio a digiuno di teoria AM.
Per
EcoTan: ho tantissime valvole, ma volevo iniziare con qualcosa che conosco bene. Dici sarebbe utile porre un condensatore tra griglia di schermo e griglia di controllo?
Damiano
Riporto comunque lo schema con delle misurazioni accurate dei tensioni (NB, ho incrementato il valore della seconda resistenza di griglia).
Mi sento comunque perfettamente a mio agio a lavorare con le valvole (molto più che con mosfet e opamp), infatti ho già realizzato diversi amplificatori con finali di potnza (807 e simili). Il mio problema è che son proprio a digiuno di teoria AM.
Per
Damiano
0
voti
claudiocedrone ha scritto:Rileggendo stranamente mi sa che per una volta ha ragioneGirogiro
prova a schermare meglio, allontana gli apparecchi, disaccoppia l'antenna (e magari prova pure a allungarla) e riprova...
..uno che mi da ragione ..il primo!
...dai scherzavo
..mettere anche un condensatore tra catodo e massa... oltre che per l' antenna... e un accordo no...
una loop accordata a più spire... semmai si progetta seduta stante
[..a me invece fanno impressione quelle tensioni.. quasi quasi ci dovessi lavorare io metterei un differenziale magnetotermico, sulla alimentazione in continua, ponendone un capo a terra prima del differenziale.. forse sarebbe più sicuro e forse no..]
..a volte basta mettere un condensatore sbagliato per farlo esplodere con una violenza tipo un grosso petardo da far davvero male.. e correre dei rischi per esperimenti della domenica... insomma ..l' occhio non basta mai! (..e meglio che ce ne restino due
P.s
..io sono un dilettante che forse ne sa meno di quanto valga di consigliare per questo problema ...
0
voti
Si, penso che dovrò mettermi con calma a ripensare a un po' di dettagli.
Per le tensioni è questione di abitudine: personalmente inizio a sudare dai 500V in su, ed in quei casi predispongo sempre delle resistenze di scarica sui condensatori e opero soltanto a trasformatori categoricamente scollegati. Spesso sono più spaventato dalle enormi capacità che si incontrano nei sistemi a transistor (condensatori da dacine di migliaia di uF che sembrano delle bombe a mano).
Per le tensioni è questione di abitudine: personalmente inizio a sudare dai 500V in su, ed in quei casi predispongo sempre delle resistenze di scarica sui condensatori e opero soltanto a trasformatori categoricamente scollegati. Spesso sono più spaventato dalle enormi capacità che si incontrano nei sistemi a transistor (condensatori da dacine di migliaia di uF che sembrano delle bombe a mano).
Chi c’è in linea
Visitano il forum: Google [Bot] e 13 ospiti

Elettrotecnica e non solo (admin)
Un gatto tra gli elettroni (IsidoroKZ)
Esperienza e simulazioni (g.schgor)
Moleskine di un idraulico (RenzoDF)
Il Blog di ElectroYou (webmaster)
Idee microcontrollate (TardoFreak)
PICcoli grandi PICMicro (Paolino)
Il blog elettrico di carloc (carloc)
DirtEYblooog (dirtydeeds)
Di tutto... un po' (jordan20)
AK47 (lillo)
Esperienze elettroniche (marco438)
Telecomunicazioni musicali (clavicordo)
Automazione ed Elettronica (gustavo)
Direttive per la sicurezza (ErnestoCappelletti)
EYnfo dall'Alaska (mir)
Apriamo il quadro! (attilio)
H7-25 (asdf)
Passione Elettrica (massimob)
Elettroni a spasso (guidob)
Bloguerra (guerra)







