Cos'è ElectroYou | Login Iscriviti

ElectroYou - la comunità dei professionisti del mondo elettrico

SN74121

Elettronica lineare e digitale: didattica ed applicazioni

Moderatori: Foto Utentecarloc, Foto Utenteg.schgor, Foto UtenteBrunoValente, Foto UtenteIsidoroKZ

0
voti

[1] SN74121

Messaggioda Foto UtenteUncledrive » 30 apr 2020, 10:34

Buongiorno a tutti,
avrei cortesemente bisogno del consiglio di voi esperti.

Vi spiego il mio problema:
avrei la necessità di creare realizzare un circuito che a seguito del fronte di discesa di un INPUT mi generi un OUTPUT temporizzato.
Fin qui tutto ok direi che il "Multivribratore monostabile" SN74121 faccia al caso mio (OR, AND con trigger di Schmitt e un flip flop).
In questo integrato una volta che il temporizzatore è partito, l'uscita rimane alta fino al completo scaricamento del circuito RC a prescindere dallo stato dell'INPUT.

Io invece desidererei apportare una piccola modifica in modo che se l'INPUT torna ad 1 mentre il temporizzatore non ha ancora terminato il suo ciclo (si parla di tempi relativamente alti dell'ordine di 5s) l'OUTPUT vada immediatamente a 0 senza terminare il ciclo di temporizzazione.

Io avrei pensato di utilizzare un transistor in saturazione (switch ON/OFF) comandato dall'INPUT in modo che quando INPUT = 0 faccia da circuito aperto quando invece INPUT = 1 faccia da circuito chiuso e scarichi immediatamente il condensatore. Potrebbe essere un'idea corretta?
Se si, mi potete dare cortesemente un'idea su come aggiungere il transistor in modo corretto?
In caso contrario, esiste un modo più efficace per ottenere il reset dell'OUTPUT quando INPUT = 1 come descritto sopra?

Grazie anticipatamente.
Auguro a tutti una serena giornata.
Avatar utente
Foto UtenteUncledrive
10 3
 
Messaggi: 9
Iscritto il: 29 giu 2014, 11:16

0
voti

[2] Re: SN74121

Messaggioda Foto UtenteSammuele » 30 apr 2020, 13:40

Secondo me sì, non ho visto il circuito..
Metti una resistenza sul collettore per limitare la corrente di scarica e una sulla base del transistor.
Avatar utente
Foto UtenteSammuele
95 1 5
Frequentatore
Frequentatore
 
Messaggi: 213
Iscritto il: 22 nov 2018, 17:05

0
voti

[3] Re: SN74121

Messaggioda Foto UtenteUncledrive » 30 apr 2020, 19:46

Ok, grazie.

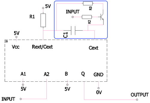
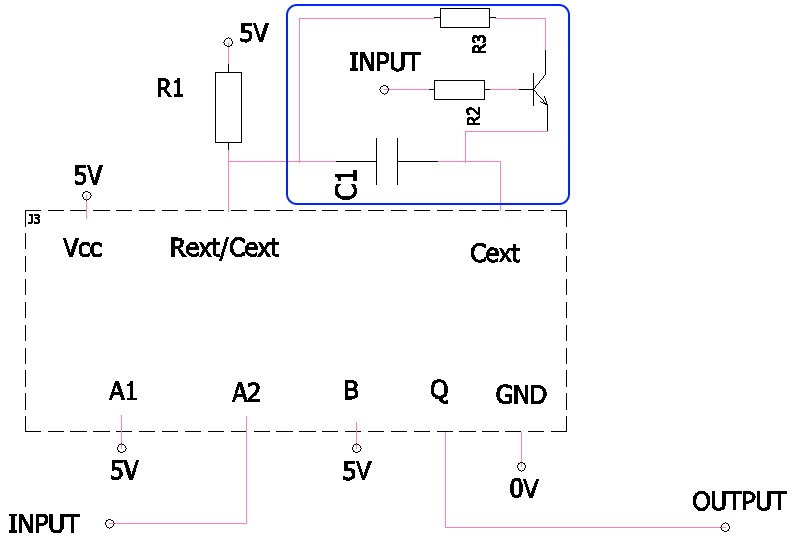
Ho cercato di fare uno schema di massima, spero si capisca.
La parte cerchiata di blu sarebbe il transistor che pensavo di aggiungere.
E' corretto far scaricare il condensatore in quel modo?

Grazie ancora.
Allegati
Schema.jpg
Avatar utente
Foto UtenteUncledrive
10 3
 
Messaggi: 9
Iscritto il: 29 giu 2014, 11:16

0
voti

[4] Re: SN74121

Messaggioda Foto UtenteUncledrive » 30 apr 2020, 19:51

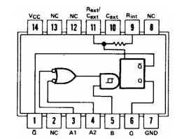
Allego anche schema dell' SN74121 con relativa tabella di verità
Allegati
Tabella Verita.jpg
Tabella Verita.jpg (16.21 KiB) Osservato 3530 volte
SN74121.jpg
SN74121.jpg (21.3 KiB) Osservato 3530 volte
Avatar utente
Foto UtenteUncledrive
10 3
 
Messaggi: 9
Iscritto il: 29 giu 2014, 11:16


Torna a Elettronica generale

Chi c’è in linea

Visitano il forum: Nessuno e 38 ospiti