Essendo un esercizio scolastico
credo sia da applicare Kirchhoff
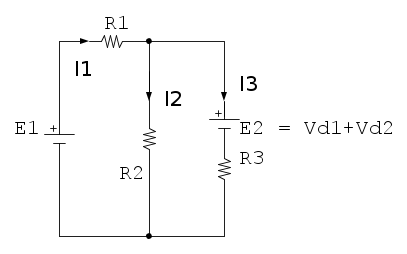
(2 maglie e 1 nodo)
Soluzione e svolgimento di un circuito
Moderatori:
carloc,
g.schgor,
BrunoValente,
IsidoroKZ
14 messaggi
• Pagina 2 di 2 • 1, 2
0
voti
Considerando i diodi come un modello equivalente ideale avresti solo la caduta del diodo quindi se li supponi perfettamente uguali ed ideali non ottieni questo?
0
voti
Ho aggiunto le correnti con i versi.
Io lo risolverei con sovrapposizione effetti, forse sono più calcoli, ma singolarmente più semplici.
Suppongo attivo un generatore alla volta e calcolo per ogni generatore correnti e tensione ai capi di R2. Poi sommerei fra loro le correnti/ tensioni dei due casi.
Prima attivo solo E1 con E2=0 e calcolo correnti I1', I2', I3' e VR2'.
Poi attivo solo E2 con E1=0 e calcolo correnti I1", I2", I3" e VR2".
poi sommo I1 = I1'+I1", ecc.
O forse preferite usare i lteorema di Millmann oppure Kirchhoff.
Penso che la complessità complessiva dei calcoli dei vari metodi sia la stessa.
0
voti
France8310 ha scritto:Quindi si pole partire con E-R1 X I1 - R2 X I2
ed è l'equazione della maglia destra.
continua con quella alla maglia sinistra, ma te ne servirebbe ancora una, ovvero quella delle correnti come ti viene specificato in [11].
trovate le correnti puoi rispondere alle domande.
io che odio fare i conti applicherei Millman:

dato che il problema sembra concentrarsi solo sul ramo a destra, quello con i diodi e la R3,
trovi solo I3 con una sola equazione:

sperando di non aver scritto cavolate, lascio a te la risposta alle altre domande.
PS: FidocadJ serve ad aiutare chi vuole aiutarti.
14 messaggi
• Pagina 2 di 2 • 1, 2
Chi c’è in linea
Visitano il forum: Nessuno e 130 ospiti

Elettrotecnica e non solo (admin)
Un gatto tra gli elettroni (IsidoroKZ)
Esperienza e simulazioni (g.schgor)
Moleskine di un idraulico (RenzoDF)
Il Blog di ElectroYou (webmaster)
Idee microcontrollate (TardoFreak)
PICcoli grandi PICMicro (Paolino)
Il blog elettrico di carloc (carloc)
DirtEYblooog (dirtydeeds)
Di tutto... un po' (jordan20)
AK47 (lillo)
Esperienze elettroniche (marco438)
Telecomunicazioni musicali (clavicordo)
Automazione ed Elettronica (gustavo)
Direttive per la sicurezza (ErnestoCappelletti)
EYnfo dall'Alaska (mir)
Apriamo il quadro! (attilio)
H7-25 (asdf)
Passione Elettrica (massimob)
Elettroni a spasso (guidob)
Bloguerra (guerra)








