Cos'è ElectroYou | Login Iscriviti

ElectroYou - la comunità dei professionisti del mondo elettrico

Trasmettitore AM su frequenze di broadcasting

Telefonia, radio, TV, internet, reti locali...comandi a distanza

Moderatore: Foto Utentejordan20

0
voti

[51] Re: Trasmettitore AM su frequenze di broadcasting

Messaggioda Foto UtenteMarcoD » 3 mag 2020, 15:17

In realtà il progetto sarebbe quello di tirare su una radio locale in AM con copertura di circa 15 km... Ecco perché sto cercando di farmi un know how

Inizia a pensare a una antenna efficente, magari verticale 1/4 onda, tenuta su con un pallone.
Calcola il volume del pallone a idrogeno per sollevare il filo.
Poi fotografa il botto quando si scarica un fulmine...
Avatar utente
Foto UtenteMarcoD
12,2k 5 9 13
Master EY
Master EY
 
Messaggi: 6696
Iscritto il: 9 lug 2015, 16:58
Località: Torino

0
voti

[52] Re: Trasmettitore AM su frequenze di broadcasting

Messaggioda Foto UtenteDamn87 » 3 mag 2020, 15:23

Per l'antenna stavo pensando al un semidipolo avvolto: http://www.conna.it/angolo_tecnico/tras ... 0medie.htm
Avatar utente
Foto UtenteDamn87
73 2 7
Frequentatore
Frequentatore
 
Messaggi: 207
Iscritto il: 12 giu 2019, 1:57

0
voti

[53] Re: Trasmettitore AM su frequenze di broadcasting

Messaggioda Foto UtenteEcoTan » 3 mag 2020, 15:35

Uno stilo molto accorciato è critico da mettere a punto, e finché non viene accordato esattamente non serve. Sarebbe utile un misuratore direzionale analogo al classico Wattmetro-ROSmetro ma capace di funzionare in onde medie. O un ondametro a diodo per fare dei semplici raffronti, chissà.
Avatar utente
Foto UtenteEcoTan
7.720 4 12 13
Expert EY
Expert EY
 
Messaggi: 5422
Iscritto il: 29 gen 2014, 8:54

0
voti

[54] Re: Trasmettitore AM su frequenze di broadcasting

Messaggioda Foto UtenteGirogiro » 3 mag 2020, 18:24

..su questo chiamato "Radiutilitario"..
http://www.ari-scandiano.org/portal/ind ... Itemid=107
..ci ricavi le misure per le differenti antenne immettendo le caratteristiche desiderate..
..qualora tu lo scaricassi e lo aggiungessi sulla barra a portata di clic ti farà comodo!

..io sono un appassionato di loop che puoi calcolare anche online..
http://www.66pacific.com/calculators/sm ... lator.aspx
..che come vedi sono antenne simili ad un circuito accordato ..ma..
per la frequenza di 1Mhz la resistenza di radiazione come vedi verrebbe molto bassa per fare dei cerchi accettabili .. però ....................

P.s
Non buttare soldi in altre valvole! ... ci sono altri modi per modulare anche di fantasia! ..attento perché la Polizia Postale sembra che non ci sia ma a volte arriva e basta la denuncia di un vicino!
..ti ripeto che io sono un dilettante che lavora molto di fantasie abbastanza sue :D
Avatar utente
Foto UtenteGirogiro
154 1 7
Stabilizzato
Stabilizzato
 
Messaggi: 387
Iscritto il: 20 gen 2020, 14:22

0
voti

[55] Re: Trasmettitore AM su frequenze di broadcasting

Messaggioda Foto UtenteDamn87 » 3 mag 2020, 19:54

Immaginavo che l'antenna fosse una questione spinosa... Comunque tranquilli, la fattibilità del progetto è relegata alla possibilità di mettersi in regola legalmente.

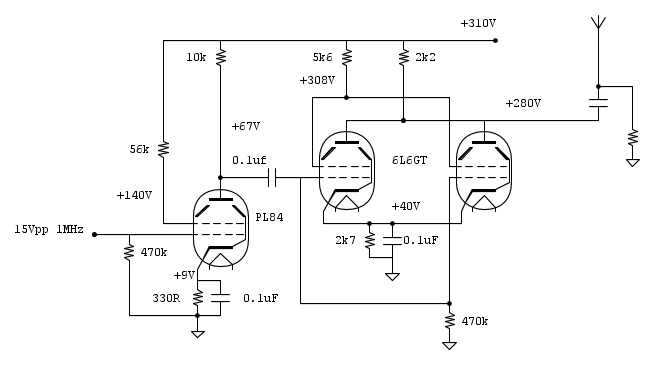
Trafficando ulteriormente ho messo a punto questo circuito che riesce a generare degli spike di 200V volt sull'antenna:



A questo punto dovrei ancora una volta trovare il modo di modulare il segnale...

PS, uso le valvole perché ne ho almeno un centinaio nuove di pacca e pagate 0 €
Allegati
WhatsApp Image 2020-05-03 at 19.56.07.jpeg
Avatar utente
Foto UtenteDamn87
73 2 7
Frequentatore
Frequentatore
 
Messaggi: 207
Iscritto il: 12 giu 2019, 1:57

0
voti

[56] Re: Trasmettitore AM su frequenze di broadcasting

Messaggioda Foto UtenteGirogiro » 3 mag 2020, 20:39

..no no no! per me quel progetto li è da smontare subito! ..e completamente inadatto a trasmettere ..una cosa era un oggettino didattico ..già pericoloso di suo ..ma con questo ti consiglio di non andare avanti e spero che anche gli altri ti dicano lo stesso!

..non ti mettere nemmeno a sperimentare con le loop che potrebbero generare tensioni molto pericolose ...visto il proseguo abbandona il tutto ..dammi retta!
Avatar utente
Foto UtenteGirogiro
154 1 7
Stabilizzato
Stabilizzato
 
Messaggi: 387
Iscritto il: 20 gen 2020, 14:22

0
voti

[57] Re: Trasmettitore AM su frequenze di broadcasting

Messaggioda Foto UtenteDamn87 » 3 mag 2020, 21:41

Foto UtenteGirogiro francamente non capisco il punto. Ho semplicemente fatto un parallelo con le valvole che avevi usato in simulazione...

Se il progetto non è adatto a trasmettere mi piacerebbe tu mi spiegassi il perché
Avatar utente
Foto UtenteDamn87
73 2 7
Frequentatore
Frequentatore
 
Messaggi: 207
Iscritto il: 12 giu 2019, 1:57

0
voti

[58] Re: Trasmettitore AM su frequenze di broadcasting

Messaggioda Foto UtenteGirogiro » 3 mag 2020, 22:13

..perché non è più una cosetta che si fa per passatempo cercando di imparare qualcosa ... e subito si smonta..
..tu vuoi farci una cosa assai più seria e non priva di rischi.. a mio vedere senza le necessarie conoscenze..
..che anche io non posso darti perché non le ho! ..senti gli altri!
Avatar utente
Foto UtenteGirogiro
154 1 7
Stabilizzato
Stabilizzato
 
Messaggi: 387
Iscritto il: 20 gen 2020, 14:22

0
voti

[59] Re: Trasmettitore AM su frequenze di broadcasting

Messaggioda Foto UtenteDamn87 » 3 mag 2020, 22:25

Beh, se avessi avuto le necessarie conoscenze non avrei aperto questo topic :D

Io posso solo garantirvi che ho l'attrezzatura e l'esperienza pregressa per lavorare a quelle tensioni (l'ampli che mi sono costruito per il basso ha un trasformatore che esce con 600V rettificati, praticamente il doppio)

Non ho tuttavia l'esperienza per mettere a punto la costruzione di un trasmettitore ne piccolo ne grande, e per questo motivo mi servirebbe il vostro aiuto :)
Avatar utente
Foto UtenteDamn87
73 2 7
Frequentatore
Frequentatore
 
Messaggi: 207
Iscritto il: 12 giu 2019, 1:57

1
voti

[60] Re: Trasmettitore AM su frequenze di broadcasting

Messaggioda Foto UtenteGirogiro » 4 mag 2020, 9:12

..es. alla pag.261/2 di qui..
https://www.leradiodisophie.it/Downloads/Rb/12.pdf
trovi una modulazione di griglia schermo e griglia soppressore canonica, invece di "la famo strana"
.. se non hai lo spirito del precursore e vuoi realizzare qualcosa che forse vada normale, datti alle soluzioni collaudate :D
Avatar utente
Foto UtenteGirogiro
154 1 7
Stabilizzato
Stabilizzato
 
Messaggi: 387
Iscritto il: 20 gen 2020, 14:22

PrecedenteProssimo

Torna a Telecomunicazioni

Chi c’è in linea

Visitano il forum: Nessuno e 12 ospiti