Provate ore
https://www.ebay.it/itm/5V-NEC-38K-Infrared-Transceiver-NEC-Decoder-Encoding-Module-IR-Wireless-Module/323826067678?hash=item4b6589a8de:g:Uf4AAOSwbiNc9z96
Ripetitore di segnale di telecomando ad infrarossi
Moderatori:
carloc,
g.schgor,
BrunoValente,
IsidoroKZ
26 messaggi
• Pagina 2 di 3 • 1, 2, 3
0
voti
jervisbrown ha scritto:risolsero molto semplicemente
Si può risolvere in modo semplice o nel modo giusto.
A volte le soluzioni coincidono. Qui no.
Un circuito come quello che descrivi non discrimina tra luce ambientale e segnale del telecomando.
Questo vuol dire che il diodo è praticamente sempre in emissione.
Oltre al consumo di corrente inutile, si diminuisce il range dinamico.
Non sapendo dov'è il threshold del ricevitore nel condizionatore, il ripetitore potrebbe smettere di funzionare quando meno ce lo si aspetta.
Un altro problema è che i fianchi non vengono ricostruiti: e fronti di salita e discesa possono dilatarsi alla grande. In un'applicazione in cui la codifica dei dati avviene tramite la durata degli impulsi è una soluzione non proprio eccellente.
Boiler
1
voti
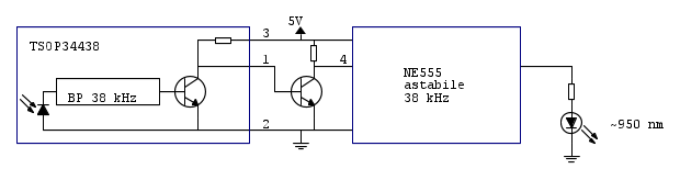
Qualcosa del genere:
EDIT: il segnale in uscita al demodulatore è invertito. Correzione piú avanti nel thread.
Il blocco di sinistra lo compri così fatto e finito, costa circa un euro.
Si occupa di ricevere il segnale e demodularlo.
Il blocco di destra è un 555 configurato come astabile a 38 kHz (lo schema lo trovi ovunque, anche dal salumiere). Il segnale demodulato dal ricevitore lo usi per pilotare il pin reset del 555.
E poi c'è il LED. Qualcosa dalle parti dei 950 nm.
Dall'usicta del 555 puoi prelevare al massimo 200 mA, che bastano anche per controllare la televisione del vicino di casa.
Se non funziona, hai scoperto una delle pochissime applicazioni che non lavorano a 38 kHz. In tal caso, con un po' di fortuna basta spostare la frequenza di lavoro del 555 a 36 kHz (i ricevitori di solito non sono a banda così stretta). Se continua a non funzionare, va sostituito anche il ricevitore. Se ancora non funziona, complimenti... hai una di quelle applicazioni (forse l'1%) che usa un altro standard.
Sei attrezzato per fare un po' di debugging al circuito se incontriamo problemi?
Se dici marca e modello dell'apparecchio vediamo se si può scoprire che standard usa.
Boiler
EDIT: il segnale in uscita al demodulatore è invertito. Correzione piú avanti nel thread.
Il blocco di sinistra lo compri così fatto e finito, costa circa un euro.
Si occupa di ricevere il segnale e demodularlo.
Il blocco di destra è un 555 configurato come astabile a 38 kHz (lo schema lo trovi ovunque, anche dal salumiere). Il segnale demodulato dal ricevitore lo usi per pilotare il pin reset del 555.
E poi c'è il LED. Qualcosa dalle parti dei 950 nm.
Dall'usicta del 555 puoi prelevare al massimo 200 mA, che bastano anche per controllare la televisione del vicino di casa.
Se non funziona, hai scoperto una delle pochissime applicazioni che non lavorano a 38 kHz. In tal caso, con un po' di fortuna basta spostare la frequenza di lavoro del 555 a 36 kHz (i ricevitori di solito non sono a banda così stretta). Se continua a non funzionare, va sostituito anche il ricevitore. Se ancora non funziona, complimenti... hai una di quelle applicazioni (forse l'1%) che usa un altro standard.
Sei attrezzato per fare un po' di debugging al circuito se incontriamo problemi?
Se dici marca e modello dell'apparecchio vediamo se si può scoprire che standard usa.
Boiler
0
voti
Hisense. Il modello del telecomando è y-h1-02(e)
0
voti
A quanto pare va a 38 kHz.
https://github.com/ToniA/arduino-heatpu ... pumpIR.cpp
(linea 105)
Come per tutti i progetti basati su arduino, la documentazionefa cagare non esiste.
Boiler
https://github.com/ToniA/arduino-heatpu ... pumpIR.cpp
(linea 105)
Come per tutti i progetti basati su arduino, la documentazione
Boiler
0
voti
Quindi come dovrei procedere? Con lo schema di sopra?
Ma il codice che citi è uno sketch di Arduino.
Ma il codice che citi è uno sketch di Arduino.
1
voti
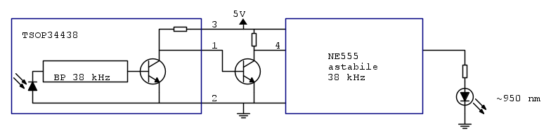
Frank1977 ha scritto:Quindi come dovrei procedere? Con lo schema di sopra?
Sì, ma c'era un errore. L'uscita del componente di Vishay è invertita rispetto a quel che pensassi.
Così dovrebbe funzionare:
Ma il codice che citi è uno sketch di Arduino.
E quindi?...
Boiler
0
voti
Volevo solo capire come utilizzarlo
Il transistor tra l'alimentazione e i gnd è un NPN? La resistenza collegata a questo transistor da quanto? La resistenza sull'emettitore da quanto?
Per il 555 ho trovato come schema questo
https://elettronicasemplice.weebly.com/ne555-astabile.html
Il transistor tra l'alimentazione e i gnd è un NPN? La resistenza collegata a questo transistor da quanto? La resistenza sull'emettitore da quanto?
Per il 555 ho trovato come schema questo
https://elettronicasemplice.weebly.com/ne555-astabile.html
1
voti
boiler ha scritto:Come per tutti i progetti basati su arduino, la documentazionefa cagarenon esiste.
E quando esiste, dopo averla letta, pensi che sarebbe stato meglio se non fosse mai esistita.
-

PietroBaima
90,7k 7 12 13 - G.Master EY

- Messaggi: 12206
- Iscritto il: 12 ago 2012, 1:20
- Località: Londra
26 messaggi
• Pagina 2 di 3 • 1, 2, 3
Chi c’è in linea
Visitano il forum: Nessuno e 97 ospiti

Elettrotecnica e non solo (admin)
Un gatto tra gli elettroni (IsidoroKZ)
Esperienza e simulazioni (g.schgor)
Moleskine di un idraulico (RenzoDF)
Il Blog di ElectroYou (webmaster)
Idee microcontrollate (TardoFreak)
PICcoli grandi PICMicro (Paolino)
Il blog elettrico di carloc (carloc)
DirtEYblooog (dirtydeeds)
Di tutto... un po' (jordan20)
AK47 (lillo)
Esperienze elettroniche (marco438)
Telecomunicazioni musicali (clavicordo)
Automazione ed Elettronica (gustavo)
Direttive per la sicurezza (ErnestoCappelletti)
EYnfo dall'Alaska (mir)
Apriamo il quadro! (attilio)
H7-25 (asdf)
Passione Elettrica (massimob)
Elettroni a spasso (guidob)
Bloguerra (guerra)



pigreco]=π