Cos'è ElectroYou | Login Iscriviti

ElectroYou - la comunità dei professionisti del mondo elettrico

Sulla compensazione per un alimentatore con L200

Elettronica lineare e digitale: didattica ed applicazioni

Moderatori: Foto Utentecarloc, Foto Utenteg.schgor, Foto UtenteBrunoValente, Foto UtenteIsidoroKZ

0
voti

[31] Re: Sulla compensazione per un alimentatore con L200

Messaggioda Foto UtenteAletox » 5 mag 2020, 21:24

Ciao Mauro Mario, grazie infinite per l'interesse!
Purtroppo nulla ad oggi. Ci son stati dei problemi per via dell'attuale situazione. Spero nei prossimi giorni di poter provare a:
- togliere quel condensatore del tutto;
- cambiare valori, anche solo per valutare l'effetto, al di la del risultato;

Poi aggiorno tutti:) se poi si riesce ad orientarsi su un possibile approccio teorico, almeno a grandi line in cui ci sono i 2-3 blocchi significativi sarebbe molto bello come risvolto.

Grazie ancora Mauro Mario per l'interesse :)
Ultima modifica di Foto Utenteclaudiocedrone il 5 mag 2020, 21:37, modificato 1 volta in totale.
Motivazione: Mi chiedevo chi fosse Mauro...
"La teoria attrae la pratica come il magnete attrae il ferro" C. Gauss

Seguitemi anche su youtube, un saluto da AT O_/
https://www.youtube.com/c/atlaboratory
Avatar utente
Foto UtenteAletox
1.095 1 6 13
Expert
Expert
 
Messaggi: 263
Iscritto il: 27 feb 2014, 22:01

0
voti

[32] Re: Sulla compensazione per un alimentatore con L200

Messaggioda Foto UtenteAletox » 9 mag 2020, 16:54

Ciao a tutti!

Risolvoti del week end, ho fatto vari test con diverse configurazioni che di seguito elenco:
- prova con 33nF eseguita e oscillazione presente a ca. 500kHz Vpp 600mV con carico a vuoto-22-11-5.5ohm. (l'osillazione cambia al variare della tensione, a vuote si riscontra il valore max a basse tensioni, al contrario sotto carico);
- prova con 100nF a monte del L200, stessa situazione se non peggio;
- prova senza C1 33nF di fatto l'oscillazione è ridotta (max 200mV pp), la frequenza è ca 1MHz. A vuoto nuovamente il caso peggiore a bassa tensione, sotto carico il contrario;

Poi sarei contentento di mettere altra carne al fuoco con un altro alimentatore per tensioni negative (abbinato a questo che è per tensioni posivite). Ditemi voi se posso spingermi e se c'è riscontro :)

Grazie ancora e un saluto
AT
"La teoria attrae la pratica come il magnete attrae il ferro" C. Gauss

Seguitemi anche su youtube, un saluto da AT O_/
https://www.youtube.com/c/atlaboratory
Avatar utente
Foto UtenteAletox
1.095 1 6 13
Expert
Expert
 
Messaggi: 263
Iscritto il: 27 feb 2014, 22:01

0
voti

[33] Re: Sulla compensazione per un alimentatore con L200

Messaggioda Foto Utenteabusivo » 9 mag 2020, 17:30

Io seguo a prescindere!
Se quello che funziona basta non lo tocca' sennò te lassa!
Avatar utente
Foto Utenteabusivo
13,3k 4 7 10
Master
Master
 
Messaggi: 7008
Iscritto il: 16 ott 2012, 18:43
Località: L'Aquila

0
voti

[34] Re: Sulla compensazione per un alimentatore con L200

Messaggioda Foto Utentemarioursino » 10 mag 2020, 11:10

Hai troppo guadagno ad alta frequenza. Prova ad aumentare la capacità di uscita.
Avatar utente
Foto Utentemarioursino
5.687 3 9 13
G.Master EY
G.Master EY
 
Messaggi: 1598
Iscritto il: 5 dic 2009, 4:32

0
voti

[35] Re: Sulla compensazione per un alimentatore con L200

Messaggioda Foto UtenteAletox » 10 mag 2020, 20:07

Certamente, ilproblema è il guadagno in alta frequenza che viene richiesto all'amplificatore che però non ce la fa.
Ma caricare ulteriormente l'uscita temo faccia peggiorare le cose, la capacità andrebbe messa nel posto appropriato per eseguire una compensazione e ridurre il guadagno agendo sulla retroazione.

Che ne pensi?

Un saluto
AT
"La teoria attrae la pratica come il magnete attrae il ferro" C. Gauss

Seguitemi anche su youtube, un saluto da AT O_/
https://www.youtube.com/c/atlaboratory
Avatar utente
Foto UtenteAletox
1.095 1 6 13
Expert
Expert
 
Messaggi: 263
Iscritto il: 27 feb 2014, 22:01

0
voti

[36] Re: Sulla compensazione per un alimentatore con L200

Messaggioda Foto Utentemarioursino » 10 mag 2020, 22:03

Eh ma la retroazione è tutta interna..
Avatar utente
Foto Utentemarioursino
5.687 3 9 13
G.Master EY
G.Master EY
 
Messaggi: 1598
Iscritto il: 5 dic 2009, 4:32

0
voti

[37] Re: Sulla compensazione per un alimentatore con L200

Messaggioda Foto UtenteAletox » 11 mag 2020, 11:58

Vero anche questo! Allora proverò varie configurazioni, ma già aver ridotto l'oscillazione a 200mV è un buon risultato.

Con l'occasione sottopongo un problema analogo, ma che in questo caso offre possibilità di studio avendo realizzato il tutto con componenti discreti, di cui riporto lo schema qui sotto insieme ad alcune specifiche ed elementi utili. Si tratta di un alimentatore tarcking che abbinato al ramo posivito con L200.



L'alimentazione del 358 è ottenuta dalramopositivo con un 7805 e dal ramo negativo con un sistema a diodi in modo da limitare la tensione di alimentazione del 358 ad un massimo di 32V DC.

Anche questo presenta oscillazione dell'uscita sotto carico (maggiore al diminuire della resistenza di carico e all'aumentare della tensione) a frequenza ca. 1Mhz.
Le prove son state eseguite separatamente al ramo positivo così da non fornire un segnale già "sporco" in ingresso.

C1 è stato aggiunto come tentativo di compoensazione a polo dominante con valori da 680pF a 10nF, con risultati sostazialmente invariati. Mi chiedo a questo punto se abbia senso agire con compensazione noise gain o esistano altre tecniche.

Un saluto
AT
"La teoria attrae la pratica come il magnete attrae il ferro" C. Gauss

Seguitemi anche su youtube, un saluto da AT O_/
https://www.youtube.com/c/atlaboratory
Avatar utente
Foto UtenteAletox
1.095 1 6 13
Expert
Expert
 
Messaggi: 263
Iscritto il: 27 feb 2014, 22:01

3
voti

[38] Re: Sulla compensazione per un alimentatore con L200

Messaggioda Foto UtenteBrunoValente » 11 mag 2020, 15:30

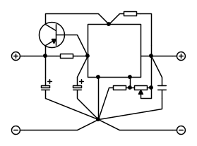
Faccio notare che se oscilla anche a vuoto vuol dire che l'oscillazione non è causata dal transistor perché a vuoto il transistor dovrebbe essere interdetto, probabilmente dipende dal cablaggio o ancora più probabilmente dal valore troppo alto del resistore tra B ed E del transistor e dalla mancanza dei due condensatori tra B e riferimento 0V e tra E e riferimento 0V, soprattutto dalla mancanza del condensatore da 10uF.

L200.png


Inoltre bisogna fare attenzione ai collegamenti al riferimento 0V che devono avvenire tutti in un unico punto, soprattutto i due collegamenti dello 0V di ingresso e di uscita.
Avatar utente
Foto UtenteBrunoValente
39,6k 7 11 13
G.Master EY
G.Master EY
 
Messaggi: 7796
Iscritto il: 8 mag 2007, 14:48

6
voti

[39] Re: Sulla compensazione per un alimentatore con L200

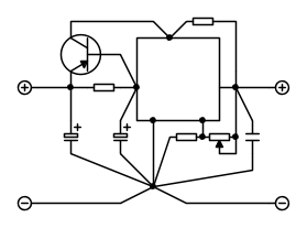
Messaggioda Foto UtenteBrunoValente » 11 mag 2020, 15:47

Un cablaggio corretto potrebbe essere questo

Avatar utente
Foto UtenteBrunoValente
39,6k 7 11 13
G.Master EY
G.Master EY
 
Messaggi: 7796
Iscritto il: 8 mag 2007, 14:48

0
voti

[40] Re: Sulla compensazione per un alimentatore con L200

Messaggioda Foto UtenteAletox » 14 mag 2020, 19:37

Ciao Bruno,

grazie mille per la cortese risposta. Proverò senz'altro ad aggiungere il condensatore. Per quanto riguarda i collegamenti si apre un mondo perché è certamente una delle cose più importanti e ho cercato di mantenere appuntoil criterio della stella. Tuttavia essendo su breadoarb direi che il risultato potrebbe certamente essere critico. Sopratutto per il transistor che è montato "distante" quindi già solo i collegamenti potrebbero influire.

Tuttavia il punto importante è che l'osccilazione aumenta all'aumentare della corrente di carico. Il che potrebbe sempre essere legato al condensatore mancante.

Farò sicuramente prove, buona serata a tutti.
AT
"La teoria attrae la pratica come il magnete attrae il ferro" C. Gauss

Seguitemi anche su youtube, un saluto da AT O_/
https://www.youtube.com/c/atlaboratory
Avatar utente
Foto UtenteAletox
1.095 1 6 13
Expert
Expert
 
Messaggi: 263
Iscritto il: 27 feb 2014, 22:01

PrecedenteProssimo

Torna a Elettronica generale

Chi c’è in linea

Visitano il forum: Nessuno e 272 ospiti