Hai verificato se i valori capacitiva immessa e induttiva prelevata coincidono? Deve valere anche il contrario ovviamente, vale a dire: induttiva immessa = capacitiva prelevata.
Mi chiedo perché il distributore conteggi separatamente induttiva e capacitiva, in teoria non basterebbero solo 2 misure: energia reattiva immessa e energia reattiva prelevata?
Immissione energia reattiva capacitiva e resa impianto idro
Moderatori:
sebago,
mario_maggi
38 messaggi
• Pagina 3 di 4 • 1, 2, 3, 4
2
voti
Sul fatto che la POTENZA CAPACITIVA IMMESSA= POTENZA INDUTTIVA ASSORBITA
pipotino proprio non ci sente.
Ha iniziato
SediciAmpere a dirglielo, ma niente, inutile.
Ad ogni modo...
Il parallelo di un gruppo di generazione con la rete BT è ammesso solo se il gruppo è un generatore asincrono non autoeccitato (DK 5940).
In questo caso rientra l'impianto di
pipotino.
Un gruppo elettrogeno con generatore asincrono non autoeccitato ha bisogno di energia reattiva (induttiva) per creare il campo magnetico rotante; nel parallelo assorbe tale energia reattiva induttiva dalla rete, (cioè immette energia capacitiva nella rete), che è sempre la stessa, poiché non può esserci l'autoeccitazione, vietata dalla DK 59640, per cui la potenza induttiva di cui ha bisogno la macchina, cioè della potenza capacitiva che essa deve immettere nella rete, non cambia.
Per ragionare sulle misure occorre comunque uno schema dell'impianto, come già richiesto da
JAndrea, richiesta ignorata.
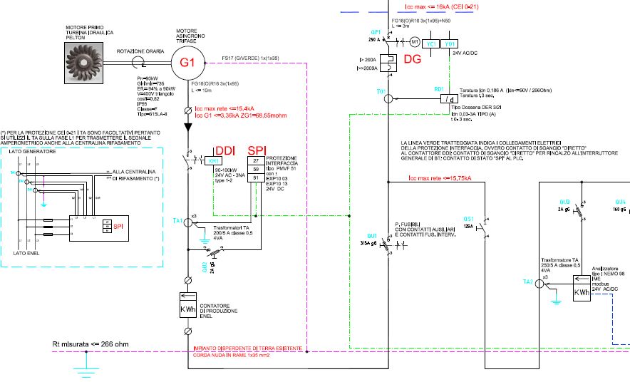
Io posto un possibile schema in cui mancano le sezioni di misura, ed altro. Se
pipotino prova a completarlo qualcuno, forse, riesce a dirgli che cosa sta misurando.
Ha iniziato
Ad ogni modo...
Il parallelo di un gruppo di generazione con la rete BT è ammesso solo se il gruppo è un generatore asincrono non autoeccitato (DK 5940).
In questo caso rientra l'impianto di
Un gruppo elettrogeno con generatore asincrono non autoeccitato ha bisogno di energia reattiva (induttiva) per creare il campo magnetico rotante; nel parallelo assorbe tale energia reattiva induttiva dalla rete, (cioè immette energia capacitiva nella rete), che è sempre la stessa, poiché non può esserci l'autoeccitazione, vietata dalla DK 59640, per cui la potenza induttiva di cui ha bisogno la macchina, cioè della potenza capacitiva che essa deve immettere nella rete, non cambia.
Per ragionare sulle misure occorre comunque uno schema dell'impianto, come già richiesto da
Io posto un possibile schema in cui mancano le sezioni di misura, ed altro. Se
1
voti
Ottima idea
admin fare un punto della situazione, che in discussioni lunghe e ripetitive come questa, si può perdere facilmente.
Volevo solamente riportare come, la nuova CEI 0-21 apre le porte all'utilizzo di macchine sincrone anche su reti di distribuzione, con proprio sistema di eccitazione a patto ovviamente di prevedere le dovute precauzioni impiantistiche, in particolare sulla soluzione di protezione interfaccia.
Dalla nuova CEI 0-21:
2.Impianto con macchine rotanti sincrone di potenza superiore a 6 kW,
purché in grado di funzionare con fattore di potenza istantaneo
regolabile compreso tra cosϕ = 0,98 in assorbimento di reattivo e cosϕ
= 0,9 in erogazione di reattivo;
Come da testo riportato sopra
pipotino, si tende a ragionare dando per scontato che la potenza reattiva sia induttiva, in modo da non creare caos e confusione sui segni.
Volevo solamente riportare come, la nuova CEI 0-21 apre le porte all'utilizzo di macchine sincrone anche su reti di distribuzione, con proprio sistema di eccitazione a patto ovviamente di prevedere le dovute precauzioni impiantistiche, in particolare sulla soluzione di protezione interfaccia.
Il parallelo di un gruppo di generazione con la rete BT è ammesso solo se il gruppo è un generatore asincrono non autoeccitato (DK 5940).
Dalla nuova CEI 0-21:
2.Impianto con macchine rotanti sincrone di potenza superiore a 6 kW,
purché in grado di funzionare con fattore di potenza istantaneo
regolabile compreso tra cosϕ = 0,98 in assorbimento di reattivo e cosϕ
= 0,9 in erogazione di reattivo;
Come da testo riportato sopra
0
voti
Per la vostra felicità allego schema
Ad aprile ho IMMESSO CAPACITIVA per 50800 kvarh, PRELEVATO CAPACITIVA per 11,2 kvarh, IMMESSO INDUTTIVA per 0,375 kvarh, PRELEVATO INDUTTIVA PER 11 kvarh
E sono dati per i quali mi pagano, e pago le accise e tasse.
Intanto un tecnico ENEL ha detto che è colpa della loro basetta del contatore o della rete. Di mandare una PEC.
Ad aprile ho IMMESSO CAPACITIVA per 50800 kvarh, PRELEVATO CAPACITIVA per 11,2 kvarh, IMMESSO INDUTTIVA per 0,375 kvarh, PRELEVATO INDUTTIVA PER 11 kvarh
E sono dati per i quali mi pagano, e pago le accise e tasse.
Intanto un tecnico ENEL ha detto che è colpa della loro basetta del contatore o della rete. Di mandare una PEC.
0
voti
Potrebbe esserci qualche problema nei collegamenti del gruppo di misura...
Sicuramente ad inserzione semi diretta vista la potenza.
Fermo restando che, al di la dei numeri é solo il numero misurato ad essere sbagliato, quanto si é detto....
Sicuramente ad inserzione semi diretta vista la potenza.
Fermo restando che, al di la dei numeri é solo il numero misurato ad essere sbagliato, quanto si é detto....
0
voti
pipotino ha scritto:Ad aprile ho IMMESSO CAPACITIVA per 50800 kvarh, PRELEVATO CAPACITIVA per 11,2 kvarh, IMMESSO INDUTTIVA per 0,375 kvarh, PRELEVATO INDUTTIVA PER 11 kvarh
E sono dati per i quali mi pagano, e pago le accise e tasse.
E la potenza attiva non te la pagano?
pipotino ha scritto:Intanto un tecnico ENEL ha detto che è colpa della loro basetta del contatore o della rete.
Quale sarebbe la colpa? L'energia capacitiva immessa ( che è induttiva assorbita o prelevata) mi sembra coerente con le misure di potenza che avevi precedentemente postato
0
voti
Cosa c’entra la potenza attiva? Qua si sta parlando di reattiva non attiva!
La colpa è che probabilmente hanno installato erroneamente la tavoletta di misura e stanno misurando la induttiva come capacitiva e viceversa.
La colpa è che probabilmente hanno installato erroneamente la tavoletta di misura e stanno misurando la induttiva come capacitiva e viceversa.
1
voti
Credo che stiano dicendoti in tutte le salse, che forse hai un problema sul rifasatore.
Per curiosità: sei un perito, un ing, o cosa? Serve un minimo di base teorica per capire le risposte che ti hanno dato.
Per curiosità: sei un perito, un ing, o cosa? Serve un minimo di base teorica per capire le risposte che ti hanno dato.
Altrove. .Volutamente Anonimo
3
voti
In generale il livello tecnico è basso, anche in enel ed anche nei produttori, l'importante è produrre.
Anche sul forum il livello è basso ma quello umano, alla fine uno si permette di venire qui, avere risposte a gratis e permettersi di avere un atteggiamento come minimo parzialmente da rivedere, si scomoda pure
admin dalle cazzate che venivano scritte e continua ad avere ragione, un bagno di umiltà non farebbe male.
Anche sul forum il livello è basso ma quello umano, alla fine uno si permette di venire qui, avere risposte a gratis e permettersi di avere un atteggiamento come minimo parzialmente da rivedere, si scomoda pure
38 messaggi
• Pagina 3 di 4 • 1, 2, 3, 4
Torna a Energia e qualità dell'energia
Chi c’è in linea
Visitano il forum: Nessuno e 46 ospiti

Elettrotecnica e non solo (admin)
Un gatto tra gli elettroni (IsidoroKZ)
Esperienza e simulazioni (g.schgor)
Moleskine di un idraulico (RenzoDF)
Il Blog di ElectroYou (webmaster)
Idee microcontrollate (TardoFreak)
PICcoli grandi PICMicro (Paolino)
Il blog elettrico di carloc (carloc)
DirtEYblooog (dirtydeeds)
Di tutto... un po' (jordan20)
AK47 (lillo)
Esperienze elettroniche (marco438)
Telecomunicazioni musicali (clavicordo)
Automazione ed Elettronica (gustavo)
Direttive per la sicurezza (ErnestoCappelletti)
EYnfo dall'Alaska (mir)
Apriamo il quadro! (attilio)
H7-25 (asdf)
Passione Elettrica (massimob)
Elettroni a spasso (guidob)
Bloguerra (guerra)









