Cos'è ElectroYou | Login Iscriviti

ElectroYou - la comunità dei professionisti del mondo elettrico

controllo di potenza con due IGBT in reverse blocking

Elettronica lineare e digitale: didattica ed applicazioni

Moderatori: Foto Utentecarloc, Foto Utenteg.schgor, Foto UtenteBrunoValente, Foto UtenteIsidoroKZ

0
voti

[11] Re: controllo di potenza con due IGBT in reverse blocking

Messaggioda Foto Utentedaydate » 15 mag 2020, 17:30

tanto per cominciare grazie a tutti per le risposte e complimenti a marioursino per il magnifico lavoro con il fornetto.
Per rendere più chiaro spiego brevemente il progetto nel suo insieme:
-Dal contatore enel due misuratori di potenza PZEM (uno per la produzione dei pannelli solari e uno per l'assorbimento totale della casa) collegate a un modulo WiFi esp8266
-In cucina un modulo esp8266 con barra a led RGB per l'indicazione "immediata" della potenza usata e disponibile, un piccolo diplay oled con le misure effettive, un buzzer di allarme per troppa potenza assorbita (distacco imminente contatore enel!)
-In locale caldaia un modulo ESP32 con scheda di potenza per pilotare la resistenza boiler, un altro PZEM per il controllo in retroazione della effettiva potenza erogata, una PT100 per il controllo temperatura acqua (non posso mandarla in ebollizione), un controllo di temperatura con DS18B20 sui finali di potenza.
Le tre schede comunicano costantemente in wifi.
Tornando alla mia scheda di potenza, il motivo per cui sto facendo le prove con gli IGBT (ma so che ci sono altre strade praticabili) è che ho bisogno di un controllo costante (massimo 1s) della potenza distribuita al riscaldatore: prendiamo il caso di una giornata quasi serena, i pannelli producono 4Kw (l'impianto fotovoltaico è di 6 kW) e ho un utilizzo domestico di 1Kw >>> alla resistenza vado a dare 3 kW. Nel momento però che la moglie accende la lavatrice (e sovente anche il ferro da stiro) io devo immediatamente rimodulare al ribasso la potenza erogata alla resistenza del boiler perché non solo preleverei più corrente del necessario dall'enel, ma potrebbe facilmente farmi scattare il contatore in tempi rapidi. Altra condizione: se i pannelli producono 3,5Kw e in casa ho un assorbimento di 3 kW io alla resistenza posso dare solo 500w, non posso accenderla a piena potenza (anche per poco tempo) perché mi troverei nella condizione di 3000 (casa) + 3000 (resistenza) - 3500 (potenza prodotta dai pannelli) = 2500w assorbiti dall'enel che è quello che voglio evitare.

ho quindi pensato a queste soluzioni:
    TRIAC
      a) senza zero crossing: li innesco ad ogni semionda con il ritardo calcolato per avere la potenza necessaria. genero forti disturbi ma ho una potenza assorbita costante e misurabile con il PZEM004
      b) con zero crossing: potrei innescarli calcolando per quante semionde devono restare attivi, quindi in 1s avrei 100 semionde e 100 possibili step di regolazione che corrispondono a 30W ciascuno. avrei conunque dei picchi da 3 kW a zero (sempre ragionando in un secondo), non servirebbe una lettura della potenza erogata in quanto gli step sono ben definiti e non ho bisogno di retroazione.
    THRYSISTOR
      a) raddrizzare la 220 V e pilotare in PWM la resistenza in continua che a questo punto sarebbe alimentata a 310VDC, quindi o metto un limite al PWM che non sia mai a massima potenza (sempre ON) oppure una resistenza 380 V, ma devo ancora capire che genere di disturbi andrei a creare.
    IGBT
      a) raddrizzare la 220 V e ricreare con metodo PWM una alternata 50Hz ad ampiezza variabile. soluzione che ho abbandonato perché decisamente superiore alle mie capacità
      b) igbt in reverse blocking: fare con la 220 V quello che si fa normalmente per variare la luminosità dei led in PWM con un programmatore. configurazioni di reverse blocking ce ne sono di 3 tipi: 2 igbt a collettore comune (ma necessitano di 2 alimentazioni separate), 2 igbt a emettitore comune con una sola alimentazione necessaria (quello che sto tentando di portare avanti) e infine un solo igbt posto all'interno di un ponte di diodi. quest'ultima ho già anche fatto delle prove in bassa potenza ed è una delle soluzioni che tengo di riserva, da letture che ho fatto sembra essere quella che ha una resa meno efficente e scalda di più.
L'idea che mi ero fatto (probabilmente sbagliando) è che sarebbe stato molto pù facile filtrare i disturbi provenienti da uno switch a 300KHz che non quelli generati dai triac in bassa frequenza.
A queste frequenze infatti il condensatore del filtro RC è quasi un "corto" e la resistenza scalda parecchio, sto pensando di mettere a monte degli igbt un filtro EMC/EMI ma le mie conoscenze in materia sono praticamente nulle e leggendo solo i datasheet non riesco a fare una scelta accurata, tra l'altro di molti filtri non ci sono neanche le caratteristiche delle attenuazioni alle varie frequenze. Quindi ora sono momentaneamente fermo perché, in assenza di filtro, non mi va di fare ulteriori prove rischiando di bruciare le altre apparecchiature in casa (compreso l'inverter dei pannelli solari), al limite proverò in bassa tensione mettendo a monte un bel trasformatore.

ops chiedo scusa, sono stato lunghissimo e un po' tedioso.
concludo chiedendo se qualcuno gentilmente può darmi due dritte sui filtri o dei link semplici dove posso acculturarmi un po' e ribadire che tutte le idee e i consigli sono ben accetti.
ciao a tutto il forum di ey O_/
Avatar utente
Foto Utentedaydate
0 3
 
Messaggi: 17
Iscritto il: 20 apr 2020, 21:31

0
voti

[12] Re: controllo di potenza con due IGBT in reverse blocking

Messaggioda Foto Utenteelfo » 15 mag 2020, 17:53

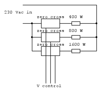
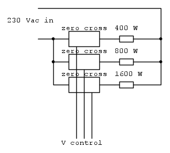
Con 3 resistenze realizzi un DAC :mrgreen: con 8 livelli di Potenza.
La "finezza temporale " della risposta e' 10 ms (un semiciclo a 50 Hz)

Zero disturbi e complessita' minima
Avatar utente
Foto Utenteelfo
6.819 4 5 7
G.Master EY
G.Master EY
 
Messaggi: 2828
Iscritto il: 15 lug 2016, 13:27

0
voti

[13] Re: controllo di potenza con due IGBT in reverse blocking

Messaggioda Foto Utentedaydate » 15 mag 2020, 18:23

in effetti... perderei la regolazione fine ma la semplicità del progetto è indiscutibile. Vabbè, visto che considero la sperimentazione (non solo in elettronica) come il sale della vita, mi farò ancora un po' di esperienza con gli igbt che mi affascinano parecchio. Questa idea comunque la verifico con l'idraulico se mi può inserire 3 resistenze in un boiler e la tengo sicuramente in considerazione.
Grazie!
Avatar utente
Foto Utentedaydate
0 3
 
Messaggi: 17
Iscritto il: 20 apr 2020, 21:31

1
voti

[14] Re: controllo di potenza con due IGBT in reverse blocking

Messaggioda Foto UtenteJAndrea » 16 mag 2020, 11:24

Ti faccio notare, come il calcolo della potenza istantanea, ai fibi del distaccato, il contatore l'esegua su periodi molto più lunghi del secondo da te ipotizzato, circa 1 minuto.
Tant'è che diversi elettrodonestici lavorano in on-off per modulare la potenza, come i forni e i forni a microonde.
Salvo ovviamente non assorbire così tanto da far intervenire le protezioni termica o magnetica.
Se giocassi con un on-off su tempi così lunghi, avresti un circuito semplice, senza retroazione ne complessa elettronica di potenza.
Ti invito a provare l'on off nagari con un interruttore, e vedere cosa ti segna il contatore.
Avatar utente
Foto UtenteJAndrea
3.987 4 6 9
Master
Master
 
Messaggi: 2119
Iscritto il: 16 giu 2011, 15:25
Località: Rovigo

0
voti

[15] Re: controllo di potenza con due IGBT in reverse blocking

Messaggioda Foto UtenteSandroCalligaro » 16 mag 2020, 14:39

Interessante questa cosa... Non mi ero mai informato bene.
Quindi si guardano i valori di potenza mediati su tempi così lunghi?

Questa cosa non ha influenza sul consumo in sé, ma sul calcolo della differenza (autoconsumo) sì.
Qual è il motivo per cui si usano tempi così lunghi?
È dovuto al fatto che i contatori sono due separati, e (immagino) la differenza viene calcolata in modo centralizzato?
Avatar utente
Foto UtenteSandroCalligaro
2.970 2 4 5
G.Master EY
G.Master EY
 
Messaggi: 1181
Iscritto il: 6 ago 2015, 19:25

0
voti

[16] Re: controllo di potenza con due IGBT in reverse blocking

Messaggioda Foto UtenteJAndrea » 16 mag 2020, 14:48

ma sul calcolo della differenza (autoconsumo) sì

Quello che tu sollevi è un bel problema anch'esso...
Credo esistano due processi diversi, uno lo strumento integratore vero e proprio per il calcolo dell'energia, e questo continuamente aggiorna i valori dei consumi.
Dopodichè, un secondo processo esegue il calcolo della potenza media su un certo periodo.
Molti sono i carichi, che in fase di partenza e avviamento consumano molto più che a regime, sicuramente valutare la potenza su un singolo periodo, o anche 1 secondo porterebbe a scatti intempestivi...
So per certo che, ad esempio, il valore che tu leggi a display è aggiornato ogni 2 minuti.
Avatar utente
Foto UtenteJAndrea
3.987 4 6 9
Master
Master
 
Messaggi: 2119
Iscritto il: 16 giu 2011, 15:25
Località: Rovigo

0
voti

[17] Re: controllo di potenza con due IGBT in reverse blocking

Messaggioda Foto Utentedaydate » 16 mag 2020, 15:53

riscrivo la risposta sperando che non sia un doppione, quella precedente pare si sia persa nella rete... :D
JAndrea ha scritto:Ti faccio notare, come il calcolo della potenza istantanea, ai fibi del distaccato, il contatore l'esegua su periodi molto più lunghi del secondo da te ipotizzato, circa 1 minuto.

interessante e da provare. Per come la sapevo io il contatore varia il tempo di risposta in base alla quantità di sovraccarico, da 1-2 minuti per sovraccarichi leggeri a pochi secondi per quelli più pesanti, inoltre questi tempi sono stati molto ridotti con l'introduzione dei nuovi contatori elettronici. So per certo (ho fatto in proposito una analisi costi per la mia ex azienda) che nell'industria i contratti di fornitura dell'energia prevedono un forte picco di corrente sopra al massimo consentito, questo perché all'accensione delle macchine (normalmente alle 8:00 del mattino) la potenza necessaria è notevolmente maggiore di quella del regolare funzionamento. So anche per certo che tutti questi picchi di energia richiesta vengono conteggiati e fatti pagare extra. Nel civile non so se vado a pagare di più i sovraccarichi, conoscendo l'enel direi proprio di si. E' per questo motivo che preferirei una regolazione lineare della potenza deviata sulla resistenza: se ho 500W disponibili li giro al boiler senza immetterli nella rete (che me li pagano pochissimo). Accendere anche solo per 1 secondo l'intero carico di 3 kW, quando i pannelli ne producono solo 500, si va comunque a prelevare dalla rete 2500W ed è quello che vorrei evitare, anche se il contatore non forza il distacco.
SandroCalligaro ha scritto:È dovuto al fatto che i contatori sono due separati, e (immagino) la differenza viene calcolata in modo centralizzato?

i contatori erano due quando il GSE dava un contributo per ogni kW prodotto, indipendentemente da quanto consumavi in casa, ora si può solo più fare il contratto con lo "scambio sul posto" (come il mio) e il GSE mi rimborsa 2 volte all'anno la sola componente energia (quindi escluso tasse) che ho immesso in rete. Nel primo caso un contatore serve a misurare quanto i pannelli solari producono (per poi erogare il contributo) e il secondo contatore misura l'energia che consumi dalla rete (ad esempio di sera quando non c'è produzione). Nel secondo caso, con lo scambio sul posto, il contatore è uno solo e misura la corrente in modo bidirezionale: sa quindi quanto prelevo o immetto nella rete.
Per quanto riguarda tempi di intervento, aggiornamento display, costo dei picchi, ecc... mi informerò meglio da un mio amico che lavora all'enel, vi farò sapere appena ne saprò di più.
Avatar utente
Foto Utentedaydate
0 3
 
Messaggi: 17
Iscritto il: 20 apr 2020, 21:31

0
voti

[18] Re: controllo di potenza con due IGBT in reverse blocking

Messaggioda Foto Utentedaydate » 16 mag 2020, 19:17

aggiornamento: alla fine, per l'intervento dei contatori enel, bastava cercare in qesta magnifica fonte di informazioni di ElectroYou:
https://www.electroyou.it/attilio/wiki/salta-sempre-il-contatore-enel
Avatar utente
Foto Utentedaydate
0 3
 
Messaggi: 17
Iscritto il: 20 apr 2020, 21:31

Precedente

Torna a Elettronica generale

Chi c’è in linea

Visitano il forum: Nessuno e 88 ospiti