Cos'è ElectroYou | Login Iscriviti

ElectroYou - la comunità dei professionisti del mondo elettrico

Stadio di ingresso per elemento piezo

Elettronica lineare e digitale: didattica ed applicazioni

Moderatori: Foto Utentecarloc, Foto Utenteg.schgor, Foto UtenteBrunoValente, Foto UtenteIsidoroKZ

0
voti

[1] Stadio di ingresso per elemento piezo

Messaggioda Foto Utenteboiler » 19 mag 2020, 10:16

Ciao a tutti

Versione breve per chi non ha voglia di leggersi tutti i miei lamenti: devo interfacciare un trigger piezo per batteria senza avere nessuna specifica tecnica. Dato che il trigger dovrebbe funzionare con apparecchi di diverse marche (Roland, Yamaha, Alesis & co) dovrebbe esserci un circuito standard adottato da queste case. Qualcuno ne è a conoscenza?

Come vi avevo raccontato qui, sto aiutando un amico con un progettino per il quale dobbiamo digitalizzare i colpi di cassa della sua batteria.

In seguito ai vostri consigli ha comprato un pickup piezoelettrico, ma non ci sono specifiche tecniche di nessun tipo. L'ho quindi collegato all'oscilloscopio mentre ci picchiettavo sopra con una matita.

Queste sono diverse misure sovrapposte. Il sensore qui è caricato solo con l'impedenza d'ingresso dell'oscilloscopio (1M + 17 pF):
piezo-noLoad.png


Si vede che reagisce al colpetto con un picco di quasi 300 V :shock:

Ho rifatto la misura con 10k in parallelo all'ingresso dell'oscilloscopio:
piezo-10k.png


Abbiamo comunque ancora sui 200 V.

Io mi aspettavo un picco di tensione elevata a vuoto, ma mi sarei anche aspettato un'impedenza interna enorme e quindi un segnale estremamente ridotto con un carico.

A questo punto non so bene cosa fare. Ci sono parecchie incognite:

La matita è paragonabile al colpo dato con il pedale? Per almeno un paio di settimane non avrò la possibilità di misurare sul pedale. Certo, ha una massa molto minore, ma probabilmente una velocità maggiore (?)

Pensavo di usare un amplificatore di carica costruito attorno ad un OPA320 come stadio di ingresso.

Non credo però che l'OPA320 gradisca 300 V in ingresso... carico pesantemente l'ingresso? (resistivamente? capacitivamente?)
Ci metto un paio di zener in ingresso?

O lascio perdere l'amplificatore di carica e vado direttamente su un ingresso digitale del microcontroller proteggendolo con uno zener?

Vorrei buttar giú il PCB piú in fretta possibile perché il tempo stringe. Non ho problemi a metterci piú di quello che serve, in modo da poter per esempio saldare gli zener se servono... ma vorrei avere un'idea di massima per avere qualcosa di funzionante.

Tante domande... :?: :?: :?:
Avete una risposta? ;-)

Grazie, Boiler
Avatar utente
Foto Utenteboiler
26,4k 5 9 13
G.Master EY
G.Master EY
 
Messaggi: 5601
Iscritto il: 9 nov 2011, 12:27

1
voti

[2] Re: Stadio di ingresso per elemento piezo

Messaggioda Foto UtenteEcoTan » 19 mag 2020, 10:37

Secondo me non devi battere direttamente sul piezo ma incollarlo su un tamburello anche giocattolo, magari col nastro biadesivo o meglio direttamente, e battere in un altro punto. Forse gli zener vanno bene, prova con l'oscilloscopio.
Avatar utente
Foto UtenteEcoTan
7.720 4 12 13
Expert EY
Expert EY
 
Messaggi: 5422
Iscritto il: 29 gen 2014, 8:54

3
voti

[3] Re: Stadio di ingresso per elemento piezo

Messaggioda Foto UtenteDarwinNE » 19 mag 2020, 11:03

boiler ha scritto:Si vede che reagisce al colpetto con un picco di quasi 300 V :shock:


Non mi pare strano. I trasduttori piezoelettrici dovrebbero fornire sostanzialmente una carica (in realtà, la spostano, più che generarla). Se tu carichi con l'impedenza dell'oscilloscopio questa carica va a generare una tensione legata alla capacità globale, formata dalla capacità del sensore da solo a cui si aggiungono tutte le capacità dei cavi e quella di ingresso dell'oscilloscopio.

Se vuoi un segnale più piccolo, puoi caricare con una capacità più elevata.

Io quello che farei è:

- cercherei di avere un'idea della capacità totale vista dal sensore in quel caso
- proverei a fare un dimensionamento di massima con un convertitore carica/tensione

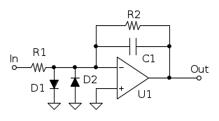
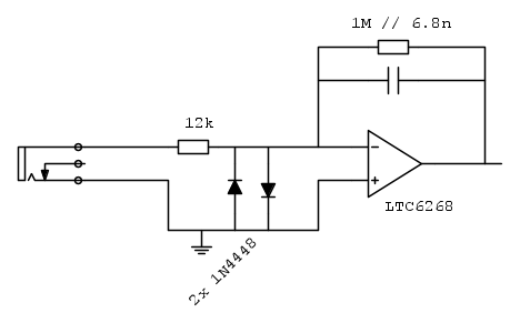
Nel secondo caso, ci sarà da dimensionare il circuito di modo che abbia una banda passante coerente con quello di cui hai bisogno. Forse è banale, ma io partirei da un circuito del genere:



C1 dovrebbe essere calcolato di modo che un colpo molto "robusto" sia al limite della saturazione dell'operazionale. R2 invece serve per fornire la corrente di polarizzazione, va calcolata perché la banda passante scenda abbastanza in basso da considerare il circuito un integratore nella banda che interessa. Se R2 è troppo elevata, si potrebbero però avere dei problemi di offset, ma non dovrebbe essere troppo difficile trovare un valore corretto perché a te ci vuole un valore "robusto" per C1 e tanto la continua non ti serve a molto e la puoi tagliare all'uscita dell'operazionale. I due diodi sono lì per protezione, tanto se l'operazionale funziona correttamente la tensione non è mai molto elevata sugli ingressi. R1 va calcolata perché in funzionamento normale la caduta di tensione sia trascurabile, ma ci va perché la protezione con i diodi serva a qualche cosa.

Puoi anche prevedere un'ulteriore filtro per la RF, casomai il batterista avesse in tasca un cellulare :D
Follow me on Mastodon: @davbucci@mastodon.sdf.org
Avatar utente
Foto UtenteDarwinNE
31,0k 7 11 13
G.Master EY
G.Master EY
 
Messaggi: 4420
Iscritto il: 18 apr 2010, 9:32
Località: Grenoble - France

1
voti

[4] Re: Stadio di ingresso per elemento piezo

Messaggioda Foto Utenteboiler » 19 mag 2020, 12:36

Foto UtenteEcoTan, è questo
https://www.on-trigger.com/p/en-on-trig ... -4-jack-f/
è fatto proprio per picchiarci sopra con "la suola" del pedale, non va incollato alla membrana.

DarwinNE ha scritto:Forse è banale, ma io partirei da un circuito del genere:

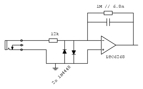
È molto simile al circuito che avevo buttato giú, basandomi su una application note di TI: http://www.ti.com/lit/an/sloa033a/sloa033a.pdf

C1 dovrebbe essere calcolato di modo che un colpo molto "robusto" sia al limite della saturazione dell'operazionale. R2 invece serve per fornire la corrente di polarizzazione, va calcolata perché la banda passante scenda abbastanza in basso da considerare il circuito un integratore nella banda che interessa. Se R2 è troppo elevata, si potrebbero però avere dei problemi di offset, ma non dovrebbe essere troppo difficile trovare un valore corretto perché a te ci vuole un valore "robusto" per C1 e tanto la continua non ti serve a molto e la puoi tagliare all'uscita dell'operazionale. I due diodi sono lì per protezione, tanto se l'operazionale funziona correttamente la tensione non è mai molto elevata sugli ingressi. R1 va calcolata perché in funzionamento normale la caduta di tensione sia trascurabile, ma ci va perché la protezione con i diodi serva a qualche cosa.


Grazie per la spiegazione, ho modificato il mio circuito iniziale:




Credo che svilupperò il PCB per questo circuito.
Posso poi sempre ometterne parti a dipendenza di quello che ne viene fuori.

Spero che il condensatore per l'accoppiamento in AC non mi renda instabile l'OPA320, ma dato che tutti i ritorni allo zero sono ad alta impedenza non dovrebbe.
Se decidessi di usare l'ingresso ADC del micro, sostituirei quel condensatore con un ponticello.

Boiler
Avatar utente
Foto Utenteboiler
26,4k 5 9 13
G.Master EY
G.Master EY
 
Messaggi: 5601
Iscritto il: 9 nov 2011, 12:27

2
voti

[5] Re: Stadio di ingresso per elemento piezo

Messaggioda Foto UtenteDarwinNE » 19 mag 2020, 13:46

Mi pare di aver letto quell'application note qualche anno fa.

Riguardo al tuo circuito, partirei anch'io verso una soluzione del genere. Tuttavia, non c'è un problema con l'alimentazione? Se usi un'alimentazione singola, l'OPA320 secondo me nella migliore delle ipotesi va in saturazione a causa dei diodi, che non vanno messi verso 0V ma verso Vcc/2. In quel caso, come protezione serviranno a poco, tanto vale non metterli (e mettere dei diodi rispetto a Vcc e 0V).

Oltretutto, se metti un riferimento a Vcc/2 sull'ingresso non invertente, non mi sembra che tu abbia bisogno di disaccoppiare l'uscita e di nuovo utilizzare un partitore, a meno di problemi di offset, ovviamente. La regolazione della soglia, falla partire da Vcc/2 e non da 0V, altrimenti ti ritrovi a sprecare la metà del potenziometro.
Follow me on Mastodon: @davbucci@mastodon.sdf.org
Avatar utente
Foto UtenteDarwinNE
31,0k 7 11 13
G.Master EY
G.Master EY
 
Messaggi: 4420
Iscritto il: 18 apr 2010, 9:32
Località: Grenoble - France

0
voti

[6] Re: Stadio di ingresso per elemento piezo

Messaggioda Foto UtenteEcoTan » 19 mag 2020, 14:00


E' fatto così?
sens.jpg
sensore piezo
sens.jpg (58.11 KiB) Osservato 7314 volte

Foto UtenteTheremino fornisce parecchi accessori e informazioni per fare funzionare questi sensori.

Edit ho confuso fra loro i 2 link. Adesso vedo che il tuo sensore è diverso.
Avatar utente
Foto UtenteEcoTan
7.720 4 12 13
Expert EY
Expert EY
 
Messaggi: 5422
Iscritto il: 29 gen 2014, 8:54

1
voti

[7] Re: Stadio di ingresso per elemento piezo

Messaggioda Foto Utenteboiler » 19 mag 2020, 14:12

Foto UtenteEcoTan, no, se apri il link che ho dato sopra, è dentro a quel cuscinetto di gommapiuma dal quale escono i due fili.
EDIT: vedo che hai visto ;-)

Foto UtenteDarwinNE, scusa, sono stato un po' parco di informazioni.
Quello schema è pensato per coprire tutte le evenienze a PCB già fabbricato. L'idea era di mettere l'ingresso non invertente dell'OPA320 a zero con una resistenza da 0 ohm.

Nel frattempo c'è un'update :cool:
Mi sono ricordato di avere un PCB adattabile con un po' di saldature acrobatiche a questa applicazione.
Ho quindi assemblato questo circuito:


I risultati mi soddisfano :ok:

In rosso c'è il segnale a valle della resistenza d'ingresso.
In blu l'uscita.

Questo è un colpetto leggero leggero:
piezotest-soft.png


Queste sono botte da orbi:
piezotest-botte.png


Penso quindi che userò questo circuito, accoppiato in DC all'ingresso del comparatore.
Poi, quando il trigger piezoeletrico sarà installato definitivamente posso fare un po' di correzioni per tenerlo appena sotto la saturazione, senza però che ci entri.

Grazie mille per l'aiuto!

Boiler
Avatar utente
Foto Utenteboiler
26,4k 5 9 13
G.Master EY
G.Master EY
 
Messaggi: 5601
Iscritto il: 9 nov 2011, 12:27

0
voti

[8] Re: Stadio di ingresso per elemento piezo

Messaggioda Foto Utenteboiler » 19 mag 2020, 14:15

Ah, dimenticavo, ovviamente implementerò una specie di hold-off nel software del microcontroller, in modo che rilevato il primo picco, ignori il resto per una manciata di millisecondi.

Boiler
Avatar utente
Foto Utenteboiler
26,4k 5 9 13
G.Master EY
G.Master EY
 
Messaggi: 5601
Iscritto il: 9 nov 2011, 12:27

2
voti

[9] Re: Stadio di ingresso per elemento piezo

Messaggioda Foto Utenteboiler » 7 giu 2020, 20:38

Se interessa, questo è l'ultimo singolo del gruppo per il cui batterista sto facendo questo lavoretto:
Avatar utente
Foto Utenteboiler
26,4k 5 9 13
G.Master EY
G.Master EY
 
Messaggi: 5601
Iscritto il: 9 nov 2011, 12:27


Torna a Elettronica generale

Chi c’è in linea

Visitano il forum: Majestic-12 [Bot] e 53 ospiti