Cos'è ElectroYou | Login Iscriviti

ElectroYou - la comunità dei professionisti del mondo elettrico

Esercizio con parametri conduttanza

Circuiti, campi elettromagnetici e teoria delle linee di trasmissione e distribuzione dell’energia elettrica

Moderatori: Foto Utenteg.schgor, Foto UtenteIsidoroKZ

3
voti

[1] Esercizio con parametri conduttanza

Messaggioda Foto UtenteTeopeteo » 27 mag 2020, 10:25

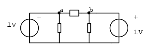
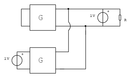
Ciao a tutti,ho difficoltà con il seguente esercizio:

con R=1\Omega

G=\begin{pmatrix}
2 & -1 \\
-1 & 2 \\
\end{pmatrix}
Vengono richieste le potenze erogate da ciascun generatore e quelle assorbite da ciascun doppio bipolo G.
Ho provato trasformando i doppi bipoli nei corrispondenti schemi a pigreco con resistenze di valore 1 e applicando la sovrapposizione degli effetti ma le mie soluzioni non sono corrette.
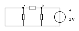
Per esempio, spegnendo il generatore in alto:


Visto il cortocircuito derivante dallo spegnimento del generatore di tensione,non dovrebbe scorrere corrente nel doppio bipolo in alto,quindi si avrebbe R_{eq}=1||1=\frac{1}{2} e P=\frac{V^2}{R}=2W
Già qui è sbagliato perché il generatore in questione dovrebbe erogare 1 Watt e non 2 Watt.
Sbaglio proprio l'impostazione dell'esercizio?
Avatar utente
Foto UtenteTeopeteo
45 2
 
Messaggi: 11
Iscritto il: 5 apr 2019, 9:14

3
voti

[2] Re: Esercizio con parametri conduttanza

Messaggioda Foto UtenteRenzoDF » 27 mag 2020, 10:37

Non capisco perché tu spenga il generatore superiore, senza poi considerarlo nella sovrapposizione, comunque se li lasci accesi entrambi la potenza la determini facilmente, visto che il GIT superiore impone la tensione anche alla porta destra del doppio bipolo inferiore. ;-)
"Il circuito ha sempre ragione" (Luigi Malesani)
Avatar utente
Foto UtenteRenzoDF
55,9k 8 12 13
G.Master EY
G.Master EY
 
Messaggi: 13189
Iscritto il: 4 ott 2008, 9:55

2
voti

[3] Re: Esercizio con parametri conduttanza

Messaggioda Foto UtenteTeopeteo » 27 mag 2020, 11:01

Grazie per la risposta. Nella sovrapposizione avevo preso solo in esame lo spegnimento di quel generatore perché ho trovato già un errore,ovvero l'erogazione di 2W invece di 1 e mi sono quindi fermato lì.
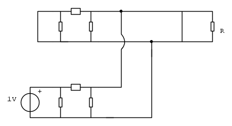
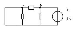
Facendo come hai scritto dovrebbe venire così per il doppio bipolo inferiore: ( considerando la parte di circuito di nostro interesse)

La tensione ai nodi a e b è la stessa quindi non dovrebbe passare corrente nella resistenza che fa ''da ponte'' mentre la corrente che scorre nelle altre due resistenze è di 1A.Quindi il doppio bipolo inferiore assorbe in totale 2W.
Intendevi questo? e per il bipolo superiore faccio le stesse considerazioni?
Avatar utente
Foto UtenteTeopeteo
45 2
 
Messaggi: 11
Iscritto il: 5 apr 2019, 9:14

2
voti

[4] Re: Esercizio con parametri conduttanza

Messaggioda Foto UtenteRenzoDF » 27 mag 2020, 12:18

Teopeteo ha scritto: ...La tensione ai nodi a e b è la stessa quindi non dovrebbe passare corrente nella resistenza che fa ''da ponte'' mentre la corrente che scorre nelle altre due resistenze è di 1A....
Intendevi questo?...

Esattamente.

Teopeteo ha scritto: ... e per il bipolo superiore faccio le stesse considerazioni?

Per il doppio bipolo superiore, essendo il collegamento al circuito inferiore in parallelo al GIT superiore, tutto il circuito inferiore non ha effetti sulla potenza assorbita dal doppio bipolo superiore.
"Il circuito ha sempre ragione" (Luigi Malesani)
Avatar utente
Foto UtenteRenzoDF
55,9k 8 12 13
G.Master EY
G.Master EY
 
Messaggi: 13189
Iscritto il: 4 ott 2008, 9:55

3
voti

[5] Re: Esercizio con parametri conduttanza

Messaggioda Foto UtenteTeopeteo » 27 mag 2020, 12:44

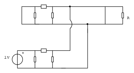
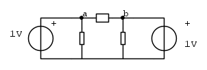
RenzoDF ha scritto:Per il doppio bipolo superiore, essendo il collegamento al circuito inferiore in parallelo al GIT superiore, tutto il circuito inferiore non ha effetti sulla potenza assorbita dal doppio bipolo.

Bene quindi dovrei considerare questa situazione per il doppio bipolo superiore?

In questo modo una resistenza non viene presa in considerazione per la presenza del corto circuito e facendo il parallelo tra le due resistenze rimanenti viene che la potenza assorbita dal doppio bipolo superiore è 2W.
Così i risultati sono corretti quindi dovrebbe essere giusto. :mrgreen:
Grazie ancora.
Avatar utente
Foto UtenteTeopeteo
45 2
 
Messaggi: 11
Iscritto il: 5 apr 2019, 9:14

3
voti

[6] Re: Esercizio con parametri conduttanza

Messaggioda Foto UtenteRenzoDF » 27 mag 2020, 19:20

Teopeteo ha scritto:... Bene quindi dovrei considerare questa situazione per il doppio bipolo superiore?

Esatto! :ok:

Ad ogni modo completa anche il tuo metodo, via sovrapposizione degli effetti.
"Il circuito ha sempre ragione" (Luigi Malesani)
Avatar utente
Foto UtenteRenzoDF
55,9k 8 12 13
G.Master EY
G.Master EY
 
Messaggi: 13189
Iscritto il: 4 ott 2008, 9:55


Torna a Elettrotecnica generale

Chi c’è in linea

Visitano il forum: Nessuno e 16 ospiti