Cos'è ElectroYou | Login Iscriviti

ElectroYou - la comunità dei professionisti del mondo elettrico

Trasformatore uscite sul secondario

Circuiti, campi elettromagnetici e teoria delle linee di trasmissione e distribuzione dell’energia elettrica

Moderatori: Foto Utenteg.schgor, Foto UtenteIsidoroKZ

0
voti

[21] Re: Trasformatore uscite sul secondario

Messaggioda Foto Utentejervisbrown » 30 mag 2020, 17:24

:?: :?:
Scusa, perché
claudiocedrone ha scritto:....150 VA a 24 V sono 6,25 A che con raddrizzamento a ponte diventano 3,47 A effettivamente erogabili...
/


...Non mi risulta. Così mi crolla il mondo addosso..., a me risultano sempre 6,25A.
Ed anche se riuscissi ad estrapolare una presa intermedia a, ipotesi, 7V.

claudiocedrone ha scritto:Non ho idea se da metà secondario (12 V) si possa tirare altrettanto o cambi qualcosa; attendi interventi più autorevoli. O_/


Così se l'avvolgimento fosse sezionabile nei due 12V + 12V potrei tirar fuori teoricamente 6,25A da ognuno dei due, che moltiplicati per i 12V darebbero ognuno 75VA per un totale di 150, sempre teoricamente perché sarebbero i limiti massimi, utilizzabili forse per 3 minuti...
Forse mi sbaglio, gradirei che qualcuno più ferrato mi spiegasse.

Saluti

P.S. Nello specifico, è facile (perché costruttivamente più semplice), che la presa intermedia a 0V (12-0-12) sia costituito dai due capi centrali dei semiavvolgimenti, e riuscendo a separarli, si potrebbero separare completamente i due avvolgimenti ottenendone appunto 2 da 12V, che, eventualmente, dopo OPPORTUNI CONTROLLI, potrebbero essere ricollegati in parallelo tra loro ottenendo in uscita 12V con 12,50A ( LIMITI MASSIMI!! ).
Avatar utente
Foto Utentejervisbrown
88 2
New entry
New entry
 
Messaggi: 66
Iscritto il: 26 mar 2015, 14:12

0
voti

[22] Re: Trasformatore uscite sul secondario

Messaggioda Foto Utenteclaudiocedrone » 31 mag 2020, 2:33

jervisbrown ha scritto: ...Scusa, perché
claudiocedrone ha scritto:
....150 VA a 24 V sono 6,25 A che con raddrizzamento a ponte diventano 3,47 A effettivamente erogabili...

...Non mi risulta. Così mi crolla il mondo addosso..., a me risultano sempre 6,25A.


Il trasformatore in alternata continua a poter erogare i suoi 6,25 A ma dopo il raddrizzamento la corrente in continua erogabile su un carico non può raggiungere la medesima intensità poiché i diodi non lavorano gratis ma dissipano potenza; quando si dimensiona un alimentatore si tiene conto di tale fatto applicando un fattore di correzione di 1,8 per il raddrizzamento con configurazione a ponte di Graetz in cui conducono due diodi per semiperiodo; con secondario a presa centrale si usano due diodi quindi conduce un solo diodo ogni semiperiodo e il fattore di correzione si riduce a 1,4.
"Non farei mai parte di un club che accettasse la mia iscrizione" (G. Marx)
Avatar utente
Foto Utenteclaudiocedrone
21,3k 4 7 9
Master EY
Master EY
 
Messaggi: 15302
Iscritto il: 18 gen 2012, 13:36

0
voti

[23] Re: Trasformatore uscite sul secondario

Messaggioda Foto Utentejervisbrown » 31 mag 2020, 9:31

Grazie per la precisazione.
Saluti



.....Ma quindi, se cerco di tirare fuori una corrente superiore, cosa succede?
Avatar utente
Foto Utentejervisbrown
88 2
New entry
New entry
 
Messaggi: 66
Iscritto il: 26 mar 2015, 14:12

0
voti

[24] Re: Trasformatore uscite sul secondario

Messaggioda Foto Utenteclaudiocedrone » 31 mag 2020, 11:50

Generalmente il trasformatore "si siede" diminuendo la tensione al secondario.
"Non farei mai parte di un club che accettasse la mia iscrizione" (G. Marx)
Avatar utente
Foto Utenteclaudiocedrone
21,3k 4 7 9
Master EY
Master EY
 
Messaggi: 15302
Iscritto il: 18 gen 2012, 13:36

0
voti

[25] Re: Trasformatore uscite sul secondario

Messaggioda Foto UtenteSediciAmpere » 31 mag 2020, 12:02

provo a fare riassumere:


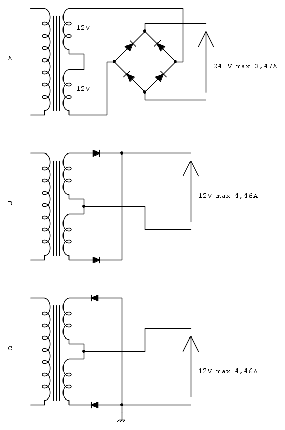
nel caso A, di un raddrizzatore a ponte di Graetz ,la presa intermedia non viene utilizzata, vengono raddrizzate entrambe le semionde dell'intero secondario (che nel nostro caso è da 24 V), ottenendo una tensione raddrizzata, non ancora continua, di valore efficace di circa 24 V (trascuriamo per il momento la caduta dui diodi)

nel caso B, possiamo cercare di immaginare il raddrizzatore simile a quello del caso A, però utilizzando i due soli diodi che fanno uscire la corrente, prelevandola per un semiperiodo da mezzo avvolgimento e per l'altro semiperiodo dall'altro mezzo. Il riferimento a massa generalmente è connesso alla presa intermedia in modo da avere un potenziale positivo rispetto ad esso, ma nessuno vieta di connettere a massa il punto di giunzione dei due diodi e prelevare una tensione negativa dalla presa intermedia, il funzionamento è esattamente lo stesso.

invertendo il senso dei diodi otteniamo la situazione opposta: nel caso C possiamo connette a massa la presa intermedia e prelevare una tensione di -12V oppure connettere a massa l'uscita del raddrizzatore e prelevare +12V dalla presa intermedia, in questo caso la corrente entrerà nel raddrizzatore



Per costruire il tuo alimentatore conviene connette a massa il negativo del ponte a diodi e tenerti la possibilità di prelevare la corrente dall'intero ponte a diodi (per ottenere tensioni stabilizzate superiori ai 9÷10Vcc) oppure prelevarla dalla presa intermedia (per tensioni minori, ma con più corrente) riconduncendoti alla situazione C con i due diodi superiori inutilizzati.

In questo modo avrai sempre un rendimento ottimale e il regolatore non dovrà dissipare una potenza eccessiva qualora venisse richiesta una bassa tensione e alta corrente.

I parametri correttivi di 1,8 per il ponte di Graetz e di 1,4 per il raddrizzatore a due diodi, sono parametri sperimentali che considerano la capacità di livellamento

raddr1.GIF

rimanendo sotto a I/1,8 , si ottiene una tensione media di 24 V ,

raddr2.GIF

mentre usando tutta la corrente del trasformatore si ottiene una tensione di soli 21V che consentono di ottenere una tensione stabilizzata non superiore a 19V, inoltre per i brevi picchi di carica del condensatore , il trasformatore si trova a dover fornire una corrente molto maggiore di quella nominale

PS Vedo che Claudio ha risposto mentre stavo scrivendo la mia lunga risposta, spiegando in modo più sintetico la stessa cosa O_/
Avatar utente
Foto UtenteSediciAmpere
4.187 5 5 8
Master
Master
 
Messaggi: 4847
Iscritto il: 31 ott 2013, 15:00

0
voti

[26] Re: Trasformatore uscite sul secondario

Messaggioda Foto Utentepixeldj » 1 giu 2020, 21:24

Domanda magari stupida.
E se invece di utilizzare soluzioni con due diodi o ponte, prendessi l'uscita del trasfo con configurazione 24 V alternata e non raddrizzata, con un bel mammut ci collego in parallelo due alimentatori stabilizzati come questo (https://it.banggood.com/0-28V-0_01-2A-A ... rehouse=CN)?
Ha senso? magari non è super performante come soluzione visto che se vanno insieme e ci sono ben due i ponti raddrizzatori ma tanto con tutta quella potenza (150VA) è più che sufficiente per quello che ci devo fare.
E' possibile fare funzionare in contemporanea due moduli di regolazione di tensione come quello linkato con un solo trasforrmatore o vengono fuori cose strane?
Penso che le tensioni rimangono da 24 V, mentre gli A saranno utilizzati in parte.
Non so magari dico cazzate...
Avatar utente
Foto Utentepixeldj
15 1 5
New entry
New entry
 
Messaggi: 88
Iscritto il: 20 set 2016, 10:42

0
voti

[27] Re: Trasformatore uscite sul secondario

Messaggioda Foto UtenteSediciAmpere » 1 giu 2020, 21:43

sì, ha senso, anzi è meglio degli alimentatori lineari, sono piu' efficienti e si possono regolare a partire da 0 volt
Avatar utente
Foto UtenteSediciAmpere
4.187 5 5 8
Master
Master
 
Messaggi: 4847
Iscritto il: 31 ott 2013, 15:00

0
voti

[28] Re: Trasformatore uscite sul secondario

Messaggioda Foto Utentepixeldj » 1 giu 2020, 21:51

SediciAmpere ha scritto:sì, ha senso, anzi è meglio degli alimentatori lineari, sono piu' efficienti e si possono regolare a partire da 0 volt

A bene dai ottimo.
Ma quindi posso "spillare" dalla stessa uscita del traformatore da 24 V e collegare con mammut in serie due alimentatori come quello linkato? Possono andare in contemporanea?
Avatar utente
Foto Utentepixeldj
15 1 5
New entry
New entry
 
Messaggi: 88
Iscritto il: 20 set 2016, 10:42

0
voti

[29] Re: Trasformatore uscite sul secondario

Messaggioda Foto UtenteSediciAmpere » 1 giu 2020, 22:06

sì, possono, solo che non puoi unire le loro uscite per fornire 4 Ampere ad un solo carico

(in parallelo, non in serie)
Avatar utente
Foto UtenteSediciAmpere
4.187 5 5 8
Master
Master
 
Messaggi: 4847
Iscritto il: 31 ott 2013, 15:00

0
voti

[30] Re: Trasformatore uscite sul secondario

Messaggioda Foto Utenteclaudiocedrone » 1 giu 2020, 23:04

SediciAmpere ha scritto: ...Claudio ha risposto mentre stavo scrivendo la mia lunga risposta, spiegando in modo più sintetico la stessa cosa...


Sì, ma rispondendo sinteticamente a Foto Utentejervisbrown che si è introdotto nella discussione chiedendo chiarimenti sulla mia affermazione; la tua "lunga" risposta non è per nulla ridondante, anzi :ok:
"Non farei mai parte di un club che accettasse la mia iscrizione" (G. Marx)
Avatar utente
Foto Utenteclaudiocedrone
21,3k 4 7 9
Master EY
Master EY
 
Messaggi: 15302
Iscritto il: 18 gen 2012, 13:36

PrecedenteProssimo

Torna a Elettrotecnica generale

Chi c’è in linea

Visitano il forum: Nessuno e 14 ospiti