Cos'è ElectroYou | Login Iscriviti

ElectroYou - la comunità dei professionisti del mondo elettrico

Alimentatore da migliorare

Progettazione collaborativa: dall'idea alla formazione del gruppo di lavoro per la realizzazione di un prodotto finito.

Moderatore: Foto Utentebrabus

1
voti

[101] Re: Alimentatore da migliorare

Messaggioda Foto Utentegianniniivo » 2 giu 2020, 18:30

Foto Utentewoodcat, ma non realizzi prima il kit al “volo”?

Il contenitore lo cerchi dopo, se non ricordo male sei sprovvisto di Darlington ma non di transistor di potenza in TO3.

Poi, non ricordo se te l’ho già detto, ma cerca di evitare di lasciare il pilota sulla PCB perché scalda e va collocato sullo stesso dissipatore dei finali. Io utilizzai un TO220, tanto anche se cambia la piedinatura non è un problema, basta eseguire un semplice adattamento. Comunque se non sali di tensione rispetto a quella prevista per il circuito originale va bene anche il pilota del KIT, ma ben dissipato. Anche il regolatore 7824, per le ventole, qualora intendessi sostituirlo con un 7812, attenzione, perché scalda molto e devi collocare anche lui sul dissipatore dei finali. I piccoli dissipatori a U, forniti con il kit, è meglio non utilizzarli, non sono sufficienti per potenze superiori…

Per il parallelo dei finali, utilizzai dei ritagli su misura di piastre millefori, costruendo le piste con della trecciola saldata alle piazzole. Il metodo è molto comodo sia per saldare i finali, le resistenze di compensazione e i cavi dimensionati per i collegamenti di potenza.
Avatar utente
Foto Utentegianniniivo
9.035 7 11 13
No Rank
 
Messaggi: 2874
Iscritto il: 5 feb 2019, 23:50

1
voti

[102] Re: Alimentatore da migliorare

Messaggioda Foto Utentewoodcat » 5 giu 2020, 21:51

Aggiornamento:
Non ho abbandonato il progetto ma, nei giorni scorsi, sono stato impegnato in altre faccende.
Oggi ho quasi ultimato l'assemblaggio del primo kit; mancano pochi componenti (tenendo presenti lo schema e le raccomandazioni di Foto Utentegianniniivo).

La prima prova la farò "in aria" e mi sfascerò il cervello preoccuperò di contenitore e dissipatori una volta appurato che il coso fa il suo dovere.
Dalle vigenti norme:
Non costruire, compra!
Non riparare, ricompra!
Avatar utente
Foto Utentewoodcat
3.078 1 5 12
Expert EY
Expert EY
 
Messaggi: 496
Iscritto il: 14 feb 2012, 20:19

1
voti

[103] Re: Alimentatore da migliorare

Messaggioda Foto Utentegianniniivo » 5 giu 2020, 22:50

Va bene, non preoccuparti più di tanto, ad eccezione del dissipatore. Anche se intendi fare una prova al volo ma desideri testare correnti elevate, metti comunque un generoso dissipatore oppure distribuisci i finali, il pilota e il uA7812 (se lo usi) su più dissipatori. Non ricordo se il ponte monolitico che ho utilizzato richiedesse grande dissipazione ma mi sembra si accontentasse di poco.
Ci aggiorniamo... O_/
Avatar utente
Foto Utentegianniniivo
9.035 7 11 13
No Rank
 
Messaggi: 2874
Iscritto il: 5 feb 2019, 23:50

1
voti

[104] Re: Alimentatore da migliorare

Messaggioda Foto UtenteTITAN » 6 giu 2020, 9:30

Ho visto con piacere che il lm723 è ancora in auge.non ho letto quasi niente di tutta la discussione e sono entrato solo per vecchi ricordi degli anni 80 se non prima dove ho giocato anch'io col 723 e ricordo anche i 2n 3771 fratelli maggiori del 2n 3055 con la bellezza di 30 A di collettore. Bei tempi se non altro per la più giovane età e comunque era di sicuro un periodo molto più bello di quello odierno.
Un saluto a tutti e buona sperimentazione. Stefano
Avatar utente
Foto UtenteTITAN
1.041 2 4 5
Sostenitore
Sostenitore
 
Messaggi: 1463
Iscritto il: 31 dic 2012, 20:22

1
voti

[105] Re: Alimentatore da migliorare

Messaggioda Foto Utentewoodcat » 8 giu 2020, 22:03

Piano piano vado avanti.
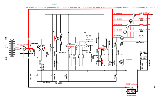
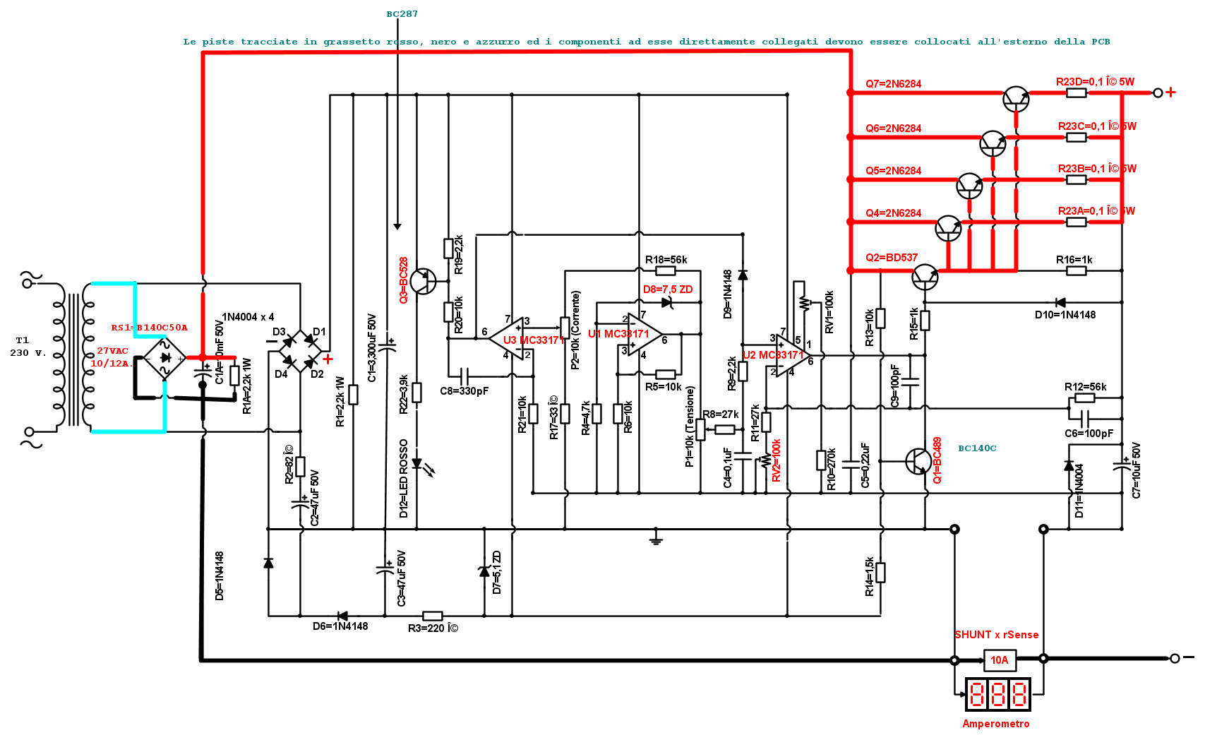
Facendo riferimento allo schema di Foto Utentegianniniivo, ho sostituito un paio di transistor con degli equivalenti (sigle in verde):



Riporto le caratteristiche:

BC140C Si NPN 80V 1A 0.8W 90MHz beta misurato 78 (forse troppo basso?)
BC287 Si PNP 60V 1A 0.8W 200Mhz beta misurato 134

Ho trovato un BD537 Si NPN 80V 4A 50W beta misurato 109

Se ho capito bene il trimmer RV2 aggiunto in serie alla R11 da 27kΩ serve a tarare la regolazione della corrente, passando da un massimo di 3A del progetto originale a molto di più nella versione potenziata.
Dalle vigenti norme:
Non costruire, compra!
Non riparare, ricompra!
Avatar utente
Foto Utentewoodcat
3.078 1 5 12
Expert EY
Expert EY
 
Messaggi: 496
Iscritto il: 14 feb 2012, 20:19

2
voti

[106] Re: Alimentatore da migliorare

Messaggioda Foto Utentegianniniivo » 9 giu 2020, 1:42

Si woodcat, quei transistor vanno bene, sono dei TO39 anzi che dei TO92 (se non danno problemi di spazio) come caratteristiche potrebbero essere similari. Anche il pilota va bene ma per provare puoi utilizzare anche i transistor originali se non eccedi i 24 V in AC.

RV2 serve a regolare l’amplificazione di U2, qualora dovessi notare differenze di tensione in uscita tra prova a vuoto e sotto carico. Poi ti spiegherò come fare la regolazione, io ho utilizzato un multigiri a regolazione dal alto.

Per TITAN:
Ciao TITAN, si il 723 resiste, è ancora valido. Anch'io ho utilizzato in passato quei bei finali ma credo di aver utilizzato i 2n3772, reggevano una tensione più alta, poi me li procurava un amico… :D
Avatar utente
Foto Utentegianniniivo
9.035 7 11 13
No Rank
 
Messaggi: 2874
Iscritto il: 5 feb 2019, 23:50

2
voti

[107] Re: Alimentatore da migliorare

Messaggioda Foto Utentegianniniivo » 10 giu 2020, 1:05

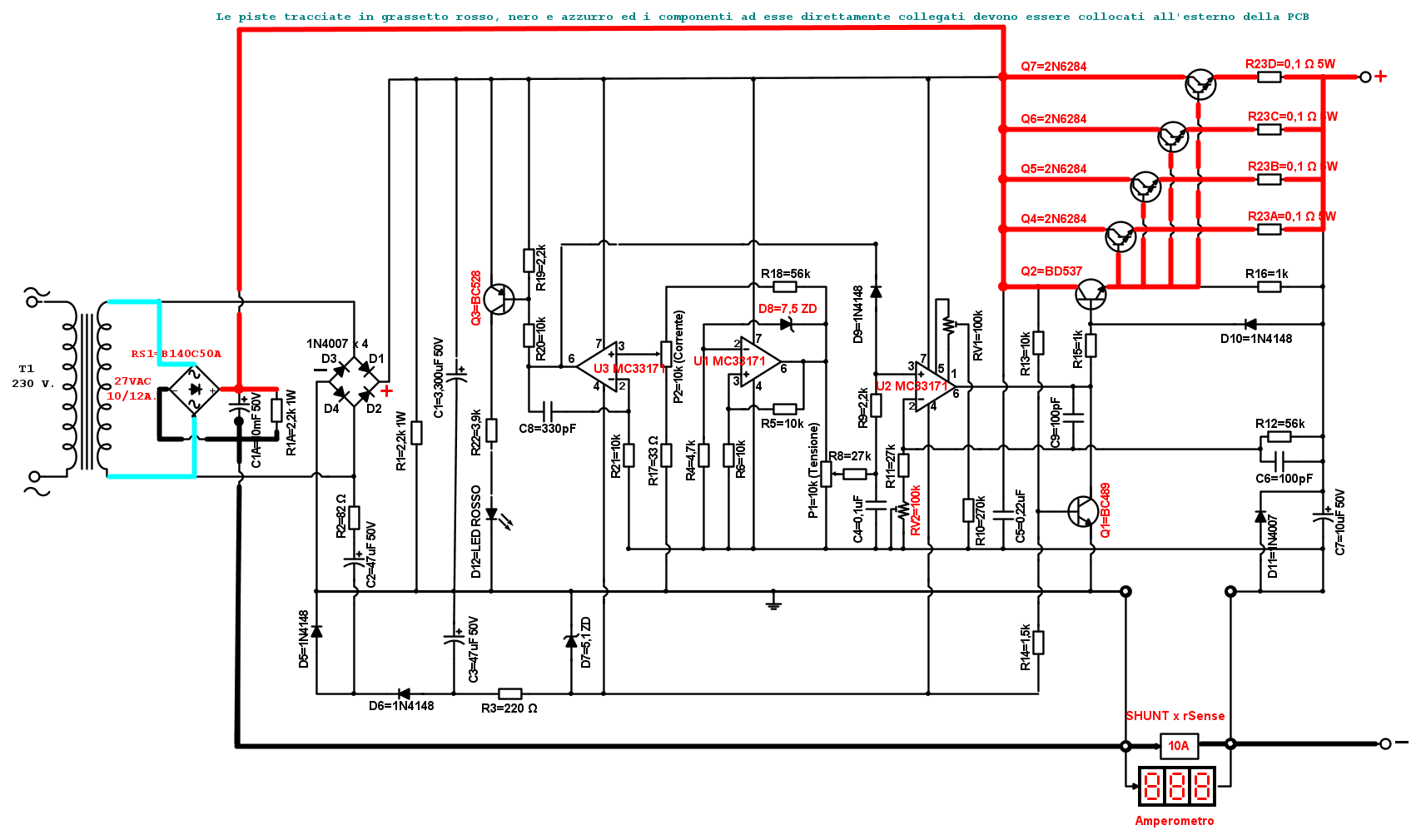
Foto Utentewoodcat, pubblico una nuova versione dello schema perché mi sono accorto, tra le varie modifiche, i miei appunti parziali e le ricostruzioni realizzate a memoria, di dover introdurre alcune piccole correzioni. Ho dimenticato, infatti, di ripristinare un collegamento che era stato interrotto da Maxmix per l’utilizzazione del trasformatore con zero centrale e associato ad una commutazione automatica delle due tensioni in AC. Mi sembra di ricordare che tu, per il momento, non intenda utilizzare la commutazione automatica delle due tensioni AC.

Ho anche corretto la simbologia dei finali in quanto, nel dispositivo da me assemblato, lo stadio finale era composto da transistor Darlington, come si evince anche dalla sigla dei finali che invece è quella esatta.

Devo precisare che il transistor pilota, pur collocandolo sul dissipatore, deve essere ugualmente collegato alla PCB con tre cavetti di piccola sezione in modo che, mediante le piste della PCB, avvenga il collegamento del pilota verso la connessione BCE dello stadio finale sempre sulla PCB (tra pilota e finali scorre poca corrente).

Il collettore dello stadio finale va collegato direttamente al grosso condensatore di filtro o al ponte di diodi di potenza (io sono stato agevolato dal fatto che il condensatore disponeva dei collegamenti a vite per capo corda e non a saldare).

L’emettitore dei finali va collegato alle resistenze di compensazione che a loro volta vanno collegate alla boccola di uscita del positivo.

Ora segue la precisazione più importante in quanto temo che dallo schema elettrico non si evinca con certezza la differenza esistente tra i collegamenti teorici e quelli pratici con la PCB..

In pratica, per quanto riguarda i finali, BASI, COLLETTORI ED EMETTITORI (dopo le resistenze di compensazione), vanno comunque collegati, con tre cavetti di piccola sezione, anche nel punto riservato al transistor finale sulla PCB (omettendo, ovviamente, di collegare il transistor finale originale) in modo da ripristinare tutti i collegamenti anche verso la PCB. Sono collegamenti che non incidono sull'erogazione di correnti elevate ma sono indispensabili per rendere possibili le regolazioni circuitali. Per questi collegamenti verso la PCB, io ho utilizzato dei morsetti come quelli corrispondenti all'immagine in allegato, poi, volendo, i collegamenti possono anche essere saldati. Personalmente, ho preferito mettere i morsetti ovunque fosse possibile.

Connettori e resistenza.jpg
Componenti utilizzabili



Voglio altresì ribadire che lo schema FidoCad pubblicato, è riferito al circuito da me realizzato.
Se devi realizzare l’esemplare originale, con gli OpAmp TL081, devi applicare un’alimentazione AC di 24 V e il diodo Zener D8 da 7,5V, deve essere sostituito con il valore originale da 5,1V.

Per lo stadio finale ho utilizzato dei Darlington e non ho mai provato a collegare dei transistor di potenza NON Darlington. Bisognerà, quindi, verificare la risposta dell’insieme, ed eventualmente introdurre qualche variazione (ad esempio) sostituire il pilota con un Darlington (Case TO220) tipo BDX53A, B o C, ma non è scontato che sarà necessario…
Se hai bisogno di qualche chiarimento sono a disposizione.


Avatar utente
Foto Utentegianniniivo
9.035 7 11 13
No Rank
 
Messaggi: 2874
Iscritto il: 5 feb 2019, 23:50

0
voti

[108] Re: Alimentatore da migliorare

Messaggioda Foto Utenteedgar » 10 giu 2020, 9:32

gianniniivo ha scritto:Se devi realizzare l’esemplare originale, con gli OpAmp TL081, devi applicare un’alimentazione AC di 24 V

Con 24 volt raddrizzati più i 5,1 negativi si oltrepassano gli absolute maximum ratings di alimentazione del TL081.
Avatar utente
Foto Utenteedgar
10,0k 4 5 8
Master
Master
 
Messaggi: 5229
Iscritto il: 15 set 2012, 22:59

0
voti

[109] Re: Alimentatore da migliorare

Messaggioda Foto Utentemaxmix69 » 10 giu 2020, 9:46

gianniniivo ha scritto:Ho dimenticato, infatti, di ripristinare un collegamento che era stato interrotto da Maxmix per l’utilizzazione del trasformatore con zero centrale e associato ad una commutazione automatica delle due tensioni in AC

Il motivo dell'interruzione di quel positivo era che non serve, se lo lasci lavorano in parallelo il ponte raddrizzatore grande e quello composto dai 4 diodi 1N4007. Hai fatto bene a ricordarmelo perché guardando meglio lo stesso accade sul ramo negativo. Seguendo lo schema si vede che il ponte raddrizzatore composto dai 4 diodi 1N4007 si trova in parallelo franco con il ponte raddrizzatore di potenza. E' inutile e pericoloso, pure se a te non si è mai ritto nulla potrebbe succedere che passi troppa corrente negli 1N4007 e uno di essi si metta in corto. E' sufficiente non montarli affatto.
edgar ha scritto:Con 24 volt raddrizzati più i 5,1 negativi si oltrepassano gli absolute maximum ratings di alimentazione del TL081.

Concordo, ma sembra che lo abbiano già fatto altri e non si sia rotto ancora nulla. Personalmente non lo farei, non mi piace utilizzare i componenti oltre le specifiche dichiarate.
Avatar utente
Foto Utentemaxmix69
172 1 2 5
Stabilizzato
Stabilizzato
 
Messaggi: 379
Iscritto il: 6 lug 2013, 20:18

1
voti

[110] Re: Alimentatore da migliorare

Messaggioda Foto Utenteedgar » 10 giu 2020, 11:45

Se si rompesse il solo alimentatore poco male, la cosa inquietante è se si rompesse mentre fosse alimentato un circuito costoso e a bassa tensione e erogasse la tensione massima.
E' un progetto per 30V cinesi :mrgreen:
Avatar utente
Foto Utenteedgar
10,0k 4 5 8
Master
Master
 
Messaggi: 5229
Iscritto il: 15 set 2012, 22:59

PrecedenteProssimo

Torna a Crowd Design

Chi c’è in linea

Visitano il forum: Nessuno e 0 ospiti