Cos'è ElectroYou | Login Iscriviti

ElectroYou - la comunità dei professionisti del mondo elettrico

Comandare un relè 12Vac da 24Vac

Elettronica lineare e digitale: didattica ed applicazioni

Moderatori: Foto Utentecarloc, Foto Utenteg.schgor, Foto UtenteBrunoValente, Foto UtenteIsidoroKZ

0
voti

[11] Re: Comandare un relè 12Vac da 24Vac

Messaggioda Foto UtenteMarcoD » 13 giu 2020, 20:04

@Andrea973,
i tuoi calcoli in corrente continua sono corretti.
In corrente alternata 50 Hz le cose si complicano:
L'avvolgimento del relè ha anche induttanza oltre che resistenza, l'induttanza non è neppure costante perché dipende dal traferro, ossia dalla corsa del contatto mobile, dovrebbe essere massima quando il relè è completamente chiuso a fine corsa.
L'induttanza genera reattanza ossia uno sfasamento fra corrente e tensione, per cui dovrebbe bastare una resistenza di valore maggiore di 33 ohm per portare 12 V alla bobina.
Il valore di 47 l'ho messo a naso, forse 39 è meglio
E se poi con 39 ohm la tensione scende a 10 V forse andrà bene lo stesso, circola meno corrente e il tutto scalda di meno.
Il valore di induttanza/reattanza massima non è noto e potrebbe essere trascurabile ed io potrei essere in errore.
Fai una prova/misura e riferisci i risultati.
Probabilmente Foto Utenteadmin ha documentazione per spiegarlo meglio di me.
O_/
Avatar utente
Foto UtenteMarcoD
12,2k 5 9 13
Master EY
Master EY
 
Messaggi: 6696
Iscritto il: 9 lug 2015, 16:58
Località: Torino

0
voti

[12] Re: Comandare un relè 12Vac da 24Vac

Messaggioda Foto UtenteSediciAmpere » 13 giu 2020, 20:07

Io direi che la reattanza a 50Hz sia trascurabile
Avatar utente
Foto UtenteSediciAmpere
4.187 5 5 8
Master
Master
 
Messaggi: 4848
Iscritto il: 31 ott 2013, 15:00

1
voti

[13] Re: Comandare un relè 12Vac da 24Vac

Messaggioda Foto UtenteAndrea973 » 13 giu 2020, 20:28

Domattina, se non piove, provo con la 33 e vi faccio sapere se è esploso tutto :-) ...gli zener dovrebbero difendere se la caduta di tensione non dovesse essere sufficiente. Peccato che non possa fare una prova con l'oscilloscopio che ora non ho a casa.
Per ora grazie a tutti dello scambio di opinioni ;-)
Avatar utente
Foto UtenteAndrea973
5 2
 
Messaggi: 6
Iscritto il: 11 giu 2020, 17:10

0
voti

[14] Re: Comandare un relè 12Vac da 24Vac

Messaggioda Foto UtenteMarcoD » 14 giu 2020, 9:24

Ho letto le caratteristiche del relè finder:

Relè passo passo bistabile, 1 contatto 10 A 230 Vac.
bobina comandata in AC 4,5 VA; tensione nominale 12 V; campo funzionamento fra 0,8 e 1,1 Vnom ( 9,6 e 13,2 V)

4,5/12 = 0,375 A 12/0,375 = 32 ohm impedenza a 50 Hz bobina
Durata impulso comando: fra 0,1 s e 1 h

Per mia curiosità, misura la resistenza in continua della bobina.
Avatar utente
Foto UtenteMarcoD
12,2k 5 9 13
Master EY
Master EY
 
Messaggi: 6696
Iscritto il: 9 lug 2015, 16:58
Località: Torino

0
voti

[15] Re: Comandare un relè 12Vac da 24Vac

Messaggioda Foto UtenteSediciAmpere » 14 giu 2020, 10:06



una tensione alternata sinusoidale di 12V oscilla tra +17 e -17

con i diodi zener puoi solo segare il picco della sinusoide, il valore efficace diventa 12V solo quando è completamente squadrato
Avatar utente
Foto UtenteSediciAmpere
4.187 5 5 8
Master
Master
 
Messaggi: 4848
Iscritto il: 31 ott 2013, 15:00

0
voti

[16] Re: Comandare un relè 12Vac da 24Vac

Messaggioda Foto UtenteAndrea973 » 14 giu 2020, 16:04

Allora ho montato il circuito, ma non funzionava infatti avevo 0.5V ai capi degli zener e quindi sulla bobina che ovviamente non si eccitava. Riflettendo ho capito che effettivamente gli zener in antiparallelo portano a far prevalere sempre quello in polarizzazione diretta e quindi dovrei mettere un ulteriore diodo semplice per ogni ramo, ma diverrebbe "troppo complesso"; ho quindi deciso di mettere la sola resistenza da 33 e per ora sembra andare alla grande... certo una protezione non mi sarebbe dispiaciuta.
Avatar utente
Foto UtenteAndrea973
5 2
 
Messaggi: 6
Iscritto il: 11 giu 2020, 17:10

0
voti

[17] Re: Comandare un relè 12Vac da 24Vac

Messaggioda Foto UtenteSediciAmpere » 14 giu 2020, 16:07

Andrebbero messi in antiserie
Hai misurato la tensione ac sulla bobina?
Avatar utente
Foto UtenteSediciAmpere
4.187 5 5 8
Master
Master
 
Messaggi: 4848
Iscritto il: 31 ott 2013, 15:00

0
voti

[18] Re: Comandare un relè 12Vac da 24Vac

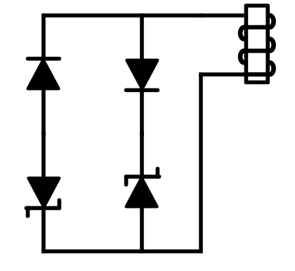
Messaggioda Foto UtenteAndrea973 » 14 giu 2020, 16:47

SediciAmpere ha scritto:Andrebbero messi in antiserie
Hai misurato la tensione ac sulla bobina?


Sì, ai capi della bobina/diodi.
Ci vorrebbero un Zener e un semplice diodo messi in antiserie e poi in antiparallelo per via della alternata dovrebbe essere così (per ogni relè oltretutto):
Allegati
Screenshot 2020-06-14 at 16.44.09.png
Screenshot 2020-06-14 at 16.44.09.png (15.76 KiB) Osservato 5104 volte
Avatar utente
Foto UtenteAndrea973
5 2
 
Messaggi: 6
Iscritto il: 11 giu 2020, 17:10

0
voti

[19] Re: Comandare un relè 12Vac da 24Vac

Messaggioda Foto Utenteedgar » 14 giu 2020, 20:29

La resistenza, per un impulso momentaneo come in questo caso, è più che sufficiente.
Quello che non c'è non si rompe
Avatar utente
Foto Utenteedgar
10,0k 4 5 8
Master
Master
 
Messaggi: 5229
Iscritto il: 15 set 2012, 22:59

Precedente

Torna a Elettronica generale

Chi c’è in linea

Visitano il forum: Nessuno e 194 ospiti