Cos'è ElectroYou | Login Iscriviti

ElectroYou - la comunità dei professionisti del mondo elettrico

mosfet che si saturano da soli

hi-fi, luci, suoni, effetti speciali, palcoscenici...

Moderatore: Foto UtenteIsidoroKZ

0
voti

[11] Re: mosfet che si saturano da soli

Messaggioda Foto Utentesetteali » 9 ago 2020, 17:54

pino81 ha scritto:
setteali ha scritto:Hai messo una resistenza da 2 milli Ohm ?
noo 2 mega ohm ....

Avevo intuito che fosse 2 MOhm, dovresti Pero' rivedere come si devono scrivere le unita' di misura, perche anche in precedenza hai scaz....to bene.
Alex
https://www.facebook.com/Elettronicaeelettrotecnica

<< vedi di pigliare arditamente in mano, il dizionario che ti suona in bocca,
se non altro è schietto e paesano.
(Giuseppe Giusti) <<
Avatar utente
Foto Utentesetteali
11,9k 5 5 9
Master
Master
 
Messaggi: 5921
Iscritto il: 15 dic 2013, 21:09

1
voti

[12] Re: mosfet che si saturano da soli

Messaggioda Foto Utentepgiagno » 9 ago 2020, 20:06

pino81 ha scritto:. . .ho preferito i MOS perché i transistor dovrebbero avere comunque un assorbimento alla base per andare on conduzione giusto?

Giusto.
pino81 ha scritto:. . . io ho usato gli irfz44n dite che con i MOS irl540 risolva..?


pino81 ha scritto:. . . con un solo mosfet il led che ha un assorbimento di 50 mA a 12V fa una luce troppo fioca. .

Con 5V al gate (nonostante il quello che dice il data sheet) il tuo mosfet non riesce a saturare. devi usarne uno "logic level".

Ciao,
P.
Avatar utente
Foto Utentepgiagno
503 3 7
Stabilizzato
Stabilizzato
 
Messaggi: 363
Iscritto il: 5 gen 2015, 21:27

0
voti

[13] Re: mosfet che si saturano da soli

Messaggioda Foto Utentepino81 » 9 ago 2020, 20:32

ok.. mi sà che provero con quei irl540,il punto è che non ne hò.. li dovrei ordinare, in ogni caso non erano neanche irfz44n ma irf740a che me li trovavo qui,comunque posto uno schizzo per rendere l'idea di quanto infima sia la corrente di pilotaggio che ho a disposizione,purtoppo quella cablatura è adibita ad accendere dei piccolissimi led SMD,io invece dovrei far accendere un tubicino luminoso
Allegati
schema sportelli.png
Avatar utente
Foto Utentepino81
189 1 3 6
Sostenitore
Sostenitore
 
Messaggi: 976
Iscritto il: 14 lug 2009, 17:13
Località: Biancavilla

0
voti

[14] Re: mosfet che si saturano da soli

Messaggioda Foto Utenteelfo » 9 ago 2020, 21:28

Avrei uno zillion di domande e osservazioni, ma una mi preme su tutte:

Cosa sono le linee blu, verdi e grigie nello schema pubblicato?
Avatar utente
Foto Utenteelfo
6.819 4 5 7
G.Master EY
G.Master EY
 
Messaggi: 2828
Iscritto il: 15 lug 2016, 13:27

0
voti

[15] Re: mosfet che si saturano da soli

Messaggioda Foto Utentepino81 » 9 ago 2020, 21:50

è il cablaggio che va ( credo) alla pulsantiera dell alzacristalli,quindi quello rosso è l'unico che dava una risposta all'accensione delle luci,poi ogni pulsantiera del mercedes ha una PCB e positivo comune cioè viene mudulato il negativo
Avatar utente
Foto Utentepino81
189 1 3 6
Sostenitore
Sostenitore
 
Messaggi: 976
Iscritto il: 14 lug 2009, 17:13
Località: Biancavilla

0
voti

[16] Re: mosfet che si saturano da soli

Messaggioda Foto Utenteelfo » 9 ago 2020, 22:04

Grazie per la risposta.
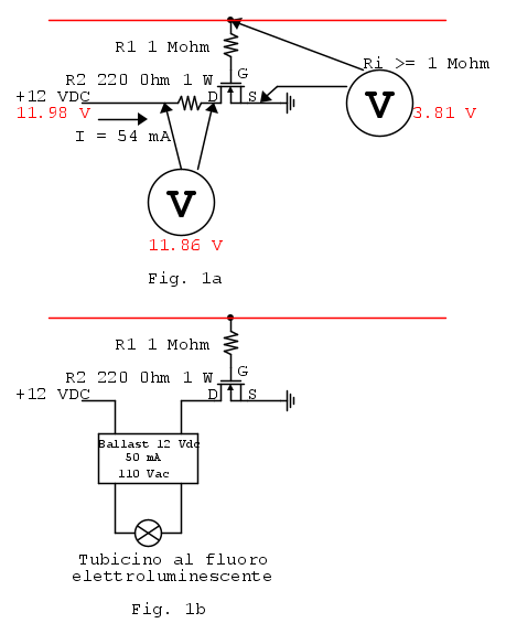
Prova a montare il circuito di figura (qualunque mosfet va bene) e fare le misure indicate
Il Voltmetro dovrebbe avere una resistenza di ingresso Ri >= 1 Mohm (qualunque tester da brico va bene - NON un tester analogico da 20 kohm/V)

Il circuito serve a verificare alcune ipotesi sul funzionamento del segnale presente sul filo rosso

Avatar utente
Foto Utenteelfo
6.819 4 5 7
G.Master EY
G.Master EY
 
Messaggi: 2828
Iscritto il: 15 lug 2016, 13:27

0
voti

[17] Re: mosfet che si saturano da soli

Messaggioda Foto Utentepino81 » 9 ago 2020, 22:12

ok domani ti farò sapere,che per ora sono fuori,grazie comunque per l'attenzione :ok:
Avatar utente
Foto Utentepino81
189 1 3 6
Sostenitore
Sostenitore
 
Messaggi: 976
Iscritto il: 14 lug 2009, 17:13
Località: Biancavilla

0
voti

[18] Re: mosfet che si saturano da soli

Messaggioda Foto Utentestefanopc » 9 ago 2020, 23:36

Io farei cosi se la tensione in ingresso è 0 o 5v dovrebbe andare bene.
Il transistor npn e il mosfet canale P ti permettono di usare la massa del veicolo e interrompere il positivo mentre col canale N dovresti portare il positivo e interrompere la massa .


Ciao
Avatar utente
Foto Utentestefanopc
13,3k 5 9 13
Master EY
Master EY
 
Messaggi: 5567
Iscritto il: 4 ago 2020, 9:11

0
voti

[19] Re: mosfet che si saturano da soli

Messaggioda Foto Utentepino81 » 10 ago 2020, 11:21

buon giorno, allora ho fatto il test che mi hai chiesto e la tensione misurata ai 2 punti è 11,86 volt ai capi di R2 e di 3,81volt tra filo rosso e massa vcc di 11,98/99 volt, stefano purtroppo non ho MOS pnp,già è tanto che avevo questi, comunque ho gia ordinato 4 irl540 sperando in tutti i casi di risolvere,
questo è il mio multimetro
Allegati
IMG_20200810_112957.png
Avatar utente
Foto Utentepino81
189 1 3 6
Sostenitore
Sostenitore
 
Messaggi: 976
Iscritto il: 14 lug 2009, 17:13
Località: Biancavilla

0
voti

[20] Re: mosfet che si saturano da soli

Messaggioda Foto Utenteelfo » 10 ago 2020, 12:40

Grazie per le misure.

In Fig. 1a sono riportati I valori delle misure.
Nel mosfet passano > 50 mA (ed il mosfet "satura" bene).

Cosa succede se monti il circuito di Fig. 1b?
Avatar utente
Foto Utenteelfo
6.819 4 5 7
G.Master EY
G.Master EY
 
Messaggi: 2828
Iscritto il: 15 lug 2016, 13:27

PrecedenteProssimo

Torna a Elettronica e spettacolo

Chi c’è in linea

Visitano il forum: Nessuno e 23 ospiti