Cos'è ElectroYou | Login Iscriviti

ElectroYou - la comunità dei professionisti del mondo elettrico

Alimentare piu carichi con Transistor

Elettronica lineare e digitale: didattica ed applicazioni

Moderatori: Foto Utentecarloc, Foto Utenteg.schgor, Foto UtenteBrunoValente, Foto UtenteIsidoroKZ

0
voti

[1] Alimentare piu carichi con Transistor

Messaggioda Foto Utentemaxiteris » 14 ago 2020, 22:02

Ciao a tutti,
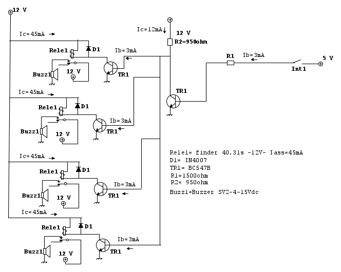
dato il seguente circuito che quando si chiude il contatto T1 attiva in buzzer tramite rele e stato ON del trasnsistor TR1:



Mi sono posto la seguente domanda: ma se con la stessa corrente in ingresso al transistor TR1 dovessi alimentare piu relè (per esempio 4 relè) che hanno una corrente di assorbimento di 45mA come potrei fare?

La prima risposta che mi è venuta in mente, premettendo che non sono esperto di elettronica di potenza ma dovendo avere una corrente di 200mA ( o anche piu a secondo del numero di rele) consiste nel sostituire al transistor BJT un transistor mosfet che sopporta correnti di drain di qualche Ampere.

La seconda risposta visto sempre che il transistor in questione ha come corrente massima continua di collettore 100mA consiste nel mettere due transistor BJT in cascata...come lo schema di seguito... ma non so se è corretto?!?
A voi ..scatenatevi :D

Avatar utente
Foto Utentemaxiteris
269 1 4 7
Sostenitore
Sostenitore
 
Messaggi: 702
Iscritto il: 11 apr 2012, 9:32

0
voti

[2] Re: Alimentare piu carichi con Transistor

Messaggioda Foto Utenteedgar » 14 ago 2020, 23:12

Prima ancora di rispondere alla tua domanda ne ho una io: che senso ha usare un relè da 45 mA per alimentare un buzzer da 15 mA???
Senza relè, con un solo transistor, puoi pilotare tranquillamente 4 buzzer in parallelo
Avatar utente
Foto Utenteedgar
10,0k 4 5 8
Master
Master
 
Messaggi: 5229
Iscritto il: 15 set 2012, 22:59

0
voti

[3] Re: Alimentare piu carichi con Transistor

Messaggioda Foto Utentemaxiteris » 14 ago 2020, 23:17

I buzzer erano stati messi solo per scopo dimostrativo quando si eccitano i rele. Puoi tranquillamente eliminare tutti i buzzer e andare avanti...
Avatar utente
Foto Utentemaxiteris
269 1 4 7
Sostenitore
Sostenitore
 
Messaggi: 702
Iscritto il: 11 apr 2012, 9:32

0
voti

[4] Re: Alimentare piu carichi con Transistor

Messaggioda Foto Utenteclaudiocedrone » 15 ago 2020, 2:57

:-) Non avrei voluto intervenire ma la curiosità ha preso il sopravvento :mrgreen:
1) Perché complicare le cose aggiungendo componenti invece di sceglierne uno solo in grado di pilotare tutti i carichi (presumo identici) in parallelo?
2) Sei conscio che nel secondo circuito che hai proposto la logica di funzionamento è invertita?
Ovvero i transistor "secondari" (potevi numerarli diversamente) conducono quando l'interruttore è aperto e il transistor "primario" è in interdizione, e quando chiudi l'interruttore il primo transistor andando in conduzione cortocircuita a ground le basi dei transistor "secondari"; è una cosa voluta?
"Non farei mai parte di un club che accettasse la mia iscrizione" (G. Marx)
Avatar utente
Foto Utenteclaudiocedrone
21,3k 4 7 9
Master EY
Master EY
 
Messaggi: 15302
Iscritto il: 18 gen 2012, 13:36

1
voti

[5] Re: Alimentare piu carichi con Transistor

Messaggioda Foto Utentedjnz » 15 ago 2020, 8:48

maxiteris ha scritto:mettere due transistor BJT in cascata...come lo schema di seguito... ma non so se è corretto?!?

L'idea non è sbagliata ma il problema è che le giunzioni BE dei transistor sarebbero quattro diodi in parallelo, e i diodi in parallelo non sono una buona idea a causa della dipendenza della tensione di conduzione dalla temperatura. In pratica se un transistor si scaldasse (molto) più degli altri, gli altri potrebbero non avere più sufficiente tensione sulla base per condurre bene. Ogni base vuole la sua resistenza.
Avatar utente
Foto Utentedjnz
1.590 1 4 7
Master
Master
 
Messaggi: 708
Iscritto il: 26 lug 2020, 14:52

0
voti

[6] Re: Alimentare piu carichi con Transistor

Messaggioda Foto Utenteedgar » 15 ago 2020, 10:40

maxiteris ha scritto:sostituire al transistor BJT un transistor mosfet che sopporta correnti di drain di qualche Ampere.

E' la soluzione più razionale, ricordati di scegliere un componente logic level
Avatar utente
Foto Utenteedgar
10,0k 4 5 8
Master
Master
 
Messaggi: 5229
Iscritto il: 15 set 2012, 22:59

0
voti

[7] Re: Alimentare piu carichi con Transistor

Messaggioda Foto Utentemaxiteris » 15 ago 2020, 10:49

claudiocedrone ha scritto:1) Perché complicare le cose aggiungendo componenti invece di sceglierne uno solo in grado di pilotare tutti i carichi (presumo identici) in parallelo?

Hai ragione ed questo il modo di progettare nel caso di una esigenza simile.

Detto questo però volendo perseguire la seconda strada

claudiocedrone ha scritto:2) Sei conscio che nel secondo circuito che hai proposto la logica di funzionamento è invertita?
Ovvero i transistor "secondari" (potevi numerarli diversamente) conducono quando l'interruttore è aperto e il transistor "primario" è in interdizione, e quando chiudi l'interruttore il primo transistor andando in conduzione cortocircuita a ground le basi dei transistor "secondari"; è una cosa voluta?

No, non ero conscio ma ci stavo arrivando considerando che il primo trasistor in saturazione ha la Vbe=0,6V e quindi i transistor sono sotto soglia di conduzione e sono non attivi. Avevo pensato allora di collegare i secondari a monte di R2 in modo da avere la tensione sulle base dei transistor secondari sopra la soglia ma in questo caso non vedo perche la corrente si dovrebbe limitare a 12mA ..come di seguito diciamo:



Si potrebbe allora anche se non è una bella cosa mettere tutto sull'emettitore e andremmo in logica diretta:



Ma rimane senpre il fatto di chi garantisce che la corrente totale sia 12mA (tralasciando per il momento il problema dei diodi in parallelo) voglio dire che la corrente di base su TRM ci dice sono che il transistor è TRM è in saturazione ma poi la corrente di collettore dipende dalla maglia di uscita e quindi credo che vada fatto lo studio della maglia di uscita e quindi per lo schema 3 sarebbe:



In questo modo però nel ramo di R2 non dovrebbe scorrerre corrente per gli altri rami sono in "corto-circuti"..

Torniamo allora allo schema di partenza che chiamiamo schema 1 :


da cui lo studia della maglia:


Ma in questo caso siamo in logica invertita.

Torniamo allora alo schema 2



In questo caso però io non riesco a limitare la corrente sul "primo" ramo a 12mA ...e se facessimo cosi con lo schema 4 (potremmo anche risolvere i diodi in parallelo..)



e quindi:




ci sto provando... :D
Avatar utente
Foto Utentemaxiteris
269 1 4 7
Sostenitore
Sostenitore
 
Messaggi: 702
Iscritto il: 11 apr 2012, 9:32

1
voti

[8] Re: Alimentare piu carichi con Transistor

Messaggioda Foto Utenteedgar » 15 ago 2020, 11:25

Con lo schema 2 bruci le giunzioni B-E dei transistor
Con lo schema 3 bruci le giunzioni B-E dei transistor e probabilmente pure il transistor pilota
Con lo schema 4 i transistor saranno sempre in saturazione
Avatar utente
Foto Utenteedgar
10,0k 4 5 8
Master
Master
 
Messaggi: 5229
Iscritto il: 15 set 2012, 22:59

0
voti

[9] Re: Alimentare piu carichi con Transistor

Messaggioda Foto Utentemaxiteris » 15 ago 2020, 11:45

E quindi lo schema 4 va bene in quanto TRM conduce quando l'interruttore a monte di R1 è chiuso...

A proposito.. buon Ferragosto!
Avatar utente
Foto Utentemaxiteris
269 1 4 7
Sostenitore
Sostenitore
 
Messaggi: 702
Iscritto il: 11 apr 2012, 9:32

0
voti

[10] Re: Alimentare piu carichi con Transistor

Messaggioda Foto UtenteChris1414 » 15 ago 2020, 11:47

Mi sembra che anche nello schema 2, da cui hai derivato il 4, rimani con la situazione per cui i BJT "secondari" sono in conduzione con l'interruttore aperto e tra l'altro non limiti la corrente
Avatar utente
Foto UtenteChris1414
198 1 4
Frequentatore
Frequentatore
 
Messaggi: 105
Iscritto il: 28 lug 2020, 1:12

Prossimo

Torna a Elettronica generale

Chi c’è in linea

Visitano il forum: Majestic-12 [Bot] e 54 ospiti