Trasformatore o condensatore ?
Moderatori:
carloc,
g.schgor,
BrunoValente,
IsidoroKZ
0
voti
Ma allora come si spiega che la porzione di schema che ho postato funziona ?
-

gianniniivo
9.035 7 11 13 - No Rank
- Messaggi: 2874
- Iscritto il: 5 feb 2019, 23:50
1
voti
gianniniivo ha scritto:Ma allora come si spiega che la porzione di schema che ho postato funziona ?
Togliamo ogni ambiguita' e partiamo dalle definizioni:
- Schema: quello nel post [1]
- Circuito: generatore di tensione negativa (C2, R2, D6, C3 ….) nello Schema
- Alimentatore: l'intero Schema
_________________________
- il Circuito funziona
- l'Alimentatore NON funziona
You are trying to put a "Square peg in a round hole"
0
voti
Beh, io ne ho costruiti 2 e funzionavano perfettamente, anche se non erano per me...
Ultima modifica di
gianniniivo il 16 ago 2020, 21:42, modificato 1 volta in totale.
-

gianniniivo
9.035 7 11 13 - No Rank
- Messaggi: 2874
- Iscritto il: 5 feb 2019, 23:50
1
voti
gianniniivo ha scritto:Due alimentatori di cui allo schema al punto 1.
OK.
Allora non sono stato sufficientemente chiaro nelle mie spiegazioni nei post precedenti.
Il problema dell'alimentatore e':
Il circuito (vedi definizione) genera una tensione negativa 0 (zero) in forma transiente (al momento dell'accensione) se al momento dell'accensione la semionda di rete e' positiva - traduzione: tiri su l'interruttore dell'alimentatore quando la semionda di rete e' nella fase positiva.
Quando il circuito genera una tensione negativa 0 l'operazionale non riceve la tensione negativa e l'alimentatore - sotto questa condizione - puo' generare in forma transiente (circa 10 ms - un semiperiodo di rete) la max tensione presente nel circuito (la tensione presente sul condensatore di livellamento).
Domande:
1) avevi capito che il problema era questo?
2) hai fatto dei test specifici:
2.1) tiro su l'interruttore quando la semionda di rete e' positiva
2.2) osservo il transiente con un oscilloscopio a memoria all'uscita dell'alimentatore
3) hai chiaro che fare i test per dimostrare che una cosa funziona e' una cosa impegnativa?
Ultima modifica di
elfo il 16 ago 2020, 22:07, modificato 1 volta in totale.
0
voti
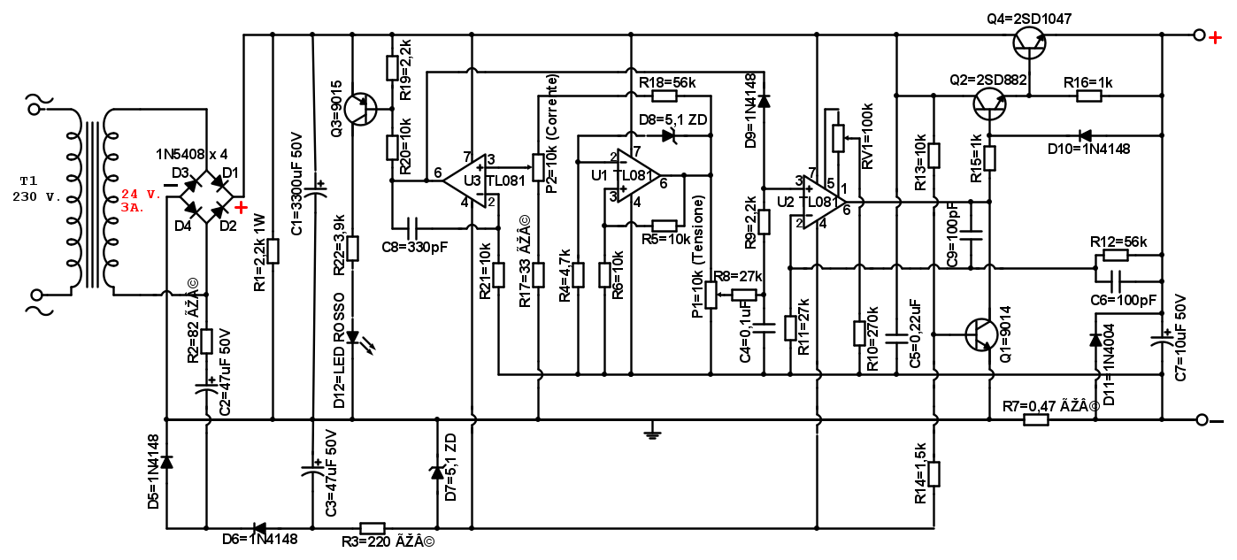
Il seguente è lo schema originale. Ti riferisci a questo?
-

gianniniivo
9.035 7 11 13 - No Rank
- Messaggi: 2874
- Iscritto il: 5 feb 2019, 23:50
0
voti
Elfo, non ho fatto nessun test di quel tipo. Ho acquistato i kit, li ho assemblati ed hanno funzionato subito.
Si tratta di un kit cinese che ho pagato 5 Euro, la tua insistenza si fonda su un'opinione, la mia sulla realtà, la discussione sta diventando inutile. Qui non ci sono dogmi, se vuoi toglierti il dubbio ti pubblico il link cinese, compri e vedi che funziona perfettamente, senza problemi. L'unica avvertenza è fare in modo che la tensione di alimentazione non superi quella massima degli integrati. Per precauzione, meglio stare un po' sotto oppure sostituire gli integrati con similari funzionanti a tensione maggiore. E' tutto.
Si tratta di un kit cinese che ho pagato 5 Euro, la tua insistenza si fonda su un'opinione, la mia sulla realtà, la discussione sta diventando inutile. Qui non ci sono dogmi, se vuoi toglierti il dubbio ti pubblico il link cinese, compri e vedi che funziona perfettamente, senza problemi. L'unica avvertenza è fare in modo che la tensione di alimentazione non superi quella massima degli integrati. Per precauzione, meglio stare un po' sotto oppure sostituire gli integrati con similari funzionanti a tensione maggiore. E' tutto.
-

gianniniivo
9.035 7 11 13 - No Rank
- Messaggi: 2874
- Iscritto il: 5 feb 2019, 23:50
Chi c’è in linea
Visitano il forum: Nessuno e 33 ospiti

Elettrotecnica e non solo (admin)
Un gatto tra gli elettroni (IsidoroKZ)
Esperienza e simulazioni (g.schgor)
Moleskine di un idraulico (RenzoDF)
Il Blog di ElectroYou (webmaster)
Idee microcontrollate (TardoFreak)
PICcoli grandi PICMicro (Paolino)
Il blog elettrico di carloc (carloc)
DirtEYblooog (dirtydeeds)
Di tutto... un po' (jordan20)
AK47 (lillo)
Esperienze elettroniche (marco438)
Telecomunicazioni musicali (clavicordo)
Automazione ed Elettronica (gustavo)
Direttive per la sicurezza (ErnestoCappelletti)
EYnfo dall'Alaska (mir)
Apriamo il quadro! (attilio)
H7-25 (asdf)
Passione Elettrica (massimob)
Elettroni a spasso (guidob)
Bloguerra (guerra)

