Grazie Sandro,
ho creato un log per capire e vedere quando accade. Ho scritto random proprio perché sembra che non ci sia nessuna condizione esterna apparente che influenza questo comportamento. Allo zener non ho mai pensato e credo che sarà una delle prossime modifiche!
Visto che ci siamo... cosa mi consigliate come oscilloscopio digitale? magari USB? per uso hobbystico!
A presto
PIC e ingressi analogici - rilevamento carico
Moderatore:
Paolino
19 messaggi
• Pagina 2 di 2 • 1, 2
1
voti
Lo zener da 5.1 v in parallelo all'ingresso può essere un problema...
Uno zener da 5.1 non ha un comportamento ideale.
Probabilmente gia a 4.5V comincia ad andare in conduzione se il segnale da misurare dovesse arrivare a questi valori potrebbe essere attenuato dallo zener.
Tornando ai sensori Allegro sulla mia auto elettrica ne sto usando due uno da 100A e uno da 5A bidirezionale e mi trovo benissimo mai nessun problema di disturbi e o letture fasulle.
Ciao
Uno zener da 5.1 non ha un comportamento ideale.
Probabilmente gia a 4.5V comincia ad andare in conduzione se il segnale da misurare dovesse arrivare a questi valori potrebbe essere attenuato dallo zener.
Tornando ai sensori Allegro sulla mia auto elettrica ne sto usando due uno da 100A e uno da 5A bidirezionale e mi trovo benissimo mai nessun problema di disturbi e o letture fasulle.
Ciao
600 Elettra
0
voti
In base a quanto sappiamo, la tensione non dovrebbe superare i 3 V, giustostefanopc ha scritto:Lo zener da 5.1 v in parallelo all'ingresso può essere un problema...
Uno zener da 5.1 non ha un comportamento ideale.
Probabilmente gia a 4.5V comincia ad andare in conduzione se il segnale da misurare dovesse arrivare a questi valori potrebbe essere attenuato dallo zener.
Riguardo al log, dovresti salvare ovviamente solo gli eventi anomali, mettendoti in una condizione nella quale non dovrebbe verificarsi un sopra-soglia, e lasciando lì il sistema a lavorare (se serve, anche per giorni).
-

SandroCalligaro
2.970 2 4 5 - G.Master EY

- Messaggi: 1181
- Iscritto il: 6 ago 2015, 19:25
0
voti
Esatto Sandro,
la tensione è sotto queste soglie di molto. Forse è questo il problema, tensione troppo bassa e basta poco per vedere qualche porcheria volante... Provo a cambiare lo shunt con uno più grosso che magari mi sposta un po più in su...
Grazie a tutti dei consigli
la tensione è sotto queste soglie di molto. Forse è questo il problema, tensione troppo bassa e basta poco per vedere qualche porcheria volante... Provo a cambiare lo shunt con uno più grosso che magari mi sposta un po più in su...
Grazie a tutti dei consigli
0
voti
Beh, dipende da quanto è bassa la soglia...
Uno shunt da 1 Ohm è già molto grande, per correnti fino a 3 A (finisce per dissipare 9 W)!
Solitamente si usano shunt "piccoli"+amplificatori.
Io sospetto che il campione "spurio" sia dovuto alla commutazione nel motore DC, e se così fosse non è detto che si risolva il problema con una tensione "utile" di poco più alta.
Uno shunt da 1 Ohm è già molto grande, per correnti fino a 3 A (finisce per dissipare 9 W)!
Solitamente si usano shunt "piccoli"+amplificatori.
Io sospetto che il campione "spurio" sia dovuto alla commutazione nel motore DC, e se così fosse non è detto che si risolva il problema con una tensione "utile" di poco più alta.
-

SandroCalligaro
2.970 2 4 5 - G.Master EY

- Messaggi: 1181
- Iscritto il: 6 ago 2015, 19:25
0
voti
grazie delle risposte... Ma Stefano: mi puoi dare qualche info in più per filtrare CLLC? come lo dimensiono?
1
voti
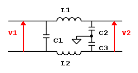
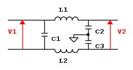
Puoi ispiratti a in un filtro emi come quello sotto.
Condensatori da 0.1uF uno a monte e uno a valle (non servono due con massa )delle induttanze.
Le induttanze accoppiate magneticamente le puoi fare con un piccolo toroide.
Avvolgi i due avvolgimenti in senso discorde, circa 20 di spire da1 mm.
Ciao
Condensatori da 0.1uF uno a monte e uno a valle (non servono due con massa )delle induttanze.
Le induttanze accoppiate magneticamente le puoi fare con un piccolo toroide.
Avvolgi i due avvolgimenti in senso discorde, circa 20 di spire da1 mm.
Ciao
600 Elettra
19 messaggi
• Pagina 2 di 2 • 1, 2
Torna a Realizzazioni, interfacciamento e nozioni generali.
Chi c’è in linea
Visitano il forum: Nessuno e 34 ospiti

Elettrotecnica e non solo (admin)
Un gatto tra gli elettroni (IsidoroKZ)
Esperienza e simulazioni (g.schgor)
Moleskine di un idraulico (RenzoDF)
Il Blog di ElectroYou (webmaster)
Idee microcontrollate (TardoFreak)
PICcoli grandi PICMicro (Paolino)
Il blog elettrico di carloc (carloc)
DirtEYblooog (dirtydeeds)
Di tutto... un po' (jordan20)
AK47 (lillo)
Esperienze elettroniche (marco438)
Telecomunicazioni musicali (clavicordo)
Automazione ed Elettronica (gustavo)
Direttive per la sicurezza (ErnestoCappelletti)
EYnfo dall'Alaska (mir)
Apriamo il quadro! (attilio)
H7-25 (asdf)
Passione Elettrica (massimob)
Elettroni a spasso (guidob)
Bloguerra (guerra)


