da
elfo » 23 ago 2020, 18:11
Provo a postare il mio pippone
Ipotesi iniziale: i diodi nei circuiti seguenti sono "ideali" con VD=0.6 V
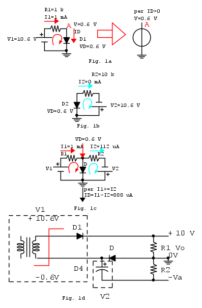
Osserviamo il circuito di Fig. 1a (a sx)
Per Thevenin e con ID > 0 il circuito puo' essere semplificato in un generatore di tensione da 0.6 V (corrente max erogabile = ID).
(nelle condizioni evidenziate qui sopra un circuito NON lineare (diodo) viene trasformato in un circuito lineare (generatore)).
Nel circuito di Fig. 1b il generatore e' "rovesciato" rispetto alla Fig. 1a - il diodo e' contropolarizzato (non scorre corrente).
Fondiamo in due circuiti 1a e 1b nel circuito di Fig. 1c.
Il diodo - per ipotesi iniziale di progetto - e' in conduzione (ID > 0) per cui nella maglia Dx del circuito (corrente celeste) scorre una corrente:

Nella maglia di dx scorre una corrente I2 finche' nel diodo scorre corrente - sono verificate contemporaneamente queste due condizioni:
-

-

Nella maglia di dx scorre la corrente I2 finche' scorre (puo' scorrere) la corrente ID nel diodo cioe':

Infine in Fig.1d c'e il circuito "originale" (con i soli componenti necessari e sufficienti alla rappresentazione del funzionamento) durante la semionda "positiva"
C'e' analogia con il circuito di Fig. 1c? (e' stata adottata la stessa nomenclatura dei componenti)