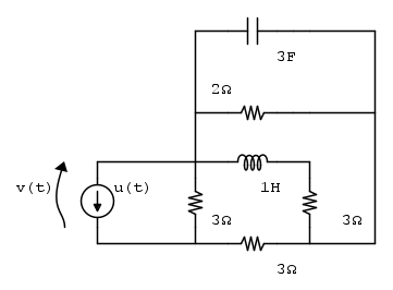
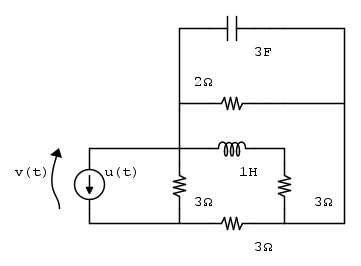
Trovare la tensione sul generatore per t>0
Moderatori:
g.schgor,
IsidoroKZ
22 messaggi
• Pagina 1 di 3 • 1, 2, 3
0
voti
Buongiorno a tutti, ho un problema con la risoluzione di questo circuito, vorrei sapere secondo voi qual è il metodo più furbo per risolverlo.
Non mi interessano i passaggi, quelli proverò a svolgerli io, volevo solo sapere se ci fosse un'alternativa al fare il parallelo di quelle impedenze e poi utilizzare Laplace per poi anti trasformare .
I numeri che ottengo mi fanno pensare che stia facendo dei calcoli inutili.
Grazie mille in anticipo per l'aiuto.
0
voti
Se u(t) è un generatore di corrente ( per me ha il simbolo di un generatore di tensione)
La V ai capi per t= 0+
vale u x ( 6 in parallelo a 3 ohm )
Sarà giusto ?
La V ai capi per t= 0+
vale u x ( 6 in parallelo a 3 ohm )
Sarà giusto ?
0
voti
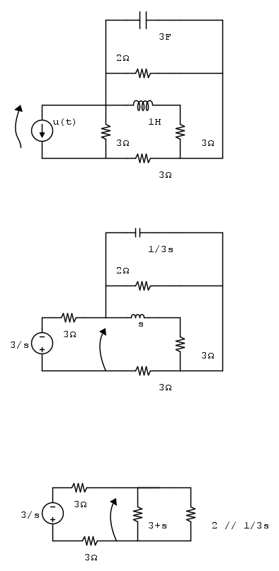
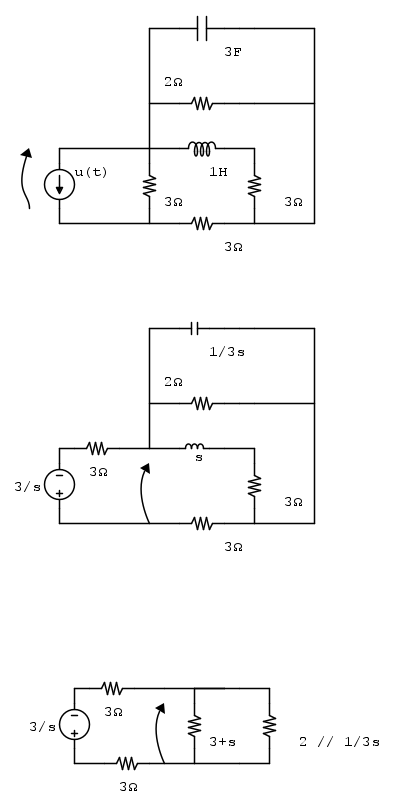
Scusatemi, mi sono accorto di aver commesso un errore nel disegno del circuito, vi riporto qui sotto la reale topologia del circuito (prima figura) , il passaggio nel dominio di Laplace e l'equivalente Thevenin (seconda figura) , semplificazione del circuito (terza figura).
Quella che originariamente era la tensione sul generatore di corrente ora è diventata la tensione ai capi di generatore di tensione in serie all resistenza, così come ho riportato in questi circuiti, giusto?
Quella che originariamente era la tensione sul generatore di corrente ora è diventata la tensione ai capi di generatore di tensione in serie all resistenza, così come ho riportato in questi circuiti, giusto?
0
voti
MarcoD ha scritto:Se u(t) è un generatore di corrente ( per me ha il simbolo di un generatore di tensione)
La V ai capi per t= 0+
vale u x ( 6 in parallelo a 3 ohm )
Sarà giusto ?
Non credo di aver capito cosa hai fatto, comunque è un generatore di corrente pari alla funzione gradino. Quindi vale 1A per t>0
0
voti
Cosa devi trovare?
-

PietroBaima
90,7k 7 12 13 - G.Master EY

- Messaggi: 12206
- Iscritto il: 12 ago 2012, 1:20
- Località: Londra
0
voti
PietroBaima ha scritto:Cosa devi trovare?
La v(t) per t>0 .
Il generatore di corrente vale u(t) ( la funzione di Heaviside)
2
voti
Se applico la regula falsi mi viene fuori questa roba (scusa ma sono col tablet in metro e ho dovuto fare al volo, non ho fidocadj qui):
Ho supposto una tensione di 1Vsecondo come tensione di Laplace sull’ultima impedenza a destra.
Non vengono conti difficili (ma controlla perché è facile che ne abbia sbagliato qualcuno).
Ciao
Pietro
Ho supposto una tensione di 1Vsecondo come tensione di Laplace sull’ultima impedenza a destra.
Non vengono conti difficili (ma controlla perché è facile che ne abbia sbagliato qualcuno).
Ciao
Pietro
-

PietroBaima
90,7k 7 12 13 - G.Master EY

- Messaggi: 12206
- Iscritto il: 12 ago 2012, 1:20
- Località: Londra
22 messaggi
• Pagina 1 di 3 • 1, 2, 3
Torna a Elettrotecnica generale
Chi c’è in linea
Visitano il forum: Google Adsense [Bot] e 58 ospiti

Elettrotecnica e non solo (admin)
Un gatto tra gli elettroni (IsidoroKZ)
Esperienza e simulazioni (g.schgor)
Moleskine di un idraulico (RenzoDF)
Il Blog di ElectroYou (webmaster)
Idee microcontrollate (TardoFreak)
PICcoli grandi PICMicro (Paolino)
Il blog elettrico di carloc (carloc)
DirtEYblooog (dirtydeeds)
Di tutto... un po' (jordan20)
AK47 (lillo)
Esperienze elettroniche (marco438)
Telecomunicazioni musicali (clavicordo)
Automazione ed Elettronica (gustavo)
Direttive per la sicurezza (ErnestoCappelletti)
EYnfo dall'Alaska (mir)
Apriamo il quadro! (attilio)
H7-25 (asdf)
Passione Elettrica (massimob)
Elettroni a spasso (guidob)
Bloguerra (guerra)






pigreco]=π
