Salve,qualcuno potrebbe darmi una mano a risolvere questo esercizio?in allegato la foto
Grazie mille
Esercizio elettronica
Moderatori:
carloc,
g.schgor,
BrunoValente,
IsidoroKZ
13 messaggi
• Pagina 1 di 2 • 1, 2
2
voti
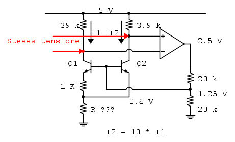
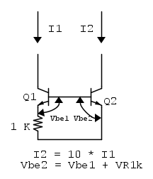
In figura ci sono i dati del problema e le "cose ovvie".
- Vt = 26 mV
- la resistenza da 1 k
'icche' ci stanno a fare?
- Vt = 26 mV
- la resistenza da 1 k
'icche' ci stanno a fare?
0
voti
Ok grazie,come mai I2=10*I1 e come ricavo I1 per determinare R?
-

Roswell1947
89 1 3 8 - Stabilizzato

- Messaggi: 438
- Iscritto il: 10 feb 2020, 16:39
1
voti
Roswell1947 ha scritto:Ok grazie,come mai I2=10*I1
vedi schema (l'OP-Amp e' in linearita')
Roswell1947 ha scritto:e come ricavo I1 per determinare R?
Vt = 26 mV ha un qualche significato?
0
voti
Dunque in R ci scorrono circa 11*I1 (trascurando le correnti di base), forse Vt entra in gioco nella maglia di Q1 Q2 e la resistenza di 1k?c'è qualche logaritmo in mezzo?
-

Roswell1947
89 1 3 8 - Stabilizzato

- Messaggi: 438
- Iscritto il: 10 feb 2020, 16:39
0
voti
Conosci la tensione applicata a Q1 e Q2, ma non sai i1, devi pensare a un semplice sistema di equazioni per trovare R (ma non nella maglia Q1, Q2)
-

lacoontfreed
140 1 1 3 - Frequentatore

- Messaggi: 100
- Iscritto il: 3 nov 2019, 8:20
2
voti
1) a lezione / sul libro non hai mai sentito / visto cosa e' Vt = 26 mV e perche'?
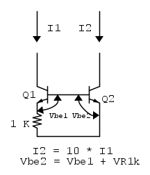
2) nello schema qui sotto vedi che la Vbe2 (0.65 V dato del problema) e' uguale alla somma della Vbe1 + VR1k.
Poiche' la I1 e' minore della I2 allora la Vbe1 e' minore della Vbe2 e quindi la R 1k serve a compensare tale differenza.
3) se tutto questo non ti aiuta prova a guardare:
https://coefs.uncc.edu/dlsharer/files/2012/04/C4.pdf
2) nello schema qui sotto vedi che la Vbe2 (0.65 V dato del problema) e' uguale alla somma della Vbe1 + VR1k.
Poiche' la I1 e' minore della I2 allora la Vbe1 e' minore della Vbe2 e quindi la R 1k serve a compensare tale differenza.
3) se tutto questo non ti aiuta prova a guardare:
https://coefs.uncc.edu/dlsharer/files/2012/04/C4.pdf
0
voti
Se pongo R1=1K allora R1*I1=Vbe2-Vbe1=Vt*ln(I2/I1)=Vt*ln(10)=Vt quindi ricavo I1=Vt/R1 unavolta che ho I1 conosco anche I2=10*I1 e quindi la corrnete che circola in R sara 11*I1.Quindi ricavo R =(1.25-0.65)/(11*I1).Cosa ne dite?Va bene?
-

Roswell1947
89 1 3 8 - Stabilizzato

- Messaggi: 438
- Iscritto il: 10 feb 2020, 16:39
0
voti
Vt lo avevo visto nella relazione corrente tensione di un diodo...o nelle equazioni ebers moll
-

Roswell1947
89 1 3 8 - Stabilizzato

- Messaggi: 438
- Iscritto il: 10 feb 2020, 16:39
13 messaggi
• Pagina 1 di 2 • 1, 2
Chi c’è in linea
Visitano il forum: Nessuno e 79 ospiti

Elettrotecnica e non solo (admin)
Un gatto tra gli elettroni (IsidoroKZ)
Esperienza e simulazioni (g.schgor)
Moleskine di un idraulico (RenzoDF)
Il Blog di ElectroYou (webmaster)
Idee microcontrollate (TardoFreak)
PICcoli grandi PICMicro (Paolino)
Il blog elettrico di carloc (carloc)
DirtEYblooog (dirtydeeds)
Di tutto... un po' (jordan20)
AK47 (lillo)
Esperienze elettroniche (marco438)
Telecomunicazioni musicali (clavicordo)
Automazione ed Elettronica (gustavo)
Direttive per la sicurezza (ErnestoCappelletti)
EYnfo dall'Alaska (mir)
Apriamo il quadro! (attilio)
H7-25 (asdf)
Passione Elettrica (massimob)
Elettroni a spasso (guidob)
Bloguerra (guerra)







