Buongiorno a tutti,
ho un dubbio che spero qualcuno possa dileguare.
In una palazzina in cui sono presenti due appartamenti con impianto citofonico distinto si ha la necessità di aprire l'unico portone di accesso mediante un'elettroserratura comandata da pulsanti presenti sugli apparecchi citofonici di ogni appartamento.
La situazione presente in ogni appartamento è la seguente: rete elettrica, contatore Enel, alimentatore urmet, apparecchio citofonico. Dovrei intercettare i 12 volt alternati di ogni alimentatore e portarli nel pulsante apriporta presente nell'apparecchio di ogni appartamento. Il mio dubbio nasce dal fatto che in questo modo mi troverei nella condizione di avere (nel caso peggiore di pressione contemporanea dell'apriporta nei due appartamenti) i due secondari posti in parallelo. Dando per scontato l'aver previsto correttamente l'eventuale condizione di parallelo tra i due secondari, potrei avere dei problemi essendo i due alimentatori posti sotto due distinti contatori e non collegati direttamente alla stessa linea elettrica?
Due impianti citofonici, un'elettroserratura
Moderatori:
sebago,
MASSIMO-G,
lillo,
Mike
16 messaggi
• Pagina 1 di 2 • 1, 2
0
voti
0
voti
Te la butto lì da ignorante (ho fatto una cosa analoga, anche se su unico contatore, nel mio caso dovevo pilotare 3 eletreovalvoleda3 termostati, facendo capo ad una caldaia sola) .
Sono 2 videocitofoni, che condividono solo la serratura?
Se metti due relè (azionati ognuno dal suo pulsante), questi alimentano direttamente la Serratura? L'unico inconveniente che vedo è che la serratura verrà alimentata da un solo contatore invece che da entrambi.
Sono 2 videocitofoni, che condividono solo la serratura?
Se metti due relè (azionati ognuno dal suo pulsante), questi alimentano direttamente la Serratura? L'unico inconveniente che vedo è che la serratura verrà alimentata da un solo contatore invece che da entrambi.
-

DavideChinelli
110 2 5 - Frequentatore

- Messaggi: 185
- Iscritto il: 7 feb 2018, 13:39
0
voti
L'idea del relé mi era balenata ma vorrei lasciare i due impianti il più separati possibile. Se un domani l'appartamento che fornisce l'alimentatore volesse rifare l'impianto del citofono non lascerebbe l'altro senza alimentazione all'elettroserratura. Il mio cruccio è relativo esclusivamente al collegamento in parallelo dei due alimentatori. Facendo una ricerca in rete i vecchi alimentatori urmet hanno al proprio interno un trasformatore con un primario e più secondari "puliti" pertanto il collegamento in parallelo sembrerebbe fattibile. La letteratura riporta che è possibile eseguire collegamenti in serie o parallelo di secondari di trasformatori i cui primari sono collegati alla stessa linea di alimentazione. Posso comunque considerare i due primari collegati alla stessa linea o la presenza dei contatori mi verrebbe a creare dei problemi? In caso affermativo di che natura?
0
voti
Capisco. Giustamente non vuoi rimetterci le mani un domani in cui le condizioni dell'impianto vadano modificate.
Di solito appunto ci sono le utenza condominiali apposta (e la parte citofonica viene alimentata da quel contatore), se ci sono due impianti divisi non saprei proprio come funziona un parallelo tra due alimentatori (ricordo che non sono del mestiere, ma un autodidatta appassionato che di lavoro fa tutt'altro).
A quel punto mi tiro indietro.
La mia idea sarebbe valida fino al momento in cui le condizioni non cambiano. Se anche il contatore dove si prende energia per la serratura fosse aperto, anche l'altra utenza non potrebbe aprire il a chi suona.
Di solito appunto ci sono le utenza condominiali apposta (e la parte citofonica viene alimentata da quel contatore), se ci sono due impianti divisi non saprei proprio come funziona un parallelo tra due alimentatori (ricordo che non sono del mestiere, ma un autodidatta appassionato che di lavoro fa tutt'altro).
A quel punto mi tiro indietro.
La mia idea sarebbe valida fino al momento in cui le condizioni non cambiano. Se anche il contatore dove si prende energia per la serratura fosse aperto, anche l'altra utenza non potrebbe aprire il a chi suona.
-

DavideChinelli
110 2 5 - Frequentatore

- Messaggi: 185
- Iscritto il: 7 feb 2018, 13:39
0
voti
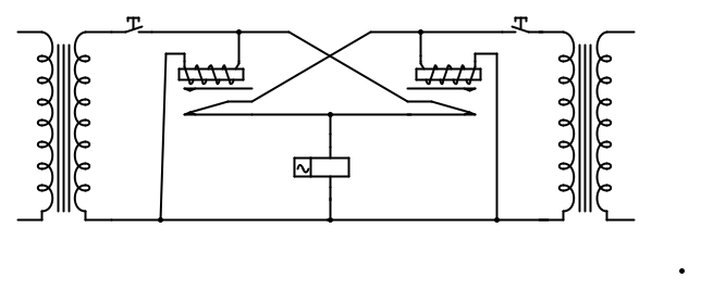
Si potrebbe pensare ad una cosa così:
Quando si preme un pulsante l'altro circuito viene scollegato, se si premono contemporaneamente vengono scollegati entrambi i circuiti. L'elettroserratura non scatta ma i trasformatori sono salvi
Quando si preme un pulsante l'altro circuito viene scollegato, se si premono contemporaneamente vengono scollegati entrambi i circuiti. L'elettroserratura non scatta ma i trasformatori sono salvi
0
voti
Ottimi consigli, ringrazio entrambe. Non appena avrò completato l'impianto aggiornerò il post.
0
voti
Salve ho un problema simile... Devo collegare 2 impianti citofonici distinti ad un unico parla ascolta... Avete uno schema?
1
voti
Krik22 ha scritto:Salve ho un problema simile... Devo collegare 2 impianti citofonici distinti ad un unico parla ascolta... Avete uno schema?
1) Il tuo problema è ben diverso, pertanto apri una discussione a parte
2) senza sapere marca/modello dei citofoni è impossibile aiutarti
0
voti
Scusami non riesco a trovare dove aprire la nuova conversazione
16 messaggi
• Pagina 1 di 2 • 1, 2
Torna a Impianti, sicurezza e quadristica
Chi c’è in linea
Visitano il forum: Nessuno e 80 ospiti

Elettrotecnica e non solo (admin)
Un gatto tra gli elettroni (IsidoroKZ)
Esperienza e simulazioni (g.schgor)
Moleskine di un idraulico (RenzoDF)
Il Blog di ElectroYou (webmaster)
Idee microcontrollate (TardoFreak)
PICcoli grandi PICMicro (Paolino)
Il blog elettrico di carloc (carloc)
DirtEYblooog (dirtydeeds)
Di tutto... un po' (jordan20)
AK47 (lillo)
Esperienze elettroniche (marco438)
Telecomunicazioni musicali (clavicordo)
Automazione ed Elettronica (gustavo)
Direttive per la sicurezza (ErnestoCappelletti)
EYnfo dall'Alaska (mir)
Apriamo il quadro! (attilio)
H7-25 (asdf)
Passione Elettrica (massimob)
Elettroni a spasso (guidob)
Bloguerra (guerra)








