Cos'è ElectroYou | Login Iscriviti

ElectroYou - la comunità dei professionisti del mondo elettrico

Quiz elettronico

Elettronica lineare e digitale: didattica ed applicazioni

Moderatori: Foto Utentecarloc, Foto Utenteg.schgor, Foto UtenteBrunoValente, Foto UtenteIsidoroKZ

3
voti

[1] Quiz elettronico

Messaggioda Foto UtenteIsidoroKZ » 6 ott 2020, 8:05

Visto che Foto Utentecarlomariamanenti (un nick piu` breve no?) fa i quiz di logica, io faccio quelli di elettronica! Questo quiz ha una introduzione abbastanza lunga, voglio spiegare bene i due circuiti in questione, la domanda arriva alla fine!

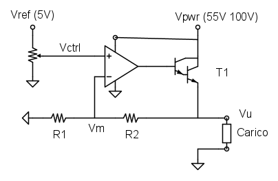
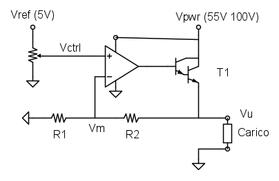
Questo quiz mi e` venuto in mente mentre preparavo le risposte sull'alimentatore di Foto Utentegianniniivo, che per un po' ha tenuto segreto il circuito del suo alimentatore. Non sapendo come fosse fatto, ho cominciato con il mostrare un circuito di principio che piu` o meno e` il seguente



Sono fatti cosi molti regolatori integrati tipo il 7805. Nel circuito originale avevo indicato con Vaux l'alimentazione dell'operazionale di controllo, ma non fa molta differenza. L'operazionale e T1 formano un "operazionale di potenza" che amplifica la tensione di riferimento del solito guadagno di tensione non invertente Vu=Vctrl x (1+R2/R1).

Si vede che il problema di questo circuito e` che l'operazionale deve poter erogare una tensione praticamente pari alla tensione di alimentazione (sarebbe bello anche qualcosa di piu`). Per regolatori a bassa tensione va benissimo, ma se si vuole salire di tensione l'operazionale si trova a lavorare con la tensione di ingresso e questo puo` essere impossibile da fare.

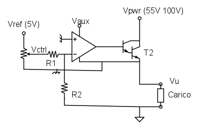
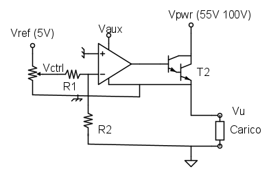
Praticamente tutti gli alimentatori,a partire da quelli da banco, usano una variante di questo circuito. Al posto di riferire il circuito di controllo al negativo dell'uscita, i circuiti di controllo, cioe` riferimento di tensione, amplificatore di errore, limitatore di corrente... vengono tutti riferiti all'uscita positiva dell'alimentatore, come si vede in questo schema



Edit: ho aggiunto un simbolo di "massa" per indicare il riferimento dell'elettronica e mostrare dove e` collegato l'ingresso non invertente dell'operazionale

ATTENZIONE, prima di leggere il resto del thread guardate l'errata corrige del messaggio [45]

Qui il generatore di tensione di riferimento (quella che ho chiamato 5V) e l'operazionale vengono alimentati da una tensione flottante di valore non troppo elevato (ad esempio 15V) e riferita all'uscita positiva, per cui si puo` fare uso di normali operazionali. L'operazionale e T2 formano il solito operazionale di potenza.

Per controllare la tensione di uscita si misura la tensione dell'uscita negativa e si fa un amplificatore invertente. La tensione di uscita Vu vale Vu=Vctrl x (R2/R1). Il segno meno non c'e` perche' all'uscita consideriamo il negativo come riferimento, ma, parola di boy scout (*) e` il solito amplificatore invertente.

In questo modo si riesce a salire di tensione senza dover usare per il controllo operazionali ad alta tensione (alcuni esistono, ma costano TANTO), si paga con il fatto che serve una alimentazione ausiliaria riferita alla tensione positiva dell'uscita.

E ora il quiz: considerate i due circuiti, e in particolare i due transistori di potenza: in quale configurazione lavorano T1 e T2? Per configurazione intendo common... .

Chissa` se Foto UtenteMarkyMark passa di qui, potrebbe piacergli, come pure a tutti gli analogici! Foto Utentecarloc e` escluso dal quiz, per lui e` troppo facile.

(*) non fidatevi: non ho mai fatto il boy scout in vita mia :D
Per usare proficuamente un simulatore, bisogna sapere molta più elettronica di lui
Plug it in - it works better!
Il 555 sta all'elettronica come Arduino all'informatica! (entrambi loro malgrado)
Se volete risposte rispondete a tutte le mie domande
Avatar utente
Foto UtenteIsidoroKZ
121,2k 1 3 8
G.Master EY
G.Master EY
 
Messaggi: 21059
Iscritto il: 17 ott 2009, 0:00

1
voti

[2] Re: Quiz elettronico

Messaggioda Foto Utenteelfo » 6 ott 2020, 8:20

IsidoroKZ ha scritto:Per configurazione intendo common... .

Emitter (nel secondo - e ultimo - circuito)

Nel primo: Collector
Avatar utente
Foto Utenteelfo
6.819 4 5 7
G.Master EY
G.Master EY
 
Messaggi: 2828
Iscritto il: 15 lug 2016, 13:27

0
voti

[3] Re: Quiz elettronico

Messaggioda Foto Utentestefanopc » 6 ott 2020, 8:35

Secondo me è un emitter follower o collettore comune in entrambi i casi fatto con due transistor npn in configurazione darlington. (T1 non lo vedo)

Per ridurre la caduta sui finali in alcuni regolatori serie si impiega un pnp al posto di un npn in configurazione emettitore comune.
Potrebbe essere interessante anche da sottoporre alla discussione sugli alimentatori lineari per vedere una evoluzione di questa tipologia di circuito.
Ciao
600 Elettra
Avatar utente
Foto Utentestefanopc
13,3k 5 9 13
Master EY
Master EY
 
Messaggi: 5567
Iscritto il: 4 ago 2020, 9:11

0
voti

[4] Re: Quiz elettronico

Messaggioda Foto Utentelelerelele » 6 ott 2020, 9:47

in entrambi i casi ho i collettori diretti ad alimentazione...
in entrambi i casi ho gli emettitori sul carico.....

anche per me lavorano entrambi come inseguitori di emettitore.

saluti.
Avatar utente
Foto Utentelelerelele
4.899 3 7 9
Master
Master
 
Messaggi: 5505
Iscritto il: 8 giu 2011, 8:57
Località: Reggio Emilia

2
voti

[5] Re: Quiz elettronico

Messaggioda Foto Utenteelfo » 6 ott 2020, 12:22

Provo a fare un (mezzo) ragionamento sul perche' IMHO - nel secondo schema di IsidoroKZ - il transistor (darlington) e' in configurazione common emitter (tenete presente che ragiono come magno :D ).

Consideriamo la Fig. 1a.

Credo che tutti si possa concordare che e' una configurazione emettitore comune.

La caratteristica di questo circuito e' che a fronte di una "piccola" variazione della Vbe (Vi) si ha una "grande" variazione della corrente di collettore (I). La (variazione della) corrente di collettore produce sulla resistenza R una tensione di uscita Vout.
Abbiamo cioe' un guadagno in tensione che dipende (anche) dal valore di R.

Guardiamo adesso la Fig. 1b.

Astraiamo per il momento dal circuito di ingresso e osserviamo la maglia di uscita.
La resistenza R e' posta sull'emettitore, ma la corrente che ci circola e' la stessa del circuito di Fig. 1a (trascuriamo la corrente di base).
Qundi la tensione ai suoi capi (Vout) e' uguale a quella di Fig. 1a, cioe' il guadagno nei due circuiti e' uguale.

Osserviamo adesso il circuito di Fig. 1c (estratto dal secondo circuito di IsidoroKZ) e chiedo:

- dove e' applicata la tensione di ingresso al circuito (tra quali elettrodi)?

- c'e' una qualche analogia tra i circuiti di Fig. 1a, 1b e 1c?

Avatar utente
Foto Utenteelfo
6.819 4 5 7
G.Master EY
G.Master EY
 
Messaggi: 2828
Iscritto il: 15 lug 2016, 13:27

0
voti

[6] Re: Quiz elettronico

Messaggioda Foto Utentestefanopc » 6 ott 2020, 14:34

Dico la mia... Opinione.
Consideriamo i circuiti dal punto di vista dinamico.
Per capire quale configurazione è presente bisogna considerare quale terminale è dinamicamente connesso a massa considerando i generatori di tensione e i condensatori come un corto.
In questa ottica i transistor di entrambi i circuiti hanno il solo collettore connesso a massa dinamica e andrebbero classificati collettore comune.
Ciao
600 Elettra
Avatar utente
Foto Utentestefanopc
13,3k 5 9 13
Master EY
Master EY
 
Messaggi: 5567
Iscritto il: 4 ago 2020, 9:11

0
voti

[7] Re: Quiz elettronico

Messaggioda Foto Utentegianniniivo » 6 ott 2020, 15:22

Rebus cognitis, quibus rebus... :mrgreen:
Avatar utente
Foto Utentegianniniivo
9.035 7 11 13
No Rank
 
Messaggi: 2874
Iscritto il: 5 feb 2019, 23:50

1
voti

[8] Re: Quiz elettronico

Messaggioda Foto Utenteelfo » 6 ott 2020, 16:34

Per il segnale l'alimentazione e' un corto circuito
Avatar utente
Foto Utenteelfo
6.819 4 5 7
G.Master EY
G.Master EY
 
Messaggi: 2828
Iscritto il: 15 lug 2016, 13:27

0
voti

[9] Re: Quiz elettronico

Messaggioda Foto UtenteChris1414 » 6 ott 2020, 18:26

Ma come lavora l'op amp in configurazione invertente se l'uscita non può avere valori più negativi del riferimento?

scusate i numerosi edit ma non ad esprimere bene il concetto
Ultima modifica di Foto UtenteChris1414 il 6 ott 2020, 18:52, modificato 5 volte in totale.
Avatar utente
Foto UtenteChris1414
198 1 4
Frequentatore
Frequentatore
 
Messaggi: 105
Iscritto il: 28 lug 2020, 1:12

0
voti

[10] Re: Quiz elettronico

Messaggioda Foto Utentestefanopc » 6 ott 2020, 18:28

Secondo me è cosi :D

Ciao
600 Elettra
Avatar utente
Foto Utentestefanopc
13,3k 5 9 13
Master EY
Master EY
 
Messaggi: 5567
Iscritto il: 4 ago 2020, 9:11

Prossimo

Torna a Elettronica generale

Chi c’è in linea

Visitano il forum: Nessuno e 288 ospiti