IlGuru ha scritto:Si ma l'oscillatore Hartley usa due induttori, la richiesta era "il gruppo oscillante deve essere composto da un'induttanza e un condensatore"
Giusto
ed infatti ho scritto "(più o meno)" ....
Moderatori:
carloc,
g.schgor,
BrunoValente,
IsidoroKZ
IlGuru ha scritto:Si ma l'oscillatore Hartley usa due induttori, la richiesta era "il gruppo oscillante deve essere composto da un'induttanza e un condensatore"
ed infatti ho scritto "(più o meno)" ....stefanopc ha scritto:Se devi misurare le induttanze ti suggerisco un articolo che potrebbe interessare![]()
![]()
![]()
https://www.electroyou.it/stefanopc/wik ... a-9-euro-4
Ciao.
piu completo) ...... grazie del linkstefanopc ha scritto:Prima usavo questo ma serve il frequenzimetro, la calcolatrice e una certa pazienza.
Se fai i collegamenti corti e usi condensatori adeguati misura anche pochissimi uH.


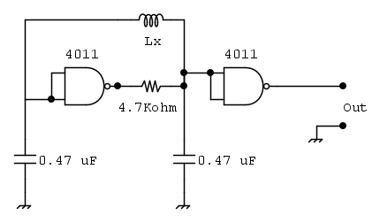
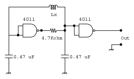
stefanopc ha scritto:Ottima idea la sintonia sulla induttanza.
Altrimenti potresti provare i varicap e fare un vco.
Col quarzo ci sono un sacco possibilità tra cui tutti quelli a singola induttanza a cui sostituire il quarzo.
Ciao buona sperimentazione.
Visitano il forum: Nessuno e 230 ospiti