Ciao a tutti, sto realizzando un prototipo, e mi necessita un convertitore step-up regolabile.
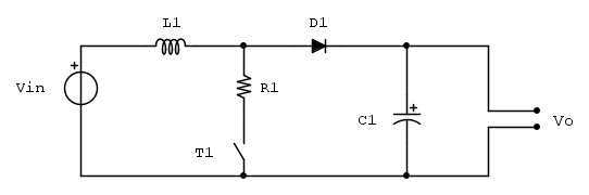
Partendo da questo schema:
i componenti hanno i seguenti valori:
L1 1mH
R1 2.4Ohm 5W
D1 1N5408
C1 330uF 200V
Vin 12V
L'induttore l'ho realizzato con un nucleo recuprato da vecchie apparecchiature ed un filo comune di sezione 0.5 che alla lettura del suo valore risulta essere circa 1mH.
Al posto dell'interruttore T1 ho realizzato un circuitino con un mosfet che chiude a massa il circuito.
Il mosfet a sua volta è pilotato da un micro, ma questo ha poca rilevanza, funzionerebbe anche con un 555 opportunamente configurato.
La mia domanda è questa:
nel momento in cui chiudo T1 l'induttore si carica con una corrente di 5A (V/R), nel momento in cui rilascio T1 la corrente va a caricare il condensatore, come posso determinare la tensione di uscita del circuito?
Tenendo conto che nel micro ho già impostato un timer a 50Hz in che modo posso sfruttarlo al fine di far funzionare il circuito?
Quale sarebbe il possibile carico massimo del circuito?
Lo so, quando si progetta qualcosa di solito non si punta ad un circuito alla buona, ma in questo caso me ne serve solo uno di convertitore DC-DC e quindi anche alla buona può andar bene.
Grazie per le risposte!
Convertitore DC-DC Step-UP
Moderatori:
carloc,
g.schgor,
BrunoValente,
IsidoroKZ
0
voti
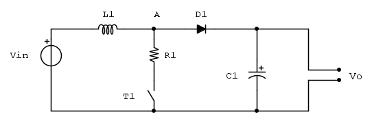
Sei sicuro che l'induttore possa tenere 5A senza saturare? Se hai un oscilloscopio, guarda la tensione del nodo fra R1 L1 e D1.
Per usare proficuamente un simulatore, bisogna sapere molta più elettronica di lui
Plug it in - it works better!
Il 555 sta all'elettronica come Arduino all'informatica! (entrambi loro malgrado)
Se volete risposte rispondete a tutte le mie domande
Plug it in - it works better!
Il 555 sta all'elettronica come Arduino all'informatica! (entrambi loro malgrado)
Se volete risposte rispondete a tutte le mie domande
0
voti
Purtroppo ho solo un semplice tester, ma misurando la sua resistenza (quella del filo) è di 0.4Ohm.
Ho deciso di mettere la resistenza da 2.4Ohm perché la frequenza di 50Hz mi sembra un po bassa e quindi in questo modo evito di far surriscaldare troppo l'induttore.
La tensione tra il nodo da te indicato e la massa dovrebbe essere di 10.28V
Ho deciso di mettere la resistenza da 2.4Ohm perché la frequenza di 50Hz mi sembra un po bassa e quindi in questo modo evito di far surriscaldare troppo l'induttore.
La tensione tra il nodo da te indicato e la massa dovrebbe essere di 10.28V
-

daniele1996
610 3 8 11 - Sostenitore

- Messaggi: 1554
- Iscritto il: 29 ago 2011, 11:29
0
voti
IsidoroKZ ha scritto:Sei sicuro che l'induttore possa tenere 5A senza saturare? Se hai un oscilloscopio, guarda la tensione del nodo fra R1 L1 e D1.
No, è la prima volta che mi relaziono con questo genere di circuiti
Quindi chiamiamolo punto "A"
-

daniele1996
610 3 8 11 - Sostenitore

- Messaggi: 1554
- Iscritto il: 29 ago 2011, 11:29
1
voti
La frequenza di quel circuito dovrebbe essere almeno 10kHz, quasti tutta la potenza va a scaldare solo la resistenza!
Per usare proficuamente un simulatore, bisogna sapere molta più elettronica di lui
Plug it in - it works better!
Il 555 sta all'elettronica come Arduino all'informatica! (entrambi loro malgrado)
Se volete risposte rispondete a tutte le mie domande
Plug it in - it works better!
Il 555 sta all'elettronica come Arduino all'informatica! (entrambi loro malgrado)
Se volete risposte rispondete a tutte le mie domande
0
voti
Ho un altro timer che non uso e posso impostarlo esattamente a quella frequenza, quindi non ci dovrebbero essere grossi problemi.
Ma una domanda: cosa ti ha fatto pensare che questo circuito richiede questa frequenza?
Ma una domanda: cosa ti ha fatto pensare che questo circuito richiede questa frequenza?
-

daniele1996
610 3 8 11 - Sostenitore

- Messaggi: 1554
- Iscritto il: 29 ago 2011, 11:29
0
voti
Ah ecco un'altra domanda: se ai capi del condensatore non collego nessun carico, c'è il rischio che la tensione aumenti fino alla tensione massima del condensatore?
-

daniele1996
610 3 8 11 - Sostenitore

- Messaggi: 1554
- Iscritto il: 29 ago 2011, 11:29
0
voti
Volendo potrei anche provalo per vedere cosa succede, ma prima di farlo preferirei avere in mano qualche calcolo...
-

daniele1996
610 3 8 11 - Sostenitore

- Messaggi: 1554
- Iscritto il: 29 ago 2011, 11:29
2
voti
Se non metti nessun carico... KABOOM il condensatore di uscita prima o poi esplode perche' la tensione cresce senza limiti, anche se mentre sale rallenta la velocita` di salita.
Con 12V di ingresso applicati su una induttanza da 1mH la corrente sale a 12mA/µs. Non ho notizie sul nucleo, a che corrente satura, supponiamo che la corrente di saturazione del nucleo sia 1A, che vuol dire che se chiudi l'interruttore per 83us la corrente sale a 1A. QUesto vuol dire che la frequenza piu` o meno potrebbe essere dalle parti qualche kilohertz. Anche un po' piu` alta di male non ne fa.
Supponiamo che l'induttanza possa tenere 5A senza saturare. Per arrivare a 5A ci mette circa (CIRCA, perche' c'e` la resistenza in serie) 500µs facciamo anche 1ms. Se lo comandi a 50Hz, ci mette 1ms a caricarsi e poi per 19ms, cioe` il 95% del tempo scaldi solo la resistenza.
Con 12V di ingresso applicati su una induttanza da 1mH la corrente sale a 12mA/µs. Non ho notizie sul nucleo, a che corrente satura, supponiamo che la corrente di saturazione del nucleo sia 1A, che vuol dire che se chiudi l'interruttore per 83us la corrente sale a 1A. QUesto vuol dire che la frequenza piu` o meno potrebbe essere dalle parti qualche kilohertz. Anche un po' piu` alta di male non ne fa.
Supponiamo che l'induttanza possa tenere 5A senza saturare. Per arrivare a 5A ci mette circa (CIRCA, perche' c'e` la resistenza in serie) 500µs facciamo anche 1ms. Se lo comandi a 50Hz, ci mette 1ms a caricarsi e poi per 19ms, cioe` il 95% del tempo scaldi solo la resistenza.
Per usare proficuamente un simulatore, bisogna sapere molta più elettronica di lui
Plug it in - it works better!
Il 555 sta all'elettronica come Arduino all'informatica! (entrambi loro malgrado)
Se volete risposte rispondete a tutte le mie domande
Plug it in - it works better!
Il 555 sta all'elettronica come Arduino all'informatica! (entrambi loro malgrado)
Se volete risposte rispondete a tutte le mie domande
Chi c’è in linea
Visitano il forum: Nessuno e 146 ospiti

Elettrotecnica e non solo (admin)
Un gatto tra gli elettroni (IsidoroKZ)
Esperienza e simulazioni (g.schgor)
Moleskine di un idraulico (RenzoDF)
Il Blog di ElectroYou (webmaster)
Idee microcontrollate (TardoFreak)
PICcoli grandi PICMicro (Paolino)
Il blog elettrico di carloc (carloc)
DirtEYblooog (dirtydeeds)
Di tutto... un po' (jordan20)
AK47 (lillo)
Esperienze elettroniche (marco438)
Telecomunicazioni musicali (clavicordo)
Automazione ed Elettronica (gustavo)
Direttive per la sicurezza (ErnestoCappelletti)
EYnfo dall'Alaska (mir)
Apriamo il quadro! (attilio)
H7-25 (asdf)
Passione Elettrica (massimob)
Elettroni a spasso (guidob)
Bloguerra (guerra)




