Buongiorno, premetto che sono un elettricista specializzato in palchi per concerti, in assenza di lavori per il blocco covid, sto mettendomi a posto la casa in campagna ma sono in difficoltà.
Abbiamo un appartamento in casa bifamiliare su 2 piani.
Impianto luce scale in cavi plasti piombo affogati in cemento.
3 pulsanti uno per piano
3 lampade
Relais passo passo.
I cavi dei pulsanti sono tutti indipendenti e fanno capo al relais.
Dato che i 2 appartamenti hanno una propria alimentazione enel vorrei che, se le luci sono accese dal 2 piano il prelievo avvenga dal ctr del 2piano e di conseguenza se accendo dal 1 piano consumo sul ctr 1 piano
Naturalmente a l pian terreno metterei due pulsanti per 1 e 2 piano.
Come posso fare?
Grazie.
Luce scale bifamiliare doppia alimentazione
Moderatori:
sebago,
MASSIMO-G,
lillo,
Mike
16 messaggi
• Pagina 1 di 2 • 1, 2
0
voti
0
voti
Questi adattamenti non mi piacciono, ci sono anche implicazioni di carattere normativo perché, ad esempio, non puoi togliere alimentazione al sistema di illuminazione da un solo punto(gli appartamenti sono due ma si trovano nel medesimo edificio).
Precisato questo, e qualcun altro potrà eventualmente scrivere qualcosa di più circostanziato, potresti realizzarlo con una semplice mutua esclusione.
Data questa indicazione, avresti idea di come realizzarla ?
Saluti
Precisato questo, e qualcun altro potrà eventualmente scrivere qualcosa di più circostanziato, potresti realizzarlo con una semplice mutua esclusione.
Data questa indicazione, avresti idea di come realizzarla ?
Saluti
W - U.H.F.
-

WALTERmwp
30,2k 4 8 13 - G.Master EY

- Messaggi: 8986
- Iscritto il: 17 lug 2010, 18:42
- Località: le 4 del mattino
0
voti
Servirebbe anche una telecamera di videosorveglianza al piano terra per evitare che i proprietari del piano 2 usino il pulsante riservato al piano 1 e viceversa. Ma con quale contatore la alimentiamo?
0
voti
Anche a mio avviso è più la spesa che l'impresa com'è vero, molto probabilmente, che chiunque potrebbe premere un pulsante qualunque.
Però, se @luca1962 immagina una cosa del genere, lo si può vedere insieme; poi lui valuterebbe come conciliare il suggerimento col cablaggio esistente.
Ma è bene ribadire quanto inopportuno sia alimentare con tensione di rete proveniente da due sorgenti diverse un impianto comune.
Saluti
p.s.
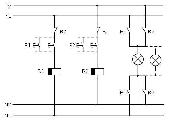
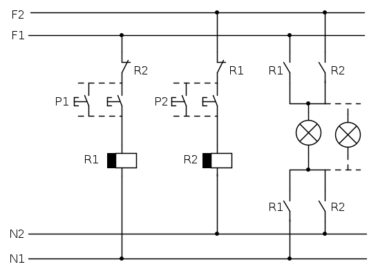
questo potrebbe essere un esempio a valenza generale
Però, se @luca1962 immagina una cosa del genere, lo si può vedere insieme; poi lui valuterebbe come conciliare il suggerimento col cablaggio esistente.
Ma è bene ribadire quanto inopportuno sia alimentare con tensione di rete proveniente da due sorgenti diverse un impianto comune.
Saluti
p.s.
questo potrebbe essere un esempio a valenza generale
W - U.H.F.
-

WALTERmwp
30,2k 4 8 13 - G.Master EY

- Messaggi: 8986
- Iscritto il: 17 lug 2010, 18:42
- Località: le 4 del mattino
0
voti
Ci vorrebbe anche un contatto ausiliario su uno dei due relè, che impedisca di eccitare la bobina del secondo quando attivo, per evitare che vengano unite le fasi dei due appartamenti se inavvertitamente venissero premuti entrambi i pulsanti
-

SediciAmpere
4.187 5 5 8 - Master

- Messaggi: 4847
- Iscritto il: 31 ott 2013, 15:00
0
voti
Comunque nel mio condominio ho una situazione molto simile, ci sono 3 appartamenti e c'è sempre stata una plafoniera con tre lampade alimentate ognuna da un appartamento e scatole 503 con tre pulsanti, ognuno dovrebbe accendere la propria lampada ma ovviamente tutti usano la mia perché è l'unica che funziona e probabilmente non si ricordano neanche più questo fatto
-

SediciAmpere
4.187 5 5 8 - Master

- Messaggi: 4847
- Iscritto il: 31 ott 2013, 15:00
0
voti
3 lampade LED di 10W l'una, accese 4 ore al giorno sono 10 euro annui.
Se i condomini non sono così "flessibili" da riconoscersi un forfettario le soluzioni che vedo sono:
a) fornitura separata: costa di più, ma d'altra parte se non si trovano d'accordo su 10 euro, oltre a questo così potresti alimentare altre utenze comuni: antenna, ecc ecc
b) porti due linee dei due contatori nel punto di origine dell'impianto luci scale e manualmente TU (e non altri) ogni anno commuti l'alimentazione (o la ricabli) con tanto di contratto manutenzione scritto.
Ogni altro aggrocchio lo eviterei.
Se i condomini non sono così "flessibili" da riconoscersi un forfettario le soluzioni che vedo sono:
a) fornitura separata: costa di più, ma d'altra parte se non si trovano d'accordo su 10 euro, oltre a questo così potresti alimentare altre utenze comuni: antenna, ecc ecc
b) porti due linee dei due contatori nel punto di origine dell'impianto luci scale e manualmente TU (e non altri) ogni anno commuti l'alimentazione (o la ricabli) con tanto di contratto manutenzione scritto.
Ogni altro aggrocchio lo eviterei.
Altrove. .Volutamente Anonimo
0
voti
Un fatto positivo può esserci nel ripartire il collegamento ai vari contatori
Avere un contatore dedicato solo per alimentare luce scale e magari centralina TV ha un costo spropositato in rapporto all'effettivo costo dell'energia consumata (verificare per credere)
K
Avere un contatore dedicato solo per alimentare luce scale e magari centralina TV ha un costo spropositato in rapporto all'effettivo costo dell'energia consumata (verificare per credere)
K
-

Kagliostro
6.396 4 5 7 - Master

- Messaggi: 4830
- Iscritto il: 19 set 2012, 11:32
16 messaggi
• Pagina 1 di 2 • 1, 2
Torna a Impianti, sicurezza e quadristica
Chi c’è in linea
Visitano il forum: Google Adsense [Bot] e 156 ospiti

Elettrotecnica e non solo (admin)
Un gatto tra gli elettroni (IsidoroKZ)
Esperienza e simulazioni (g.schgor)
Moleskine di un idraulico (RenzoDF)
Il Blog di ElectroYou (webmaster)
Idee microcontrollate (TardoFreak)
PICcoli grandi PICMicro (Paolino)
Il blog elettrico di carloc (carloc)
DirtEYblooog (dirtydeeds)
Di tutto... un po' (jordan20)
AK47 (lillo)
Esperienze elettroniche (marco438)
Telecomunicazioni musicali (clavicordo)
Automazione ed Elettronica (gustavo)
Direttive per la sicurezza (ErnestoCappelletti)
EYnfo dall'Alaska (mir)
Apriamo il quadro! (attilio)
H7-25 (asdf)
Passione Elettrica (massimob)
Elettroni a spasso (guidob)
Bloguerra (guerra)






