Salve a tutti, un mio lontano parente mi ha lasciato questo motore da montacarichi. Solo che i fili sono staccati e il motore non funziona. Volevo chiedere a voi esperti un consiglio su come collegare i fili.
Grazie mille a tutti.
Collegare fili su questo montacarichi?
Moderatori:
carloc,
g.schgor,
BrunoValente,
IsidoroKZ
17 messaggi
• Pagina 1 di 2 • 1, 2
0
voti
Un cavo su U1, e a seconda se alimenti V1 o W1 sale o scende.
Ha in condensatore per caso?
Perché ne ho uno simile, ma nel "telecomando" c'è dentro anche un condensatore, oltre al fungo di emergenza.
Dovresti avere un deviatore monostabile, dove entri con il comune (al centro del deviatore) e i due laterali li mandi a V1 e W1.
Il neutro diretto su U1.
Devo vedere poi come è collegato il condensatore nel mio montacarichi perché non ricordo di preciso. Ricordo solo che sono 4 fili, probabilmente si tratta di 2 condensatori nello stesso chassis
Ha in condensatore per caso?
Perché ne ho uno simile, ma nel "telecomando" c'è dentro anche un condensatore, oltre al fungo di emergenza.
Dovresti avere un deviatore monostabile, dove entri con il comune (al centro del deviatore) e i due laterali li mandi a V1 e W1.
Il neutro diretto su U1.
Devo vedere poi come è collegato il condensatore nel mio montacarichi perché non ricordo di preciso. Ricordo solo che sono 4 fili, probabilmente si tratta di 2 condensatori nello stesso chassis
-

DavideChinelli
110 2 5 - Frequentatore

- Messaggi: 185
- Iscritto il: 7 feb 2018, 13:39
0
voti
DavideChinelli ha scritto:Un cavo su U1, e a seconda se (...)
Davide sul deviatore ho il contatto comune che collego su U1,il contatto NC e il contatto NO. I fili però erano solo sul comune e su NC, devo aggiungere un altro filo su NO?
Ultima modifica di
WALTERmwp il 24 nov 2020, 22:25, modificato 1 volta in totale.
Motivazione: Ridotta citazione, la sua integrità rende poco leggibile il thread
Motivazione: Ridotta citazione, la sua integrità rende poco leggibile il thread
0
voti
Quello che hai messo è un finecorsa.
Serve per fermare il motore quando hai avvolto tutto il cavo.
Ti serve un deviatore con zero centrale (possibilmente monostabile): quando lo ladci va in posizione zero, cioè ferma il motore nel punto in cui ti trovi. Usando un deviatore civile avresti solo salita e discesa ma non la possibilità di fermare il motore.
Il mio deviatore ha 6 contatti ma ha anche il condensatore. Nel week end, se hai pazienza vedo di farmi uno schema elettrico del mio, faccio una foto e la uppo sul forum. Non chiedetemi di fare lo schema con fidocad che sto facendo tutto da cellulare (non ho PC disponibili in questo periodo).
Serve per fermare il motore quando hai avvolto tutto il cavo.
Ti serve un deviatore con zero centrale (possibilmente monostabile): quando lo ladci va in posizione zero, cioè ferma il motore nel punto in cui ti trovi. Usando un deviatore civile avresti solo salita e discesa ma non la possibilità di fermare il motore.
Il mio deviatore ha 6 contatti ma ha anche il condensatore. Nel week end, se hai pazienza vedo di farmi uno schema elettrico del mio, faccio una foto e la uppo sul forum. Non chiedetemi di fare lo schema con fidocad che sto facendo tutto da cellulare (non ho PC disponibili in questo periodo).
-

DavideChinelli
110 2 5 - Frequentatore

- Messaggi: 185
- Iscritto il: 7 feb 2018, 13:39
0
voti
Intanto ti lascio uno screenshot del deviatore che avevo comprato io all'epoca.
-

DavideChinelli
110 2 5 - Frequentatore

- Messaggi: 185
- Iscritto il: 7 feb 2018, 13:39
0
voti
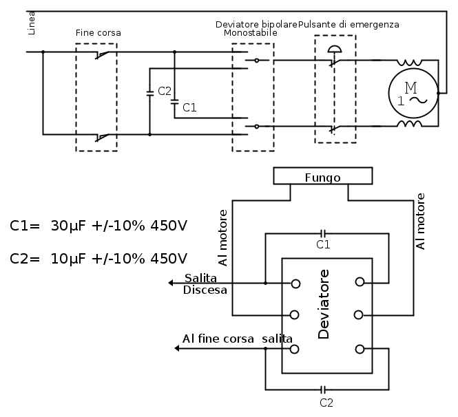
Ecco lo schema del mio verricello.
L'unica cosa dove sono in dubbio è la posizione dei contatti del deviatore bipolare monostabile, quindo ho aggiunto lo schema fisico dei collegamenti.
So che non ho usato né fido ad, né i simboli convenzionali.
Spero sia giusto e si capisca...
L'unica cosa dove sono in dubbio è la posizione dei contatti del deviatore bipolare monostabile, quindo ho aggiunto lo schema fisico dei collegamenti.
So che non ho usato né fido ad, né i simboli convenzionali.
Spero sia giusto e si capisca...
-

DavideChinelli
110 2 5 - Frequentatore

- Messaggi: 185
- Iscritto il: 7 feb 2018, 13:39
0
voti
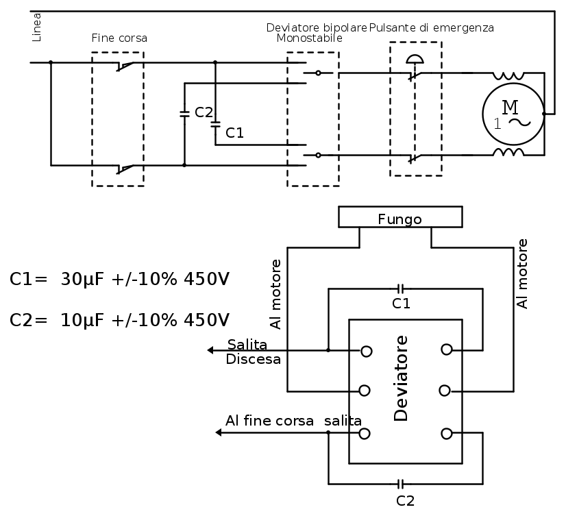
Ho provato io a mettere il disegno in Fidocadj guarda se è come lo hai pensato,
Ho disegnato i contatti del deviatore tutti aperti (NA) tu ne avevi disegnati due NC ma ciò
non poteva essere.
Se non va bene dimmelo
Ho disegnato i contatti del deviatore tutti aperti (NA) tu ne avevi disegnati due NC ma ciò
non poteva essere.
Se non va bene dimmelo
0
voti
Ciao gianni molto interessante. Potresti guardare anche l'altro mio post riguardante su come disegnare lo schema elettrico del motore a spazzole di un vecchio tagliaerba che ho trovato? Grazie mille.
17 messaggi
• Pagina 1 di 2 • 1, 2
Chi c’è in linea
Visitano il forum: Nessuno e 255 ospiti

Elettrotecnica e non solo (admin)
Un gatto tra gli elettroni (IsidoroKZ)
Esperienza e simulazioni (g.schgor)
Moleskine di un idraulico (RenzoDF)
Il Blog di ElectroYou (webmaster)
Idee microcontrollate (TardoFreak)
PICcoli grandi PICMicro (Paolino)
Il blog elettrico di carloc (carloc)
DirtEYblooog (dirtydeeds)
Di tutto... un po' (jordan20)
AK47 (lillo)
Esperienze elettroniche (marco438)
Telecomunicazioni musicali (clavicordo)
Automazione ed Elettronica (gustavo)
Direttive per la sicurezza (ErnestoCappelletti)
EYnfo dall'Alaska (mir)
Apriamo il quadro! (attilio)
H7-25 (asdf)
Passione Elettrica (massimob)
Elettroni a spasso (guidob)
Bloguerra (guerra)





