Avevo un bell'alimentatore autocostruito nella seconda metà del secolo scorso, seguendo questo
schema di Vittorio Crapella. Unica variante un MJ2955 anziché il MJ4502, perché quello avevo.
Mi ha seguito anche in questo secolo, con l'aggiunta di un voltmetro e amperometro digitale. Una chicca.
Stasera, mentre stavo facendo esperimenti a 5V ho visto con la coda dell'occhio il dsplay "danzare" sui 40V e un elettrolitico ha festeggiato l'avvenimento con un bel botto.
Da quel momento non si regolava più niente e in uscita avevo sempre 41V.
Prima di cambiare LM317 e MJ2955 ho dato un'occhiata al datasheet del LM317 e mi sono accorto che ha un Absolute Maximum Rating di 40V In-Out Diff. volt.
Temo di aver maltrattato il poveretto per tanti anni tenendolo al limite.
Quindi adesso ho un trasformatore+ponte raddrizzatore+elettrolitici che mi fornisce un 41V contiui e vorrei che mi suggeriste uno schema semplice come quello che ho implementato, magari con una protezione contro i corto circuiti, perché temo sia stato quello il motivo della dipartita.
Basterebbe anche sapere se esiste un regolatore che sopporta i 41V o un suggerimento per portare quella tensione intorno ai 35-37V. Mi spiacerebbe doverlo buttare, era un caro ricordo...
Grazie in anticipo.
Ciao,
P.
Resurrezione di un alimentatore autocostruito
Moderatori:
carloc,
g.schgor,
BrunoValente,
IsidoroKZ
0
voti
Nel link che hai indicato ci sono diversi schema e richiami a modifiche. Non mi è chiaro quale sia quello corrispondente alla tua realizzazione. Potresti essere più preciso? O magari disegnarlo con FidoCad?
-

gianniniivo
9.035 7 11 13 - No Rank
- Messaggi: 2874
- Iscritto il: 5 feb 2019, 23:50
0
voti
Scusate, avevo visto solo il primo schema.
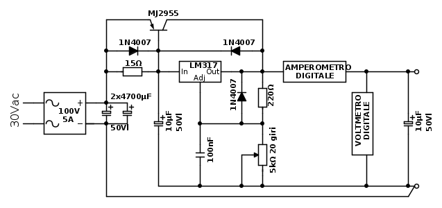
Il circuito è questo
In effetti credevo che il trasformatore fosse da 24 V, ma ora l'ho misurato e mi dà quasi 3iV!
Ciao,
P.
Il circuito è questo
In effetti credevo che il trasformatore fosse da 24 V, ma ora l'ho misurato e mi dà quasi 3iV!
Ciao,
P.
0
voti
Gli alimentatori basati sul classico LM317 col "rinforzino" [cit.] hanno più di un limite, inclusa la mancanza di una limitazione di corrente seria.
Se la tensione di partenza è quella indicata, dovresti usare un LM317HV, che arriva a 60V di differenza ingresso-uscita. Rimane sempre il problema della limitazione di corrente che si può in qualche modo attenuare, come in questa discussione.
Rimanendo sul semplice, potresti cambiare schema usando un classico uA723 come da datasheet che, seppur imprecisa, può offrire un minimo di limitazione in corrente, oppure cambiare completamente circuito, facendolo diventare un alimentatore serio.
Nell'ultimo caso puoi dare un'occhiata a queste discussioni
https://www.electroyou.it/forum/viewtopic.php?f=51&t=80582
https://www.electroyou.it/forum/viewtopic.php?f=51&t=80998
Se la tensione di partenza è quella indicata, dovresti usare un LM317HV, che arriva a 60V di differenza ingresso-uscita. Rimane sempre il problema della limitazione di corrente che si può in qualche modo attenuare, come in questa discussione.
Rimanendo sul semplice, potresti cambiare schema usando un classico uA723 come da datasheet che, seppur imprecisa, può offrire un minimo di limitazione in corrente, oppure cambiare completamente circuito, facendolo diventare un alimentatore serio.
Nell'ultimo caso puoi dare un'occhiata a queste discussioni
https://www.electroyou.it/forum/viewtopic.php?f=51&t=80582
https://www.electroyou.it/forum/viewtopic.php?f=51&t=80998
2
voti
pgiagno ha scritto:In effetti credevo che il trasformatore fosse da 24 V, ma ora l'ho misurato e mi dà quasi 3iV!
Una tensione immaginaria?
-

PietroBaima
90,7k 7 12 13 - G.Master EY

- Messaggi: 12206
- Iscritto il: 12 ago 2012, 1:20
- Località: Londra
0
voti
MI riferisco allo schema del post 4.
Una curiosità:
come viene alimentato l'amperometro digitale?
E ' possibile che sia connesso come indicato, ma penso sia probabile che sia collegato sul RTN della tensione erogata.

Una curiosità:
come viene alimentato l'amperometro digitale?
E ' possibile che sia connesso come indicato, ma penso sia probabile che sia collegato sul RTN della tensione erogata.

0
voti
Quanto al trasformatore credo fosse un elemento di recupero (bazzicavo mercatini surplus all'epoca) e ho sempre pensato che fosse a 24 V. Evidentemente mi sbagliavo anche perché la differenza da 24 a 30V non può essere giustificata dal passaggio della tensione primaria da 220 a 230-240V.
Non ricordo come ho alimentato Amperometro e voltmetro credo siano alimentati da un piccolo circuito indipendente (con riduttore a 5V) che preleva la continua dal raddrizzatore principale, perché l'amperometro necessita di alimentazione separata.
Ciao,
P.
Non ricordo come ho alimentato Amperometro e voltmetro credo siano alimentati da un piccolo circuito indipendente (con riduttore a 5V) che preleva la continua dal raddrizzatore principale, perché l'amperometro necessita di alimentazione separata.
Ciao,
P.
0
voti
Buon giorno Signori del Forum.
Ho letto la discussione con interesse e vorrei partecipare un po’ più fattivamente alla trattazione dell'argomento. Il mio precedente progetto con LM317, rievocato da
edgar, che ringrazio, ha subito delle modifiche (che ritengo interessanti) che ho omesso di segnalare come prosieguo della discussione originale e che provvederò ad integrare quanto prima possibile.
Chiedo di avere un po’ di pazienza perché non riesco a recuperare lo schema ma lo troverò e lo pubblicherò.
Consiglio a
pgiagno di non prendere decisioni affrettate perché lo schema che vorrei pubblicare potrebbe risultare interessante anche a lui, non discostandosi di molto dal suo progetto defunto. Ovviamente la tensione e la corrente erogate sono superiori a quelle da lui ottenute in precedenza (LM317HV) ma il progetto è talmente semplice e, tutto sommato, economico, che può essere benissimo realizzato su basetta mille fori. Sottolineo che il progetto è protetto contro i cortocircuiti ed dotato di limitazione di corrente in modo pressoché lineare.
Ritornerò in argomento appena possibile.

Ho letto la discussione con interesse e vorrei partecipare un po’ più fattivamente alla trattazione dell'argomento. Il mio precedente progetto con LM317, rievocato da
Chiedo di avere un po’ di pazienza perché non riesco a recuperare lo schema ma lo troverò e lo pubblicherò.
Consiglio a
Ritornerò in argomento appena possibile.

-

gianniniivo
9.035 7 11 13 - No Rank
- Messaggi: 2874
- Iscritto il: 5 feb 2019, 23:50
Chi c’è in linea
Visitano il forum: Majestic-12 [Bot] e 224 ospiti

Elettrotecnica e non solo (admin)
Un gatto tra gli elettroni (IsidoroKZ)
Esperienza e simulazioni (g.schgor)
Moleskine di un idraulico (RenzoDF)
Il Blog di ElectroYou (webmaster)
Idee microcontrollate (TardoFreak)
PICcoli grandi PICMicro (Paolino)
Il blog elettrico di carloc (carloc)
DirtEYblooog (dirtydeeds)
Di tutto... un po' (jordan20)
AK47 (lillo)
Esperienze elettroniche (marco438)
Telecomunicazioni musicali (clavicordo)
Automazione ed Elettronica (gustavo)
Direttive per la sicurezza (ErnestoCappelletti)
EYnfo dall'Alaska (mir)
Apriamo il quadro! (attilio)
H7-25 (asdf)
Passione Elettrica (massimob)
Elettroni a spasso (guidob)
Bloguerra (guerra)






pigreco]=π
