Circuiti zener di potenza equivalenti e regolabili
Moderatori:
carloc,
g.schgor,
BrunoValente,
IsidoroKZ
3
voti
Volevo aggiungere la mia
Quando progetto qualcosa e mi accorgo di avere bisogno di qualche componente stufa mi chiedo sempre se sia possibile riprogettare il tutto in modo tale per cui non abbia bisogno di buttare via tutta quella potenza, in modo da non avere bisogno di quel componente.
Ciao
Pietro
Quando progetto qualcosa e mi accorgo di avere bisogno di qualche componente stufa mi chiedo sempre se sia possibile riprogettare il tutto in modo tale per cui non abbia bisogno di buttare via tutta quella potenza, in modo da non avere bisogno di quel componente.
Ciao
Pietro
-

PietroBaima
90,7k 7 12 13 - G.Master EY

- Messaggi: 12206
- Iscritto il: 12 ago 2012, 1:20
- Località: Londra
3
voti
per cui non abbia bisogno di buttare via tutta quella potenza
Considera però che ora fa piuttosto freddo, quindi potrebbe venire comodo...
"Ogni cosa va resa il più possibile semplice, ma non ANCORA più semplice" (A. Einstein)
-

clavicordo
20,7k 6 11 12 - G.Master EY

- Messaggi: 1238
- Iscritto il: 4 mar 2011, 14:10
- Località: Siena
1
voti
1,25 V è la tensione minima dell'onnipresente LM317
Il TL431 parte dal doppio, 2,5V ma ha svariati cugini che possono arrivare a tensioni minime inferiori

Elidur ha scritto:vedo che il circuito utilizza un PnP e credo di non avere transistor di potenza di quel tipo mentre di NpN in TO3 ne ho parecchi
0
voti
Ciao Pietro, osservazione concettualmente ineccepibile e gli stimoli al miglioramento sono sempre meritevoli di riguardo.
Tuttavia devo fare due brevi considerazioni:
valutando il costo di quei componenti, sapendo che esiste un criterio per sostituirli ad un prezzo ragionevole, credo sia comunque un incentivo per acquisirne competenza, fosse anche come semplice motivo di studio, resta comunque un valore aggiunto e… non si sa mai...
Poi, per brevità non ho precisato che l’acquisto l’ho fatto per conto di un amico; ciò non ostante il prezzo mi ha stupito ed è stato anche spiacevole riferirlo. Ricordo inoltre che quel componente andava inserito in un impianto valvolare e la generazione di calore, tutto sommato, era parte di una scelta consapevole.
Passa più spesso dalle "mie parti", una buona giornata.
Ciao Edgar, ho quasi finito di lavorare e ho visto che hai una proposta alternativa. E’ interessante!
Tra una mezz’oretta farò una ricerca componenti poi, e se avrai tempo, potremo riparlarne.
Tuttavia devo fare due brevi considerazioni:
valutando il costo di quei componenti, sapendo che esiste un criterio per sostituirli ad un prezzo ragionevole, credo sia comunque un incentivo per acquisirne competenza, fosse anche come semplice motivo di studio, resta comunque un valore aggiunto e… non si sa mai...
Poi, per brevità non ho precisato che l’acquisto l’ho fatto per conto di un amico; ciò non ostante il prezzo mi ha stupito ed è stato anche spiacevole riferirlo. Ricordo inoltre che quel componente andava inserito in un impianto valvolare e la generazione di calore, tutto sommato, era parte di una scelta consapevole.
Passa più spesso dalle "mie parti", una buona giornata.
Ciao Edgar, ho quasi finito di lavorare e ho visto che hai una proposta alternativa. E’ interessante!
Tra una mezz’oretta farò una ricerca componenti poi, e se avrai tempo, potremo riparlarne.

1
voti
Buona idea!
La resistenza in serie al positivo direi che va tolta, sia perche' non serve a niente, sia perche' lo zener diventerebbe piu' reale e quindi con anche la sua resistenza serie.
In ogni caso forse va valutata anche la stabilità.
1
voti
Ho lasciato la resistenza serie per coerenza con lo schema originale ma se vogliamo uno "zener" va tolta.
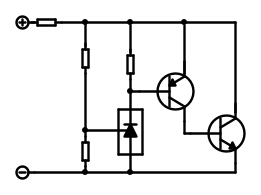
La configurazione è la classica del LM317 con BJT di supporto PNP + NPN
Per la stabilità lascio la parola agli esperti.
La configurazione è la classica del LM317 con BJT di supporto PNP + NPN
Per la stabilità lascio la parola agli esperti.
0
voti
Ho trovato un finale PNP, come da schema allegato, finale un po’ vecchiotto ma “muscoloso” e nuovo.
Ho anche collegato il tutto come da primo schema di Edgar ma dopo aver fatto un po’ di calcoli per le resistenze ho dovuto constatare che non funziona. Ho anche sostituito le resistenze con dei trimmer ma cambia poco. Con i trimmer si riesce a regolare qual cosina ma nel senso che si passa repentinamente da pochi mA a fuori scala amperometro da 5A.
Credo che il problema sia aver omesso di collegare una resistenza in ingresso, come previsto da Edgar. Non ho provato a collegarla ma se si omette quella resistenza lo zener più che una caduta di tensione provoca un corto, anche senza l'aggiunta di altri carichi.
Purtroppo non so come lo zener fosse polarizzato nel dispositivo originale e non posso riprodurlo neppure in parte. Ho collegato il circuito ad una batteria da 12V con ‘intenzione di ridurre la tensione a 7,5V ma come ho detto si verifica una specie di corto e pensandoci è anche normale un simile comportamento senza una resistenza di caduta. Sbaglio ?
Ho anche collegato il tutto come da primo schema di Edgar ma dopo aver fatto un po’ di calcoli per le resistenze ho dovuto constatare che non funziona. Ho anche sostituito le resistenze con dei trimmer ma cambia poco. Con i trimmer si riesce a regolare qual cosina ma nel senso che si passa repentinamente da pochi mA a fuori scala amperometro da 5A.
Credo che il problema sia aver omesso di collegare una resistenza in ingresso, come previsto da Edgar. Non ho provato a collegarla ma se si omette quella resistenza lo zener più che una caduta di tensione provoca un corto, anche senza l'aggiunta di altri carichi.
Purtroppo non so come lo zener fosse polarizzato nel dispositivo originale e non posso riprodurlo neppure in parte. Ho collegato il circuito ad una batteria da 12V con ‘intenzione di ridurre la tensione a 7,5V ma come ho detto si verifica una specie di corto e pensandoci è anche normale un simile comportamento senza una resistenza di caduta. Sbaglio ?
1
voti
Ma come lo stai collegando?
Se lo colleghi cosi in parallelo a un alimentatore ci sta che faccia 0 corto perche' la tensione la impone l'alimentatore
Devi metterlo in serie a qualcosa, ma questo anche se fosse uno zener normale.
Se lo colleghi cosi in parallelo a un alimentatore ci sta che faccia 0 corto perche' la tensione la impone l'alimentatore
Devi metterlo in serie a qualcosa, ma questo anche se fosse uno zener normale.
0
voti
Ciao Pioz, ci sono arrivato anch'io ma non ho ancora terminato e forse ci siamo. Devo ancora fare qualche prova poi disegnare lo schema e qualche riga di commento. quello che mi ha ingannato è stato accennare all'eliminazione della resistenza in serie al positivo... 
Chi c’è in linea
Visitano il forum: Google Adsense [Bot] e 242 ospiti

Elettrotecnica e non solo (admin)
Un gatto tra gli elettroni (IsidoroKZ)
Esperienza e simulazioni (g.schgor)
Moleskine di un idraulico (RenzoDF)
Il Blog di ElectroYou (webmaster)
Idee microcontrollate (TardoFreak)
PICcoli grandi PICMicro (Paolino)
Il blog elettrico di carloc (carloc)
DirtEYblooog (dirtydeeds)
Di tutto... un po' (jordan20)
AK47 (lillo)
Esperienze elettroniche (marco438)
Telecomunicazioni musicali (clavicordo)
Automazione ed Elettronica (gustavo)
Direttive per la sicurezza (ErnestoCappelletti)
EYnfo dall'Alaska (mir)
Apriamo il quadro! (attilio)
H7-25 (asdf)
Passione Elettrica (massimob)
Elettroni a spasso (guidob)
Bloguerra (guerra)

pigreco]=π




