Diagnosticare lo stato di un carico
Moderatore:
Paolino
29 messaggi
• Pagina 3 di 3 • 1, 2, 3
0
voti
Buon divertimento! Mi permetto solo di insistere nel suggerirti di provare uno shelly (iscriviti al forum shellyitalia)...ha potenzialità notevoli ed è facilissimo da gestire con molteplici funzionalità. (Ben inteso...non sono ne un rappresentante ne un distributore ne legato agli shelly in alcun modo)
0
voti
wizard ha scritto:GuidoB ho provato il tuo circuito di destra ma non funziona (almeno non come mi sarei aspettato). L'ho provato con un resistore di valore 68 ohm e con un 2N2222 al posto del BC337; il carico nel mio caso è rappresentato dal LED e da un resistore.
Sul collettore del transistor leggo una tensione molto bassa, che sicuramente non mi permetterebbe di diagnosticare il corretto stato del LED.
Hai messo una resistenza di pull-up sul collettore? 100 kΩ dovrebbero andar bene, se poi misuri la tensione con un tester digitale.
Devono passare almeno una decina di milliampere per poterli rilevare con la resistenza da 68 Ω che hai messo.
Big fan of ⋮ƎlectroYou! Ausili per disabili e anziani su ⋮ƎlectroYou
Caratteri utili: À È É Ì Ò Ó Ù α β γ δ ε η θ λ μ π ρ σ τ φ ω Ω º ª ² ³ √ ∛ ∜ ₀ ₁ ₂ ₃ ₄ ₅ ₆ ∃ ∄ ∆ ∈ ∉ ± ∓ ∾ ≃ ≈ ≠ ≤ ≥
Caratteri utili: À È É Ì Ò Ó Ù α β γ δ ε η θ λ μ π ρ σ τ φ ω Ω º ª ² ³ √ ∛ ∜ ₀ ₁ ₂ ₃ ₄ ₅ ₆ ∃ ∄ ∆ ∈ ∉ ± ∓ ∾ ≃ ≈ ≠ ≤ ≥
0
voti
Ciao
GuidoB, scusa se rispondo solo ora.
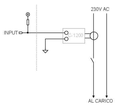
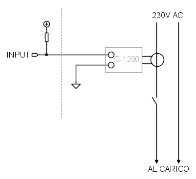
Se ho ben capito mi stai dicendo che il tuo circuito va modificato aggiungendo un resistore di 100 kohm sul collettore del transistor, ovvero di realizzare il seguente circuito.
Ho capito bene?
Se ho ben capito mi stai dicendo che il tuo circuito va modificato aggiungendo un resistore di 100 kohm sul collettore del transistor, ovvero di realizzare il seguente circuito.
Ho capito bene?
2
voti
Anticipo GuidoB, entro ora nella discussione e forse scrivo a sproposito.
Se ho ben capito, Guido aveva scritto di una resistenza di pullup per "tirare su " la tensione del collettore, in modo da leggerla (in fase di prova) se alta o bassa con un voltmetro in funzione dello stato interdetto o saturato del transistor.
Resistore da 100 kohm , non va in serie al collettore, ma va messo fra il collettore e la tensione di alimentazione.
Nel ci5rcuito , se l'ingresso digitale ha già la sua resistenza di pullup interna, la resistenza aggiunta non serve, ma non dovrebbe far male.

Se ho ben capito, Guido aveva scritto di una resistenza di pullup per "tirare su " la tensione del collettore, in modo da leggerla (in fase di prova) se alta o bassa con un voltmetro in funzione dello stato interdetto o saturato del transistor.
Resistore da 100 kohm , non va in serie al collettore, ma va messo fra il collettore e la tensione di alimentazione.
Nel ci5rcuito , se l'ingresso digitale ha già la sua resistenza di pullup interna, la resistenza aggiunta non serve, ma non dovrebbe far male.

0
voti
Grazie per la risposta
MarcoD.
In effetti mi pareva strano il suggerimento di aggiungere un resistore in quel modo.
Comunque sia, se ricordo bene, ho già provato in questo modo (non con un resistore di 100 K ma con qualcosa di simile) senza successo. Ad ogni modo proverò nuovamente con il resistore di valore suggerito. Grazie.
In effetti mi pareva strano il suggerimento di aggiungere un resistore in quel modo.
Comunque sia, se ricordo bene, ho già provato in questo modo (non con un resistore di 100 K ma con qualcosa di simile) senza successo. Ad ogni modo proverò nuovamente con il resistore di valore suggerito. Grazie.
0
voti
Leggo solo ora.
MarcoD, hai spiegato esattamente quello che intendevo, grazie.
Se l'ingresso del micro non ha configurato un pull-up interno, bisogna inserirlo esternamente con una resistenza "alta" (per esempio 100 kΩ) tra il collettore e la tensione di alimentazione del microcontrollore.
Dopo, leggendo la tensione sul collettore (tra collettore e massa) il valore dovrebbe essere molto basso (circa 200 mV) quando il carico è alimentato (cioè a LED acceso), e pari alla tensione di alimentazione del microcontrollore quando il carico non è alimentato (LED spento).
Se l'ingresso del micro non ha configurato un pull-up interno, bisogna inserirlo esternamente con una resistenza "alta" (per esempio 100 kΩ) tra il collettore e la tensione di alimentazione del microcontrollore.
Dopo, leggendo la tensione sul collettore (tra collettore e massa) il valore dovrebbe essere molto basso (circa 200 mV) quando il carico è alimentato (cioè a LED acceso), e pari alla tensione di alimentazione del microcontrollore quando il carico non è alimentato (LED spento).
Big fan of ⋮ƎlectroYou! Ausili per disabili e anziani su ⋮ƎlectroYou
Caratteri utili: À È É Ì Ò Ó Ù α β γ δ ε η θ λ μ π ρ σ τ φ ω Ω º ª ² ³ √ ∛ ∜ ₀ ₁ ₂ ₃ ₄ ₅ ₆ ∃ ∄ ∆ ∈ ∉ ± ∓ ∾ ≃ ≈ ≠ ≤ ≥
Caratteri utili: À È É Ì Ò Ó Ù α β γ δ ε η θ λ μ π ρ σ τ φ ω Ω º ª ² ³ √ ∛ ∜ ₀ ₁ ₂ ₃ ₄ ₅ ₆ ∃ ∄ ∆ ∈ ∉ ± ∓ ∾ ≃ ≈ ≠ ≤ ≥
0
voti
Ho riletto velocemente il 3D, alla fine l'obiettivo che riporti al post 15 è comandare carichi a 230V con dei relè e monitorarne lo stato.
Con il circuito di
GuidoB, peraltro interessante, intercetti i casi di pin di uscita o bobina del relè bruciati, ma non eventi molto più comuni come l'intervento di una protezione (magnetotermico, fusibile) o l'incollaggio del contatto del relè sulla linea dell'utilizzatore.
Per questo scopo il sensore che avevo proposto, sarebbe di semplice utilizzo: è basato su un TA, quindi la linea 230V non va nemmeno interrotta, basta far passare un conduttore attivo nel foro del nucleo, se il carico assorbe meno si 250mA è sufficiente fare più spire ed in uscita si ha un segnale digitale (quindi non serve ADC) relativo allo stato del carico:
i contro sono: la reperibilità (al tempo lo ho trovato solo negli USA) ed il costo (il sensore in se è sui 10$, ma se devi spedirlo in Italia...).
La butto lì: sul forum ci sono sicuramente le competenze per progettare qualcosa di analogo, quindi che abbia in ingresso il segnale di un piccolo TA e che dia in uscita un segnale digitale di tipo ON/OFF, magari con un trimmer per regolare la soglia di corrente, ma lascio la parola agli esperti..
Con il circuito di
Per questo scopo il sensore che avevo proposto, sarebbe di semplice utilizzo: è basato su un TA, quindi la linea 230V non va nemmeno interrotta, basta far passare un conduttore attivo nel foro del nucleo, se il carico assorbe meno si 250mA è sufficiente fare più spire ed in uscita si ha un segnale digitale (quindi non serve ADC) relativo allo stato del carico:
i contro sono: la reperibilità (al tempo lo ho trovato solo negli USA) ed il costo (il sensore in se è sui 10$, ma se devi spedirlo in Italia...).
La butto lì: sul forum ci sono sicuramente le competenze per progettare qualcosa di analogo, quindi che abbia in ingresso il segnale di un piccolo TA e che dia in uscita un segnale digitale di tipo ON/OFF, magari con un trimmer per regolare la soglia di corrente, ma lascio la parola agli esperti..
0
voti
Come già scritto in un messaggio precedente si potrebbe utilizzare un sensore effetto hall tipo acs712 allegro o simili
Hanno ottime prestazioni sia in Ac che in Dc sono facili da interfacciare con un micro perché hanno alimentazione singola 5V.
Si trovano in varie taglie da 5 fino a 30 A già montati su PCB con morsettiere e pin di collegamento pronti all'uso.
Altre tipologie fino a 200A e oltre.
https://www.ebay.it/itm/Sensore-corrent ... Swr0VfgLSg
Ciao
Hanno ottime prestazioni sia in Ac che in Dc sono facili da interfacciare con un micro perché hanno alimentazione singola 5V.
Si trovano in varie taglie da 5 fino a 30 A già montati su PCB con morsettiere e pin di collegamento pronti all'uso.
Altre tipologie fino a 200A e oltre.
https://www.ebay.it/itm/Sensore-corrent ... Swr0VfgLSg
Ciao
600 Elettra
29 messaggi
• Pagina 3 di 3 • 1, 2, 3
Torna a Realizzazioni, interfacciamento e nozioni generali.
Chi c’è in linea
Visitano il forum: Nessuno e 14 ospiti

Elettrotecnica e non solo (admin)
Un gatto tra gli elettroni (IsidoroKZ)
Esperienza e simulazioni (g.schgor)
Moleskine di un idraulico (RenzoDF)
Il Blog di ElectroYou (webmaster)
Idee microcontrollate (TardoFreak)
PICcoli grandi PICMicro (Paolino)
Il blog elettrico di carloc (carloc)
DirtEYblooog (dirtydeeds)
Di tutto... un po' (jordan20)
AK47 (lillo)
Esperienze elettroniche (marco438)
Telecomunicazioni musicali (clavicordo)
Automazione ed Elettronica (gustavo)
Direttive per la sicurezza (ErnestoCappelletti)
EYnfo dall'Alaska (mir)
Apriamo il quadro! (attilio)
H7-25 (asdf)
Passione Elettrica (massimob)
Elettroni a spasso (guidob)
Bloguerra (guerra)











