Cos'è ElectroYou | Login Iscriviti

ElectroYou - la comunità dei professionisti del mondo elettrico

Synchro "invertito"

Trasformatori, macchine rotanti ed azionamenti

Moderatori: Foto UtenteSandroCalligaro, Foto Utentemario_maggi, Foto Utentefpalone

1
voti

[1] Synchro "invertito"

Messaggioda Foto Utentecaesar753 » 23 gen 2021, 20:53

Ciao a tutti,

per la tesi sto studiando il funzionamento della girobussola (bussola elettrica che corregge l'indicazione del direzionale giroscopico) e mi trovo davanti ad un grosso problema.
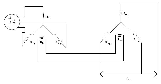
A lezione abbiamo studiato che la bussola elettrica/flux valve e il direzionale giroscopico sono collegati ciascuno al rotore di un synchro (https://en.wikipedia.org/wiki/Synchro), sugli statori si generano delle tensioni indotte che vengono comparate e viene quindi attuata la correzione del direzionale giroscopico tramite un motore; nel brevetto originale però le cose stanno un po' diversamente: la flux valve, che tira fuori una tensione trifase (ha tre bracci, ciascuno dei quali genera una tensione) è collegato allo statore di un "signal transformer" (in tutto e per tutto simile allo statore di un synchro), viene così generato un campo magnetico che induce una corrente sul rotore R_{tx}, che viene a sua volta passata al sistema di controllo ed amplificazione. Quello che mi chiedo è: un synchro può funzionare anche in modo invertito? ovvero posso alimentare lo statore del trasmettitore S_{tx}, generare una corrente indotta sul rotore del trasmettitore R_{tx} che viene trasmessa al rotore ricevitore R_{rx} e da qui generare delle f.e.m. indotte sullo statore del ricevitore S_{tx} per avere quindi una tensione in uscita comandata dalla tensione in ingresso del synchr trasmettitore, secondo questo schema?

Avatar utente
Foto Utentecaesar753
809 2 6 7
Expert
Expert
 
Messaggi: 577
Iscritto il: 4 giu 2011, 12:53
Località: Pisa

1
voti

[2] Re: Synchro "invertito"

Messaggioda Foto UtenteIsidoroKZ » 23 gen 2021, 22:55

Direi di si`, se entrambi i rotori sono bloccati nella stessa posizione meccanica.
Per usare proficuamente un simulatore, bisogna sapere molta più elettronica di lui
Plug it in - it works better!
Il 555 sta all'elettronica come Arduino all'informatica! (entrambi loro malgrado)
Se volete risposte rispondete a tutte le mie domande
Avatar utente
Foto UtenteIsidoroKZ
121,2k 1 3 8
G.Master EY
G.Master EY
 
Messaggi: 21059
Iscritto il: 17 ott 2009, 0:00

1
voti

[3] Re: Synchro "invertito"

Messaggioda Foto Utentecaesar753 » 24 gen 2021, 9:50

Ti ringrazio della risposta.
Cosa intendi con se entrambi i rotori sono bloccati nella stessa posizione meccanica? non devono essere liberi di ruotare?

Approfondisco il problema: di seguito gli schemi della girobussola, presi dal brevetto del 1945.
In questa figura c'è lo schema complessivo, con il componente 13 chiamato "Signal transformer" che, nella mia idea, dovrebbe essere il synchro trasmittente
fig_01.jpg
complessivo


In quest'altra immagine c'è lo schema di controllo ed amplificazione:

fig_11.jpg
control and amplifier


oltre a varia roba desueta (mi pare si possano vedere delle valvole termoioniche) il segnale va a finire su qualcosa che non comprendo bene, ovvero questo

fig_12.jpg
fig.12
fig_12.jpg (17.33 KiB) Osservato 17214 volte


Questa parte sarebbe sostituibile con un synchro ricevente, che riceve il segnale sul rotore e lo invia sui bracci dello statore, che a sua volta comanda le bobine di riallineamento del giroscopio (componenti 32 e 33 della prima figura)?

Grazie ancora!
Avatar utente
Foto Utentecaesar753
809 2 6 7
Expert
Expert
 
Messaggi: 577
Iscritto il: 4 giu 2011, 12:53
Località: Pisa

0
voti

[4] Re: Synchro "invertito"

Messaggioda Foto Utentecaesar753 » 24 gen 2021, 12:26

Aggiungo una informazione che ho notato poc'anzi: il rotore del Signal transformer, che dovrebbe essere il mio synchro trasmettitore è vincolato a ruotare solidalmente con l'asse del giroscopio.
Mi aspetterei nel sistema di controllo un altro synchro in ricezione che riceve sul rotore la tensione indotta sul rotore trasmittente e quindi induca delle fem sullo statore. Non riesco a capire se il rotore ricevente debba ruotare anch'esso e, se si, solidalmente a cosa...
Avatar utente
Foto Utentecaesar753
809 2 6 7
Expert
Expert
 
Messaggi: 577
Iscritto il: 4 giu 2011, 12:53
Località: Pisa

0
voti

[5] Re: Synchro "invertito"

Messaggioda Foto UtenteSandroCalligaro » 24 gen 2021, 16:28

caesar753 ha scritto:Cosa intendi con se entrambi i rotori sono bloccati nella stessa posizione meccanica? non devono essere liberi di ruotare?
Se la posizione del rotore del synchro non è forzata da qualcosa di esterno, il rotore potrebbe iniziare a ruotare, in presenza di campo rotante sullo statore.
Ovviamente, se la frequenza è troppo alta, la coppia e/o il movimento da causato da questa saranno trascurabili.
Avatar utente
Foto UtenteSandroCalligaro
2.970 2 4 5
G.Master EY
G.Master EY
 
Messaggi: 1181
Iscritto il: 6 ago 2015, 19:25

1
voti

[6] Re: Synchro "invertito"

Messaggioda Foto UtenteSandroCalligaro » 24 gen 2021, 16:43

Vediamo se ho capito qualcosa del primo schema che hai postato, quello con due synchro...
La connessione tra i due synchro dovrebbe garantire che, data la stessa corrente sullo statore, il rotore raggiunga l'equilibrio quando si trova nella stessa posizione dell'altro rotore.
Il primo synchro funziona da generatore e fa da riferimento (impone la posizione) all'altro.
Giusto? :-)
Avatar utente
Foto UtenteSandroCalligaro
2.970 2 4 5
G.Master EY
G.Master EY
 
Messaggi: 1181
Iscritto il: 6 ago 2015, 19:25

0
voti

[7] Re: Synchro "invertito"

Messaggioda Foto Utentecaesar753 » 24 gen 2021, 18:03

Ciao,

Grazie della risposta.

SandroCalligaro ha scritto:
caesar753 ha scritto:Cosa intendi con se entrambi i rotori sono bloccati nella stessa posizione meccanica? non devono essere liberi di ruotare?
Se la posizione del rotore del synchro non è forzata da qualcosa di esterno, il rotore potrebbe iniziare a ruotare, in presenza di campo rotante sullo statore.
Ovviamente, se la frequenza è troppo alta, la coppia e/o il movimento da causato da questa saranno trascurabili.


Si, giusto, ho capito: in questo caso il rotore del synchro trasmettitore è vincolato all'asse del giroscopio, quindi mi pare che il problema sia risolto

SandroCalligaro ha scritto:Vediamo se ho capito qualcosa del primo schema che hai postato, quello con due synchro...
La connessione tra i due synchro dovrebbe garantire che, data la stessa corrente sullo statore, il rotore raggiunga l'equilibrio quando si trova nella stessa posizione dell'altro rotore.
Il primo synchro funziona da generatore e fa da riferimento (impone la posizione) all'altro.
Giusto? :-)


Nel primo schema manca il fatto che il rotore del primo synchro, quello trasmettitore, ruota con l'asse del giroscopio, la rotazione è causata dalla fem indotta sul rotore trasmettitore, che non sarà più perpendicolare al campo magnetico generato dallo statore, questa fem viene trasmessa al rotore del synchro ricevitore (che a questo punto penso debba essere bloccato) che genera a sua volta una fem sullo statore del synchro ricevitore che aziona le bobine di allineamento del giroscopio che ruota e fa in modo che il rotore del synchro trasmettitore si rimetta perpendicolare al campo magnetico generatore dallo statore del synchro ricevitore.
Quando il rotore è perpendicolare, il flusso è zero quindi non c'è fem indotta sul rotore trasmettitore quindi nemmeno sul rotore ricevitore e quindi nemmeno sullo statore ricevitore e le bobine di allineamento risultano disalimentate.
Il ragionamento potrebbe tornare?
Avatar utente
Foto Utentecaesar753
809 2 6 7
Expert
Expert
 
Messaggi: 577
Iscritto il: 4 giu 2011, 12:53
Località: Pisa

5
voti

[8] Re: Synchro "invertito"

Messaggioda Foto Utentecarloc » 24 gen 2021, 18:57

Il sistema è un classico servomeccanismo di posizione angolare alla maniera del tempo che fù :roll:

Vedendo i disegni originali del brevetto mi sembra però che, a differenze del tuo schema iniziale, il pilotaggio dei syncro sia mono fase.
Una cosa del genere insomma al netto che nel tuo sistema la rotazione di ingresso \Theta_\text{i} è in realtà "simulata" dalle saturazioni dei nuclei della Flux-valve dovute al campo magnetico terrestre.



In una prima approssimazione alimentando il rotore del trasmettitore Rtx con una tensione alternata si ottiene al suo interno un campo magnetico orientato come la posizione del suo asse, \Theta_\text{i} nel disegno.

Questo induce nei tre statori secondari tre tensione, elettricamente in fase ma con valore massimo proporzionale al coseno dell'angolo di ciascun statore rispetto al campo del rotore. Dato che i tre statori secondari sono fisicamente ruotati di 120 gradi tra loro.

v_\text{R}=V_\text{S} \sin \omega t \, \cos(\Theta)
v_\text{S}=V_\text{S} \sin \omega t \, \cos(\Theta-2\pi/3)
v_\text{T}=V_\text{S} \sin \omega t \, \cos(\Theta+2\pi/3)

Vs sta a Vp come il rapporto di trasformazione del particolare syncro, in pratica li vendono con le loro specifiche, che so Vp=110V 400Hz, Vs=26V.

ATTENZIONE: non è una terna trifase nel senso comune del termine.
Se lo fosse le tensioni sarebbero sfasate nel "tempo" avremmo un campo magnetico rotante sincrono con la frequenza di rete e quello sarebbe un motore asincrono con rotore avvolto.

Invece il campo è sì rotante ma con l'angolo meccanico di ingresso, in pratica se non ruoto l'ingresso il campo è alternato per modulo (e verso) ma stazionario per direzione.
Quello che è una terna trifase (rispetto l'angolo meccanico) è l'inviluppo delle tre tensioni indotte ai secondari.

Il sistema è comunque equilibrato, anche senza collegamento di "neutro" i tre statori del syncro ricevente hanno ciascuno la rispettiva tensione di fase e nell'interno del syncro si genera una copia meccanicamente "orientata" del campo nel syncro trasmittente.


Il rotore del ricevitore è a sua volta posizionato in una certa posizione angolare \Theta_\text{r} ed ai suoi capi verrà indotta una tensione proporzionale al coseno dell'angolo tra la sua direzione e quella della copia del campo, nell'ipotesi che i rapporti di trasformazione dei due syncro siano uguali si avrebbe qualcosa tipo

v_\text{e}=V_\text{P} \sin \omega t \, \cos(\Theta_\text{i}-\Theta_\text{r})

Si potrebbe notare che in assenza di carico su Ve, cioè senza corrente nel rispettivo avvolgimento R_rx non ci sarà un campo di reazione generato da questo avvolgimento e di conseguenza nessuna coppia meccanica viene generata. \Theta_\text{r} viene imposto dall'esterno, è un ingresso del sistema.

Anche il rotore trasmittente non è in prima approssimazione soggetto a coppie meccaniche.

Facciamo infine un piccolo trucco, cambio di base, se ruotiamo opportunamente di 90 gradi il riferimento di \Theta_\text{r} possiamo scrivere

v_\text{e}=V_\text{P} \sin \omega t \, \sin(\Theta_\text{i}-\Theta_\text{R})

che tailorizzata al primo ordine

v_\text{e}=(\Theta_\text{i}-\Theta_\text{R})\,V_\text{P} \sin \omega t


realizza un ottimo nodo differenza per grandezze angolari.

Da questo realizzare un regolatore richiede solo un amplificatore ed un motore bifase


Infiniti altri dettagli sarebbero necessari... ma li lascio al lettore volenteroso :D :lol: :lol:
Se ti serve il valore di beta: hai sbagliato il progetto!
Avatar utente
Foto Utentecarloc
33,8k 6 11 13
G.Master EY
G.Master EY
 
Messaggi: 2153
Iscritto il: 7 set 2010, 19:23

1
voti

[9] Re: Synchro "invertito"

Messaggioda Foto Utentecaesar753 » 24 gen 2021, 20:36

Ti ringrazio Foto Utentecarloc, sei preziosissimo e chiarissimo, come sempre, mi hai fatto capire il meccanismo di funzionamento dei synchro molto meglio!
Tuttavia il mio quesito è un po' diverso: è possibile modificare il funzionamento dei synchro così come da me descritto nel post [7]? cerco di spiegarmi meglio (tra parentesi tonde i numeri dei componenti della figura di complessivo):
nella prima figura del brevetto originale si vede che lo statore (35) di quello che è chiamato Signal transformer (13) è collegato ai bracci della flux valve (anzi, delle flux valve) che generano una tensione a seconda dell'orientamento di queste rispetto al Nord magnetico, è possibile sfruttare queste tensioni statoriche per indurre una fem sul rotore(27), vincolato a ruotare con l'asse del giroscopio(29), in modo che se l'asse del rotore (27) non è perpendicolare al campo magnetico generato dallo statore(35) questo trasmetta questa fem al rotore di un altro signal transformer, presente all'interno del control amplifier(31) che a sua volta induce sul suo statore delle fem che alimenteranno le bobine di allineamento (32)-(33) del giroscopio , facendolo precessionare e riportando il primo rotore(27) perpendicolare al campo magnetico del primo rotore(35), interrompendo quindi anche le fem indotte sul secondo rotore e sul secondo statore presenti nel control amplifier(31) e diseccitando le bobine di allineamento (32)-(33)?
Avatar utente
Foto Utentecaesar753
809 2 6 7
Expert
Expert
 
Messaggi: 577
Iscritto il: 4 giu 2011, 12:53
Località: Pisa

5
voti

[10] Re: Synchro "invertito"

Messaggioda Foto Utentecarloc » 26 gen 2021, 0:46

caesar753 ha scritto:[...]
si vede che lo statore (35) di quello che è chiamato Signal transformer (13) è collegato ai bracci della flux valve (anzi, delle flux valve) che generano una tensione a seconda dell'orientamento di queste rispetto al Nord magnetico, è possibile sfruttare queste tensioni statoriche per indurre una fem sul rotore(27), vincolato a ruotare con l'asse del giroscopio(29), in modo che se l'asse del rotore (27) non è perpendicolare al campo magnetico generato dallo statore(35)
[...]

ok :D fino qui ti seguo, ma poi...
caesar753 ha scritto:[...]
questo trasmetta questa fem al rotore di un altro signal transformer, presente all'interno del control amplifier(31)
[...]

non credo proprio ci sia un secondo syncro nell'amplificatore, anche perché non vedo a quale angolo meccanico di ingresso potrebbe essere collegato.

Questo mi pare un amplificatore piuttosto convenzionale per i tempi
fig_11.jpg
fig_11.jpg (36.99 KiB) Osservato 17062 volte


Si vedono due valvole preamplificatrici, (151) e (152) un trasformatore di accoppiamento (154), due finali (156) e (157) e quello che sembra una specie di relay (166)ON-OFF-ON che alla bisogna attiva una delle due bobine di precessione .

La cosa da notare è che ci deve essere "nascosto" da qualche parte un raddrizzatore sincrono per estrarre l'informazione "fase" o "controfase" del segnale di errore.
Questo è generalmente fatto alimentando in AC le valvole finali, così da realizzare una sorta di mixer, un raddrizzatore sincrono appunto tra il segnale di errore amplificato e la "portante" a.k.a. l'alternata che alimenta il primario dei syncro.

Il trasformatore (159) è fortemente sospetto a riguardo anche se devo dire che il ponte (158) mi lascia un po' perplesso, non tanto per la notevole componente DC che interessa il primario di (159), quanto piuttosto per il fatto che raddrizzando ad onda intera in pratica si raddoppia la frequnza di rete perdendo l'informazione di fase richiesta ma... vabbè chissà :roll:
Se ti serve il valore di beta: hai sbagliato il progetto!
Avatar utente
Foto Utentecarloc
33,8k 6 11 13
G.Master EY
G.Master EY
 
Messaggi: 2153
Iscritto il: 7 set 2010, 19:23

Prossimo

Torna a Macchine elettriche

Chi c’è in linea

Visitano il forum: Nessuno e 35 ospiti