Cos'è ElectroYou | Login Iscriviti

ElectroYou - la comunità dei professionisti del mondo elettrico

feedback preamplificatore singolo BJT

Elettronica lineare e digitale: didattica ed applicazioni

Moderatori: Foto Utentecarloc, Foto Utenteg.schgor, Foto UtenteBrunoValente, Foto UtenteIsidoroKZ

0
voti

[1] feedback preamplificatore singolo BJT

Messaggioda Foto Utentedadduni » 30 gen 2021, 20:19

Salve a tutti,
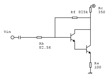
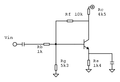
con le mie (purtroppo) scarse competenze in analogica, ho provato a disegnare un preamplificatore audio a BJT.

Tensione di alimentazione: 9V
Guadagno: 10
Impedenza di ingresso: non critica, qualche 100kohm
Beta minimo= 50

Ho buttato giù il seguente schema con i seguenti calcoli.

Assunzioni fatte:
V_{Re}=1V
V_{ce}= 4.5V
I_c = 10mA

Di conseguenza:
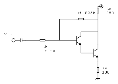
R_c = \frac{9V-5.5V}{10m}=350

R_e= \frac{1V}{10m}=100

V_b = V_{be} + V_{Re}=2.2V

I_{Rf}=Ib= Ic/ \beta^2= 4uA

Rf= \frac{5.5-2.2}{4u}=825k

Per il guadagno 10 ho scelto Rb 10 volte più piccola di Rf (se il guadagno dell'elemento attivo è sufficientemente alto dovrebbe essere una buoa approssimazione, no?)

Con la resistenza di emettitore, e il feedback negativo io mi aspettavo una bassa dipendenza dal beta, invece la simulazione STEP di LtSpice mostra un disastro.
La situazione si risolve magicamente se diminuisco di un fattore 10 sia Rf che Rb e la dipendenza da Beta quasi scompare.

Qualcuno sa segnalarmi l'errore nei calcoli e come avrei dovuto affrontare il problema in maniera corretta?
Grazie a chi vorrà rispondere,
Davide
Avatar utente
Foto Utentedadduni
2.073 2 7 12
Expert EY
Expert EY
 
Messaggi: 1370
Iscritto il: 23 mag 2014, 16:26

0
voti

[2] Re: feedback preamplificatore singolo BJT

Messaggioda Foto UtenteEnChamade » 31 gen 2021, 1:48

Ciao,
un primo commento così a caldo è che forse 1 V in emettitore è un po' pochino. Tipicamente si dovrebbero lasciare almeno 2 o 3 Vbe sul resistore di emettitore.

Ho un paio di domande:
1) C'è un motivo per cui hai scelto la rete di polarizzazione con retroazione da collettore, che per altro tende ad abbassare la resistenza (dinamica) d'ingresso (in realtà poi Re tende invece ad alzarla, quindi bisognerebbe fare il conto di cosa succede)?
2) Perché hai deciso di utilizzare un Darlington?
3) La resistenza di Rb fa da partitore con la R d'ingresso vista dentro la base del Darlington. Motivo? Non ne vedo il senso.
4) La corrente di polarizzazione come l'hai decisa?
Avatar utente
Foto UtenteEnChamade
6.498 2 8 12
G.Master EY
G.Master EY
 
Messaggi: 588
Iscritto il: 18 giu 2009, 12:00
Località: Padova - Feltre

2
voti

[3] Re: feedback preamplificatore singolo BJT

Messaggioda Foto UtenteIsidoroKZ » 31 gen 2021, 3:02

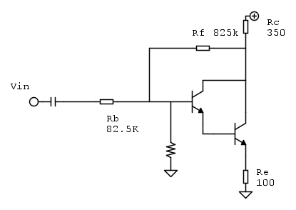
Una cosa che certamente non va per l'amplificazione e per la retroazione e` la resistenza di emettitore. In quella configurazione l'amplificatore, senza retroazione, guadagna circa -3 e qualcosa. Aggiungendo una retroazione negativa il guadagno non puo` venire -10!

Devi mettere come minimo un condensatore in parallelo alla resistenza di emettitore.

Quel circuito, per la polarizzazione non e` proprio il massimo: e` vero che ci sono due anelli di retroazione in continua, ma non va bene lo stesso perche' stai sfruttando il beta del transistore per definire il punto di lavoro.

Detto in modo semplice, il beta di un transistore non deve MAI ESSERE USATO, IN NESSUN CASO PER NESSUN MOTIVO! come dice nella sua firma uno che l'elettronica la sa davvero, Foto Utentecarloc, Se ti serve il valore di beta: hai sbagliato il progetto!

Il solo valore di beta che serve e`quello minimo, e serve proprio per toglierselo dai piedi! Se vuoi migliorare quel progetto, mantenendo la doppia retroazione, aggiungi una resistenza in questo modo



e fai in modo che in Rf e la resistenza aggiunta passi una corrente molto maggiore della corrente di base, worst case (ecco dove entra il beta minimo).

Inoltre metti sempre le unita` di misura nelle formule numeriche, e se vuoi fare proprio il figo, le unita` di misura scrivile in tondo, ad esempio 5\text{mA} che da` 5\text{mA}, mentre per gli ohm il simbolo e` \Omega, quindi ad esemio 825\text{k}\Omega e ottieni 825\text{k}\Omega
Per usare proficuamente un simulatore, bisogna sapere molta più elettronica di lui
Plug it in - it works better!
Il 555 sta all'elettronica come Arduino all'informatica! (entrambi loro malgrado)
Se volete risposte rispondete a tutte le mie domande
Avatar utente
Foto UtenteIsidoroKZ
121,2k 1 3 8
G.Master EY
G.Master EY
 
Messaggi: 21059
Iscritto il: 17 ott 2009, 0:00

0
voti

[4] Re: feedback preamplificatore singolo BJT

Messaggioda Foto UtenteEcoTan » 31 gen 2021, 8:22

dadduni ha scritto:Ho buttato giù il seguente schema con i seguenti calcoli.

Secondo me hai pensato agli operazionali.
Naturalmente condivido quanto ti è stato già risposto, il darlington comunque non è necessario.
Avatar utente
Foto UtenteEcoTan
7.720 4 12 13
Expert EY
Expert EY
 
Messaggi: 5422
Iscritto il: 29 gen 2014, 8:54

0
voti

[5] Re: feedback preamplificatore singolo BJT

Messaggioda Foto Utentedadduni » 31 gen 2021, 11:14

grazie a tutti per le risposte, a livello concettuale so che il beta è imprevedibile e non dovrebbe mai entrare nel progetto, ma all'atto pratico non sapevo come ridurre la sensitivity in questo caso.
Avete qualche libro che tratta questi argomenti di progettazione analogica? Ho basato il corso di studi e il lavoro sul digitale, questa parte mi manca quasi del tutto!
Avatar utente
Foto Utentedadduni
2.073 2 7 12
Expert EY
Expert EY
 
Messaggi: 1370
Iscritto il: 23 mag 2014, 16:26

0
voti

[6] Re: feedback preamplificatore singolo BJT

Messaggioda Foto Utentedadduni » 31 gen 2021, 11:19

Per Foto UtenteEnChamade:
1) nessun motivo particolare, esperimento e vedere i calcoli dove mi portavano mi piaceva l'idea di vedere la doppia retroazione in continua come si comportava

2) per aumentare il più possibile il guadagno dell'elemento attivo in vista della doppia retroazione che avrebbe chiaramente abbassato il guadagno

3) avrei detto che se la corrente di base è molto piccola, tutta la corrente che scorre in Rb deve necessariamente andare in Rf e il guadagno in uscita sarebbe stat Rf/Rb

4) al momento a caso per iniziare a provare

grazie delle risposte!
Avatar utente
Foto Utentedadduni
2.073 2 7 12
Expert EY
Expert EY
 
Messaggi: 1370
Iscritto il: 23 mag 2014, 16:26

0
voti

[7] Re: feedback preamplificatore singolo BJT

Messaggioda Foto Utentedadduni » 31 gen 2021, 13:29

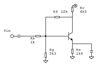
Ho rifatto i conti aggiungendo il resistore suggerito da Isidoro.



La dipendenza da Beta è perfetta in simulazione. Ho scelto 1mA sulla resistenza Rc e 0.3mA sulle Rf e Rg.

Le prossime domande sono:
- L'impedenza di ingresso viene dalle parti del 1kOhm. Per aumentarla posso abbassare ancora la corrente di collettore, aumentando di conseguenza le resistenze, devo ricorrere ad un multistadio o ci sono altri metodi che mi sfuggono?
- Consigli su testi da studiare? Il sedra non tratta queste cose in maniera approfondita, fa tutti i conti col beta di mezzo

Davide
Avatar utente
Foto Utentedadduni
2.073 2 7 12
Expert EY
Expert EY
 
Messaggi: 1370
Iscritto il: 23 mag 2014, 16:26

3
voti

[8] Re: feedback preamplificatore singolo BJT

Messaggioda Foto UtenteEnChamade » 31 gen 2021, 18:19

dadduni ha scritto:1) nessun motivo particolare, esperimento e vedere i calcoli dove mi portavano mi piaceva l'idea di vedere la doppia retroazione in continua come si comportava


Ok. Il senso della mia domanda era infatti quello di capire se avevi trovato una fonte oppure no. Era per arrivare a quello che ha anticipato Isidoro, ossia che la rete così com'era aveva una \beta-dipendenza. Con l'aggiunta della resistenza in più, ed imponendo le correnti in esse maggiori della corrente di base richiesta a minimo \beta, si risolve questo problema perché in realtà vai a sfruttare la relazione I_C-V_{BE} del BJT che è di natura esponenziale.

dadduni ha scritto:2) per aumentare il più possibile il guadagno dell'elemento attivo in vista della doppia retroazione che avrebbe chiaramente abbassato il guadagno

In realtà qui non ti serve. BAsta già un singolo BJT. Ma lo vediamo dopo.

dadduni ha scritto:3) avrei detto che se la corrente di base è molto piccola, tutta la corrente che scorre in Rb deve necessariamente andare in Rf e il guadagno in uscita sarebbe stat Rf/Rb

Non funziona così, purtroppo. Quella resistenza partiziona il segnale d'ingresso. Vedi dopo per il guadagno dello stadio.

dadduni ha scritto:Ho scelto 1mA sulla resistenza Rc e 0.3mA sulle Rf e Rg.

Fermati un attimo. Adesso ti serve capire come funziona l'amplificazione in questi aggeggi. Devi fare l'analisi ai piccoli segnali, sostituendo il modello linearizzato del BJT. Così ti puoi calcolare l'amplificazione e la resistenza d'ingresso. Puoi partire da qui, trascurando per il momento un eventuale carico e la resistenza serie della sorgente ( e i condensatori li consideriamo dimensionati in modo tale che siano dei cortocircuiti alle frequenze di lavoro):

e calcolare
A_v=\frac{v_{out}}{v_{in}}

Ora, supponendo che r_o>>R_C, arriviamo al modello


Osservando che v_{in}=v_{be} e scrivendo la legge delle correnti sul nodo C, troviamo:
i_f+g_mv_{in}=i_o
da cui
\frac{v_{out}-v_{in}}{R_F}+g_mv_{in}=-\frac{v_{out}}{R_C}
ed isolnado il rapporto cercato, dopo qualche passaggio arrivi alla relazione:
A_v=-\frac{R_C}{R_C+R_F}(g_mR_F-1) \simeq -\left(\frac{R_F}{R_C+R_F}\right)g_mR_C
perché abbiamo sempre g_mR_F>>1. Come vedi, se aggiungi R_b, non serve a niente. Inoltre, tipicamente questo guadagno è alto a sufficienza. Nel tuo caso, siamo dalle parti di 86 (controlla il conto) e quindi non ti serve il darlington.

Se fai la stessa cosa per la resistenza d'ingresso, chiamando r_{\pi}^*=r_{\pi}//R_g trovi
R_{in}=\frac{\frac{1}{g_m}\left(1+\frac{R_C}{R_F}\right)}{\frac{1}{g_mr_{\pi}^*}+\frac{1}{R_F}\left(\frac{1}{g_m}+\frac{R_C}{g_mr_{\pi}^*}+R_C\right)}
Ora, in generale se consideri che di solito hai, R_C>>\frac{1}{g_m} e g_mr_{\pi}^*>>1, puoi scrivere
R_{in}\simeq\frac{\frac{1}{g_m}\left(1+\frac{R_C}{R_F}\right)}{\frac{1}{g_mr_{\pi}^*}+\frac{R_C}{R_F}}
Allora quando dici,
dadduni ha scritto:- L'impedenza di ingresso viene dalle parti del 1kOhm. Per aumentarla posso abbassare ancora la corrente di collettore, aumentando di conseguenza le resistenze, devo ricorrere ad un multistadio o ci sono altri metodi che mi sfuggono?

la risposa è che con questa configurazione non puoi alzare più di tanto la resistenza d'ingresso. Starai sempre attorno a qualche kohm. Provare per credere. Io andrei con emettitore degenerato, con classica rete di polarizzazione. La vedo comunque dura arrivare a 100 kohm solo così. Però, sentiamo il gatto... Sono interessato anche io a migliorarmi con gli amplificatori a transistor.

dadduni ha scritto:- Consigli su testi da studiare? Il sedra non tratta queste cose in maniera approfondita, fa tutti i conti col beta di mezzo

Io ho usato questo all'università (lo usano tuttora). Ma Isidoro è sicuramente più indicato per questo consiglio.
Avatar utente
Foto UtenteEnChamade
6.498 2 8 12
G.Master EY
G.Master EY
 
Messaggi: 588
Iscritto il: 18 giu 2009, 12:00
Località: Padova - Feltre

0
voti

[9] Re: feedback preamplificatore singolo BJT

Messaggioda Foto UtenteEnChamade » 1 feb 2021, 23:54

In realtà, stasera stavo ragionando e il Darlington forse non è poi un'idea balzana, specie per alzare l'impedenza d'ingresso... Però, ci ragiono ancora un po' in attesa di una felina ispirazione :mrgreen: :mrgreen: :mrgreen:
Avatar utente
Foto UtenteEnChamade
6.498 2 8 12
G.Master EY
G.Master EY
 
Messaggi: 588
Iscritto il: 18 giu 2009, 12:00
Località: Padova - Feltre

1
voti

[10] Re: feedback preamplificatore singolo BJT

Messaggioda Foto UtenteIsidoroKZ » 2 feb 2021, 1:53

Per alzare l'impedenza di ingresso con quella configurazione e` dura! Retroazione negativa con confronto in parallelo e impedenza di ingresso elevata formano un ossimoro.

Meglio usare un operazionale, un jfet, uno Sziklai, che ha una VBE piu` bassa o un Darlington. Si puo` anche provare con un boostrap dipende dalle frequenze e dai guadagni.

Non capisco (o meglio ho dimenticato) se l'OP vuole la polarizzazione stabile oppure il guadagno controllato, con impedenza di ingresso alta.
Per usare proficuamente un simulatore, bisogna sapere molta più elettronica di lui
Plug it in - it works better!
Il 555 sta all'elettronica come Arduino all'informatica! (entrambi loro malgrado)
Se volete risposte rispondete a tutte le mie domande
Avatar utente
Foto UtenteIsidoroKZ
121,2k 1 3 8
G.Master EY
G.Master EY
 
Messaggi: 21059
Iscritto il: 17 ott 2009, 0:00

Prossimo

Torna a Elettronica generale

Chi c’è in linea

Visitano il forum: Google Adsense [Bot] e 98 ospiti