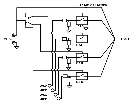
Salve, intenderei sostituire lo stadio d’ingresso ad un vecchio preamplificatore cha ha ancora la commutazione meccanica delle porte e quando commuta, lo sfregamento tra i contatti, produce un forte rumore molto fastidioso che sembra sfondare le casse. Vorrei lasciare il commutatore meccanico ma facendo in modo che invece di commutare i cavi schermati vada a comandare un integrato al quale sarebbero collegati i cavi collocati su una PCB mille fori. Non ho in mente un’idea molto moderna ma che forse potrebbe funzionare dignitosamente. Avrei pensato di utilizzare un integrato CD4016 o CD4066 che sembrerebbero essere pin to pin ma non ho ben capito quale sia la differenza tra i due.
Pubblico uno schema di principio che è approssimativo ma credo sia ugualmente comprensibile.
Potrei avere un parere?
Grazie per l’attenzione.
Commutatore stadio d'ingresso Preampli
Moderatori:
carloc,
g.schgor,
BrunoValente,
IsidoroKZ
1
voti
La tua idea è buona, mancano però alcuni accorgimenti: il segnale audio è compatibile con l'integrato da te scelto? Ragioniamoci sopra...
Inoltre, se il selettore è malandato serviranno comunque altri accorgimenti per ridurre i "rimbalzi" ai pin di controllo del CMOS, altrimenti sei di nuovo accapo
Inoltre, se il selettore è malandato serviranno comunque altri accorgimenti per ridurre i "rimbalzi" ai pin di controllo del CMOS, altrimenti sei di nuovo accapo
-

AZZZ
256 1 5 6 - CRU - Account cancellato su Richiesta utente
- Messaggi: 620
- Iscritto il: 4 mag 2018, 21:47
1
voti
Elidur ha scritto:utilizzare un integrato CD4016 o CD4066 che sembrerebbero essere pin to pin ma non ho ben capito quale sia la differenza tra i due.
Questo e' facile
On-State Resistance Flat Over Full Peak-to-Peak Signal Range
https://www.ti.com/lit/ds/symlink/cd406 ... e.com%252F
Nel 4016 la resistenza ON e' "modulata" dal livello del segnale, nel 4066 no.
Per quanto riguarda la sostituzione del commutatore meccanico con uno switch analogico potrei toglierti anche il saluto
Invocherei
0
voti
Grazie per le risposte, chiedo scusa per il ritardo ma nel frattempo ha suonato la tromba per il rancio…
In risposta ad
AZZZ, vediamo: il segnale massimo ammissibile dal preampli in ingresso è di 780mV. su 100.000 Ohm; questo sulla porta meno sensibile, su quella più sensibile è di 150mV su 2MOhm.
Poi per i rimbalzi non saprei, non so se siano proprio dei rimbalzi, forse si, auditivamente sembrano delle graffiate amplificate. Ma come? Io volevo mettere l’integrato proprio perché pensavo che la commutazione, non essendo meccanica, sarebbe stata silenziosa… No eh…
Ma in questo caso, però, il selettore dovrebbe commutare soltanto alimentazione e non l'informazione o sbaglio? Perché dovrebbe andare incontro allo stesso tipo di problema?
In risposta a
elfo, direi, se ho capito bene, che sembrerebbe più adatto il 4066.
Per la scelta della soluzione switch però ci sono rimasto male, tutto da ripensare allora? Si perché un buon spray pulisci contatti lo uso da anni ma non dura più di una settimana adesso che il selettore è usurato, ma anche quando era nuovo non è mai stata una soluzione eccellente anche se tra una pulita e l’altra trascorreva un po’ più di tempo…
Ma ci sarebbe qualche soluzione più affidabile, a parte lo spray pulisci contatti.
In risposta ad
Poi per i rimbalzi non saprei, non so se siano proprio dei rimbalzi, forse si, auditivamente sembrano delle graffiate amplificate. Ma come? Io volevo mettere l’integrato proprio perché pensavo che la commutazione, non essendo meccanica, sarebbe stata silenziosa… No eh…
Ma in questo caso, però, il selettore dovrebbe commutare soltanto alimentazione e non l'informazione o sbaglio? Perché dovrebbe andare incontro allo stesso tipo di problema?
In risposta a
Per la scelta della soluzione switch però ci sono rimasto male, tutto da ripensare allora? Si perché un buon spray pulisci contatti lo uso da anni ma non dura più di una settimana adesso che il selettore è usurato, ma anche quando era nuovo non è mai stata una soluzione eccellente anche se tra una pulita e l’altra trascorreva un po’ più di tempo…
Ma ci sarebbe qualche soluzione più affidabile, a parte lo spray pulisci contatti.

2
voti
La modulazione della resistenza ON produce distorsione per cui il 4066, la cui resistenza rimane "costante", ha minore distorsione.
C'e' pero' un altro punto gia' evidenziato da
AZZZ: la "charge injection" dovuta alla capacita' tra l'elettrodo di controllo e il pin di uscita analogica dello swich.
Il segnale di comando ON/OFF dello switch ha una ampiezza relativamente grande rispetto al segnale audio ed ha fronti di salita/discesa "rapidi" (se non trattato opportunamente) per cui si propaga attraverso la capacita' tra I pin producendo "click" e "pop" come quelli che vuoi eliminare.
Se cerchi su google:
analog switch audio preamplifier
trovi una miriade di info.
Ecco una piccola lista:
- Reducing distortion from CMOS analog switches
https://www.ti.com/lit/an/slyt612/slyt6 ... e.com%252F
- Quad Audio Switch SSM2404
https://www.analog.com/media/en/technic ... SM2404.pdf
- Analog Switch times for popless audio
https://electronics.stackexchange.com/q ... less-audio
- SELECTING THE RIGHT CMOS ANALOG SWITCH
https://www.maximintegrated.com/en/desi ... /5299.html
-
C'e' pero' un altro punto gia' evidenziato da
Il segnale di comando ON/OFF dello switch ha una ampiezza relativamente grande rispetto al segnale audio ed ha fronti di salita/discesa "rapidi" (se non trattato opportunamente) per cui si propaga attraverso la capacita' tra I pin producendo "click" e "pop" come quelli che vuoi eliminare.
Se cerchi su google:
analog switch audio preamplifier
trovi una miriade di info.
Ecco una piccola lista:
- Reducing distortion from CMOS analog switches
https://www.ti.com/lit/an/slyt612/slyt6 ... e.com%252F
- Quad Audio Switch SSM2404
https://www.analog.com/media/en/technic ... SM2404.pdf
- Analog Switch times for popless audio
https://electronics.stackexchange.com/q ... less-audio
- SELECTING THE RIGHT CMOS ANALOG SWITCH
https://www.maximintegrated.com/en/desi ... /5299.html
-
0
voti
Grazie
elfo, credo di aver capito anche se la terminologia che hai utilizzato per l'esemplificazione del rumore è "interessante". Non ti sto prendendo in giro ma il rumore che sento io equivale ad una passata di lima sulla puntina del giradischi e un clic o un pop sarebbe il male minore...
Adesso lego i link che hai postato poi rientro.
Grazie ancora.
Adesso lego i link che hai postato poi rientro.
Grazie ancora.
1
voti
elfo ha scritto:Se cerchi su...Ecco una piccola lista...
Ma grazie, tutto molto interessante!
Se quello che funziona basta non lo tocca' sennò te lassa!
0
voti
Si
elfo, ho visto. Io speravo di cavarmela con qualche saldatura ma temo non sarà così facile. Ma se utilizzassi un TTL 744066? Sarebbe uguale?
Altrimenti rimangono i relè, forse...
Altrimenti rimangono i relè, forse...
4
voti
Elidur ha scritto:Poi per i rimbalzi non saprei, non so se siano proprio dei rimbalzi, forse si, auditivamente sembrano delle graffiate amplificate. Ma come? Io volevo mettere l’integrato proprio perché pensavo che la commutazione, non essendo meccanica, sarebbe stata silenziosa… No eh…
Se i contatti non sono puliti un po' di rumore può in effetti apparire. Proverei con un buono spray pulisci contatti. Spesso tuttavia i rumori di commutazione degli ingressi audio sono dovuti alla presenza di una componente DC. In quel caso, puoi mettere dei CD4066, ma un rumore lo otterresti lo stesso (magari meno elevato per via dell'effetto della resistenza ON invece della bassa resistenza degli interruttori meccanici).
Come sono fatti gli ingressi dei circuiti che sono commutati? C'è un condensatore per eliminare la continua? Questo condensatore è in buono stato o è magari un elettrolitico in perdita? C'è una resistenza di valore elevato per tenere l'ingresso a 0V quando questo è scollegato rispetto alla sorgente?
Follow me on Mastodon: @davbucci@mastodon.sdf.org
-

DarwinNE
31,0k 7 11 13 - G.Master EY

- Messaggi: 4420
- Iscritto il: 18 apr 2010, 9:32
- Località: Grenoble - France
0
voti
Ciao
DarwinNE, già provato il didossidante ma l'effetto dura poco. Gli ingressi non sono disaccoppiati da condensatore, ci sono soltanto dei partitori resistivi come ho indicato sullo schema.
Tra il comune del selettore e riferimento c'è una resistenza da 1,5MOhm.
Tra il comune del selettore e riferimento c'è una resistenza da 1,5MOhm.
Chi c’è in linea
Visitano il forum: Nessuno e 146 ospiti

Elettrotecnica e non solo (admin)
Un gatto tra gli elettroni (IsidoroKZ)
Esperienza e simulazioni (g.schgor)
Moleskine di un idraulico (RenzoDF)
Il Blog di ElectroYou (webmaster)
Idee microcontrollate (TardoFreak)
PICcoli grandi PICMicro (Paolino)
Il blog elettrico di carloc (carloc)
DirtEYblooog (dirtydeeds)
Di tutto... un po' (jordan20)
AK47 (lillo)
Esperienze elettroniche (marco438)
Telecomunicazioni musicali (clavicordo)
Automazione ed Elettronica (gustavo)
Direttive per la sicurezza (ErnestoCappelletti)
EYnfo dall'Alaska (mir)
Apriamo il quadro! (attilio)
H7-25 (asdf)
Passione Elettrica (massimob)
Elettroni a spasso (guidob)
Bloguerra (guerra)




