Buongiorno, ho installato un applique e un lampadario in soggiorno con luce a led dimmerabile.
In casa ho la serie Vimar Arkè e guardavo questo prodotto: https://www.vimar.com/it/it/catalog/pro ... /19135.1.B
Cercavo un video per capire come funzionasse na niente, solo uno della Vimar con lampadina a incandescenza. E nel video tiene premuto il pulsante...volevo capire se si può impostare una luminosità massima in modo da premere e basta, non che ogni volta devi tenere premuto
Interruttore dimmer per Led
Moderatori:
sebago,
MASSIMO-G,
lillo,
Mike
34 messaggi
• Pagina 1 di 4 • 1, 2, 3, 4
1
voti
Non conosco lo specifico interruttore, ma solitamente per accendere e spegnere basta un solo tocco, mentre tenendo premuto è possibile variare la luminosità. Al tocco successivo viene ripristinato l'ultimo valore di luminosità impostato.
Per configurare la luminosità minima (operazione che si fa una sola volta con una determinata fonte luminosa) basta seguire le istruzioni:
Il dip switch "TE" - "LE" (regolazione taglio inizio fase e regolazione taglio a fine fase, rispettivamente) va impostato a seconda del tipo di lampada/trasformatore elettronico.
Per configurare la luminosità minima (operazione che si fa una sola volta con una determinata fonte luminosa) basta seguire le istruzioni:
Il dip switch "TE" - "LE" (regolazione taglio inizio fase e regolazione taglio a fine fase, rispettivamente) va impostato a seconda del tipo di lampada/trasformatore elettronico.
Big fan of ⋮ƎlectroYou
2
voti
renny ha scritto:volevo capire perché si sceglie di installare a due o tre fili
Mi piace il fatto che vuoi approfondire, effettivamentre la documentazione del 19135 è un po' frammentata, si trova qualche dettaglio in più relativo al 20135, che è il regolatore equivalente per la serie Eikon.
Lo schema a 3 fili è lo standard ed è da preferire, è quello che garantisce i dati nominali, che ad esempio, per il comando di lampade led dimmerabili, sono:
- modalità leading edge - da 3 a 100W, max 5 lampade
- modalità trailing edge - da 3 a 200W, max 10 lampade
Lo schema prevede l'alimentazione del dimmer, quindi connessione di entrambi i conduttori attivi:
Se poi c'è necessità di comandare l'illuminazione anche da altri punti, il collegamento diventa a 4 fili con la connessione dei pulsanti "slave":
Il collegamento a due fili è pensato per quando si va ad agire su un impianto esistente, dove non sia possibile portare il neutro nella scatola frutto in cui si intende installare il regolatore. In questo caso, con lampade led, è probabilmente necessario collegare un adattatore di carico che ho chiamato "C", cod. 01873, in parallelo alla lampada:
Con questo collegamento i dati nominali diventano, sempre per lampade led dimmerabili:
- modalità leading edge - da 3 a 40W, max 2 lampade
- modalità trailing edge - da 3 a 40W, max 2 lampade
A mio avviso questo è un buon regolatore, come detto da
0
voti
Grazie mille per il tuo tempo.
Ho necessità di usare due punti si, ma mi basta regolare da uno, poi volendo, posso sfruttare il deviatore per accendere e spegnere da un altro punto?
Il neutro nella 503 c è
In realtà c è anche quello dei faretti corridoio e termostato, una 503 non proprio vuota, spero non sia un problema.
Il lampadario assorbe in totale 60watt (3x20watt) necissita quindi di un adattatore di carico?
Inoltre la modalità leading e trailing non l'ho capita proprio bene bene
Ho necessità di usare due punti si, ma mi basta regolare da uno, poi volendo, posso sfruttare il deviatore per accendere e spegnere da un altro punto?
Il neutro nella 503 c è
In realtà c è anche quello dei faretti corridoio e termostato, una 503 non proprio vuota, spero non sia un problema.
Il lampadario assorbe in totale 60watt (3x20watt) necissita quindi di un adattatore di carico?
Inoltre la modalità leading e trailing non l'ho capita proprio bene bene
1
voti
Per accendere da un altro punto non puoi usare un deviatore, ma devi collegare al dimmer un pulsante normalmente aperto come da schema:
Da quello che trovo scritto nella documentazione, con questo pulsante dovresti riuscire comunque a regolare la luminosità (pressione breve accende/spegne, pressione prolungata regola).
Usando il collegamento standard (quello che chiamano a 3 fili) l'adattatore di carico non serve.
La potenza totale è tranquillamente dentro i limiti sia per la regolazione LE che TE.
Per la modalità, non ti resta che provare, dalla mia esperienza le lampadine led vanno meglio in Trailing Edge, ma se noti ronzii o sfarfallamenti, commuta su Leading Edge e vedi, se ne era parlato anche qui.
Da quello che trovo scritto nella documentazione, con questo pulsante dovresti riuscire comunque a regolare la luminosità (pressione breve accende/spegne, pressione prolungata regola).
Usando il collegamento standard (quello che chiamano a 3 fili) l'adattatore di carico non serve.
La potenza totale è tranquillamente dentro i limiti sia per la regolazione LE che TE.
Per la modalità, non ti resta che provare, dalla mia esperienza le lampadine led vanno meglio in Trailing Edge, ma se noti ronzii o sfarfallamenti, commuta su Leading Edge e vedi, se ne era parlato anche qui.
0
voti
ok quindi posso usare il dimmer e dall altra parte un semplice pulsante? che recupero facile perché l'elettricista me ne ha messi tre per i faretti ma ne bastano due, la casa è piccola ^^
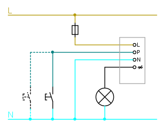
Sulla linea, quel rettangolo nero sarebbe l'adattatore di carico che non mi serve giusto?
ho visto l'altro topic, per caso consigli altre marche di dimmer che posso adattare alla mia serie? io sono andato direttamente su Vimar per avere l'estetica uguale.
Comunque grazie tanto, sei stato super gentile e chiaro
Sulla linea, quel rettangolo nero sarebbe l'adattatore di carico che non mi serve giusto?
ho visto l'altro topic, per caso consigli altre marche di dimmer che posso adattare alla mia serie? io sono andato direttamente su Vimar per avere l'estetica uguale.
Comunque grazie tanto, sei stato super gentile e chiaro
1
voti
renny ha scritto:quindi posso usare il dimmer e dall altra parte un semplice pulsante?
Sì
renny ha scritto:Sulla linea, quel rettangolo nero sarebbe l'adattatore di carico che non mi serve giusto?
È un fusibile di protezione.
renny ha scritto:ho visto l'altro topic, per caso consigli altre marche di dimmer che posso adattare alla mia serie? io sono andato direttamente su Vimar per avere l'estetica uguale.
Come ti dicevo, se hai possibilità di installare il dimmer in una scatola di derivazione, puoi usare quelli appositi, che appunto non vedi e si comandano da dei semplici pulsanti, quindi usi pulsanti della tua serie.
Anch'io ho la Vimar Arké bianca, come dimmer ho installato i Dalcnet (vedi altro thread) di cui sono molto contento, li ho pagati meno di 30€, non hanno però la selezione della modalità di regolazione in quanto sono solo trailing edge, ma con le mie lampadine led Ikea Ledare vanno benissimo. Hanno la possibilità di regolare la luminosità minima per adattarla al tipo di lampada e le rampe di accensione/spegnimento. Con una pressione breve dei pulsanti accendi/spegni, pressione prolungata regoli, doppio click imposti la luminosità massima, pressione prolungata da spento accendi alla luminosità minima.
1
voti
Se non hai possibilità di installare il dimmer in una scatola di derivazione, altri alternative sono regolatori di marche come Relco o Perry, che producono frutti che si accompagnano alle varie serie civili.
Ad esempio, qualche anni fa ho preso il dimmer Relco DIMLAMPLED 34 DAB, sempre per la serie Vimar Arké bianca, è pensato per sostituire un interruttore o un deviatore, accensione/spegnimento premendo la rotella, regolazione ruotando la rotella:
La regolazione è anche in questo caso trailing edge e la luminosità è variabile ovviamente solo da questo punto di comando. Peccato che lo si trovi praticamente solo sullo store Relco.
In allegato scheda ed istruzioni.
Insomma, alternative ce ne sono parecchie..
Ad esempio, qualche anni fa ho preso il dimmer Relco DIMLAMPLED 34 DAB, sempre per la serie Vimar Arké bianca, è pensato per sostituire un interruttore o un deviatore, accensione/spegnimento premendo la rotella, regolazione ruotando la rotella:
La regolazione è anche in questo caso trailing edge e la luminosità è variabile ovviamente solo da questo punto di comando. Peccato che lo si trovi praticamente solo sullo store Relco.
In allegato scheda ed istruzioni.
Insomma, alternative ce ne sono parecchie..
34 messaggi
• Pagina 1 di 4 • 1, 2, 3, 4
Torna a Impianti, sicurezza e quadristica
Chi c’è in linea
Visitano il forum: Nessuno e 56 ospiti

Elettrotecnica e non solo (admin)
Un gatto tra gli elettroni (IsidoroKZ)
Esperienza e simulazioni (g.schgor)
Moleskine di un idraulico (RenzoDF)
Il Blog di ElectroYou (webmaster)
Idee microcontrollate (TardoFreak)
PICcoli grandi PICMicro (Paolino)
Il blog elettrico di carloc (carloc)
DirtEYblooog (dirtydeeds)
Di tutto... un po' (jordan20)
AK47 (lillo)
Esperienze elettroniche (marco438)
Telecomunicazioni musicali (clavicordo)
Automazione ed Elettronica (gustavo)
Direttive per la sicurezza (ErnestoCappelletti)
EYnfo dall'Alaska (mir)
Apriamo il quadro! (attilio)
H7-25 (asdf)
Passione Elettrica (massimob)
Elettroni a spasso (guidob)
Bloguerra (guerra)







