Acquisizione tensione e corrente di motore DC
Moderatori:
dimaios,
carlomariamanenti
24 messaggi
• Pagina 2 di 3 • 1, 2, 3
0
voti
Riassumo per chiarezza.
Elfo ti ha proposto la soluzione corretta se vuoi tenere lo shunt come da tuo schema.
Altrimenti il secondo suggerimento giunto da più fonti è di spostare lo shunt come si vede in molte applicazioni tra il negativo e il motore.
Dato che la tensione di shunt di solito è minima e piena di disturbi se è riferita a massa viene meglio filtrarla correttamente invece di averla flottante.
Se ben concepito il circuito potrebbe andare discretamente con un singolo alimentatore.
Ciao
Elfo ti ha proposto la soluzione corretta se vuoi tenere lo shunt come da tuo schema.
Altrimenti il secondo suggerimento giunto da più fonti è di spostare lo shunt come si vede in molte applicazioni tra il negativo e il motore.
Dato che la tensione di shunt di solito è minima e piena di disturbi se è riferita a massa viene meglio filtrarla correttamente invece di averla flottante.
Se ben concepito il circuito potrebbe andare discretamente con un singolo alimentatore.
Ciao
600 Elettra
0
voti
JeanValjean ha scritto:Probabilmente il circuito ha un vizio di progettazione...
Nello schema vedo almeno tre problemi.
1) Mancanza di riferimento comune: con lo schema dell'ampli da strumentazione proposto ci deve essere oer le correnti di bias
2) Differenza di tensione di modo comune sui due ingressi.
3) Rumori: le spazzole fanno molto rumore elettrico, se non filtri prima degli amplificatori tiri dentro un mare di rumore che potrebbe anche saturare gli amplificatori.
4) Mancanza di riferimento comune ('avevo gia` detto?): con lo schema dell'ampli da strumentazione proposto puoi andare fuori rispetto al suo range e saturarlo o romperlo.
Avevo detto tre, ma non so bene la matematica e ho dei problemi con i numeri!
Per usare proficuamente un simulatore, bisogna sapere molta più elettronica di lui
Plug it in - it works better!
Il 555 sta all'elettronica come Arduino all'informatica! (entrambi loro malgrado)
Se volete risposte rispondete a tutte le mie domande
Plug it in - it works better!
Il 555 sta all'elettronica come Arduino all'informatica! (entrambi loro malgrado)
Se volete risposte rispondete a tutte le mie domande
0
voti
elfo ha scritto:
Ho incominciato a fare un po' di compiti a casa e volevo davvero ringraziare tutti.
Volevo iniziare dalla soluzione data da Elfo con pochi componenti aggiuntivi.
Aggiungo quello che dovrebbe essere il circuito vero dell'acquisitore.
L'OP Amp è il suddetto AD8599, che pare sia deboluccio.
L'aggiunta dei resistori da 10k proposti si pone in serie a altri due resistori da 1K.
Immagino che questi servano per "diluire" il carico di tensione presente sul canale.
Ma abbassano anche la tensione di modo comune?
A questo punto quando sul resistore di shunt passeranno 100mA e vi cadranno su 1V cosa leggerà l'acquisitore?
Immagino dovrò correggere la calibrazione.
Il circuito vero dell'acquisitore è parecchio più complicato dello schema che vi ho dato in precedenza.
Solo per commentarlo un poco notiamo il multiplexer al centro che permette di switchare i quattro rami di resistenze in modo da ottenere rispettivamente guadagni di 1, 8, 64, 512.
Per il resto è semplificabile con lo schema precedente.
Se dico fesserie fermatemi.
-

JeanValjean
35 3 - Messaggi: 10
- Iscritto il: 17 gen 2015, 20:41
0
voti
Mi sembra interessante anche la soluzione che usa l'integrato CS30A.
Ho scelto la versione A perché ha guadagno 20 e per la mia applicazione potrebbe essere giusta.
L'ho integrata in una nuova soluzione per vedere cosa ne pensate.
Dal datasheet leggo
Vout=Av∗Rsense∗Iload
E quindi volendo come uscita 10V, avendo come corrente 100mA massimi e essendo Av =20V/V per il modello A avremo la resistenza di shunt = 5 Ohm.
Ho calcolato bene?
Ho colto il suggerimento di mettere la massa dell'acquisitore in comune con quella del dispositivo da misurare.
Inoltre ho messo un diodo in antiparallelo sul motore visto che quando il relè' di comando apre si otterranno extracorrenti di apertura.
Per filtrare i disturbi provenienti dal motore durante il funzionamento ho messo un condensatore di cui non so calcolare il valore.
Penso che si dovrebbe misurare quali frequenze si generano con un oscilloscopio e calcalare il bassa basso per quelle frequenze. (???)
Ho misurato l'impedenza del motore con LCR 45 che dice
Comp. Resistiva 98.1 Ohm
Comp. Induttiva 562 uH
Misurata a 15kHz
qualcuno mi suggerisce un valore per il filtro?
In fondo è un motorino a 12V con i carboncini.
Che dite, funzionerà???
Ho scelto la versione A perché ha guadagno 20 e per la mia applicazione potrebbe essere giusta.
L'ho integrata in una nuova soluzione per vedere cosa ne pensate.
Dal datasheet leggo
Vout=Av∗Rsense∗Iload
E quindi volendo come uscita 10V, avendo come corrente 100mA massimi e essendo Av =20V/V per il modello A avremo la resistenza di shunt = 5 Ohm.
Ho calcolato bene?
Ho colto il suggerimento di mettere la massa dell'acquisitore in comune con quella del dispositivo da misurare.
Inoltre ho messo un diodo in antiparallelo sul motore visto che quando il relè' di comando apre si otterranno extracorrenti di apertura.
Per filtrare i disturbi provenienti dal motore durante il funzionamento ho messo un condensatore di cui non so calcolare il valore.
Penso che si dovrebbe misurare quali frequenze si generano con un oscilloscopio e calcalare il bassa basso per quelle frequenze. (???)
Ho misurato l'impedenza del motore con LCR 45 che dice
Comp. Resistiva 98.1 Ohm
Comp. Induttiva 562 uH
Misurata a 15kHz
qualcuno mi suggerisce un valore per il filtro?
In fondo è un motorino a 12V con i carboncini.
Che dite, funzionerà???
-

JeanValjean
35 3 - Messaggi: 10
- Iscritto il: 17 gen 2015, 20:41
0
voti
Visto che hai misurato 98,2 ohm, che a 12 V con motore bloccato fanno una I>100 mA,
Misura con I fondo scala 200 mA: abbassa Rshunt da 5 a 2,5 ohm
Misura con I fondo scala 200 mA: abbassa Rshunt da 5 a 2,5 ohm
0
voti
ed ecco l'ultima soluzione di cui darò due versioni.
In questo caso ho invertito la posizione della resistenza di shunt come suggerito da tutti.
Rimangono comunque problemi di modo comune.
Vi propongo però anche questa seconda versione.
In questo caso la corrente verrebbe invertita ma basterebbe invertire la polarità nella calibrazione.
Così sparirebbero problemi di modo comune. Che ne dite?
Rimane da capire come risolvere il problema del filtraggio
Quale è la soluzione migliore??
In questo caso ho invertito la posizione della resistenza di shunt come suggerito da tutti.
Rimangono comunque problemi di modo comune.
Vi propongo però anche questa seconda versione.
In questo caso la corrente verrebbe invertita ma basterebbe invertire la polarità nella calibrazione.
Così sparirebbero problemi di modo comune. Che ne dite?
Rimane da capire come risolvere il problema del filtraggio
Quale è la soluzione migliore??
-

JeanValjean
35 3 - Messaggi: 10
- Iscritto il: 17 gen 2015, 20:41
0
voti
Per dimensionare il filtro:
A quale velocita ruota il motore?
Con che frequenza campioni i valori?
Interessa rilevare la corrente durante una frazione di giro del motore o no?.
Supponiamo di filtrare con costante di tempo Tau = 50 ms
Tau = R x C
Mettiamo un R = 10kohm in serie a un morsetto dell'acquisitore.
C = Tau / R = 0,05/1000 = 50 uF da mettere in parallelo ai morsetti.
A quale velocita ruota il motore?
Con che frequenza campioni i valori?
Interessa rilevare la corrente durante una frazione di giro del motore o no?.
Supponiamo di filtrare con costante di tempo Tau = 50 ms
Tau = R x C
Mettiamo un R = 10kohm in serie a un morsetto dell'acquisitore.
C = Tau / R = 0,05/1000 = 50 uF da mettere in parallelo ai morsetti.
1
voti
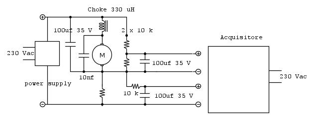
Io ho ipotizzato Tau 100mS il condensatore risulta 100uF.
Ho aggiunto un choke da 330uH e due condensatori 100uF e 10 nF per togliere il piu possibile il rumore generato dal motore a spazzole.
Potresti anche collegare al morsetto negativo la carcassa metallica del motore.
Ciao
600 Elettra
1
voti
I problemi sono 4+:
- causa della rottura
- max commom mode voltage
- filtraggio
- mancanza del riferimento commune
- AD8599
- CS30 della ST
- prove
- cablaggio massa/terra di sicurezza
***** Causa rottura: il test che ha fatto Rod Elliot (link post [6]): questo potrebbe spiegare la rottura dell'Op-Amp - leggere articolo completo per dettagli.
***** Max commom mode voltage: il circuito originale non viola le specifiche dell'Op-Amp (se alimentato +/- 15 V)
***** Filtraggio: le 2 resistenze da 10 K e I due condensatori 100 n dovrebbero essere sufficienti e non "sporcano" la precisione (in DC - vedi poi per il rumore). Non dovrebbe esssere necessario nessun altro componente
***** Mancanza del riferimento commune: - vero ma falso
(vedi poi)
***** AD8599: ha rumore di 1.1 nV / sqrt(Hz) corrispondente al rumore di una resistenza da 73 ohm
E' chiaro quindi che una qualunque resistenza (di valore "sensato") inserita in serie all'ingresso peggiora il rumore del circuito.
A che pro usare un Op-Amp low noise in questo circuito?
***** CS30 della ST
Avevo portato ad esempio questo componente solo per far vedere che componenti per questo tipo di applicazioni sono "tolleranti" verso le sovratensioni in ingresso.
Non e' necessario utilizzarlo - basta il circuito orginale opportunamente modificato/protetto come da disegno.
***** Test: I due strumenti vanno usati tutti e due ma NON in contemporanea
***** Cablaggio massa/terra di sicurezza
Nel circuito che segue:
- il motore e' connesso alla terra di sicurezza (dove si scarica la corrente "parassita" del "floating switching power supply") e al comune dell'alimentazione del circuito - linea celeste.
- Il circuito "nativamente" in ingresso NON ha la chiusura verso il commune, ma una volta collegato al gruppo "motore-partitore-resistenza di sensing" chiude la corrente di bias degli Op-Amp attraverso il partitore e il motore. Se desiderato si possono mettere delle resistenze di "chiusura del bias" verso il commune dell'alimentazione (mettere valori sufficientemente alti da non "sporcare" la precisione del sistema).
- causa della rottura
- max commom mode voltage
- filtraggio
- mancanza del riferimento commune
- AD8599
- CS30 della ST
- prove
- cablaggio massa/terra di sicurezza
***** Causa rottura: il test che ha fatto Rod Elliot (link post [6]): questo potrebbe spiegare la rottura dell'Op-Amp - leggere articolo completo per dettagli.
***** Max commom mode voltage: il circuito originale non viola le specifiche dell'Op-Amp (se alimentato +/- 15 V)
***** Filtraggio: le 2 resistenze da 10 K e I due condensatori 100 n dovrebbero essere sufficienti e non "sporcano" la precisione (in DC - vedi poi per il rumore). Non dovrebbe esssere necessario nessun altro componente
***** Mancanza del riferimento commune: - vero ma falso
***** AD8599: ha rumore di 1.1 nV / sqrt(Hz) corrispondente al rumore di una resistenza da 73 ohm
E' chiaro quindi che una qualunque resistenza (di valore "sensato") inserita in serie all'ingresso peggiora il rumore del circuito.
A che pro usare un Op-Amp low noise in questo circuito?
***** CS30 della ST
Avevo portato ad esempio questo componente solo per far vedere che componenti per questo tipo di applicazioni sono "tolleranti" verso le sovratensioni in ingresso.
Non e' necessario utilizzarlo - basta il circuito orginale opportunamente modificato/protetto come da disegno.
***** Test: I due strumenti vanno usati tutti e due ma NON in contemporanea
***** Cablaggio massa/terra di sicurezza
Nel circuito che segue:
- il motore e' connesso alla terra di sicurezza (dove si scarica la corrente "parassita" del "floating switching power supply") e al comune dell'alimentazione del circuito - linea celeste.
- Il circuito "nativamente" in ingresso NON ha la chiusura verso il commune, ma una volta collegato al gruppo "motore-partitore-resistenza di sensing" chiude la corrente di bias degli Op-Amp attraverso il partitore e il motore. Se desiderato si possono mettere delle resistenze di "chiusura del bias" verso il commune dell'alimentazione (mettere valori sufficientemente alti da non "sporcare" la precisione del sistema).
Ultima modifica di
elfo il 14 mar 2021, 23:48, modificato 1 volta in totale.
0
voti
elfo ha scritto:- Il circuito "nativamente" in ingresso NON ha la chiusura verso il commune, ma una volta collegato al gruppo "motore-partitore-resistenza di sensing" chiude la corrente di bias degli Op-Amp attraverso il partitore e il motore.
Non e` corretto. Le correnti di bias hanno tutte lo stesso segno, il collegamento di ground ci vuole. Se non avessero lo stesso segno ci vorrebbe lo stesso, non si compensano!
Inoltre senza ground collegati insieme la tensione di modo di modo comune di ingresso non e` definita e puo` assumere qualunque valore.
Per usare proficuamente un simulatore, bisogna sapere molta più elettronica di lui
Plug it in - it works better!
Il 555 sta all'elettronica come Arduino all'informatica! (entrambi loro malgrado)
Se volete risposte rispondete a tutte le mie domande
Plug it in - it works better!
Il 555 sta all'elettronica come Arduino all'informatica! (entrambi loro malgrado)
Se volete risposte rispondete a tutte le mie domande
24 messaggi
• Pagina 2 di 3 • 1, 2, 3
Torna a Automazione industriale ed azionamenti
Chi c’è in linea
Visitano il forum: Nessuno e 12 ospiti

Elettrotecnica e non solo (admin)
Un gatto tra gli elettroni (IsidoroKZ)
Esperienza e simulazioni (g.schgor)
Moleskine di un idraulico (RenzoDF)
Il Blog di ElectroYou (webmaster)
Idee microcontrollate (TardoFreak)
PICcoli grandi PICMicro (Paolino)
Il blog elettrico di carloc (carloc)
DirtEYblooog (dirtydeeds)
Di tutto... un po' (jordan20)
AK47 (lillo)
Esperienze elettroniche (marco438)
Telecomunicazioni musicali (clavicordo)
Automazione ed Elettronica (gustavo)
Direttive per la sicurezza (ErnestoCappelletti)
EYnfo dall'Alaska (mir)
Apriamo il quadro! (attilio)
H7-25 (asdf)
Passione Elettrica (massimob)
Elettroni a spasso (guidob)
Bloguerra (guerra)









