Alimentazione LED CREE E LED COB
Moderatori:
carloc,
g.schgor,
BrunoValente,
IsidoroKZ
26 messaggi
• Pagina 2 di 3 • 1, 2, 3
0
voti
usando uno schema del genere come partenza .. si potrebbe calcolare i valori giusti per far funzionare 4 in serie ?
trovato in rete ! r1= 100k-ohm approsimativo r3: da calcolare per impostare la corrente q1=NPN 2N5088BU
q2=FQP50N06L.
tutto a 12 volt ma come dici tu il led non esprime tutta la sua efficenza. E' un'po' complicato piu' del previsto. Che poi leggendo un pochino i driver erogano una corrente costante per il led. Il driver fa una curva costante tra tensione e corrente per tenere il range di funzionamento che non si bruci a grandi linee.
trovato in rete ! r1= 100k-ohm approsimativo r3: da calcolare per impostare la corrente q1=NPN 2N5088BU
q2=FQP50N06L.
tutto a 12 volt ma come dici tu il led non esprime tutta la sua efficenza. E' un'po' complicato piu' del previsto. Che poi leggendo un pochino i driver erogano una corrente costante per il led. Il driver fa una curva costante tra tensione e corrente per tenere il range di funzionamento che non si bruci a grandi linee.
0
voti
Mah, quello schema non mi convince, il disegno indica un mosfet a canale P mentre la sigla di Q2=FQP50N06L, è quella di un mosfet a canale N.
Inoltre la resistenza R3 è un componente molto critico da reperire e da dimensionare in base a tensione, corrente e potenza.
Poi devi aggiungere un trasformatore, un ponte di diodi e un condensatore elettrolitico di qualche millifarad e il contenitore.
Ma ammesso che si riesca a farlo funzionare, e dal momento che dovresti comprare tutti i componenti, ti conviene autocostruirlo? Se lo compri dai cinesi spendi meno...
Inoltre la resistenza R3 è un componente molto critico da reperire e da dimensionare in base a tensione, corrente e potenza.
Poi devi aggiungere un trasformatore, un ponte di diodi e un condensatore elettrolitico di qualche millifarad e il contenitore.
Ma ammesso che si riesca a farlo funzionare, e dal momento che dovresti comprare tutti i componenti, ti conviene autocostruirlo? Se lo compri dai cinesi spendi meno...
0
voti
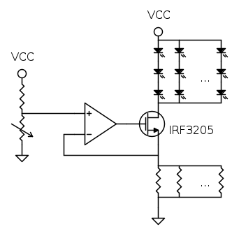
Nemmeno a me fa impazzire quello schema: ti ritrovi una
per fare il sense che mi pare tanta.
Io farei così:
Dove i LED possono essere riarrangiati a matrice a seconda del valore di VCC.
In questo modo puoi mettere più resistenze in parallelo per ridurre la potenza dissipata e adattarti al carico che vuoi, agendo anche sul trimmer di riferimento in maniera semplice.
Però innanzitutto comincia a decidere come alimentarli: personalmente ti consiglierei di comprarti un alimentatore stabilizzato tipo questo, costruirselo non vale la pena.
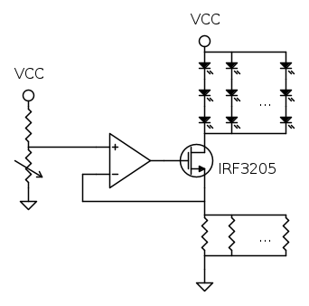
per fare il sense che mi pare tanta.Io farei così:
Dove i LED possono essere riarrangiati a matrice a seconda del valore di VCC.
In questo modo puoi mettere più resistenze in parallelo per ridurre la potenza dissipata e adattarti al carico che vuoi, agendo anche sul trimmer di riferimento in maniera semplice.
Però innanzitutto comincia a decidere come alimentarli: personalmente ti consiglierei di comprarti un alimentatore stabilizzato tipo questo, costruirselo non vale la pena.
4
voti
Elidur ha scritto:I led li puoi alimentare sia in serie che in parallelo, l'importante è dargli la tensione giusta, magari leggermente meno della massima.
Questo è completamente sbagliato. I LED (specialmente se di potenza) si alimentato strettamente in corrente.
E metterli in parallelo, sì, si può, ma ci sono un paio di cose da tenere in considerazione!
Pilotare LED di quella potenza con circuiti lineari non mi sembra una buona idea.
Visto che l'OP non ha evidentemente l'esperienza per costruire un driver switching, consiglio di comprarne uno fatto e finito.
Boiler
0
voti
COMPRESA LA COMPLESSITA' del concetto di alimentazione dei led di potenza ho puntato su un driver pronto.
Comunque a livello hobbystico uno lo vorrei autocostruire. Qui mi avete dato tanti progetti che ho realizzato perfetti per le mie esigenze.
CALCOLANDO CHE LAVORO SOLO IN 12 volt perché mi servono dei punti luci esterni su un furgone camper.
Comunque a livello hobbystico uno lo vorrei autocostruire. Qui mi avete dato tanti progetti che ho realizzato perfetti per le mie esigenze.
CALCOLANDO CHE LAVORO SOLO IN 12 volt perché mi servono dei punti luci esterni su un furgone camper.
0
voti
Hai fatto la scelta giusta, ricordati di reperire dei buoni dissipatori perché quei led scaldano.
Se poi vorrai divertirti con qualche esperimento con alimentazione a 12V.,anche di tecnologia lineare, potremo riparlarne. L'alimentazione lineare non è uno sbaglio ma una soluzione alternativa e utile quando si riscontra l'impossibilità di autocostruire un alimentatore switching. L’alimentazione in corrente si può ottenere anche con tecnologia lineare, cambia il rendimento ma non la funzionalità o la sicurezza. Anche l’alimentazione in tensione non è una componimento teatrale, è un modo semplice per ottenere un risultato, l'importante è adottare qualche precauzione…
Se poi vorrai divertirti con qualche esperimento con alimentazione a 12V.,anche di tecnologia lineare, potremo riparlarne. L'alimentazione lineare non è uno sbaglio ma una soluzione alternativa e utile quando si riscontra l'impossibilità di autocostruire un alimentatore switching. L’alimentazione in corrente si può ottenere anche con tecnologia lineare, cambia il rendimento ma non la funzionalità o la sicurezza. Anche l’alimentazione in tensione non è una componimento teatrale, è un modo semplice per ottenere un risultato, l'importante è adottare qualche precauzione…
0
voti
Gnomoo..mi sembra (dalle tue risposte) che ti manchino le basi...
Quei LED necessitano di un buon dissipatore e di un circuito di alimentazione adatto, e per realizzarli devi essere in grado di fare misure accurate.
Se non li hai già comprati valuta le strip LED, che puoi alimentare direttamente da batteria. Con quei LED (se non li bruci) ci illumini a giorno la piazzola
Prova a leggere tra i miei articoli se trovi qualche spunto
https://www.electroyou.it/richiurci/wik ... i-articoli
Ci potrebbe essere anche quanlche soluzione mooolto alla Richi, ma rischio di esssere bannato se la descrivo

Quei LED necessitano di un buon dissipatore e di un circuito di alimentazione adatto, e per realizzarli devi essere in grado di fare misure accurate.
Se non li hai già comprati valuta le strip LED, che puoi alimentare direttamente da batteria. Con quei LED (se non li bruci) ci illumini a giorno la piazzola
Prova a leggere tra i miei articoli se trovi qualche spunto
https://www.electroyou.it/richiurci/wik ... i-articoli
Ci potrebbe essere anche quanlche soluzione mooolto alla Richi, ma rischio di esssere bannato se la descrivo
0
voti
gnomoo ha scritto:lineare intendi tipo i raddrizzatori da ac/dc ?
Si, anche, ma non soltanto. Un regolatore lineare si può realizzare anche da DC a DC. Il problema è che con le poche informazioni che fornisci non è facile darti una soluzione mirata, non si capisce se hai bisogno di illuminazione concentrata, tipo plafoniera, oppure se hai bisogno di illuminazione distribuita. Scegliendo soluzioni semplici e di rapida, quanto sicura realizzazione, potresti orientarti nei modi che seguono. Se devi utilizzare una batteria da 12,6V e concentrare la luce ad esempio: dal soffitto verso il tavolo (tipo plafoniera) allora potresti utilizzare una serie di 4 led del tipo che hai indicato. Non s’illuminerebbero a pieno ma mettendone 4 in serie saresti ancora nei limiti indicati dal costruttore ed il quarto led potrebbe compensare la riduzione di luminosità d’insieme. Il vantaggio di questa soluzione è che devi mettere soltanto un dissipatore adeguato ma niente elettronica perché in quel caso l’alimentazione non sarà mai superiore a quella massima tollerata dai led. Inoltre, se ti risultasse possibile utilizzare un alimentatore economico a 12,6V DC e che sarebbe facile trovare anche di recupero, potresti servirti un vecchio alimentatore da computer che sarebbe switching e scalderebbe poco.
Se invece ti occorresse un’illuminazione distribuita, ad esempio: per gazebo, da alimentare sempre a 12,6V DC, allora la soluzione migliore sarebbe quella proposta da
Con le strisce led a 12,6V DC, (le mie sono lunghe 2 metri l’una) otterresti un’illuminazione intensa, diffusa e senza necessità di dissipazione. In più potresti facilmente mettere degli interruttori per decidere se accendere completamente o parzialmente l’impianto d’illuminazione, non è cosa da poco per la durata della carica dell’accumulatore.
Valuta un po’ tu adesso, che conosci bene le tue esigenze.
26 messaggi
• Pagina 2 di 3 • 1, 2, 3
Chi c’è in linea
Visitano il forum: Nessuno e 208 ospiti

Elettrotecnica e non solo (admin)
Un gatto tra gli elettroni (IsidoroKZ)
Esperienza e simulazioni (g.schgor)
Moleskine di un idraulico (RenzoDF)
Il Blog di ElectroYou (webmaster)
Idee microcontrollate (TardoFreak)
PICcoli grandi PICMicro (Paolino)
Il blog elettrico di carloc (carloc)
DirtEYblooog (dirtydeeds)
Di tutto... un po' (jordan20)
AK47 (lillo)
Esperienze elettroniche (marco438)
Telecomunicazioni musicali (clavicordo)
Automazione ed Elettronica (gustavo)
Direttive per la sicurezza (ErnestoCappelletti)
EYnfo dall'Alaska (mir)
Apriamo il quadro! (attilio)
H7-25 (asdf)
Passione Elettrica (massimob)
Elettroni a spasso (guidob)
Bloguerra (guerra)






