provato lo schema proposto da Stefano Sunda ma non ha funzionato , non è successo nulla
Probabilmente è stato manomesso, oppure interruzione di qualche avvolgimento.
Moderatori:
SandroCalligaro,
mario_maggi,
fpalone
provato lo schema proposto da Stefano Sunda ma non ha funzionato , non è successo nulla




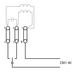
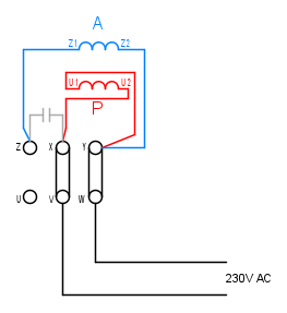
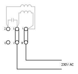
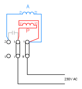
srg ha scritto:ciao, ho provato lo schema proposto da stefanosunda ma non ha funzionato , non è successo nullaStefanoSunda ha scritto:E' inutile averti fatto lo schema. Devi cambiare le piastrine da verticale le devi mettere orizzontale ci colleghi l'alimentazione come schema, e il motore dovrebbe girare a contrario.
Mi è gia capitato con una pompa, non si inverte il senso di marcia, un polo dell'avvoogimento di avviamento non esce all'esterno, ma è collegato dentro.StefanoSunda ha scritto:provato lo schema proposto da Stefano Sunda ma non ha funzionato , non è successo nulla
Probabilmente è stato manomesso, oppure interruzione di qualche avvolgimento.



Visitano il forum: Nessuno e 25 ospiti