Cos'è ElectroYou | Login Iscriviti

ElectroYou - la comunità dei professionisti del mondo elettrico

Riparazione alimentatore switching 12V - 6,5A

Tecniche per la costruzione e la riparazione di apparecchiature elettriche e non. Ricerca guasti. Adattamenti e riutilizzazioni
0
voti

[41] Re: Riparazione alimentatore switching 12V - 6,5A

Messaggioda Foto UtenteAlan18 » 22 mar 2021, 20:03

IsidoroKZ ha scritto:Ho provato a ridisegnare il circuito in modo piu` leggibile (almeno per me).

Mi permetto di dire: "credo per tutti". :D

IsidoroKZ ha scritto:Molti condensatori hanno una n strana sul simbolo nF. Che cosa hai scritto? (ad esempio C6, C8 ed altri).

Ovviamente volevo scrivere solo nF. Correggerò.

IsidoroKZ ha scritto:Ho l'impressione che abbiano avuto parecchi problemi...

Ti riferisci a chi ha progettato il circuito? In tal caso, non so se ti ricordi, all'inizio avevo evidenziato il fatto che il PCB non mi sembrava nato esattamente per questo circuito. Avevo riscontrato alcune "anomalie" tipo componenti presenti solo in serigrafia o altri che non erano corrispondenti alla serigrafia. Che non so se poi, in realtà, sono cose "normali" o usuali utilizzare lo stesso PCB per diversi prodotti.

IsidoroKZ ha scritto:Puo` darsi che spostando i pezzi mi sia perduto qualcosa per strada...

Magari stasera confronto entrambi gli schemi e vedo se è sparito qualcosa. Intanto,solo per il tempo che ci hai perso, grazie.Sul serio, apprezzo molto tutti gli aiuti.

IsidoroKZ ha scritto: Mi pare ovvio che di riparare questo switching proprio non se ne parli...

Io speravo che bastasse rimpiazzare le R mancanti, visto all'inizio probabilmente funzionava a quanto mi hanno detto. Certo, non sarei in grado di analizzare a fondo il funzionamento del circuito, ma potrei comunque fare delle verifiche basilari. Ho già testato il ponte raddrizzatore che era andato ed aspetto il sostituto, fusibile andato, mosfet e BJT ok, tutti i diodi mi sembrano ok, come le resistenze. Gli avvolgimenti sono in continuità ed isolati l'uno dall'altro. Il condensatore di livellamento C1 è ok, anche come valore con il capacimetro. Gli altri dovrei provarli. L'optoisolatore è ancora da verificare. Magari quando proverò a collegare l'alimentatore alla rete userò il trucco della lampadina. Al massimo si accende.
Non ho l'oscilloscopio quindi non potrei fare certe verifiche come la presenza dell'onda quadra o altro.

Meno male che hai studiato papirologia....mi dispiace farvi fare questa fatica assurda per capire i miei schemi. Io però c'è la sto mettendo tutta e spero di migliorare.

marioursino ha scritto:Con il feedback optoisolato è comune mettete a 0 V il pin FB...

Ho trovato pochissimi schemi di questo tipo in rete. Qualcuno l'ho già linkato. Ma almeno ora hai fatto un po' di luce...a me più che altro. Grazie per la spiegazione.
Avatar utente
Foto UtenteAlan18
514 1 3 7
Frequentatore
Frequentatore
 
Messaggi: 225
Iscritto il: 8 mar 2020, 13:11

1
voti

[42] Re: Riparazione alimentatore switching 12V - 6,5A

Messaggioda Foto UtenteAlan18 » 29 mar 2021, 16:35

Buongiorno a tutti, nell'attesa dei componenti mancanti, volevo fare alcune domande sul principio di funzionamento del mio circuito, che IsidoroKZ ha gentilmente sistemato (post 38) e che per comodità ripropongo. Vogliate perdonarmi se molte saranno banali, ma penso possano essere d'aiuto specialmente per chi si trova al mio stesso livello. Ho fatto diverse ricerche che mi hanno aiutato molto, ma alcune cose non mi sono ancora chiare e per altre avrei solo bisogno della conferma di aver capito bene. Non pongo insieme tutte le domande altrimenti le risposte sarebbero lunghissime. Sono ben accetti anche eventuali link a pagine o video per l'approfondimento. Meglio in italiano, sarebbe l'ideale, ma anche in inglese dovrebbero andar bene.

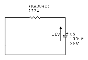
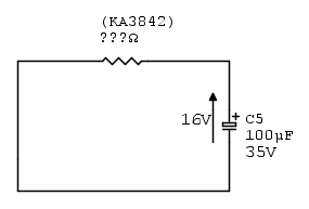
1) Partendo dall'inizio: al momento del collegamento alla tensione di rete, è corretto dire che la tensione raddrizzata di circa 310V attraversa R15 (270 ohm) e giunge a C5 con un valore che si aggira intorno ai 21V, per poi giungere al VCC dell'integrato per il primo avvio? La caduta di tensione su R15 è provocata dal parallelo di R16+R17?

2)L'integrato, una volta alimentato, al termine del suo primo impulso di Ton che manda in conduzione il mosfet, viene alimentato dalla tensione e corrente indotte dal nucleo del trasformatore attraverso l'avvolgimento ausiliario? Giusto? Se questo è corretto, la tensione viene mantenuta costante dal processo di carica/scarica di C5 durante le fasi di commutazione del mosfet?

3)Ultima domanda, la tensione indotta dal nucleo del trasformatore nei 3 avvolgimenti presenti, quale forma d'onda presenta? E' sempre una sinusoide con valori positivi e negativi che poi viene trasformata in semionde positive in uscita dai rispettivi diodi raddrizzatori?

Grazie come sempre a chi mi aiuta.
In allegato il circuito. Se carico il codice sorgente di IsidoroKZ su fidocadj, alcuni caratteri tipo il simbolo di ohm vengono visualizzati in maniera errrata (forse problema di versioni diverse). Quindi devo per forza allegare l'immagine.
Circuito.png
Avatar utente
Foto UtenteAlan18
514 1 3 7
Frequentatore
Frequentatore
 
Messaggi: 225
Iscritto il: 8 mar 2020, 13:11

1
voti

[43] Re: Riparazione alimentatore switching 12V - 6,5A

Messaggioda Foto Utentemarioursino » 29 mar 2021, 18:15

Per capire il funzionamento del flyback può esserti utile un mio articolo, nel quale ci sono alcune forme d'onda schematizzate, qui.
Avatar utente
Foto Utentemarioursino
5.687 3 9 13
G.Master EY
G.Master EY
 
Messaggi: 1598
Iscritto il: 5 dic 2009, 4:32

2
voti

[44] Re: Riparazione alimentatore switching 12V - 6,5A

Messaggioda Foto UtenteIsidoroKZ » 29 mar 2021, 18:30

Alan18 ha scritto:1) Partendo dall'inizio: al momento del collegamento alla tensione di rete, è corretto dire che la tensione raddrizzata di circa 310V attraversa R15 (270 ohm) e giunge a C5 con un valore che si aggira intorno ai 21V, per poi giungere al VCC dell'integrato per il primo avvio? La caduta di tensione su R15 è provocata dal parallelo di R16+R17?


R15 non puo` essere da 270Ω, al piu` da 270kΩ. La tensione non entra a 310V ed esce a 21V, R15 carica il condensatore C5, che parte da zero e tende asintoticamente a 310V (studia il comportamento dei circuiti RC). La corrente di carica iniziale e` dalle parti di 1mA, il controllore 3842 e` in shut down e praticamente non consuma corrente (mezzo milliampere, mi pare). Nelle resistenze R16 e R17 non passa corrente perche' hanno in serie un diodo che blocca la corrente.

Alan18 ha scritto:2)L'integrato, una volta alimentato, al termine del suo primo impulso di Ton che manda in conduzione il mosfet, viene alimentato dalla tensione e corrente indotte dal nucleo del trasformatore attraverso l'avvolgimento ausiliario? Giusto? Se questo è corretto, la tensione viene mantenuta costante dal processo di carica/scarica di C5 durante le fasi di commutazione del mosfet?

No, al termine del primo impulso in uscita sui secondari non c'e` ancora tensione, servono tanti impulsi prima che le due tensioni di uscita salgano e l'avvolgimento ausiliario possa alimentare il controllore.
Quando il controllore si sveglia consuma circa 20mA, che non possono arrivare da R15. Per i primi cicli il controllore funziona grazie a C15, che nel frattempo si scarica. Prima che C5 arrivi alla tensione di spegnimento del controllore, le tensioni sulle uscite sono salite abbastanza per tenere vivo il controllore.

Se c'e` un corto sull'uscita, anche la tensione all'uscita dell'ausiliario scende e il controllore si spegne. R15 ricomincia a caricare C5 e il circuito prova a ripartire.

Per le forme d'onda guarda l'articolo di Foto Utentemarioursino.

Compito a casa. Calcola quanto tempo impiega la tensione su C5 a salire da 0V a 21V, trascura la corrente assorbita dal controllore. Poi considerando che il controllore assorbe 20mA, calcola quanto tempo impiega la tensione su C15 a scendere da 21V a 15V. Trascura la corrente che arriva da R15.

Per i simboli, quando apri il sorgente con il browser, imposta il set di caratteri in uincode.
Per usare proficuamente un simulatore, bisogna sapere molta più elettronica di lui
Plug it in - it works better!
Il 555 sta all'elettronica come Arduino all'informatica! (entrambi loro malgrado)
Se volete risposte rispondete a tutte le mie domande
Avatar utente
Foto UtenteIsidoroKZ
121,2k 1 3 8
G.Master EY
G.Master EY
 
Messaggi: 21059
Iscritto il: 17 ott 2009, 0:00

3
voti

[45] Re: Riparazione alimentatore switching 12V - 6,5A

Messaggioda Foto UtenteAlan18 » 1 apr 2021, 19:31

Allora, partiamo dalla fine: compito a casa di Foto UtenteIsidoroKZ. Speriamo bene, perché sono ancora meno sicuro di quando scrivo le cose che penso di aver capito, quindi potrebbero seguire assurdità. Metto per esteso i miei ragionamenti, così da potermi correggere.
Partiamo dal circuito in questione che, considerando C5 ed R15 e semplificando un po', può essere considerato un circuito RC come segue.

Il primo mistero è scoprire quanto tempo impiega C5 per passare da 0 V a 21V.
Sappiamo che la carica di C5 segue una curva caratteristica secondo la quale la velocità di trasferimento delle cariche sulle sue armature è massima nell'istante appena seguente t_0 e decresce mano mano che C5 si avvicina al Vc_{\text{max}}(che alla lunga tenderà a V_{\text{in}}). La tensione di R15, a differenza di C5 sale immediatamente a V_{\text{in}}.
Il tempo di carica dipende proporzionalmente dai valori di C e di R. Infatti una resistenza più alta implica un trasferimento più lento di cariche elettriche su C (per via della i bassa, giusto?) ed ovviamente, più è grande la sua capacità e maggiore sarà il tempo necessario a “riempirlo”. In breve, più crescono C ed R e più lungo sarà il tempo di carica. Il prodotto di C ed R ci fornisce la c.d. costante di tempo \tau. In base a ciò che ho capito sarebbe anche il tempo necessario a caricare C al 63% circa. 5\tau viene considerato il tempo necessario per arrivare quasi al 100%.
\tau nel nostro caso vale: \left ( 27\cdot 10^{4}\Omega \right )\cdot \left ( 1\cdot 10^{-4}F \right )= 27s
(Ma è giusto? Mi sembra un tempo infinito....)
L'equazione che regola la tensione ai capi del condensatore nel tempo in fase di carica è:
V_c=V_{\text{in}}\left(1-e^\frac{-t}{RC}\right)
La formula inversa mi consente di calcolare t, cioè il tempo che è passato quando V_c è ad un determinato valore, che nel nostro caso è 21V. (formula copiata perché da solo non ci sarei mai arrivato) è questa:
t=-RC\cdot \ln\left(1-\frac{V_c}{V_{\text{in}}}\right)=-27s\cdot ln\ \left (1- \frac{21}{310} \right )=-27s\cdot ln\ \left ( 0,932 \right )= 1,901s
Ad ogni modo, se i calcoli sono giusti, viene fuori che C arriverà alla tensione di 21V dopo 1,901 secondi. Ora, siccome il post sta diventando troppo lungo e non so nemmeno se ho percorso la giusta strada, aspetto le varie considerazioni e poi mi lancio sul secondo quesito (su cui ho anche più difficoltà). Spero che nel frattempo nessuno si sia cavato gli occhi per quello che ho scritto.
IsidoroKZ ha scritto:R15 non puo` essere da 270Ω, al piu` da 270kΩ.

Si...errore di battitura, sorry.
Grazie Foto Utentemarioursino per l'articolo. E' davvero molto dettagliato e di un livello sicuramente abbastanza alto per le mie attuali conoscenze. Infatti l'ho riletto tipo 3 volte, ma mi è stato comunque utile. Molto chiari i grafici, che rispondevano esattamente ai miei dubbi. Grazie.

Una domanda per il quesito nr.2. Nella fase di scarica di C5 durante la quale viene alimentato il controllore, quest'ultimo deve essere considerato come un carico resistivo, giusto? Ho dubbi sul disegno del circuito di scarica. Mi viene da dire che C5 funge da generatore, mentre l'integrato funge da resistenza. Nella mia testa la corrente fluisce dal +di C5 verso Vcc e poi va a GND e chiude il circuito. R15 va esclusa? Scusate...dubbi atroci :D
PS: Ho litigato non poco con LaTex, altra novità per me. Se nelle formule c'è qualche errore è dovuto a questo.
Thank you!!
Avatar utente
Foto UtenteAlan18
514 1 3 7
Frequentatore
Frequentatore
 
Messaggi: 225
Iscritto il: 8 mar 2020, 13:11

2
voti

[46] Re: Riparazione alimentatore switching 12V - 6,5A

Messaggioda Foto UtenteIsidoroKZ » 1 apr 2021, 20:16

Sì, è giusto bravo. Adesso il tempo di "sopravvivenza" del controllore con la sola carica che c'è nel condensatore.
Verifica sul data sheet del controllore quali sono le tensioni di accensione e spegnimento dell'integrato, non sono sicuro che siano 21V e 16V come avevo detto.
Per usare proficuamente un simulatore, bisogna sapere molta più elettronica di lui
Plug it in - it works better!
Il 555 sta all'elettronica come Arduino all'informatica! (entrambi loro malgrado)
Se volete risposte rispondete a tutte le mie domande
Avatar utente
Foto UtenteIsidoroKZ
121,2k 1 3 8
G.Master EY
G.Master EY
 
Messaggi: 21059
Iscritto il: 17 ott 2009, 0:00

2
voti

[47] Re: Riparazione alimentatore switching 12V - 6,5A

Messaggioda Foto UtenteAlan18 » 3 apr 2021, 18:27

IsidoroKZ ha scritto:Sì, è giusto bravo.

Sono quasi commosso :shock: Forse è la prima volta che non dico cose sbagliate. :mrgreen:
Sinceramente vedendo la risposta molto corta, pensavo ad un ironico "si, si, bravo....lascia perdere va".

Comunque, per quanto riguarda il controllore KA3842, guardando il datasheet (allegato nel 1°post) penso che la minima tensione per la sua accensione sia di 10V, con una tensione di lavoro consigliata (tipica) di 16V. La massima tensione supportata è di 30V.
Quindi, rifacendo i calcoli, la tensione ai capi di C5 sarà di 16V dopo 1,431s.

Tenendo sempre presente le proprietà dei circuiti RC, durante la fase di scarica, possiamo considerare il circuito come segue.
C5 "diventa" un generatore ed il controllore si comporta come un resistore.
La tensione ai capi di C5 parte da un valore massimo nell'istante iniziale, per cui V_c=V_0 , dove V_0 rappresenta il valore iniziale della tensione ai capi del condensatore, e decresce man mano le le cariche q migrano dal polo positivo a quello negativo attraversando il resistore.


L'equazione che determina il valore di V_c nel tempo in fase di scarica è:
V_c=V_0\cdot e^\frac{-t}{RC}

La tensione ai capi della resistenza (nel nostro caso tra Vcc e GND del controllore) segue la tensione di scarica del condensatore, che sarà però di segno opposto.
\tau è sempre la nostra costante di tempo e vale R\cdot C.
Dopo un tempo \tau, l'equazione vale V_c=V_0\cdot e

La formula inversa che ci dice dopo quanto tempo V_c arriva ad un determinato valore che nel nostro caso è 10V è la seguente:
t=-RC\cdot \ln\left(\frac{V_c}{V_0}\right)

La corrente è massima nel momento iniziale e tende a 0 dopo 5 \tau. Stessa cosa per V_c.
La sua variazione nel tempo segue l'equazione i=\frac{Q}{RC}\cdot e^\frac{-t}{RC}

Ora, ammesso e non concesso di aver scritto tutto bene, e aver capito (penso) i principi generali che regolano la scarica di un condensatore in un circuito RC (di cui ignoravo l'esistenza fino a pochi giorni fa), mi sono comunque bloccato. Non sono per niente sicuro di come procedere.
Ad esempio, in questo circuito non conosco il valore della resistenza, o meglio, il valore di resistenza che offre il controllore. E quindi non conosco nemmeno la costante di tempo. Normalmente, avendo V e i, mi calcolerei la R tramite la legge di Ohm. Ciò che mi disorienta un po' è che, secondo le regole sopra descritte, mi ritrovo con V e i che sono variabili e decrescono nel tempo. So che V e i decrescono in maniera analoga, quindi in teoria il loro rapporto penso che mi dia lo stesso valore in qualunque momento della scarica, ma non ne sono sicuro. E' giusto una mia considerazione ad intuito.
Però sappiamo anche che il controllore richiede una certa corrente per funzionare, quindi in teoria dovrebbero circolare nel circuito 20mA fissi. Non so come orientare i miei ragionamenti. #-o
Cercando in rete ho trovato sempre esempi e spiegazioni in cui sia C che R sono valori noti.
Ah, ultima cosa, probabilmente potrei calcolare la carica Q iniziale data da C\cdot V_0, da inserire poi nell'equazione che mi dà i.
Cortesemente, avrei bisogno di essere un po' indirizzato.
Grazie.
Avatar utente
Foto UtenteAlan18
514 1 3 7
Frequentatore
Frequentatore
 
Messaggi: 225
Iscritto il: 8 mar 2020, 13:11

2
voti

[48] Re: Riparazione alimentatore switching 12V - 6,5A

Messaggioda Foto UtenteIsidoroKZ » 5 apr 2021, 3:16

Ok per le tensioni e il tempo di carica.

Per la scarica invece la corrente assorbita e` costante, 20mA (visti nella palla di cristallo), quindi il calcolo e` piu` facile, niente esponenziali, la scarica e` lineare, da 16V, tensione alla quale il controllore si accende, giu` fino a 10V, tensione a cui il controllore si spegne.

Le due tensioni che hai visto sul data sheet sono tensioni tipiche, e come per tutti i parametri tipici, nei progetti non si usano praticamente mai. In questo caso non stiamo facendo un progetto (che richiederebbe anche di considerare le tolleranze dei componenti), quindi questi due valori vanno benissimo.
Per usare proficuamente un simulatore, bisogna sapere molta più elettronica di lui
Plug it in - it works better!
Il 555 sta all'elettronica come Arduino all'informatica! (entrambi loro malgrado)
Se volete risposte rispondete a tutte le mie domande
Avatar utente
Foto UtenteIsidoroKZ
121,2k 1 3 8
G.Master EY
G.Master EY
 
Messaggi: 21059
Iscritto il: 17 ott 2009, 0:00

2
voti

[49] Re: Riparazione alimentatore switching 12V - 6,5A

Messaggioda Foto UtenteAlan18 » 5 apr 2021, 21:23

Premetto che non so se alla fine di questo post avrò dato la risposta corretta...però è curioso il modo in cui è iniziato il mio ragionamento. Praticamente mi è venuta un'illuminazione leggendo una frase presente in fondo ad ogni risposta di Foto UtenteIsidoroKZ. "Se volete risposte rispondete a tutte le mie domande". Così ho iniziato ad analizzare ogni sua singola parola degli ultimi post...
IsidoroKZ ha scritto:Adesso il tempo di "sopravvivenza" del controllore con la sola carica che c'è nel condensatore.

E quando ho letto questa frase....bam! Carica...tempo.....Mi è istantaneamente venuto questo ragionamento.
Spero sia giusto perché, anche se rischio figuracce, mi sento abbastanza convinto.

Sapendo che la i che circola è 0,020A, ho fatto queste considerazioni:
Sappiamo che la corrente rappresenta le quantità di cariche che attraversano il conduttore in un intervallo di tempo\Delta t
Quindi i=\frac{Q}{\Delta t}.
In termini di unità di misura possiamo anche considerare che Ampere=\frac{Coulomb}{secondo}

Ragionando inversamente, possiamo anche dire che \Delta t=\frac {Q}{i}.

Tenendo presente quanto sopra, noi vogliamo sapere in quanto tempo le cariche q abbandonano il polo positivo del condensatore (convenzionalmente parlando), attraversano il controllore e si vanno a depositare sulla piastra negativa, abbassando quindi sempre di più la d.d.p. ai suoi capi.
Voglio intanto sapere quanta carica Q è presente nel condensatore da 100 uF alla tensione iniziale di 16V.

La carica Q del condensatore è data dalla sua capacità per la d.d.p. ai suoi capi, quindi:
Q= C\cdot V= 0,0001F\cdot 16V= 0,0016\ Coulomb

Utilizzando la formula inversa sopra indicata, possiamo stabilire in quanto tempo questi 0,0016 C lasceranno la piastra positiva del condensatore o, in altri termini, porteranno la d.d.p. ai suoi capi a 0V. Quindi:
\Delta t=\frac {0,0016\ C}{0,020\ A}=0,08\ s
infatti \frac{C}{\frac{C}{s}}=s

A noi interessa però sapere quanto impiega il condensatore ad arrivare a 10V. E cioè quando Q=0,0010\ C che in pratica è quando sono passati 0,0006C

\Delta t=\frac {0,0006\ C}{0,020\ A}=0,03\ s

Ai capi del condensatore sono presenti 10V dopo 0,03 secondi.
8-[
Spero di aver detto giusto....
Avatar utente
Foto UtenteAlan18
514 1 3 7
Frequentatore
Frequentatore
 
Messaggi: 225
Iscritto il: 8 mar 2020, 13:11

2
voti

[50] Re: Riparazione alimentatore switching 12V - 6,5A

Messaggioda Foto UtenteIsidoroKZ » 6 apr 2021, 0:55

Sì, giusto! =D> =D> certo che se usassi anche i prefissi per le unità di misura non sarebbe brutto! Che cosa ti ha fatto di bene (o di male) Carlo Agostino per farti usare il suo cognome per intero?

Ora in 30ms l'oscillarore del controller, che lavora a 100kHz se ben ricordo i conti che avevo fatto, fa 3000 cicli. A regime ogni ciclo porta sull'uscita un'energia pari alla potenza di uscita massima divisa per la frequenza di commutazione.

Durante la partenza ci può essere un soft start che fa salire adagio l'energia per ciclo, però per semplificare i conti iniziali lo si può trascurare.

Assumendo che anche i primi cicli possano lavorare a piena energia, riescono a caricare il condensatore di uscita a 12V in 30ms? Quanto tempo ci mette?

PS: sto facendo delle ipotesi che non sono verificate, vale a dire che il convertitore sia da subito in DCM. Il conto corretto è un po' più complicato, ma a pasquetta le eq. diff. troppo difficili non vanno bene.
Per usare proficuamente un simulatore, bisogna sapere molta più elettronica di lui
Plug it in - it works better!
Il 555 sta all'elettronica come Arduino all'informatica! (entrambi loro malgrado)
Se volete risposte rispondete a tutte le mie domande
Avatar utente
Foto UtenteIsidoroKZ
121,2k 1 3 8
G.Master EY
G.Master EY
 
Messaggi: 21059
Iscritto il: 17 ott 2009, 0:00

PrecedenteProssimo

Torna a Costruzione, riparazione, riutilizzo

Chi c’è in linea

Visitano il forum: Nessuno e 48 ospiti