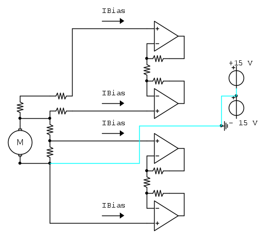
IsidoroKZ ha scritto:Non e` corretto. Le correnti di bias hanno tutte lo stesso segno, il collegamento di ground ci vuole. Se non avessero lo stesso segno ci vorrebbe lo stesso, non si compensano!
Inoltre senza ground collegati insieme la tensione di modo di modo comune di ingresso non e` definita e puo` assumere qualunque valore.
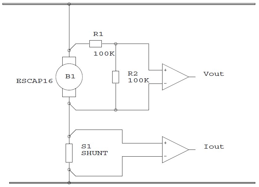
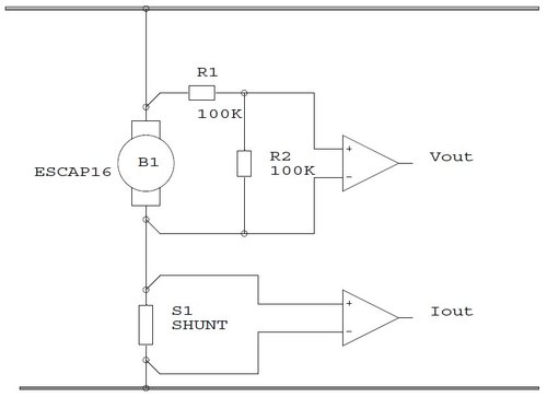
Acquisizione tensione e corrente di motore DC
Moderatori:
dimaios,
carlomariamanenti
24 messaggi
• Pagina 3 di 3 • 1, 2, 3
0
voti
Ultima modifica di
elfo il 15 mar 2021, 0:03, modificato 2 volte in totale.
0
voti
Ecco, appunto, il ground comune ci vuole!
Per usare proficuamente un simulatore, bisogna sapere molta più elettronica di lui
Plug it in - it works better!
Il 555 sta all'elettronica come Arduino all'informatica! (entrambi loro malgrado)
Se volete risposte rispondete a tutte le mie domande
Plug it in - it works better!
Il 555 sta all'elettronica come Arduino all'informatica! (entrambi loro malgrado)
Se volete risposte rispondete a tutte le mie domande
0
voti
MarcoD ha scritto:Per dimensionare il filtro:
A quale velocita ruota il motore?
Con che frequenza campioni i valori?
Interessa rilevare la corrente durante una frazione di giro del motore o no?.
Supponiamo di filtrare con costante di tempo Tau = 50 ms
Tau = R x C
Mettiamo un R = 10kohm in serie a un morsetto dell'acquisitore.
C = Tau / R = 0,05/1000 = 50 uF da mettere in parallelo ai morsetti.
il motore ruota tra circa 750 e 1200 RMP a seconda delle sforzo al quale è sottoposto
Il campionamento potrebbe essere attorno ai 10Hz.
Non mi interessa valutare la corrente durante la frazione di giro anzi, l'opposto.
Vorrei una misura media che non consideri i disturbi e che mi dia una corrispondenza dello sforzo al quale viene sottoposto il motore.
-

JeanValjean
35 3 - Messaggi: 10
- Iscritto il: 17 gen 2015, 20:41
1
voti
Ciao, leggo solo ora. Il tuo esercizio è interessante, una misura di corrente di armatura e di tensione d'armatura di un motore elettrico in continua è cosa banale, ma se si usano gli strumenti adatti.
Ho guardato l'intera discussione e per esperienza ti dico che l'uso di amplificatori per estensimetria, per fare queste cose, non è il massimo, ma se non hai altro, va bene così.
1) Lo shunt lo metterei al negativo dell'alimentazione del motore, che farei coincidere con il GND dello strumento (se possibile) ed in fine i due ingressi negativi degli stadi di misura differenziali, li collegherei quello per la corrente, al negativo vicino al punto dove si collega la resistenza di shunt si collega al meno (connessione Kelvin). L'ingresso negativo del canale che misura la tensione, lo collegherei al polo del motore che si collega alla resistenza di shunt.
2) Usando il guadagno 1 per lo stadio di tensione, metterei Sì un partitore ma con valore della resistenza nell'ordine dei kΩ, dimensionando il partitore in modo che alla massima tensione di alimentazione del motore, il partitore restituisca 5volt. Eviti tutti i guai della saturazione degli stadi. In più in parallelo al motorino metterei un condensatore da 100nF 63V tipo ceramico multistrato o a disco, così elimini gli impulsi di commutazione sulle spazzole. Per il resto non servono filtri perché dallo schema il tuo amplificatore è già filtrato e adeguatamente protetto in tal senso. Però se campioni lentamente, ricorda che un filtro anti-aliasing serve a va adeguatamente proprzionato. per sicurezza se campioni a 10Hz il filtro lo metterei ad 1Hz, così non trovi cose starne. Comunque campionare a 10Hz su di un motore in DC vuol dire: regime stazionario.
3) Per lo shunt io userei una resistenza frazionaria cioè inferiore ad 1 ohm. Cercherei invece di lavorare con un po' guadagno dello stadio. La resistenza di shunt va dimensionata in funzione del campo di corrente ipotizzata e in modo da evitare la saturazione dello stadio. Ricorda anche che lo shunt, se è troppo elevato come valore di resistenza, ha effetto sull'accelerazione e la caratteristica di coppia del motore, perciò non va scelto a caso, dipende dal motore e da ciò che vuoi fare.
Ho guardato l'intera discussione e per esperienza ti dico che l'uso di amplificatori per estensimetria, per fare queste cose, non è il massimo, ma se non hai altro, va bene così.
1) Lo shunt lo metterei al negativo dell'alimentazione del motore, che farei coincidere con il GND dello strumento (se possibile) ed in fine i due ingressi negativi degli stadi di misura differenziali, li collegherei quello per la corrente, al negativo vicino al punto dove si collega la resistenza di shunt si collega al meno (connessione Kelvin). L'ingresso negativo del canale che misura la tensione, lo collegherei al polo del motore che si collega alla resistenza di shunt.
2) Usando il guadagno 1 per lo stadio di tensione, metterei Sì un partitore ma con valore della resistenza nell'ordine dei kΩ, dimensionando il partitore in modo che alla massima tensione di alimentazione del motore, il partitore restituisca 5volt. Eviti tutti i guai della saturazione degli stadi. In più in parallelo al motorino metterei un condensatore da 100nF 63V tipo ceramico multistrato o a disco, così elimini gli impulsi di commutazione sulle spazzole. Per il resto non servono filtri perché dallo schema il tuo amplificatore è già filtrato e adeguatamente protetto in tal senso. Però se campioni lentamente, ricorda che un filtro anti-aliasing serve a va adeguatamente proprzionato. per sicurezza se campioni a 10Hz il filtro lo metterei ad 1Hz, così non trovi cose starne. Comunque campionare a 10Hz su di un motore in DC vuol dire: regime stazionario.
3) Per lo shunt io userei una resistenza frazionaria cioè inferiore ad 1 ohm. Cercherei invece di lavorare con un po' guadagno dello stadio. La resistenza di shunt va dimensionata in funzione del campo di corrente ipotizzata e in modo da evitare la saturazione dello stadio. Ricorda anche che lo shunt, se è troppo elevato come valore di resistenza, ha effetto sull'accelerazione e la caratteristica di coppia del motore, perciò non va scelto a caso, dipende dal motore e da ciò che vuoi fare.
24 messaggi
• Pagina 3 di 3 • 1, 2, 3
Torna a Automazione industriale ed azionamenti
Chi c’è in linea
Visitano il forum: Nessuno e 15 ospiti

Elettrotecnica e non solo (admin)
Un gatto tra gli elettroni (IsidoroKZ)
Esperienza e simulazioni (g.schgor)
Moleskine di un idraulico (RenzoDF)
Il Blog di ElectroYou (webmaster)
Idee microcontrollate (TardoFreak)
PICcoli grandi PICMicro (Paolino)
Il blog elettrico di carloc (carloc)
DirtEYblooog (dirtydeeds)
Di tutto... un po' (jordan20)
AK47 (lillo)
Esperienze elettroniche (marco438)
Telecomunicazioni musicali (clavicordo)
Automazione ed Elettronica (gustavo)
Direttive per la sicurezza (ErnestoCappelletti)
EYnfo dall'Alaska (mir)
Apriamo il quadro! (attilio)
H7-25 (asdf)
Passione Elettrica (massimob)
Elettroni a spasso (guidob)
Bloguerra (guerra)




