Ho avviato questa discussione come seguito di un’altra, questa, che ha contribuito ad insegnare alcune soluzioni pratiche senza però riuscire a risolvere il problema di progetto. Inoltre era diventata troppo ampia e risultava difficile leggerla e seguirla.
Nella precedente discussione, avevo chiesto al commerciante cinese se uno dei preampli presi in considerazione poteva essere adatto per sostituire il preampli di NE. Il commerciante mi ha detto che quel preampli era adatto per testine magnetiche ma facendo la stessa domanda ad un altro commerciante mi ha detto che non è limitato alle testine magnetiche. Purtroppo senza schema non si può valutare chi abbia ragione ma dal momento che il preampli costa una decina di Euro e sul Web ho trovato un circuitino che promette di invertire gli effetti di una rete di equalizzazione RIAA, ho pensato di chiedere al Forum se l’idea poteva essere attuabile, nell’eventualità rimasta dubbia che il preampli fosse realmente stato progettato per testine magnetiche.
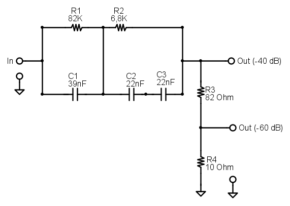
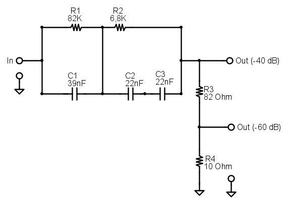
Lo schema è il seguente:
Non ho certezza che i valori di resistori e condensatori utilizzati, così come presentati, siano adeguati (anche perché mi sembrerebbe un po’ troppo semplice) ma ho pensato che magari qualche amico potrebbe essere in grado di valutarli e calcolarli. Poi si può sempre provare il circuito con un generatore variabile sinusoidale per valutare la risposta in frequenza.
Grazie per l’attenzione.
Rete anti RIAA
Moderatori:
carloc,
g.schgor,
BrunoValente,
IsidoroKZ
13 messaggi
• Pagina 1 di 2 • 1, 2
2
voti
"Non farei mai parte di un club che accettasse la mia iscrizione" (G. Marx)
-

claudiocedrone
21,3k 4 7 9 - Master EY

- Messaggi: 15302
- Iscritto il: 18 gen 2012, 13:36
4
voti
Elidur ha scritto:..ho trovato un circuitino che promette di invertire gli effetti di una rete di equalizzazione RIAA, ho pensato di chiedere al Forum se l’idea poteva essere attuabile..
A parte la validità del circuito che mi pare possa funzionare, l'idea non mi sembra affatto buona: si tratta di attenuare molto il segnale per poi amplificarlo di nuovo per portarlo ai valori corretti.
Gli ingressi aux sono ad alto livello, quindi utilizzando circuiti idonei non occorre amplificare molto, questo significa bassa distorsione e basso rumore introdotti dall'elemento che amplifica, gli ingressi per testine magnetiche invece sono a basso livello e occorre amplificare molto con inevitabile introduzione di maggiore rumore e maggiore distorsione.
In pratica il circuito funziona ma si tratta di una toppa che può essere valida solo quando si dispone già di un preamplificatore per testine magnetiche e lo si vuole adattare in qualche modo per segnali ad alto livello senza pretese.
E' come voler estrarre un dettaglio da una foto zoomando molto, il risultato è un'immagine sgranata.
-

BrunoValente
39,6k 7 11 13 - G.Master EY

- Messaggi: 7796
- Iscritto il: 8 mag 2007, 14:48
2
voti
Riferendomi allo schema del post [1], non capisco il significato della scritta OUT(-40 dB):
Se calcolo l'attenuazione ponendo:
R12 = R1+R2 = 88,8 k ohm
R34 = R3 + R4 = 92 ohm
Calcolo attenuazione = R34/(R12+R34) = (92/(88800 + 92)) = 0,00103491
che corrispondono a - 59,7 dB non -40.
Ho sbagliato qualcosa ?
Se calcolo l'attenuazione ponendo:
R12 = R1+R2 = 88,8 k ohm
R34 = R3 + R4 = 92 ohm
Calcolo attenuazione = R34/(R12+R34) = (92/(88800 + 92)) = 0,00103491
che corrispondono a - 59,7 dB non -40.
Ho sbagliato qualcosa ?
3
voti
Ciao Marco, credo si riferisca ad una frequenza dalle parti di 1000Hz, dove la curva R.I.A.A. ha il flesso, quindi credo che nel calcolo andrebbero considerate anche le reattanze dei condensatori.
-

BrunoValente
39,6k 7 11 13 - G.Master EY

- Messaggi: 7796
- Iscritto il: 8 mag 2007, 14:48
2
voti
Bruno, hai ragione.
La reattanza di C1 39 nF a 1 kHz, vale 4k ohm, preponderante rispetto a 82 k ohm,
non ho voglia di fare i conti con i numeri complessi, ma una attenuazione di 40 dB è plausibile,
La reattanza di C1 39 nF a 1 kHz, vale 4k ohm, preponderante rispetto a 82 k ohm,
non ho voglia di fare i conti con i numeri complessi, ma una attenuazione di 40 dB è plausibile,

2
voti
Nel thread che ho linkato c'era un link a un foglio Excel per il calcolo delle reti RIAA inverse (anti RIAA sembra una opposizione contro la Recording Industry Association of America
) ma ora indirizza a tutt'altro 
"Non farei mai parte di un club che accettasse la mia iscrizione" (G. Marx)
-

claudiocedrone
21,3k 4 7 9 - Master EY

- Messaggi: 15302
- Iscritto il: 18 gen 2012, 13:36
1
voti
Grazie per le risposte, ho letto tutto. Ovviamente sono consapevole che si tratti di una soluzione di compromesso, sicuramente la definizione più realistica è quella di Bruno, ma l’intenzione era proprio quella di recuperare una situazione che potrebbe non andare a buon fine. Purtroppo i due commercianti interpellati hanno fornito informazioni contrastanti, cavandosela entrambi con due parole e senza un minimo di argomentazione tecnica.
Potrei anche correre il rischio di fare un acquisto sbagliato, considerato il costo modesto, e per non buttare la scheda in un cassetto avrei pensato ad una deenfatizzazione di una eventuale rete RIAA. Oggi ho posto altre domande ai commercianti ma temo che non mi risponderanno in quanto ho affondato parecchio con le domande e se questi fossero soltanto dei venditori su provvigione non avrebbero neppure una pallida idea di cosa rispondere. Purtroppo senza schema elettrico non si possono avere certezze. L’unica certezza sarebbe ottenibile acquistando una scheda e provarla incrociando le dita.
Nel frattempo colgo l’occasione per segnalare un sito interessante, magari già conosciuto da tutti ed ignoto soltanto a me: questo
.
Potrei anche correre il rischio di fare un acquisto sbagliato, considerato il costo modesto, e per non buttare la scheda in un cassetto avrei pensato ad una deenfatizzazione di una eventuale rete RIAA. Oggi ho posto altre domande ai commercianti ma temo che non mi risponderanno in quanto ho affondato parecchio con le domande e se questi fossero soltanto dei venditori su provvigione non avrebbero neppure una pallida idea di cosa rispondere. Purtroppo senza schema elettrico non si possono avere certezze. L’unica certezza sarebbe ottenibile acquistando una scheda e provarla incrociando le dita.
Nel frattempo colgo l’occasione per segnalare un sito interessante, magari già conosciuto da tutti ed ignoto soltanto a me: questo
.
0
voti
[10] Re: Rete anti RIAA
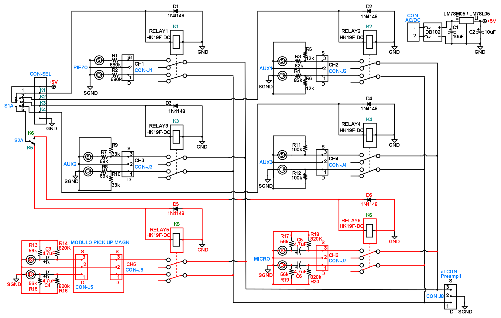
In attesa di risposta dai cinesi ho pensato di implementare il circuito di commutazione a relay aggiungendo anche una possibile combinazione dell’ingresso Micro e MODULO PICK UP MAGNETICO. I partitori degli ingressi che ho aggiunto li ho ricavati dal circuito originale di NE. Per l’ingresso PICK UP MAGNETICO mi dovrò anche affidare a qualche modulino dedicato che si trova facilmente e costa poco. Per l’ingresso microfono, invece, ho pensato di utilizzare l’ingresso lineare del preampli perché ho notato che nello schema di NE la differenza di polarizzazione dell’entrata micro non è molto differente dalla polarizzazione delle entrate lineari, inoltre, ho motivo di ritenere che il micro verrà utilizzato raramente, magari per una semplice prova, ma così utilizzo le entrate e la commutazione che altrimenti resterebbero vuote.
Con lo schema sono stato un po’ largo ma ho privilegiato la comodità e la rapidità di esecuzione delle modifiche.
Con lo schema sono stato un po’ largo ma ho privilegiato la comodità e la rapidità di esecuzione delle modifiche.
13 messaggi
• Pagina 1 di 2 • 1, 2
Chi c’è in linea
Visitano il forum: Nessuno e 213 ospiti

Elettrotecnica e non solo (admin)
Un gatto tra gli elettroni (IsidoroKZ)
Esperienza e simulazioni (g.schgor)
Moleskine di un idraulico (RenzoDF)
Il Blog di ElectroYou (webmaster)
Idee microcontrollate (TardoFreak)
PICcoli grandi PICMicro (Paolino)
Il blog elettrico di carloc (carloc)
DirtEYblooog (dirtydeeds)
Di tutto... un po' (jordan20)
AK47 (lillo)
Esperienze elettroniche (marco438)
Telecomunicazioni musicali (clavicordo)
Automazione ed Elettronica (gustavo)
Direttive per la sicurezza (ErnestoCappelletti)
EYnfo dall'Alaska (mir)
Apriamo il quadro! (attilio)
H7-25 (asdf)
Passione Elettrica (massimob)
Elettroni a spasso (guidob)
Bloguerra (guerra)





