Circuito da termistore a led
Moderatori:
g.schgor,
IsidoroKZ
0
voti
stefanopc ha scritto:Ma se c'è già il progetto con arduino basta adattarlo al nano e ci si evitano diverse complicazioni.
Se poi andasse riprogrammato o si volesse utilizzare per altri scopi si potrebbe fare molto più agevolmente.
Facendo i "conti della serva " un nano cinese costa 1, 5 euro e misura 43x18mm.
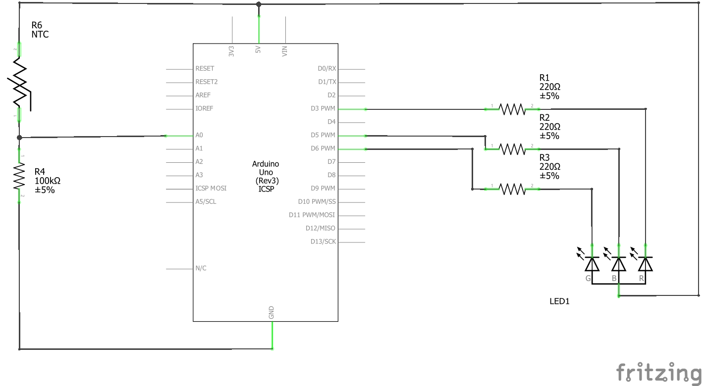
Mancano solo il led rgb 3 resistenze, un diodo che se giri il più col meno aiuta e due condensatori.
È una possibilità da tenere in considerazione.
Per programmarlo non è complicato basta un cavetto USB e il driver.
A questo prezzo non compri nemmeno un comparatore.
Ciao
Non si tratta di cercare complicazioni, né di costi nel nostro caso irrilevanti (devi comunque avere una certa attrezzatura che se non l'hai, devi acquistare). Il mio suggerimento era quello di utilizzare un microprocessore...ora se nei cassetti si dispone di una manciata di ATtiny, nano, nodeMCU e simili...la soluzione viene di conseguenza. Si tratta di una cosa così semplice (ora che ho acquisito dimestichezza) che si fa in mezz'ora. Comunque sia il nostro amico a quanto pare, NON è pratico di programmazione quindi pur eleborando il codice rimangono gli altri aspetti. Non ho smanettato con il nano ma credo serva sempre la IDE di Arduino e la sua conoscenza altrimenti nonprogrammi nulla (ammesso che sappia scrivere il codice).
0
voti
Non capisco che attrezzatura devi acquistare. Oltre al PC che si usa per mille altre applicazioni non serve molto altro un cavo USB e arduino nano.
Lo programmi e lo alimenti a 12v dato che ha già il regolatore integrato.
Non devi realizzare PCB devi solo saldare fili e resistenze.
Il codice ovviamente lo dovra fare chi lo vorrà aiutare se lui non è in grado.
Non penso che nemmeno ATtiny funzioni granché senza codice caricato.
Riassumendo con nano hai ben due passaggi in meno.
Non serve il PCB e non serve il programmatore.
Almeno questo è la mia impressione.
C'è anche da dire che come parli di arduino tutti si scandalizzano.
Io trovo invece che per prototipi e piccoli progetti sia una ottima soluzione.
Ciao
Lo programmi e lo alimenti a 12v dato che ha già il regolatore integrato.
Non devi realizzare PCB devi solo saldare fili e resistenze.
Il codice ovviamente lo dovra fare chi lo vorrà aiutare se lui non è in grado.
Non penso che nemmeno ATtiny funzioni granché senza codice caricato.
Riassumendo con nano hai ben due passaggi in meno.
Non serve il PCB e non serve il programmatore.
Almeno questo è la mia impressione.
C'è anche da dire che come parli di arduino tutti si scandalizzano.
Io trovo invece che per prototipi e piccoli progetti sia una ottima soluzione.
Ciao
600 Elettra
0
voti
Come semplicità, la soluzione attiny sembra percorribile anche perché si trovano schemi e codici già compilati, solo da adattare.
Ad esempio
Ad esempio
-

Aldebaran78
35 4 - Messaggi: 31
- Iscritto il: 11 apr 2021, 9:36
0
voti
...siamo OT. MI riferivo alla tua citazione "conti della serva"...volendo dire che, dato il costo insignificante del nano e dei micro, rilevano maggiormente i costi delle alttrrezzature di cui si deve disporre.
La scelta di come realizzare è esclusivamente personale. Per me, che dispongo di schede e microchip, trovo più oculato utilizzare UN microchip e NON una scheda (nano, micro o quelchevuoi). La programmazione del nano richiede la IDE di arduino (e la sua consocenza). L'attiny lo programmi ANCHE con arduino.
Non mi risulta che come parli di Arduino tutti si scandalizzano ed ignoro in quale ambito ciò accada. In questo forum, la sezione Arduino è di sicuro fiacca, ma basta andare sul forum specifico e verificare il successo e la diffusione planetaria di Arduino.
Io trovo utile sicuramente Arduino per svìluppare progetti ma trovo inutile ed insensato utilizzare la board per il progetto, invece di utilizzare un microprocessore. Che senso ha lasciare una scheda di sviluppo in una scatola a fare ciò che invece può fare un singolo micro?
Ti faccio un esempio. Ho realizzato tra i molti progetti anche un cronografo balistico. Dopo averlo messo a punto ho caricato il codice su un atmega che ho montato sulla board. Il micro fa il suo lavoro ed io ho Arduino sempre ibero e disponibile....spero di essermi spiegato.
Per il progetto del nostro amico SICURAMENTE non consiglierei l'impiego di una scheda di sviluppo ma di un micro.
La scelta di come realizzare è esclusivamente personale. Per me, che dispongo di schede e microchip, trovo più oculato utilizzare UN microchip e NON una scheda (nano, micro o quelchevuoi). La programmazione del nano richiede la IDE di arduino (e la sua consocenza). L'attiny lo programmi ANCHE con arduino.
Non mi risulta che come parli di Arduino tutti si scandalizzano ed ignoro in quale ambito ciò accada. In questo forum, la sezione Arduino è di sicuro fiacca, ma basta andare sul forum specifico e verificare il successo e la diffusione planetaria di Arduino.
Io trovo utile sicuramente Arduino per svìluppare progetti ma trovo inutile ed insensato utilizzare la board per il progetto, invece di utilizzare un microprocessore. Che senso ha lasciare una scheda di sviluppo in una scatola a fare ciò che invece può fare un singolo micro?
Ti faccio un esempio. Ho realizzato tra i molti progetti anche un cronografo balistico. Dopo averlo messo a punto ho caricato il codice su un atmega che ho montato sulla board. Il micro fa il suo lavoro ed io ho Arduino sempre ibero e disponibile....spero di essermi spiegato.
Per il progetto del nostro amico SICURAMENTE non consiglierei l'impiego di una scheda di sviluppo ma di un micro.
Ultima modifica di
vince59 il 20 apr 2021, 22:38, modificato 2 volte in totale.
0
voti
@ALdebaran78 tutto dipende dalla tua dimestichezza e capacità. Se hai voglia di avvicinarti alla programmazione compra un Arduino e parti. Se no te la senti devi cercare aiuto in zona. Bisonga essere sul postoper aiutarti.
0
voti
Aldebaran78 ha scritto:Come semplicità, la soluzione attiny sembra percorribile anche perché si trovano schemi e codici già compilati, solo da adattare.
Ad esempio
Questo da te postato è Arduino (ovvero ATmega 32). Assolutamente esagerato per la tua esigenza.
Torna a Elettrotecnica generale
Chi c’è in linea
Visitano il forum: Nessuno e 263 ospiti

Elettrotecnica e non solo (admin)
Un gatto tra gli elettroni (IsidoroKZ)
Esperienza e simulazioni (g.schgor)
Moleskine di un idraulico (RenzoDF)
Il Blog di ElectroYou (webmaster)
Idee microcontrollate (TardoFreak)
PICcoli grandi PICMicro (Paolino)
Il blog elettrico di carloc (carloc)
DirtEYblooog (dirtydeeds)
Di tutto... un po' (jordan20)
AK47 (lillo)
Esperienze elettroniche (marco438)
Telecomunicazioni musicali (clavicordo)
Automazione ed Elettronica (gustavo)
Direttive per la sicurezza (ErnestoCappelletti)
EYnfo dall'Alaska (mir)
Apriamo il quadro! (attilio)
H7-25 (asdf)
Passione Elettrica (massimob)
Elettroni a spasso (guidob)
Bloguerra (guerra)






