Cos'è ElectroYou | Login Iscriviti

ElectroYou - la comunità dei professionisti del mondo elettrico

Transitorio del secondo ordine

Circuiti, campi elettromagnetici e teoria delle linee di trasmissione e distribuzione dell’energia elettrica

Moderatori: Foto Utenteg.schgor, Foto UtenteIsidoroKZ

0
voti

[1] Transitorio del secondo ordine

Messaggioda Foto Utentesmeligrana » 27 apr 2021, 19:36

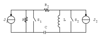
Ciao, sto provando a risolvere il seguente circuito


Devo determinare la corrente che attraversa l'induttore.
A t=0 S_2 si apre e S_1 si chiude.
I dati:
J_1=20 A
J_2=10 A
R_1= 4 \Omega
R_2= 2 \Omega
L=1 mH
C=2 mF

Dopo aver guardato per un po il circuito mi sono convinto che per t<0 il valore di i_L=J_2= 10A

A questo punto per t> 0 ho scritto la LKC al nodo sopra l'induttore
i_L+i_{R2}=J_2
Sempre una LKC al nodo sotto l'induttore
C\frac{dV_C}{dt}+i_L=J_2
e una LKT alla maglia centrale
L\frac{di_L}{dt}-V_C-i_{R2}R_2=0

Dopo una serie di passaggi algebrici (sperando di non aver sbagliato) ottengo l'equazione differenziale
\frac{di_L^2}{dt^2}+\frac{I_L}{CL}=\frac{J_2-R_2}{CL}
l'equazione associata è \lambda^2+\frac{1}{LC}=0

da cui ricavo la i_{LO}=K_1\cos(707t)+K_2\sin(707t)
e la i_{LP}=8A

Fin qua vi sembra corretto?
Avatar utente
Foto Utentesmeligrana
95 6
New entry
New entry
 
Messaggi: 72
Iscritto il: 5 apr 2021, 20:58

1
voti

[2] Re: Transitorio del secondo ordine

Messaggioda Foto Utentegill90 » 27 apr 2021, 23:54

C'è un po' di confusione:

smeligrana ha scritto:A t=0 S_2 si apre e S_1 si chiude.

Questo significa che inizialmente (per t<0) S_2 era chiuso (e si beccava tutta la corrente di J_2), quindi non è corretto dire che i_L=10A per t<0.
Giusto?
Avatar utente
Foto Utentegill90
4.146 3 7 12
G.Master EY
G.Master EY
 
Messaggi: 1134
Iscritto il: 1 set 2011, 16:18

0
voti

[3] Re: Transitorio del secondo ordine

Messaggioda Foto Utentesmeligrana » 28 apr 2021, 7:35

In regime stazionario (t<0) l'induttore si comporta come un CC, quindi J2 è in parallelo a 2 CC, non posso applicare la regola del partitore di corrente, come faccio a suddividere la corrente, banalmente diviso 2 ?
Avatar utente
Foto Utentesmeligrana
95 6
New entry
New entry
 
Messaggi: 72
Iscritto il: 5 apr 2021, 20:58

0
voti

[4] Re: Transitorio del secondo ordine

Messaggioda Foto Utentegill90 » 28 apr 2021, 16:24

smeligrana ha scritto:come faccio a suddividere la corrente, banalmente diviso 2 ?

Matematicamente è indeterminato, nel senso che ci possono essere infinite soluzioni: applicando la formula del partitore tra 2 resistenze avresti ad esempio:

I_{R2}=I\frac{R_1}{R_1+R_2}

Ma se fai tendere entrambe le resistenze a zero ottieni una forma indeterminata \frac{0}{0}.
D'altronde questo equivale a dire che il passaggio di corrente in entrambi i rami non produce cadute di tensione, quindi le correnti possono distribuirsi come vogliono e la legge di Kirchhoff per la tensione rimarrebbe comunque verificata in quella maglia.

Dove hai trovato questo esercizio?
Avatar utente
Foto Utentegill90
4.146 3 7 12
G.Master EY
G.Master EY
 
Messaggi: 1134
Iscritto il: 1 set 2011, 16:18

0
voti

[5] Re: Transitorio del secondo ordine

Messaggioda Foto Utentesmeligrana » 28 apr 2021, 17:19

testo di esame dell'uni
Avatar utente
Foto Utentesmeligrana
95 6
New entry
New entry
 
Messaggi: 72
Iscritto il: 5 apr 2021, 20:58

2
voti

[6] Re: Transitorio del secondo ordine

Messaggioda Foto UtenteIsidoroKZ » 28 apr 2021, 17:59

smeligrana ha scritto:In regime stazionario (t<0) l'induttore si comporta come un CC, quindi J2 è in parallelo a 2 CC, non posso applicare la regola del partitore di corrente, come faccio a suddividere la corrente, banalmente diviso 2 ?


A meno che il vostro prof vi abbia detto esplicitamente di fare così, non puoi farlo, non solo per motivi matematici ma anche fisici.

La corrente continua non esiste, ha sempre un inizio. Non so quando possa essere stato per il generatore J1, ma sicuramente dopo il Big Bang :D

Questo implica che la corrente che arriva sul parallelo fra un cortocircuito e una impedenza passi tutta per il cortocircuito, la tensione ai capi di L è nulla e quindi non l'induttanza non riesce a far passare nessuna corrente.

O| O| O| :D :D :D
Per usare proficuamente un simulatore, bisogna sapere molta più elettronica di lui
Plug it in - it works better!
Il 555 sta all'elettronica come Arduino all'informatica! (entrambi loro malgrado)
Se volete risposte rispondete a tutte le mie domande
Avatar utente
Foto UtenteIsidoroKZ
121,2k 1 3 8
G.Master EY
G.Master EY
 
Messaggi: 21059
Iscritto il: 17 ott 2009, 0:00

0
voti

[7] Re: Transitorio del secondo ordine

Messaggioda Foto UtenteRenzoDF » 28 apr 2021, 19:06

Per t > 0 , vista la presenza di due soli nodi effettivi, di KCL indipendenti ne puoi scrivere una sola da associare alla KVL ma non prima di avere specificato le convenzioni di verso assunte per correnti e tensioni.

Ti consiglio quindi di controllare i tuoi passaggi.

... in quell'equazione differenziale non ti sembra che ci sia qualcosa di strano? ;-)

... così come in quella tua soluzione.
"Il circuito ha sempre ragione" (Luigi Malesani)
Avatar utente
Foto UtenteRenzoDF
55,9k 8 12 13
G.Master EY
G.Master EY
 
Messaggi: 13189
Iscritto il: 4 ott 2008, 9:55

0
voti

[8] Re: Transitorio del secondo ordine

Messaggioda Foto Utentesmeligrana » 28 apr 2021, 20:05

La cosa che mi ha un po stupito e che nell'equazione differenziali manchi la parte con la derivata prima
Avatar utente
Foto Utentesmeligrana
95 6
New entry
New entry
 
Messaggi: 72
Iscritto il: 5 apr 2021, 20:58

0
voti

[9] Re: Transitorio del secondo ordine

Messaggioda Foto UtenteRenzoDF » 28 apr 2021, 20:31

Già dal punto di vista dimensionale c'è qualcosa che non quadra, non credi?
"Il circuito ha sempre ragione" (Luigi Malesani)
Avatar utente
Foto UtenteRenzoDF
55,9k 8 12 13
G.Master EY
G.Master EY
 
Messaggi: 13189
Iscritto il: 4 ott 2008, 9:55

0
voti

[10] Re: Transitorio del secondo ordine

Messaggioda Foto Utentesmeligrana » 28 apr 2021, 20:47

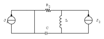
Per t >0 il circuito dovrebbe essere cosi


Se non ho sbagliato il circuito, ci sono 3 nodi
Avatar utente
Foto Utentesmeligrana
95 6
New entry
New entry
 
Messaggi: 72
Iscritto il: 5 apr 2021, 20:58

Prossimo

Torna a Elettrotecnica generale

Chi c’è in linea

Visitano il forum: Nessuno e 40 ospiti