Salve,
seguo sempre con interesse le discussioni sugli SPD, in particolare la possibilità di installazione in situazioni esistenti e poco modificabili.
Un caso di questi per il quale ho un dubbio:
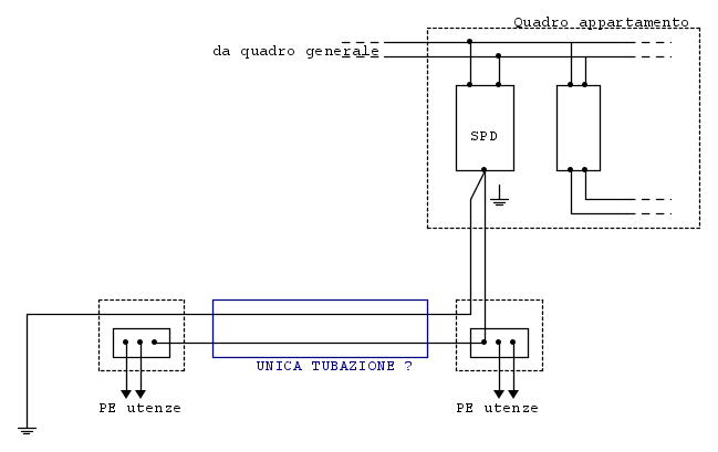
È corretto e/o ammesso che il conduttore di terra passi nella stessa tubazione del PE?
ancora SPD - caso particolare
Moderatori:
sebago,
MASSIMO-G,
lillo,
Mike
13 messaggi
• Pagina 1 di 2 • 1, 2
0
voti
Non vedo problemi per il passaggio nello stesso tubo. Mi sembra che nel tuo schema manchi il collegamento fra il dispersore e il collettore di terra.
0
voti
Grazie per la risposta,
in effetti il collegamento non era una dimenticanza, era un modo per far arrivare il CT direttamente all'SPD senza passare per il nodo di terra.
Mi sembra di aver capito che se faccio come da tuo schema, non effettuo un' installazione corretta, in quanto le utenze da "proteggere" devono essere tutte a valle dell'SPD... o sbaglio... ?:roll:
in effetti il collegamento non era una dimenticanza, era un modo per far arrivare il CT direttamente all'SPD senza passare per il nodo di terra.
Mi sembra di aver capito che se faccio come da tuo schema, non effettuo un' installazione corretta, in quanto le utenze da "proteggere" devono essere tutte a valle dell'SPD... o sbaglio... ?:roll:
in /dev/null no one can hear you scream
0
voti
Singolo, nell'esempio. Dove i PE nei due nodi che ho indicato fanno riferimento a carichi alimentati dallo stesso quadro appartamento
(forse si capiva meglio se disegnavo tutto spostato verso destra...
)
(forse si capiva meglio se disegnavo tutto spostato verso destra...
)in /dev/null no one can hear you scream
1
voti
angus ha scritto:Singolo,
In effetti collegare a terra tutto l'impianto condominiale attraverso il morsetto del tuo SPD non sembra una buona idea
Puoi leggere quello che ha scritto
0
voti
Mi sembra di capire che saresti nel caso della figura in basso a sinistra nella seconda seconda pagina che ho allegato: la corrente nel conduttore di terra potrebbe indurre una sovratensione nella linea cucina.
13 messaggi
• Pagina 1 di 2 • 1, 2
Torna a Impianti, sicurezza e quadristica
Chi c’è in linea
Visitano il forum: Nessuno e 52 ospiti

Elettrotecnica e non solo (admin)
Un gatto tra gli elettroni (IsidoroKZ)
Esperienza e simulazioni (g.schgor)
Moleskine di un idraulico (RenzoDF)
Il Blog di ElectroYou (webmaster)
Idee microcontrollate (TardoFreak)
PICcoli grandi PICMicro (Paolino)
Il blog elettrico di carloc (carloc)
DirtEYblooog (dirtydeeds)
Di tutto... un po' (jordan20)
AK47 (lillo)
Esperienze elettroniche (marco438)
Telecomunicazioni musicali (clavicordo)
Automazione ed Elettronica (gustavo)
Direttive per la sicurezza (ErnestoCappelletti)
EYnfo dall'Alaska (mir)
Apriamo il quadro! (attilio)
H7-25 (asdf)
Passione Elettrica (massimob)
Elettroni a spasso (guidob)
Bloguerra (guerra)




