Cassa attiva non funzionante
31 messaggi
• Pagina 3 di 4 • 1, 2, 3, 4
0
voti
ha certo, si si è implementato in 4 diodi; io cercavo un unico componente... comunque la tensione l'ho misurata a valle del ponte, suppongo sia in continua
0
voti
Si, se è a valle del ponte è continua, basta che la misurazione sia avvenuta effettivamente a valle e col voltmetro posizionato in DC. Dovresti trovare la stessa tensione anche tra zero centrale e i condensatori. Su un condensatore misureai una tensione negativa e sull'altro positiva...
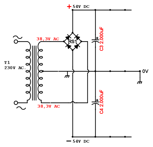
Controllal sulla base del seguente schema:
Controllal sulla base del seguente schema:
0
voti
gauss ha scritto:non potrei inviargli una tensione piu bassa degli 80V direttamente a valle del trasformatore con l'alimentatore da banco, le info sul ripple sarebbero analoghe se i condensatori lavorassero a tensioni inferiori...
I condensatori servono a "spianare" la tensione pulsante in uscita dal ponte raddrizzatore, se li alimenti in continua spianerebbero una tensione già spianata
0
voti
Con 54 V in alternata quei condensatori da 80 V lavoro sono tirati per il collo, quello su cui rilevi 40 V probabilmente è messo male quindi già che ci sei potresti sostituirli con due da 100 V di pari capacità, comunque come ti hanno detto controlla i diodi.
"Non farei mai parte di un club che accettasse la mia iscrizione" (G. Marx)
-

claudiocedrone
21,3k 4 7 9 - Master EY

- Messaggi: 15302
- Iscritto il: 18 gen 2012, 13:36
0
voti
0
voti
edgar ha scritto: ...40 e 80 V DC...
40 e 70
"Non farei mai parte di un club che accettasse la mia iscrizione" (G. Marx)
-

claudiocedrone
21,3k 4 7 9 - Master EY

- Messaggi: 15302
- Iscritto il: 18 gen 2012, 13:36
31 messaggi
• Pagina 3 di 4 • 1, 2, 3, 4
Torna a Costruzione, riparazione, riutilizzo
Chi c’è in linea
Visitano il forum: Nessuno e 7 ospiti

Elettrotecnica e non solo (admin)
Un gatto tra gli elettroni (IsidoroKZ)
Esperienza e simulazioni (g.schgor)
Moleskine di un idraulico (RenzoDF)
Il Blog di ElectroYou (webmaster)
Idee microcontrollate (TardoFreak)
PICcoli grandi PICMicro (Paolino)
Il blog elettrico di carloc (carloc)
DirtEYblooog (dirtydeeds)
Di tutto... un po' (jordan20)
AK47 (lillo)
Esperienze elettroniche (marco438)
Telecomunicazioni musicali (clavicordo)
Automazione ed Elettronica (gustavo)
Direttive per la sicurezza (ErnestoCappelletti)
EYnfo dall'Alaska (mir)
Apriamo il quadro! (attilio)
H7-25 (asdf)
Passione Elettrica (massimob)
Elettroni a spasso (guidob)
Bloguerra (guerra)




