Cos'è ElectroYou | Login Iscriviti

ElectroYou - la comunità dei professionisti del mondo elettrico

tensione duale non simmetrica

Elettronica lineare e digitale: didattica ed applicazioni

Moderatori: Foto Utentecarloc, Foto Utenteg.schgor, Foto UtenteBrunoValente, Foto UtenteIsidoroKZ

0
voti

[1] tensione duale non simmetrica

Messaggioda Foto Utentefrankzappa » 3 ago 2021, 11:05

Buondì.
Sto rimettendo mano ad un ampli da me realizzato, dopo svariati fruscii, distorsioni, scoppi e fiamme... :mrgreen:
Ho riprogettato i PCB, i quali dalla Cina sono da pochi giorni nelle mie mani.
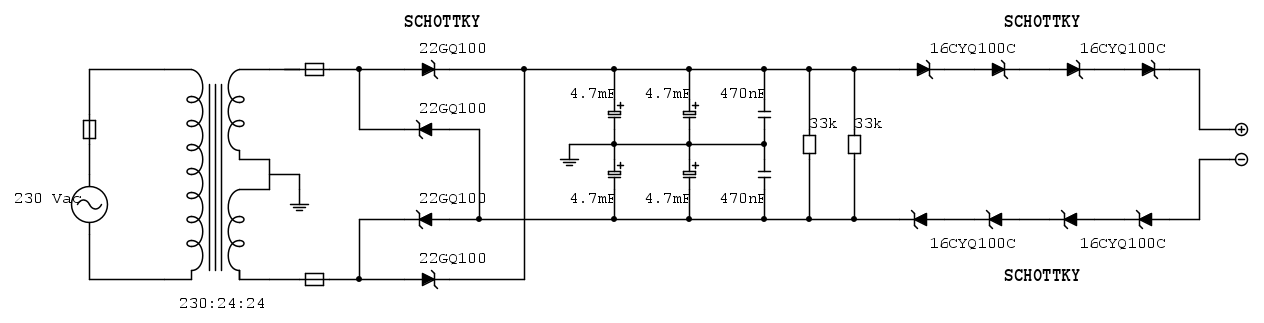
Vorrei salvaguardare il circuito raddrizzatore che allego, il quale però ha un (piccolo?) problema: in uscita ho ca. 29 V su un ramo e circa 30 V sull'altro (per la precisione 0,9 V di differenza).
Prima di scrivere ho misurato tutti i componenti, i quali sembrano a posto; per la cronaca inoltre due condensatori misurano 4,65 mF e due 4,77 mF (uno ciascuno per ogni ramo)
Domande:
- è un problema?
- da cosa potrà dipendere?
Considerate che l'ampli, seppure distorcendo un po', funzionava (classe AB 50W con preamp a JFET); nel corso della realizzazione però, a causa dell'inesperienza, un paio di botti (BUUUUM) li hanno presi.
Infine un paio di precisazioni: i resistori servono a scaricare i condensatori una volta spento e quindi farmi dormire tranquillo, gli Schottky finali servono a ridurre di un paio di volt l'uscita perché maggiore di quella di progetto.
Grazie.


Avatar utente
Foto Utentefrankzappa
50 3
 
Messaggi: 43
Iscritto il: 10 mag 2019, 18:20

0
voti

[2] Re: tensione duale non simmetrica

Messaggioda Foto UtenteElidur » 3 ago 2021, 14:18

Dovresti partire dal traformatore a misusrare la tensione in AC. Se non dipende da lui poi scendi...
Avatar utente
Foto UtenteElidur
1.515 2 6 9
Sostenitore
Sostenitore
 
Messaggi: 1126
Iscritto il: 6 mag 2017, 18:10

0
voti

[3] Re: tensione duale non simmetrica

Messaggioda Foto UtenteMarcoD » 3 ago 2021, 14:32

il quale però ha un (piccolo?) problema: in uscita ho ca. 29 V su un ramo e circa 30 V sull'altro (per la precisione 0,9 V di differenza).

Non mi intendo di hifi, ma per me la differenza di tensione è trascurabile.
Le tensioni 29 V sono misurate a vuoto (amplificatore silenziato) o sotto carico ?

Se esiste una differenza fra le uscite del trasformatore, farei la seguente ipotesi:

Le due uscite forse avranno il medesimo numero di spire, ma potrebbero essere avvolte una sopra l'altra,
per cui quella esterna ha una lunghezza maggiore e quindi una resistenza maggiore, e quindi una caduta mqggiore sotto carico.
Per compensare, forse l'avvolgimento esterno ha meno spire e quindi meno tensione a vuoto.

O forse non è vero in quanto gli avvolgimenti secondari sono montati affiancati sul nucleo ?

Qualcuno ha info ?
O_/
Avatar utente
Foto UtenteMarcoD
12,2k 5 9 13
Master EY
Master EY
 
Messaggi: 6696
Iscritto il: 9 lug 2015, 16:58
Località: Torino

1
voti

[4] Re: tensione duale non simmetrica

Messaggioda Foto Utentefrankzappa » 3 ago 2021, 14:43

Intanto grazie ad entrambi.
L'ampli è a vuoto, in quanto è tutto staccato..
Ho appena misurato i tensioni, con i 4 condensatori elettrolitici STACCATI: orbene all'uscita ho +- 25,9 V precisa paccata su ambo i rami verso massa.
Ergo deduco che è colpa degli elettrolitici!!
E quindi chiedo, prendendo anche la palla al balzo da MarcoD, è accettabile 1V di offset? Ho problemi di distorsione o altro?
Il preamp è questo (stadio con 2 JFET): https://www.ne555.it/preamplificatore-fet/
Lo stadio di potenza quest'altro (carico da 8 ohm): https://www.ne555.it/amplificatore-transistor-100w/
Ciao.
Avatar utente
Foto Utentefrankzappa
50 3
 
Messaggi: 43
Iscritto il: 10 mag 2019, 18:20

0
voti

[5] Re: tensione duale non simmetrica

Messaggioda Foto Utenteclaudiocedrone » 3 ago 2021, 14:53

Perché degli Schottky come raddrizzatore se poi devi diminuire la tensione in uscita? Utilizzare più diodi in serie per ridurre le tensioni poi non è una buona idea in questa applicazione inoltre la caduta di tensione di qualunque diodo non ha un valore costante ma dipende dalla intensità di corrente che lo attraversa. Ad ogni modo misura come ha detto Foto UtenteElidur le tensioni in alternata e se risultano uguali misura quelle in continua a monte dei diodi che hai messo per diminuirle.
Edit, ho visto ora i post precedenti, gli elettrolitici non c'entrano e comunque lo sbilanciamento delle tensioni potrebbe in casi estremi addirittura far saltare i finali.
"Non farei mai parte di un club che accettasse la mia iscrizione" (G. Marx)
Avatar utente
Foto Utenteclaudiocedrone
21,3k 4 7 9
Master EY
Master EY
 
Messaggi: 15302
Iscritto il: 18 gen 2012, 13:36

0
voti

[6] Re: tensione duale non simmetrica

Messaggioda Foto UtenteMarcoD » 3 ago 2021, 14:58

Ho appena misurato le tensioni, con i 4 condensatori elettrolitici STACCATI: orbene all'uscita ho +- 25,9 V precisa paccata su ambo i rami verso massa.
Ergo deduco che è colpa degli elettrolitici!!


Se l'uscita è a vuoto, la tensione ai capi degli elettroliti è al valore massimo, quasi indipendentemente dal valore della capacità.
Fai la prova: Prova a cambiare riducendo la capacità di 4.7 uF (stacchi un condensatore dei due in parallelo).
E verifica se la tensione a vuoto non cambia.
Avatar utente
Foto UtenteMarcoD
12,2k 5 9 13
Master EY
Master EY
 
Messaggi: 6696
Iscritto il: 9 lug 2015, 16:58
Località: Torino

0
voti

[7] Re: tensione duale non simmetrica

Messaggioda Foto Utenteclaudiocedrone » 3 ago 2021, 15:11

Inutile, gli elettrolitici hanno tolleranze "abissali", da quando in qua occorre matchare i livellamenti?
"Non farei mai parte di un club che accettasse la mia iscrizione" (G. Marx)
Avatar utente
Foto Utenteclaudiocedrone
21,3k 4 7 9
Master EY
Master EY
 
Messaggi: 15302
Iscritto il: 18 gen 2012, 13:36

2
voti

[8] Re: tensione duale non simmetrica

Messaggioda Foto Utentefrankzappa » 3 ago 2021, 15:48

Faccio mea culpa, ho provato i condensatori prima a coppia, poi tre ed infine tutti e 4: tutto ok!!! Il problema suppongo fosse nel collegamento a stagno di una pista, in quanto non avevo continuità a massa da un certo punto in poi...
Foto Utenteclaudiocedrone purtroppo per inesperienza ho voluto all'epoca far le cose ben bene e quindi ho messo gli Schottky a monte; poi per abbassarla avevo una quindicina di quei diodi e quindi senza troppo pensarci ho messo quelli....
Avatar utente
Foto Utentefrankzappa
50 3
 
Messaggi: 43
Iscritto il: 10 mag 2019, 18:20

0
voti

[9] Re: tensione duale non simmetrica

Messaggioda Foto Utenteclaudiocedrone » 3 ago 2021, 15:58

Qualche volt in più rispetto alla specifica di progetto non dovrebbe essere un problema, io quei diodi li toglierei :-)
"Non farei mai parte di un club che accettasse la mia iscrizione" (G. Marx)
Avatar utente
Foto Utenteclaudiocedrone
21,3k 4 7 9
Master EY
Master EY
 
Messaggi: 15302
Iscritto il: 18 gen 2012, 13:36

0
voti

[10] Re: tensione duale non simmetrica

Messaggioda Foto UtenteBrunoValente » 3 ago 2021, 16:40

Se stai misurando la tensione a vuoto in uscita dopo i diodi potrebbe essere normale che sia un po' diversa, prova a misurare ai capi degli elettrolitici, cioè prima dei diodi.
Avatar utente
Foto UtenteBrunoValente
39,6k 7 11 13
G.Master EY
G.Master EY
 
Messaggi: 7796
Iscritto il: 8 mag 2007, 14:48

Prossimo

Torna a Elettronica generale

Chi c’è in linea

Visitano il forum: Nessuno e 86 ospiti