Ciao,
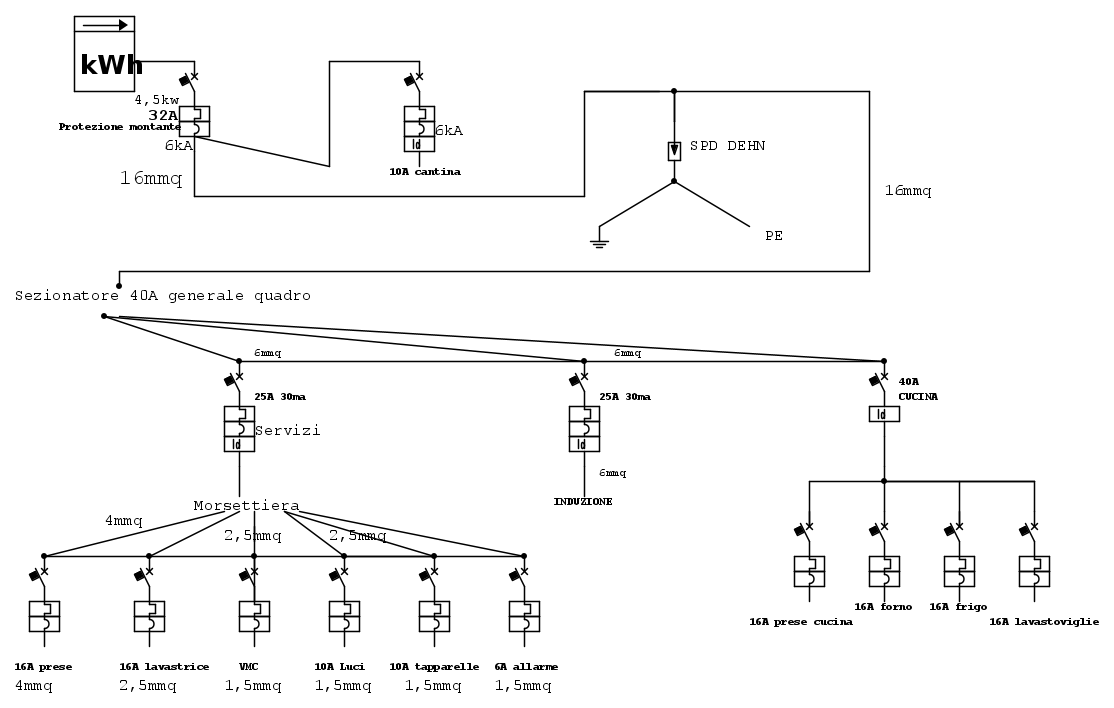
di seguito lo schema del mio QE con fornitura 4,5kW.
La zona in cui abito soffre di mancanze di corrente randomiche, al ritorno della corrente riscontro lo stacco del differenziale servizi AC25, ho provveduto ad installare l'SPD della DEHN fusibilato e in più ho invertito il differenziale con quello induzione dato che riportavano lo stesso codice in quanto questo potrebbe essere difettoso (così mi è stato consigliato).
La zona in cui abito non ha subito più interruzioni di corrente però per star sicuro volevo optare per un riarmo della Bticino da collegare sul differenziale Servizi, dite che può servire?
O meglio attendere la prossima mancanza e ritorno di corrente per capire se in realtà era proprio il differenziale guasto?
Collegato alle prese sotto differenziale servizi ho un UPS della APC .. non so se questo potrebbe dare il problema.
Grazie
Riarmo automatico SI/NO
Moderatori:
sebago,
MASSIMO-G,
lillo,
Mike
43 messaggi
• Pagina 1 di 5 • 1, 2, 3, 4, 5
0
voti
Dispositivi che testano i differenziali costano parecchi euro e sono in dotazione a professionisti.. più che altro a me serviva capire se potesse servire un riarmo automatico a supporto di quel differenziale.
0
voti
Prova a leggere anche
https://www.electroyou.it/forum/viewtopic.php?f=3&t=84643#p895560
PS. Ma come si scrive per far apparire un testo e non l'indirizzo?
https://www.electroyou.it/forum/viewtopic.php?f=3&t=84643#p895560
PS. Ma come si scrive per far apparire un testo e non l'indirizzo?
0
voti
GioArca67 ha scritto:PS. Ma come si scrive per far apparire un testo e non l'indirizzo?
- Codice: Seleziona tutto
[url=https://www.electroyou.it/forum/viewtopic.php?f=3&t=84643#p895560]link[/url]
che genera
link
-

PietroBaima
90,7k 7 12 13 - G.Master EY

- Messaggi: 12206
- Iscritto il: 12 ago 2012, 1:20
- Località: Londra
0
voti
GioArca67 ha scritto:Prova a leggere anche
https://www.electroyou.it/forum/viewtopic.php?f=3&t=84643#p895560
PS. Ma come si scrive per far apparire un testo e non l'indirizzo?
Grazie mille, come da guida ABB per chi ha motori inverter quali lavastoviglie, lavatrice, condizionatore, ventilazione meccanica... consiglia di mettere un tipo F . Ora ho dato un occhiata alle specifiche dei miei elettrodomestici e per esempio la lavastoviglie è dotata di motore inverter, presumo anche il condizionatore...
Ma il tipo F è anche HPI?
Mi consigli di sostituirlo con quello AC Servizi da 25A?
0
voti
Da quel che mi è sembrato di capire BTICINO i suoi HPI li ha sostituiti con i tipo F , di conseguenza il riarmo non è compatibile con i tipo F.
Ma quindi consigliate un riarmo su un AC o un tipo F?
Ma quindi consigliate un riarmo su un AC o un tipo F?
0
voti
Ciao, avendo sotto quel differenziale apparecchi elettronici, lavatrice ecc meglio mettere un tipo F rispetto a riarmo sull'AC? Sotto quel differenziale ho anche motore aria condizionata che non so se è inverter e ventilazione meccanica, più dispositivi domotica per le tapparelle
43 messaggi
• Pagina 1 di 5 • 1, 2, 3, 4, 5
Torna a Impianti, sicurezza e quadristica
Chi c’è in linea
Visitano il forum: Nessuno e 71 ospiti

Elettrotecnica e non solo (admin)
Un gatto tra gli elettroni (IsidoroKZ)
Esperienza e simulazioni (g.schgor)
Moleskine di un idraulico (RenzoDF)
Il Blog di ElectroYou (webmaster)
Idee microcontrollate (TardoFreak)
PICcoli grandi PICMicro (Paolino)
Il blog elettrico di carloc (carloc)
DirtEYblooog (dirtydeeds)
Di tutto... un po' (jordan20)
AK47 (lillo)
Esperienze elettroniche (marco438)
Telecomunicazioni musicali (clavicordo)
Automazione ed Elettronica (gustavo)
Direttive per la sicurezza (ErnestoCappelletti)
EYnfo dall'Alaska (mir)
Apriamo il quadro! (attilio)
H7-25 (asdf)
Passione Elettrica (massimob)
Elettroni a spasso (guidob)
Bloguerra (guerra)




pigreco]=π