Cos'è ElectroYou | Login Iscriviti

ElectroYou - la comunità dei professionisti del mondo elettrico

Carico Elettronico - Un parere su questo progetto Diy?

Elettronica lineare e digitale: didattica ed applicazioni

Moderatori: Foto Utentecarloc, Foto Utenteg.schgor, Foto UtenteBrunoValente, Foto UtenteIsidoroKZ

0
voti

[21] Re: Carico Elettronico - Un parere su questo progetto Diy?

Messaggioda Foto UtenteMarcoD » 16 ago 2021, 12:22

MarcoD gli schemi in FidoCadJ, per la miseria!!! :lol:

Sul mio vecchio PC portatile con Vista, non riesco a caricare la versione di Java adatta al Fidocadj scaricato :(
Se lo ritieni cancella pure i miei schizzi.

Riguardo allo schema del post 1, che con la reazione stabilizza la tensione ai capi del resistore da 0,01 ohm,
è possibile che alla applicazione della tensione al carico, durante il transitorio, la corrente assorbita risulti instantaneamente maggiore dei 20 A max. Per cui se l'alimentatore fosse switching protetto con limitazione in corrente potrebbe entrare in protezione.
Sarebbe interessante che qualche abile volenteroso provi a simulare il transitorio e ne comunichi il risultato.

Il problema non è grave, perché si risolve applicando prima la tensione, poi azionando l'interruttore S2 di inserzione del carico.
Avatar utente
Foto UtenteMarcoD
12,2k 5 9 13
Master EY
Master EY
 
Messaggi: 6696
Iscritto il: 9 lug 2015, 16:58
Località: Torino

0
voti

[22] Re: Carico Elettronico - Un parere su questo progetto Diy?

Messaggioda Foto UtenteEtemenanki » 16 ago 2021, 14:24

MarcoD ha scritto:
MarcoD gli schemi in FidoCadJ, per la miseria!!! :lol:

Sul mio vecchio PC con Vista, non riesco a caricare la versione di Java adatta al Fidocadj scaricato :( ...


Sul mio portatile non la potevo usare (problemi con le versioni di java personalizzate di altri programmi), ho risolto scaricando la portable e mettendola su una vecchia chiavetta USB, funziona e non interferisce con il portatile perche' se lanciata dalla chiavetta non va ne a cercare ne a scrivere nulla sul PC (unica accortezza, ma solo per comodita', ho creato una cartella "save" extra e gli ho detto di salvare solo li, cosi almeno non c'e' da andarsi a cercare i files in tutta la chiavetta)
"Sopravvivere" e' attualmente l'unico lusso che la maggior parte dei Cittadini italiani,
sia pure a costo di enormi sacrifici, riesce ancora a permettersi.
Avatar utente
Foto UtenteEtemenanki
9.517 3 6 10
Master
Master
 
Messaggi: 5940
Iscritto il: 2 apr 2021, 23:42
Località: Dalle parti di un grande lago ... :)

0
voti

[23] Re: Carico Elettronico - Un parere su questo progetto Diy?

Messaggioda Foto UtenteTurk182 » 16 ago 2021, 15:31

Buongiorno Foto UtenteMarcoD, ti ringrazio per la nuova revisione del circuito.
Mi dici in cosa differisce dal precedente?
Al mare tutto bene? :-P

Ciao Foto Utentestefanopc, Bravissimo, un gran lavoro..!
Grazie.
Sono contento che il tuo parere sul circuito confermi le mie sensazioni.
Quindi si, sarei senz'altro per impiegare l'LM10CN.

E implicitamente, direi che stiamo avviando la nuova versione del progetto 1.

Whow...! :mrgreen:

Se siete d'accordo potremmo chiamarco ELv2 (Electronic Load v2), o anche "EL2", che fa un po Messicano.
Si, mi piace. :roll:
Partire con un bel nome è già di buon auspicio!
Mentre al progetto originale, potremmo riferirci come circuito 1, così evitiamo futuri fraintendimenti.

Eccellente, l'idea di suddividere la corrente su più transistor.
Un BDX53B (80V), o anche un BDX53C (100V), costano circa 1 euro al pezzo.
Con 8 di questi in parallelo, si supera la gestione di corrente di un singolo MJ11032, max 300W (che costa anche di più), ma con il vantaggio di spalmare il punto di applicazione del calore su di un'area molto più ampia, migliorando l'efficienza complessiva del sitema.
Considerando la tensione collettore - emettitore più alta (100V, contro gli 80V del BDX53B), decidiamo di utilizzare i BDX53C?

Altra buona, buonissima idea, suggerire l'impiego di sistemi heatsink con Heat Pipe per CPU.
Avevo già letto e visto una soluzione analoga e poco fa ne ho trovata una simile in un progetto in PDF.
Allego il link, potrebbe essere utile per vedere come hanno implementato il sistema di raffreddamento:
https://content.instructables.com/ORIG/ ... N644BN.pdf

Subito dopo ho cercato un possibile candidato di Heatsink con Heat Pipe e ventola da 120 mm.
Questo mi sembra interessante, per prezzo e funzionalità, ma mi chiedo se basterebbe ai nostri scopi.
Il valore TDP di questo sistema (Thermal Design Power) è 140W.
https://www.reichelt.com/de/en/alpenfoe ... 67243.html
Le caratteristiche:
Fan: 12V, 120 mm.
Fan speed: 400-1600 RPM
Rumore: 8 - 20.2 dB
Interfaccia: 4-pin PWM
Flusso d'aria: 95.14 m³/h
Heat Pipe: 3 x 6 mm.
Prezzo: € 23,80

Un'alternativa di poco più economica (20 €), ma con TPD da 180W e 4 heat pipe, potrebbe essere questa:
https://www.amazon.it/DEEP-COOL-GAMMAXX ... B08MX46VSM

Quest'ultimo sistema è così compatto ed economico, che affiancandone due per dissipare un'unica superficie (tot 40€), si otterrebbe un sistema a 8 heat pipe e due ventole da 120, con un TDP vicino ai 360W.
Sarebbe quasi una mostruosità, ma capace di raffreddare i bollori di un Carico Elettronico in stile Hummer...!

Avrei già qualche idea per realizzare la superficie di fissaggio per i transistor, naturalmente in rame solido.

Una domanda su questo:
A - Nell'economia del Carico Elettronico che andiamo a realizzare, come interpretiamo il dato TDP del dissipatore?
Dipenderà dal numero di Transistor impiegati e quindi dalla potenza massima teorica, sostenibile dal dispositivo?

Butto li qualche pensiero sparso. A seguire anche qualche domanda specifica sul circuito 1, giusto per fugare qualche dubbio.

B - Manterrei il sistema di alimentazione e controllo del sistema di raffreddamento, indipendente e separato dal circuito del Carico Elettronico, così evitiamo qualunque possibile interferenza.

C - Ok per la soluzione di connettere direttamente i transistor ai dissipatori senza isolamento elettrico (come fatto nel progetto 1). Si provvederà a tenere isolato il gruppo "heatsink" dal resto del sistema e naturalmente dal Case metallico.

Circa il circuito 1:
Allego la bozza della lista componenti relativa al circuito 1, in formato foglio elettronico *.ods (Open Office):
Electronic_Load__circuit_1.zip
(15.87 KiB) Scaricato 156 volte


D - Nel circuito 1, la resistenza R1 da 0.01 ohm, 1 %, 20W (TO-220) è accoppiata al transistor, quindi immagino ne serviranno di un numero uguale a quello dei transistor impiegati, ma la potenza potrebbe essere inferiore? In caso affermativo, quale componente scegliereste per sostituire quello da 20W?

E - Condensatore C4. La lista componenti originale cita 47 uF / 2V, ed è descritto come multistrato non polarizzato (SMD). E' necessario usare per forza un condensatore con questo tensione massimo (2V) o potrebbe essere anche più elevato?

F - Nel progetto originale viene impiegato un circuito stampato del quale viene mostrata solo una piccola foto per trasparenza, identica a quella che ho pubblicato ingrandita a specchiata. Il PCB originale fa uso di componenti SMD. Lo ritenete necessario, o solo utile a fini di una pianificazione più stretta dei componenti?

G - Nella mia limitata esperienza, provando a seguire i relativi percorsi del PCB originale, mi sembra di trovarli un po caotici, quasi che sia stato pianificato principalmente in funzione dei due connettori in linea (ma potrei anche sbagliarmi).
In un dispositivo come questo, non mi sembra così indispensabile fare ampio uso di connettori.
I cavi di interconnessione, se saldati, potrebbero uscire dal PCB in modo più libero (anche se non allineati), a vantaggio di un layout più razionale. Al momento, questa è un'ipotesi da verificare.

H - Qualche obiezione nell'utilizzare componenti a foro passante, al posto di quelli SMD?

Il circuito stampato.
Per qanto mi riguarda, quando avremo uno schema definitivo, disegnerò il layout del PCB, lo mostrerò ed effettueremo tutte le modifiche che vi sembrano utili. Poi lo farò stampare.
Servirà a testarlo, ma potrei farne qualche copia in più, per quelli che potrebbero volerlo replicare.
Nel caso, più avanti, quando se ne riparlerà, segnalatevi per prenotarne una copia.

------------

Come aggiornamento dell'ultimo minuto, ringrazio Foto UtenteEtemenanki per il suggerimento al punto (20) di un'ingresso opzionale per alimentare la parte elettronica separatamente.
Avatar utente
Foto UtenteTurk182
40 1 4
New entry
New entry
 
Messaggi: 63
Iscritto il: 7 mag 2012, 12:58

0
voti

[24] Re: Carico Elettronico - Un parere su questo progetto Diy?

Messaggioda Foto UtenteMarcoD » 16 ago 2021, 16:20

Mi dici in cosa differisce dal precedente?
Al mare tutto bene? :-P Si tutto bene.

Il nuovo adopera un regolatore LM117 che rende la corrente assorbita maggiormente indipendente dalla tensione applicata.


D - Nel circuito 1, la resistenza R1 da 0.01 ohm, 1 %, 20W (TO-220) è accoppiata al transistor, quindi immagino ne serviranno di un numero uguale a quello dei transistor impiegati, ma la potenza potrebbe essere inferiore? In caso affermativo, quale componente scegliereste per sostituire quello da 20W?

E' più complesso: se al posto di 1 transistor, ne vuoi montare 5 con il collettore in comune, e ciascuno con la propria resistenza " R1" sull'emettitore, la corrente in ogni emettitore è 1/5 della corrente di carico,
se vuoi che la tensione ai capi di una "R1" sia la stessa, il valore dei "R1" va moltiplicato per 5, ossia invece che 0,01 ohm va da 0,05 ohm. Anche la potenza di ogni resistenza si riduce di 5 , passa da 20 a 4 watt.
Come segnale di feedback devi collegati a una qualsiasi delle 5 resistenze, confidando che i 5 transistor e 5 resistenze abbiano caratteristiche molto vicine fra loro.


E - Condensatore C4. La lista componenti originale cita 47 uF / 2V, ed è descritto come multistrato non polarizzato (SMD). E' necessario usare per forza un condensatore con questo tensione massimo (2V) o potrebbe essere anche più elevato? Sicuramente può essere più elevato ( 16 V ?), solo che il condensatore diventa leggermente più ingombrante.


F - Nel progetto originale viene impiegato un circuito stampato del quale viene mostrata solo una piccola foto per trasparenza, identica a quella che ho pubblicato ingrandita a specchiata. Il PCB originale fa uso di componenti SMD. Lo ritenete necessario, o solo utile a fini di una pianificazione più stretta dei componenti?

Per me , se fai un esemplare unico puoi adoperare una basetta mille fori, la realizzazione viene più brutta e ingombrante, ma il circuito diventa più facile da verificare e modificare. Ma è una questione dibattuta, dipende dai tuoi interessi personali.
Avatar utente
Foto UtenteMarcoD
12,2k 5 9 13
Master EY
Master EY
 
Messaggi: 6696
Iscritto il: 9 lug 2015, 16:58
Località: Torino

0
voti

[25] Re: Carico Elettronico - Un parere su questo progetto Diy?

Messaggioda Foto UtenteTurk182 » 16 ago 2021, 16:57

Ciao MarcoD, grazie per i chiarimenti, sopratutto per il punto D.
Sono curioso di vedere come verrà modificato il circuito originale per integrare un certo numero di transistor.
Questo numero presumo vada deciso fin dall'inizio, per dimensionare correttamente il resto.
Sentiamo anche il parere di Foto Utentestefanopc, che ha lanciato l'idea.
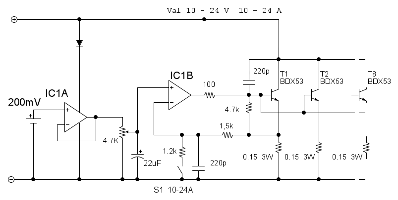
Proporrei un parallelo di n° 8 BDX53C. Siete d'accordo?

Non lo avevo ancora detto (per rispetto a te e alla vacanza) ma è inplicito.
Sentiti libero di partecipare attivamente, certo , in funzione del tempo che ti rimane libero...
( Tra un Mojito e l'altro... :mrgreen:).
Anche no. :shock:

E - Va bene, grazie. Lo terremo presente.

F - Si MarcoD, condivido l'uso di una mille fori, che anch'io trovo ideale per impostare prototipi.
In questo caso, per pulizia del circuito ed eventuale riproducibilità in più copie, preferirei un PCB.
Di recente ho provato il servizio di stampa jlcpcb.com (posso dirlo? comunque non è mio....) e a fronte di una qualità più che accettabile (solo le serigrafie non erano impeccabili su alcune copie), il costo è decisamente basso.
Fare stampare qualche copia del nuovo PCB (diciamo fino ad una decina), potrebbe costare forse una ventina di euro, magari con spedizione compresa. In ogni caso, un importo così basso da non giustificare tre ore di lavoro per riprodurlo su una millefori, a meno di non volere, come dici, effettuare modifiche o semplicemente testarlo.
Dato che lo chiedi, il mio interesse è arrivare ad un buon strumento finito, per me, per uso personale. :roll:
Avatar utente
Foto UtenteTurk182
40 1 4
New entry
New entry
 
Messaggi: 63
Iscritto il: 7 mag 2012, 12:58

0
voti

[26] Re: Carico Elettronico - Un parere su questo progetto Diy?

Messaggioda Foto Utentestefanopc » 16 ago 2021, 23:41


Io lo farei cosi modificato.
I transistor sono 8 Bdx53 ma si puo provare anche con altri darlington.
Prima di fare uno stampato io lo proverei a fondo su millefori anche con un numero inferiore di finali.
S1 si potrebbe anche non mettere ma un potenziometro multigiri lo metterei sicuramente.
Mancano le varie protezioni e i condensatori sulle alimentazioni.
ciao
600 Elettra
Avatar utente
Foto Utentestefanopc
13,3k 5 9 13
Master EY
Master EY
 
Messaggi: 5567
Iscritto il: 4 ago 2020, 9:11

0
voti

[27] Re: Carico Elettronico - Un parere su questo progetto Diy?

Messaggioda Foto UtenteIsidoroKZ » 17 ago 2021, 0:25

Metterei una resistenza di retroazione per ogni transistor. Oltre a CC lo si potrebbe fare a CR ed anche CV.
È proprio indispensabile usare l'LM10? Ce la fa a pilotare tutti i transistori?
Per usare proficuamente un simulatore, bisogna sapere molta più elettronica di lui
Plug it in - it works better!
Il 555 sta all'elettronica come Arduino all'informatica! (entrambi loro malgrado)
Se volete risposte rispondete a tutte le mie domande
Avatar utente
Foto UtenteIsidoroKZ
121,2k 1 3 8
G.Master EY
G.Master EY
 
Messaggi: 21059
Iscritto il: 17 ott 2009, 0:00

0
voti

[28] Re: Carico Elettronico - Un parere su questo progetto Diy?

Messaggioda Foto Utentestefanopc » 17 ago 2021, 9:05

Per le resistenze di retroazione è da valutare.
Io confido nel fatto che la corrente venga distribuita equamente grazie alle Re.
Come suggerito ho verificato che LM 10 non ce la fa a far lavorare gli 8 finali a 24A.
Serve un piccolo transistor di segnale che amplifichi la corrente di almeno 10 volte.
Volendo cambiare componente io utilizzerei componenti più comuni o LM723 (se ha ingressi adatti a lavorare vicino a 0V) o il solito Lm358 ca3140.
Per il riferimento in tensione non c'è problema ne ho diversi a 1.25V.
CR saprei come fare, CV ancora non ci ho pensato.
Ciao
600 Elettra
Avatar utente
Foto Utentestefanopc
13,3k 5 9 13
Master EY
Master EY
 
Messaggi: 5567
Iscritto il: 4 ago 2020, 9:11

0
voti

[29] Re: Carico Elettronico - Un parere su questo progetto Diy?

Messaggioda Foto UtenteTurk182 » 17 ago 2021, 9:42

Buongiorno Foto UtenteIsidoroKZ, mi spieghi cosa intendi per "Si potrebbe fare a CR e CV"?
CC presumo sia corrente continua, forse CV è corrente variabile, ma CR?
Grazie. :-)
Circa LM10 si,, mi piacerebbe sapere qual è il numero massimo di transistor che potrebbe pilotare senza problemi, prima ancora di guardare ad un operazionale alternativo
Ho appena riletto. Nella seconda pagina riportano che può erogare una ventina di milliampere.

Le prestazioni del progetto originale lo danno per circa 200W max, ma non siamo obbligati ad aumentarle per forza, se questo porta ulteriori problemi o aumenta il numero di modifiche necessarie.
Ad esempio, Se impiegassimo dai 5 ai 6 transistor, ci sarebbero meno criticità nell'adattare il circuito?
Questo, proprio per rimanere all'interno della capacità di gestione dell'LM10, che come descritto nel progetto, presenta alcuni vantaggi, nonostante l'età.
E per lo stesso motivo, cercherei di conservare l'ampio range di funzionamento.

Nell''introduzione al progetto (punto "2"): (http://www.microcontroller.it/Progetti/ ... /eload.htm), scrivono:
"Può funzionare tra 2 V circa e la tensione massima sopportabile dai componenti (<40V)."

Foto Utentestefanopc, nel nuovo schema pubblicato hai indicato una Val 10 - 24 V.
E' un dato approssimativo o sarebbe il range effettivo del nuovo circuito?
Avatar utente
Foto UtenteTurk182
40 1 4
New entry
New entry
 
Messaggi: 63
Iscritto il: 7 mag 2012, 12:58

0
voti

[30] Re: Carico Elettronico - Un parere su questo progetto Diy?

Messaggioda Foto UtenteMarcoD » 17 ago 2021, 10:04

Buongiorno IsidoroKZ, mi spieghi cosa intendi per "Si potrebbe fare a CR e CV"?
CC presumo sia corrente continua, forse CV è corrente variabile, ma CR

Provo ad anticipare Isidoro, anche se le abbreviazioni possono avere diversi significati:
Descrive la modalità di funzionamento del carico:

- CR sta per controllo (impostazione ) della resistenza di carico
Per esempio imposti 1 ohm, applicando 10 V assorbe 10 A, applciando 15V assorbe 15 A

- CC sta per controllo in corrente.
Per esempio imposti 5 A , e il carico assorbe sempre 5 A sia se applichi 5 V sia 15 V.

CV controllo della tensione ai capi dei morsetti.
Forse è poco adoperato, si applica ai generatori di corrente (forse per esempio per alimentare le serie diu LED)
Si impone una tensione ai morsetti, e la corrente generata viene di conseguenza.

A te quale modalità interessa ?


Circa LM10 si,, mi piacerebbe sapere qual è il numero massimo di transistor che potrebbe pilotare senza problemi, prima ancora di guardare ad un operazionale alternativo.
In modo grossolano:
Dai data sheet:
Il LM10 può erogare una corrente massima di 20 mA
I BDX53 hanno un hfe (guadagno in corrente) di 750

20 mA x 750 = 15 A corrente massima assorbibile indipendente dal numero di transistor in parallelo.


In realtà la corrente è minore tenendo conto delle tolleranze e delle cadute di tensione.

Il MJ11016 ha un guadagno di 1000 (Ic=20 A, Vce 5,0) quindi è leggermente meglio.
Avatar utente
Foto UtenteMarcoD
12,2k 5 9 13
Master EY
Master EY
 
Messaggi: 6696
Iscritto il: 9 lug 2015, 16:58
Località: Torino

PrecedenteProssimo

Torna a Elettronica generale

Chi c’è in linea

Visitano il forum: Majestic-12 [Bot] e 54 ospiti