12V o 24 V ma sempre 12V
Moderatori:
carloc,
g.schgor,
BrunoValente,
IsidoroKZ
38 messaggi
• Pagina 4 di 4 • 1, 2, 3, 4
2
voti
Con lo stesso prezzo prendi un flyback che regola da 6V a 30V e da` una uscita a 12V.
Per usare proficuamente un simulatore, bisogna sapere molta più elettronica di lui
Plug it in - it works better!
Il 555 sta all'elettronica come Arduino all'informatica! (entrambi loro malgrado)
Se volete risposte rispondete a tutte le mie domande
Plug it in - it works better!
Il 555 sta all'elettronica come Arduino all'informatica! (entrambi loro malgrado)
Se volete risposte rispondete a tutte le mie domande
2
voti
IsidoroKZ ha scritto:GuidoB ha scritto:Ho comprato questo buck-boost converter...
...
Per avere la stessa polarita` in uscita (credo sia questo il caso, verifica se il negativo dell'ingresso e` direttamente collegato al negativo dell'uscita) si puo` usare un flyback o un sepic che richiedono due avvolgimenti sullo stesso nucleo, come si vede nella foto del converter che hai comprato.
...
Qual e` l'integrato di controllo? Dalla foto si vede un secondo componente magnetico piccolino, si riesce a capire dove e` collegato?
Ho verificato che tra il negativo d'ingresso e quello d'uscita la resistenza è zero.
L'integrato di controllo è sotto il nucleo toroidale, in buona parte ricoperto da una specie di gomma bianca che tiene fermo il nucleo. Sembra avere 8 + 8 piedini, passo 1 mm.
Non riesco a capire dove è collegato l'altro componente magnetico, che comunque sembra avere 2 terminali. Porta stampigliato il numero 101. Vicino ha due piazzole marcate FAN- e FAN+.
Big fan of ⋮ƎlectroYou! Ausili per disabili e anziani su ⋮ƎlectroYou
Caratteri utili: À È É Ì Ò Ó Ù α β γ δ ε η θ λ μ π ρ σ τ φ ω Ω º ª ² ³ √ ∛ ∜ ₀ ₁ ₂ ₃ ₄ ₅ ₆ ∃ ∄ ∆ ∈ ∉ ± ∓ ∾ ≃ ≈ ≠ ≤ ≥
Caratteri utili: À È É Ì Ò Ó Ù α β γ δ ε η θ λ μ π ρ σ τ φ ω Ω º ª ² ³ √ ∛ ∜ ₀ ₁ ₂ ₃ ₄ ₅ ₆ ∃ ∄ ∆ ∈ ∉ ± ∓ ∾ ≃ ≈ ≠ ≤ ≥
0
voti
Qui si puo' scegliere anche una vesione su guida DIN, per correnti da 1 a 4,5A.
Peccato siano un po' "sporgenti" (fino a 125mm di profondita').
https://www.emea.lambda.tdk.com/it/KB/DPX15W-Datasheet.pdf
Peccato siano un po' "sporgenti" (fino a 125mm di profondita').
https://www.emea.lambda.tdk.com/it/KB/DPX15W-Datasheet.pdf
0
voti
Sempre DIN Rail ma piu' compatto (12Vout, 1,25A, 15W, 9-36Vin)
con 54mm di profondita:
https://docs.rs-online.com/7784/0900766b8165c19c.pdf
con 54mm di profondita:
https://docs.rs-online.com/7784/0900766b8165c19c.pdf
8
voti
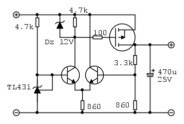
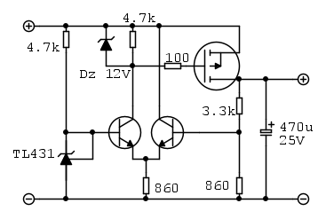
Visto che la potenza in gioco è bassa io mi diletterei a provare qualcosa di semplice tipo questo
Quando è possibile preferisco evitare circuiti complicati fatti da altri, mi piace avere il pieno controllo sul funzionamento.
Il mosfet (P) dovrebbe lavorare in linearità solo per valori di tensioni di ingresso maggiori di 12V, mantenendo il valore della tensione di uscita inchiodato a circa 12V.
Per tensioni di ingresso di 12V o meno invece il mosfet dovrebbe portarsi in piena conduzione e quindi tra ingresso e uscita dovrebbe rimanere la sola Ron del mosfet, perciò andrebbe scelto un mosfet con un valore di Ron sufficientemente basso da risultare trascurabile per le correnti in gioco nel carico.
Non ho fatto i conti ma credo che con i valori scelti la stabilità sia assicurata, cioè che il margine di fase non sia molto inferiore a 90°, questo perché il valore dell'elettrolitico dovrebbe essere sufficientemente alto da garantire che la frequenza dove il guadagno di anello diventa unitario sia sufficientemente bassa e quindi che l'effetto delle capacità parassite sia ininfluente e che l'elettrolitico si comporti ancora da condensatore.
Quando è possibile preferisco evitare circuiti complicati fatti da altri, mi piace avere il pieno controllo sul funzionamento.
Il mosfet (P) dovrebbe lavorare in linearità solo per valori di tensioni di ingresso maggiori di 12V, mantenendo il valore della tensione di uscita inchiodato a circa 12V.
Per tensioni di ingresso di 12V o meno invece il mosfet dovrebbe portarsi in piena conduzione e quindi tra ingresso e uscita dovrebbe rimanere la sola Ron del mosfet, perciò andrebbe scelto un mosfet con un valore di Ron sufficientemente basso da risultare trascurabile per le correnti in gioco nel carico.
Non ho fatto i conti ma credo che con i valori scelti la stabilità sia assicurata, cioè che il margine di fase non sia molto inferiore a 90°, questo perché il valore dell'elettrolitico dovrebbe essere sufficientemente alto da garantire che la frequenza dove il guadagno di anello diventa unitario sia sufficientemente bassa e quindi che l'effetto delle capacità parassite sia ininfluente e che l'elettrolitico si comporti ancora da condensatore.
-

BrunoValente
39,6k 7 11 13 - G.Master EY

- Messaggi: 7796
- Iscritto il: 8 mag 2007, 14:48
0
voti
IsidoroKZ ha scritto:(...)
Grazie mega!
Di nulla figurati!!!

Disapprovo quello che dite, ma difenderò fino alla morte il vostro diritto di dirlo [attribuita a Voltaire]
La gentilezza dovrebbe diventare lo stile naturale della vita, non l'eccezione [Siddhārtha Gautama]
La gentilezza dovrebbe diventare lo stile naturale della vita, non l'eccezione [Siddhārtha Gautama]
-

Max2433BO
18,6k 4 11 13 - G.Master EY

- Messaggi: 4724
- Iscritto il: 25 set 2013, 16:29
- Località: Universo - Via Lattea - Sistema Solare - Terzo pianeta...
2
voti
E' un classico amplificatore differenziale, vede la differenza delle tensioni applicate alle basi
-

BrunoValente
39,6k 7 11 13 - G.Master EY

- Messaggi: 7796
- Iscritto il: 8 mag 2007, 14:48
38 messaggi
• Pagina 4 di 4 • 1, 2, 3, 4
Chi c’è in linea
Visitano il forum: Nessuno e 41 ospiti

Elettrotecnica e non solo (admin)
Un gatto tra gli elettroni (IsidoroKZ)
Esperienza e simulazioni (g.schgor)
Moleskine di un idraulico (RenzoDF)
Il Blog di ElectroYou (webmaster)
Idee microcontrollate (TardoFreak)
PICcoli grandi PICMicro (Paolino)
Il blog elettrico di carloc (carloc)
DirtEYblooog (dirtydeeds)
Di tutto... un po' (jordan20)
AK47 (lillo)
Esperienze elettroniche (marco438)
Telecomunicazioni musicali (clavicordo)
Automazione ed Elettronica (gustavo)
Direttive per la sicurezza (ErnestoCappelletti)
EYnfo dall'Alaska (mir)
Apriamo il quadro! (attilio)
H7-25 (asdf)
Passione Elettrica (massimob)
Elettroni a spasso (guidob)
Bloguerra (guerra)



